




Какие требования предъявляются к креплению двигателя на автомобиле?
Двигатель на раме автомобиля крепится с помощью лап или кронштейнов, выполненных на картерах двигателя и маховика. Оба картера жестко соединены между собой. Опоры изготавливают упругими, снабжая их резиновыми подушками, а иногда и пружинами.
Упругие опоры уменьшают вибрации двигателя, возникающие вследствие неравномерности крутящего момента и недостаточной уравновешенности вращающихся масс, а также смягчают удары, передаваемые от рамы на двигатель при движении автомобиля. Двигатель обычно крепят на раме в трех или четырех точках.
Как осуществляется крепление двигателя на раме автомобиля ЗИЛ-130?
Двигатель автомобиля ЗИЛ-130 крепится на раме в трех точках (рис.15, а). Передней опорой служит кронштейн 1, установленный под крышкой распределительных шестерен и соединенный с ней болтами 2. Под кронштейн положены резиновые подушки 3, которыми он опирается на поперечину рамы 4 и закрепляется болтами 5. Задними опорами служат лапы 6 картера сцепления и кронштейны 8 рамы автомобиля. Лапы и кронштейны также соединяются болтом 7, а между ними положены резиновые подушки 9.
Как крепится двигатель на автомобиле ГАЗ-53А?
Двигатель автомобиля ГАЗ-53А крепится на раме в четырех точках (рис.15, б). Две опоры крепления находятся спереди с правой и левой сторон блока цилиндров, а две другие – сзади, под приливами картера сцепления.
Передние опоры состоят из резиновых подушек с привулканизированной к ним стальной арматурой. В арматуре закреплены бобышки с резьбой. В них ввертываются болты, с помощью которых подушки крепятся к кронштейнам 11, а они прикреплены к картеру двигателя 12, а снизу к кронштейнам рамы 10.
Задние опоры состоят из резиновых подушек 13 с чашками 14 и болтами крепления 15.

Рис.15. Крепление двигателя на раме автомобиля:а – ЗИЛ-130; б – ГАЗ-53А.
***Проверьте свои знания и ответьте на контрольные вопросы по теме «Многоцилиндровые двигатели. Кривошипно-шатунный механизм»
автомобиль, двигатель, крепление, кронштейн, рама
avtomobil-1.ru
Крепление двигателей.
Выбор конструкции крепления двигателей зависит от типа двигателя, его компоновки на летательном аппарате, а также от величины и направления приложенных сил. К креплению двигателей предъявляются следующие основные требования:
- оно должно воспринимать все нагрузки, возникающие в различных условиях полета;
- быть прочным и жестким при минимальном весе;
- поглощать вибрации двигателя и воздушного винта с тем, чтобы они не передавались на конструкцию летательного аппарата;
- компенсировать температурные перемещения корпуса двигателя;
- обеспечивать быстрый монтаж и демонтаж.
В настоящее время все больше применяются на летательных аппаратах быстросъемные силовые установки. Такое крепление позволяет производить монтаж и демонтаж двигателя со всеми агрегатами и деталями, установленными на нем. При этом заранее смонтированный двигатель может быть предварительно опробован.
Крепление двигателя должно быть выполнено так, чтобы корпус его не входил в силовую схему летательного аппарата. Оно должнообеспечивать взаимозаменяемость двигателей, легкий и свободный доступ ко всем агрегатам, требующим периодического осмотра и регулировки во время эксплуатации. Удобству обслуживания всегда уделялось большое внимание, но сейчас простота обслуживания рассматривается наравне с важнейшими характеристиками силовой установки, такими как надежность, вес и др.
Схемы крепления.
На очертание и силовую схему крепления двигателя существенное влияние оказывает тип двигателя и его компоновка на летательном аппарате. Чаще всего конструктивные схемы крепления двигателей представляют собой пространственные фермы, соединяющие двигатель с каркасом летательного аппарата и имеющие не менее шести стержней. При этом стержни должны быть расположены так, чтобы обеспечивалась геометрическая неизменяемость системы. Однако часто встречаются фермы, имеющие больше шести стержней, что способствует повышению живучести системы. Все силовые элементы крепления двигателя выполняются из легированных высокопрочных сталей, термически обработанных.
Крепление звездообразного ПД состоит из трубчатого кольца, к которому крепится картер двигателя, и восьми приваренных к кольцу стержней, соединяющихся с каркасом самолета. Кольцо и стержни выполнены из стали 30ХГСА и соединены в узлах при помощи сварки. Для усиления сварных узлов стыковка труб производится при помощи косынок. В местах крепления фермы к каркасу самолета в стержни вварены проушины или фитинги. Картер двигателя крепится к кольцу при помощи шпилек на резиновых втулках. Узлы крепления фермы к каркасу самолета имеют резиновые амортизаторы.
С точки зрения строительной механики конструкция крепления двигателя представляет собой пространственную ферму и относится к классу сложных статически неопределимых систем. Узлы крепления соединены сваркой и их можно было бы считать жесткими. В этом случае при нагружении фермы стержни будут работать на растяжение — сжатие и на изгиб.Но так как изгиб получается небольшим, то для расчетов сварные жесткие узлы можно заменить идеальными шарнирами, работающими без трения. Трубчатое кольцо и картер двигателя принимают за абсолютно жесткие тела. Тогда стержни крепления будут работать только на растяжение — сжатие.
Крепление ТВД на летательном аппарате осуществляют при помощи пространственных стержневых систем, соединенных с узлами двигателя. Крепление может быть ферменного и ферменно-балочного типа.


На рисунке показано крепление двигателя к центроплану крыла посредством быстросъемной пространственной двухъярусной фермы и демпферов крепления двигателя к раме. К четырем амортизаторам рамы двигатель прикреплен при помощи двух передних и двух задних цапф. Нагрузку от тяги винта и часть нагрузки от веса двигателя, распределенную по правилу рычага, воспринимают передние амортизаторы. Задние амортизаторы воспринимают только часть веса двигателя.
Крепление двигателя состоит из рамы исиловой фермы. Рама состоит из восьми подкосов: шесть выполнены из стальных труб, на концах которых приварены крепежные детали, два задних представляют собой пустотелые стержни со смонтированными на них амортизаторам. Верхние, нижние и задние подкосы имеют на одном конце вилки с резьбовыми наконечниками, служащие для регулировки оси двигателя.
Силовая ферма служит для крепления рамы двигателя и силового шпангоута к лонжерону центроплана. Она состоит из восьми подкосов с узлами крепления ее к центроплану и с узлами для крепления силового шпангоута и рамы.
Конструкция крепления двигателя ферменно-балочного типа состоит из двух балок б и шести подкосов. Балки могут работать на изгиб от боковых сил. Стержни воспринимают лишь осевые нагрузки.
Двигатель крепится на четырех цапфах. Передние цапфы 1вставлены в амортизаторы. При помощи балок и верхних подкосов передние цапфы передают нагрузки на силовой шпангоут гондолы двигателя. Нагрузка от задних цапф передается на силовой шпангоут гондолы посредством подкосов-демпферов. Положение двигателя может изменяться путем регулирования длины внутренних подкосов 6 и задних амортизаторов.
Крепление ТРДна летательном аппарате может быть осуществлено при помощи рам, состоящих из стержней, или, если двигатель крепится на пилоне под крылом или в хвостовой части фюзеляжа, — при помощи вильчатых узлов, расположенных сверху на корпусе двигателя. Особенностью крепления ТРД является наличие на самом двигателе силовых поясов. Минимальное количество силовых поясов—два, один из которых является основным. На основном силовом поясе располагаются узлы, воз принимающие нагрузки Рх, Ру и Pz, а также моменты Мх и Му, на дополнительных поясах — узлы, воспринимающие нагрузку Ру и момент У ТРД напряженный температурный режим, вследствие чего его корпус подвержен значительным температурным расширениям. Поэтому двигатель должен быть закреплен так, чтобы компенсировать температурные перемещения корпуса.


На рисунке справа показано крепление ТРД к силовым шпангоутам фюзеляжа. Особенностью этой схемыявляется ее асимметрия. Внутри стержневой системы, состоящей из шести основных стержней 3, 4, 5 и 7, 8, 9 и одного дополнительного стержня 6, имеется плоский узел, образованный стержнями 1 и 2. Правильное положение двигателя на самолете достигается регулировкой длины шести основных стержней. Каждый стержень имеет резиновый демпфер для поглощения вибраций во время работы двигателя.
Особый интерес представляет крепление ТРД, расположенных на пилонах в хвостовой части фюзеляжа (рисунок ниже ). Пилон является силовым промежуточным звеном между двигателем и фюзеляжем. Каждый двигатель крепится в трех точках к штампованным и механически обработанным консольным балкам 1 и 8, присоединяемым по две с каждой стороны фюзеляжа в плоскости переднего и заднего поясов крепления двигателя. Консольные балки двутаврового сечения, выполненные из высокопрочной стали, образуют кессон небольшой высоты. Верхняя и нижняя обшивки этого кессона изготовлены из стали и подкреплены стрингерами. В хвостовой части фюзеляжа имеется два мощных механически обработанных шпангоута 5 и 6, изготовленных из легкого сплава, к котором крепятся поперечные горизонтальные балки, имеющие стальные лонжероны 7 и стенки 8 из алюминиевого сплава. На передней балке установлены узлы, воспринимающие нагрузки Рх, Ру и Plt а также моменты Мх, Му и Mt. Узлы крепления двигателя на задней балке воспринимают силы Ру, Р2, моменты Му и M.z и обеспечивают температурное расширение двигателя. Аналогично выполняется крепление ТРД на пилонах, расположенных под крылом.

Конструкции систем крепления двигателей на вертолетах сходны с конструкциями систем крепления двигателей на самолетах. При этом должна быть обеспечена возможность регулирования установки двигателя для соединения вала двигателя с редуктором.
poznayka.org
Двигатели на автомобилях ВАЗ устанавливаются поперечно, или продольно в зависимости от привода на переднюю, или заднюю ось в передней части, и крепятся к кузову по средствам специальных опор. Служат они для предотвращения резонансных вибраций и ударов металлических креплений по кузову, появляющихся от езды по неровностям, а также для защиты кузова автомобиля от хаотичных перемещений двигателя в подкапотном пространстве, влияние несбалансированных сил действующих при интенсивном разгоне и торможении. Двигатель устанавливается на вспомогательных (промежуточных) элементах. Это очень нужный и важный элемент в устройстве автомобиля. Эти агрегаты должны сочетать в себе пару довольно разноречивых показаний.
С одной стороны подушки должны максимально сильно крепить двигатель к кузову автомобиля, не разрешая передвигаться ему под воздействием нагрузок по горизонтали и вертикали относительно оси автомобиля. С другой стороны подушки должны быть мягкими, чтобы не передавать от работающего двигателя вибрации на кузов. Кроме того подушки двигателя должны быть весьма долговечными и прочными, для удерживания достаточно тяжелого силового агрегата в моторном отсеке. Элементы подушки производят из каучуковых заготовок с их прикреплением к металлической пластине и называется этот элемент- подушка крепления двигателя, она же опора двигателя.
Опора двигателя крепится двумя или тремя болтами в зависимости от модели авто к кузову а уже к ней крепится кронштейн крепления двигателя, некий переходник между двигателем на который он прикручен и подушкой.
Крепление двигателя ваз к кузову осуществляется по средством стягиванием подушки и кронштейна стальными болтами, таким образом, двигатель становится в подвешенном состоянии а не крепится жёстко к кузову.
Признаки неисправности подушек и крепления двигателя
Порванные подушки или поломанные крепления, что случается редко, ведут за собой сильный износ приводов ведущей оси и системы выхлопа, который может негативно отразиться на состоянии вашего кошелька после дорогостоящего ремонта.
Во избежание таких проблем, необходимо обращать внимание на малейшие изменения в работе двигателя и в случае поломки незамедлительно решать возникшую проблему.
Замена неисправных подушек и креплений двигателя
Рассмотрим замену пяти подушек двигателя на примере автомобиля ВАЗ 2110-2112
4. Откручиваем две гайки крепления кронштейна к подушке.
5. Отворачиваем три гайки крепления кронштейна и снимаем подушку.

6. Устанавливаем новую подушку в обратном порядке.
3. Отделяем верхний ограничитель опоры.
4. Откручиваем две гайки крепления опоры к кузову

5. Снимаем подушку с силового агрегата.
6.
6. Устанавливаем новую подушку в обратном порядке.
Тем временем в автоспорте время не стоит на месте и спортивные машины проблема подушек и их долговечности не обошла стороной т.к. подготовленные машины подвергаются нагрузкам в разы, превышающие те, которые мы испытываем в повседневной езде.
Для того, что бы двигатель в спортивной машине оставался на своём месте, используют дополнительные опоры двигателя, коробки, рулевой рейки и прочих агрегатов автомобиля.
Чаще всего в таких целях устанавливают дополнительную опорудвигателя,которая предотвращает и без того небольшое передвижение двигателя (клевки) при интенсивномоттормаживании перед поворотом или быстрым стартом автомобиля. Так же четвертой опоре двигателя дают свойство, предотвращающее самовыключению передач в коробке при больших нагрузках.
Не стоит пренебрегать состоянием креплений двигателя, ведь одна маленькая деталь вкупе со всем организмом двигателя может привести к плачевным событиям. Обслуживайте автомобиль вовремя, и он прослужит вам верой и правдой ещё долгие годы.
autoremka.ru
Сегодня посмотрим, как двигатель крепится к пилону.Во первЫх строках сразу отмажусь, что я сам двигатель никогда не менял, и даже близко не проходил от этого процесса.Так что фоточге буду комментировать с такой же дилетантской колокольни, как и большинство присутствующих.Итак, двигатель CFM56-5 на самолёте семейства Airbus-320 крепится к пилону в двух зонах - передним узлом и задним.Передний узел воспринимает и передаёт на пилон нагрузки по трём осям - продольную (тяга), поперечную и вертикальную (вес).Задний узел воспринимает и передаёт нагрузки по двум осям - поперечную и вертикальную (вес), а также крутящий момент.
Для доступа к точкам крепления надо открыть и поднять капоты реверса (примерно как это упомянуто здесь ).
Влезнув, узреем две зоны крепления к пилону - спереди и сзади.Вот эта треугольная ферма подходит к переднему узлу крепления (это - вид слева по полёту).
Как видно, эта ферма пилона держит двигатель за четыре болта (вид справа).
Двигательные крепления рассчитаны на нормальную работоспособность при разрушении одного из элементов крепления. То есть, для переднего узла подвески это означает потерю одного из болтов крепления к пилону.
Особенностью двигательных креплений является на.уеверченность контровки - вот как в данном случае:болт завёрнут самоконтрящейся гаечкой (хочется в это верить),она держится контровочной шайбой,которая привинчена к выросту узла на двигателе болтом поменьше с тоже самоконтрящейся гайкой;и самый главный болт ещё заботливо до шайбы приконтрен проволочкой.И всё это как бы можно понять: двигатель сам весит тонны три, да ещё тяга тонн до 25 - в общем, усилия тут немаленькие, да плюс ещё и постоянная вибрация способствует сепаратизму. А у нас статья корячится даже за одни призывы, не то что за отрыв от коллектива. Так что законтрено оправданно.Ещё интересно глядеть на винт в ферме пилона над правым болтом. Помимо обычного Эйрбасного шлица Hi-Torq, - видите там вокруг потайной головки жёлтый ободок? Это есть антикоррозионный состав, которым намазан весь винт. Он, гад, мажется очень хорошо - один раз попадёшь, потом весь день всех красишь жёлтым. Такой же состав, по идее, должен быть и на болтах крепления двигателя.
Ниже болтов видна наклонная тяга. Их - две: по одной с каждой стороны.Тяги эти тянутся от кронштейна, привинченного к внутреннему корпусу вентилятора.
Тут интересно посмотреть ещё и на решёточки в правом верхнем углу. Они закрывают клапана перепуска воздуха (противопомпажные). Клапана те перепускают воздух из компрессора во внешний контур двигателя. Это позволяет на низких режимах работы увеличить осевую составляющую скорости движения потока на лопатках, и уменьшить вероятность срыва потока на них - то есть, и помпажа.Поэтому двигатель на малом газе сильно шипит - часть воздуха из компрессора бесплатно дует наружу.При небольшом увеличении режима клапана закрываются, и шум двигателя немного уменьшается.
Соединение кронштейна с тягой тоже не простое: болты-шайбы-гайки.
Другим концом тяга соединяется с поперечной тягой.
Здесь конструктор контровки явно маньячил на пике своей паранойи.Именно после этого узла его и увезли в дурку. Прямо с рабочего места.Хитрый шлиц в болте, сквозь него - контровочная пластина, крепящаяся двумя болтами.И такого там - три. Сдельщик был, видимо.
Слева - трубочка о трёх концах.Полагаю - от пожарного баллона, для выброса фреона при пожаротушении.
На том мои ругательства в адрес переднего узла иссякают. Проходим в зад.
Задний узел крепления дозволяет двигателю теплово расширяться по продольной оси.
Крепится к пилону тоже болтами.
От траверсы отходят три точки крепления - средняя и две боковых.Боковая - это примерно так:
Тяга - явно составная из трёх частей.
Верхняя и нижняя точки её крепления являют собой замысловатую комбинацию из трёх (!!!) контровочных пластин, болтиков и гаечек.
Гайки, естественно, не могут быть одинаковыми с верхним концом.
Дополняют щенячью радость контровочные булавки на другом конце болта.
Всё это бордельеро сделано, видимо, потому, что болты тут составные :)Видите? - их там два соосно :)
Ну, и примерно так же устроена средняя точка крепления.
Она видна примерно посредине кадра.Чуть левее неё стоИт небольшой бочонок - очень похоже на датчик вибрации.А трубочки слева - это как раз для обдува корпуса турбины и регулировки таким образом зазора между ним и торцами турбинных лопаток. Чтобы меньше перетекало газа по зазору мимо лопаток, и улучшался КПД.
И бесплатным бонусом проходит фотка клапана HPTACC (регулировки зазора в корпусе турбины высокого давления) .
Ниже него - кажется, клапан регулировки обдува корпуса турбины низкого давления.Воздух забирает из внешнего контура, после вентилятора.
В общем, как-то так работает двигатель.
!
ну ты дал!
59(16.2%)
заверните парочку
53(14.5%)
ничего не понял
46(12.6%)
в общем, да
22(6.0%)
только поездом!
15(4.1%)
ишь ты, ломехуза какая занятная...
57(15.6%)
Ах да - чуть не забыл про дефект.Когда мы смотрели задние крепления, то обнаружили люфт в одной точке.Там шаровый подшипник, и кажется, многовато он люфтил по оси.Оператор извещён.
Фотографии большего размера доступны в альбоме «Engine Mounts», автор Lx-photos на Яндекс.Фотках
lx-photos.livejournal.com
Категория:
Устройство автомобиля
Крепление двигателя на рамеНесмотря на хорошую уравновешенность современных автомобильных двигателей, во время их работы все же возникают вибрации, которые не должны передаваться на раму. Поэтому крепление (подвеска) двигателя должно быть таким, чтобы уменьшить передачу вибраций на раму автомобиля и предотвратить появление напряжений в блоке цилиндров при перекосах рамы вследствие движения автомобиля по неровной дороге. Двигатели крепят к рамам или полурамам в трех, четырех и пяти точках.
Двигатель автомобиля ГАЗ-24 «Волга» крепят в трех точках на резиновых подушках. Две опоры расположены в передней части блока цилиндров, по его сторонам, а одна опора сзади, под передней частью удлинителя коробки передач.
Двигатель автомобиля ЗИЛ-130 прикреплен к раме в трех точках: одна опора спереди и две сзади (лапы картера сцепления). Двигатель автомобиля ГАЗ-53А прикреплен к раме в четырех точках: две опоры спереди и две сзади (лапы картера маховика и сцепления). Дизель автомобиля КамАЗ-5320 крепят в пяти точках: две опоры спереди установлены на блоке цилиндров по его сторонам; две опоры сзади укреплены с обеих сторон картера маховика; одна поддерживающая опора расположена на картере коробки передач.
Передние опоры состоят из кронштейна, соединенного с блоком цилиндров, а через резиновую подушку и стяжку — с кронштейном. Последний приклепан к стойке, а стойка — к лонжерону рамы.
Задние опоры состоят из кронштейна двигателя, укрепленного на картере маховика, и кронштейна задней опоры, приклепанного к лонжерону рамы. Кронштейн с крышкой охватывают башмак, установленных между кронштейнами и соединенный болтом с кронштейном. Башмак изготовлен из алюминиевого сплава и находится в резиновой подушке. Между крышкой и кронштейном помещены регулировочные прокладки. Стальная втулка, запрессованная в башмак, предохраняет его от смятия.
Поддерживающая опора состоит из кронштейна, укрепленного на картере коробки передач. Полку кронштейна охватывает находящаяся в обойме прямоугольная резиновая подушка, соединенная через накладку с поперечиной. Последняя соединена с кронштейнами, приклепанными к лонжеронам рамы. Резиновые подушки, находящиеся под опорами, снижают ударные нагрузки на двигатель при движении автомобиля и уменьшают вибрацию рамы. Кроме того, опоры удерживают двигатель от продольного смещения при выключении сцепления, резком разгоне или торможении автомобиля. Для этих же целей двигатель автомобиля ЗИЛ-130 соединяют с передней поперечиной рамы реактивной тягой.

Рис. 1. Масляный картер дизеля ЯМЗ-236Г 1 — поддон; 2 — фланец поддона; 3 — прокладка; 4 — перегородки; 5 — медно-асбестовая прокладка; 6 — пробка сливного отверстия

Рис. 2. Крепление двигателя автомобиля КамАЗ-В320
Читать далее: Механизмы газораспределения и взаимодействие их деталей
Категория: - Устройство автомобиля
stroy-technics.ru
Крепление двигателей.
Выбор конструкции крепления двигателей зависит от типа двигателя, его компоновки на летательном аппарате, а также от величины и направления приложенных сил. К креплению двигателей предъявляются следующие основные требования:
- оно должно воспринимать все нагрузки, возникающие в различных условиях полета;
- быть прочным и жестким при минимальном весе;
- поглощать вибрации двигателя и воздушного винта с тем, чтобы они не передавались на конструкцию летательного аппарата;
- компенсировать температурные перемещения корпуса двигателя;
- обеспечивать быстрый монтаж и демонтаж.
В настоящее время все больше применяются на летательных аппаратах быстросъемные силовые установки. Такое крепление позволяет производить монтаж и демонтаж двигателя со всеми агрегатами и деталями, установленными на нем. При этом заранее смонтированный двигатель может быть предварительно опробован.
Крепление двигателя должно быть выполнено так, чтобы корпус его не входил в силовую схему летательного аппарата. Оно должнообеспечивать взаимозаменяемость двигателей, легкий и свободный доступ ко всем агрегатам, требующим периодического осмотра и регулировки во время эксплуатации. Удобству обслуживания всегда уделялось большое внимание, но сейчас простота обслуживания рассматривается наравне с важнейшими характеристиками силовой установки, такими как надежность, вес и др.
Схемы крепления.
На очертание и силовую схему крепления двигателя существенное влияние оказывает тип двигателя и его компоновка на летательном аппарате. Чаще всего конструктивные схемы крепления двигателей представляют собой пространственные фермы, соединяющие двигатель с каркасом летательного аппарата и имеющие не менее шести стержней. При этом стержни должны быть расположены так, чтобы обеспечивалась геометрическая неизменяемость системы. Однако часто встречаются фермы, имеющие больше шести стержней, что способствует повышению живучести системы. Все силовые элементы крепления двигателя выполняются из легированных высокопрочных сталей, термически обработанных.
Крепление звездообразного ПД состоит из трубчатого кольца, к которому крепится картер двигателя, и восьми приваренных к кольцу стержней, соединяющихся с каркасом самолета. Кольцо и стержни выполнены из стали 30ХГСА и соединены в узлах при помощи сварки. Для усиления сварных узлов стыковка труб производится при помощи косынок. В местах крепления фермы к каркасу самолета в стержни вварены проушины или фитинги. Картер двигателя крепится к кольцу при помощи шпилек на резиновых втулках. Узлы крепления фермы к каркасу самолета имеют резиновые амортизаторы.
С точки зрения строительной механики конструкция крепления двигателя представляет собой пространственную ферму и относится к классу сложных статически неопределимых систем. Узлы крепления соединены сваркой и их можно было бы считать жесткими. В этом случае при нагружении фермы стержни будут работать на растяжение — сжатие и на изгиб.Но так как изгиб получается небольшим, то для расчетов сварные жесткие узлы можно заменить идеальными шарнирами, работающими без трения. Трубчатое кольцо и картер двигателя принимают за абсолютно жесткие тела. Тогда стержни крепления будут работать только на растяжение — сжатие.
Крепление ТВД на летательном аппарате осуществляют при помощи пространственных стержневых систем, соединенных с узлами двигателя. Крепление может быть ферменного и ферменно-балочного типа.


На рисунке показано крепление двигателя к центроплану крыла посредством быстросъемной пространственной двухъярусной фермы и демпферов крепления двигателя к раме. К четырем амортизаторам рамы двигатель прикреплен при помощи двух передних и двух задних цапф. Нагрузку от тяги винта и часть нагрузки от веса двигателя, распределенную по правилу рычага, воспринимают передние амортизаторы. Задние амортизаторы воспринимают только часть веса двигателя.
Крепление двигателя состоит из рамы исиловой фермы. Рама состоит из восьми подкосов: шесть выполнены из стальных труб, на концах которых приварены крепежные детали, два задних представляют собой пустотелые стержни со смонтированными на них амортизаторам. Верхние, нижние и задние подкосы имеют на одном конце вилки с резьбовыми наконечниками, служащие для регулировки оси двигателя.
Силовая ферма служит для крепления рамы двигателя и силового шпангоута к лонжерону центроплана. Она состоит из восьми подкосов с узлами крепления ее к центроплану и с узлами для крепления силового шпангоута и рамы.
Конструкция крепления двигателя ферменно-балочного типа состоит из двух балок б и шести подкосов. Балки могут работать на изгиб от боковых сил. Стержни воспринимают лишь осевые нагрузки.
Двигатель крепится на четырех цапфах. Передние цапфы 1вставлены в амортизаторы. При помощи балок и верхних подкосов передние цапфы передают нагрузки на силовой шпангоут гондолы двигателя. Нагрузка от задних цапф передается на силовой шпангоут гондолы посредством подкосов-демпферов. Положение двигателя может изменяться путем регулирования длины внутренних подкосов 6 и задних амортизаторов.
Крепление ТРДна летательном аппарате может быть осуществлено при помощи рам, состоящих из стержней, или, если двигатель крепится на пилоне под крылом или в хвостовой части фюзеляжа, — при помощи вильчатых узлов, расположенных сверху на корпусе двигателя. Особенностью крепления ТРД является наличие на самом двигателе силовых поясов. Минимальное количество силовых поясов—два, один из которых является основным. На основном силовом поясе располагаются узлы, воз принимающие нагрузки Рх, Ру и Pz, а также моменты Мх и Му, на дополнительных поясах — узлы, воспринимающие нагрузку Ру и момент У ТРД напряженный температурный режим, вследствие чего его корпус подвержен значительным температурным расширениям. Поэтому двигатель должен быть закреплен так, чтобы компенсировать температурные перемещения корпуса.


На рисунке справа показано крепление ТРД к силовым шпангоутам фюзеляжа. Особенностью этой схемыявляется ее асимметрия. Внутри стержневой системы, состоящей из шести основных стержней 3, 4, 5 и 7, 8, 9 и одного дополнительного стержня 6, имеется плоский узел, образованный стержнями 1 и 2. Правильное положение двигателя на самолете достигается регулировкой длины шести основных стержней. Каждый стержень имеет резиновый демпфер для поглощения вибраций во время работы двигателя.
Особый интерес представляет крепление ТРД, расположенных на пилонах в хвостовой части фюзеляжа (рисунок ниже ). Пилон является силовым промежуточным звеном между двигателем и фюзеляжем. Каждый двигатель крепится в трех точках к штампованным и механически обработанным консольным балкам 1 и 8, присоединяемым по две с каждой стороны фюзеляжа в плоскости переднего и заднего поясов крепления двигателя. Консольные балки двутаврового сечения, выполненные из высокопрочной стали, образуют кессон небольшой высоты. Верхняя и нижняя обшивки этого кессона изготовлены из стали и подкреплены стрингерами. В хвостовой части фюзеляжа имеется два мощных механически обработанных шпангоута 5 и 6, изготовленных из легкого сплава, к котором крепятся поперечные горизонтальные балки, имеющие стальные лонжероны 7 и стенки 8 из алюминиевого сплава. На передней балке установлены узлы, воспринимающие нагрузки Рх, Ру и Plt а также моменты Мх, Му и Mt. Узлы крепления двигателя на задней балке воспринимают силы Ру, Р2, моменты Му и M.z и обеспечивают температурное расширение двигателя. Аналогично выполняется крепление ТРД на пилонах, расположенных под крылом.

Конструкции систем крепления двигателей на вертолетах сходны с конструкциями систем крепления двигателей на самолетах. При этом должна быть обеспечена возможность регулирования установки двигателя для соединения вала двигателя с редуктором.
www.poznayka.org
У автомобиля ГАЗ-24 «Волга» двигатель установлен на короткой раме, приваренной к основанию кузова. Точек крепления три: две по обеим сторонам передней части двигателя, одна — под удлинителем коробки передач.
К передним резиновым подушкам 1 и 5 приварены стальные пластины.
Крепление двигателя автомобиля ГАЗ-24 «Волга»

а – передние опоры; б – задняя опора.
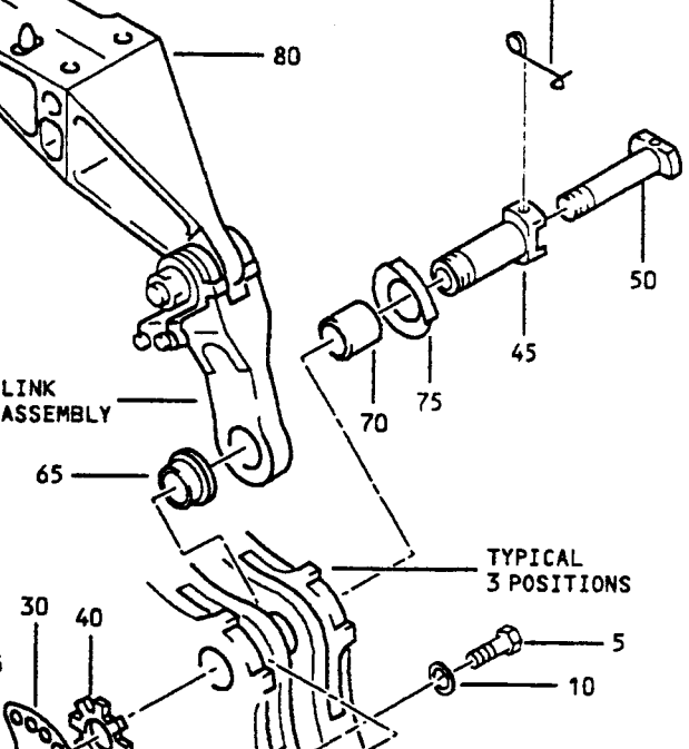
Крепление двигателя автомобиля УАЗ-469

Болтами, ввернутыми в верхние пластины, подушки соединяются с кронштейнами двигателя. Двумя болтами, закрепленными в нижней пластине, подушки крепятся к кронштейнам 2 и 6. Каждый из кронштейнов привернут двумя болтами к фланцам поперечины 4. Для надежности соединения отверстия под болты во фланцах сделаны коническими, а на болты надеты разрезные конические втулки 3.
Задняя пружинная подвеска состоит из пластин 8 и 10 с резьбовыми бобышками, ограничителя 11 и пружин 12. Перемещения двигателя вперед и назад и заднего его конца вниз ограничиваются упором резинового амортизатора 7 во втулку ограничителя 11 и пластину 10, а перемещение заднего конца двигателя вверх — упором пластины 8 в резиновые буфера 9.
Двигатели автомобилей УАЗ-451 и УАЗ-452 крепятся к раме на трех опорах с резиновыми подушками. Две опоры расположены в передней части блока цилиндров, и одна — на задней крышке картера коробки передач.
На автомобилях УАЗ-469 двигатель крепится на раме в четырех точках. Передними опорами являются 2 кронштейна 2, установленные на блоке цилиндров, задней опорой — пластина раздаточной коробки. Между кронштейнами блока цилиндров, кронштейнами рамы и пластиной коробки устанавливают круглые резиновые подушки 1. Для уменьшения продольных перемещении двигателя, возникающих при нажатии на педаль сцепления, и от действия инерционных сил, появляющихся при торможении и разгоне автомобиля, двигатель соединен с рамой реактивной тягой 4, имеющей резиновые амортизаторы 3.
«Автомобиль категории «В», В.М.Кленников, Н.М.Ильин, Ю.В.Буралев
Загрузка... www.carshistory.ru