




Навигация по статье
Шведский бренд Volvo без преувеличения можно назвать мировым лидером по производству большегрузных автомобилей. Производственные мощности подразделения Volvo Trucks располагаются в Швеции, Бельгии, Соединённых Штатах Америки, Бразилии, Африке, Индии, Китае, России и Австралии. Дилерские центры Volvo расположены по всему миру. Российский рынок большегрузных автомобилей компания начала осваивать еще во временна Советского Союза. Она стала первым зарубежным производителем, поставившим в СССР партию седельных тягачей в 1974 году из 100 единиц Volvo F89. Спустя два года советским монополистом в области международных автомобильных перевозок компанией «Совтрансавто» было получено еще 150 машин. С тех пор сотрудничество не прекращается. В настоящее время по российским дорогам ездит более пятидесяти тысяч грузовиков Volvo. Один из четырех иностранных автомобилей зарубежного производства на службе у российских компаний имеет принадлежность к знаменитому шведскому бренду. Кроме широкой сети авторизованных сервисных центров по всей России, с 2010 года компанией организовано производство строительных грузовиков и машин для региональных перевозок в г. Калуга. В настоящее время выпускается шесть семейств грузовых автомобилей Volvo. Серия FH была запущена в серию в 1993 году и сменила на производственной линии модели Volvo F10, Volvo F12 и Volvo F16. Изначально модельный ряд был представлен только двумя моделями Volvo Fh22 и Volvo Fh26, однако в 2005 году модель Fh22 была заменена на Fh23 с двигателями объемом 12,8 литра. За время производства выпущено около четырехсот тысяч машин этой серии. В 2012 году было представлено третье, обновленное поколение серии FH. Серия FH занимает в структуре производства грузовых автомобилей компании Volvo Tracks наибольшую долю. Модель Volvo Fh22 по сей день остается популярной и востребованной на российском рынке грузовиков.
Volvo Fh22 является типичной магистральной моделью европейского типа. Модели серии FH разработаны под эксплуатацию как в качестве одиночных автомобилей с полной массой от 18-ти до 32-х тонн, так и в составе магистральных автопоездов с полной массой до 60-ти тонн. Модель Volvo Fh22 предназначена для транспортировки грузов по шоссе и автомагистралям с твердым покрытием на дальние расстояния. За многолетнюю историю работы машина показала свою высокую надежность при эксплуатации во всех регионах России, от Калининграда до Дальнего Востока. Ключевым фактором рентабельности грузового автомобиля является совокупная стоимость владения. Volvo Fh22 обладает оптимальными характеристиками повышающими рентабельность перевозок. Это делает модель популярной как у частных перевозчиков, так и крупных транспортных компаний.

Обновленный модельный ряд сери Volvo FH состоит из четырех вариантов шасси седельных тягачей и трех вариантов бортовых грузовых автомобилей и автопоездов. Шасси комплектуются рессорными и пневматическими подвесками в различных комбинациях. Автомобили первого поколения Volvo Fh22 комплектовались двигателями объемом 12,1 литров. В 2005 году, была представлена модель Volvo Fh23 с двигателем объемом 12,8 литров. Она сменила на производственной линии предыдущую модель. При этом маркировка на передней панели кабины Fh22 было заменена на буквенное обозначение FH, избегая использования несчастливого числа. В 2002 году второе поколение линейки получило обновленную кабину. В сентябре 2012 года на автомобильной выставке в Ганновере было представлено третье поколение автомобилей серии FH оснащенных независимой передней подвеской(IFS) соединённой с рейковым рулевым механизмом. Автомобили получили полностью новое шасси и кабину. От предыдущих модификаций были взяты только силовые установки, прошедшие модификацию. Спустя два года Volvo FH третьего поколения получили престижную премию «Truck of the Year».

Довольно сложно сделать так, чтобы грузовой автомобиль подходил для всех областей перевозок. Серия грузовых автомобилей Volvo FH сконструирована таким образом, что дает возможность быстро подготовить машину под установку практически любой кузовной надстройки. Различные варианты комбинаций двигателей и трансмиссий, подвески и кабин, и их комплектаций позволяют использовать Volvo Fh22 в качестве седельных тягачей, шасси, грузовиков с бортовой платформой и самосвалов. На машину устанавливается четыре типа кабин:
Топливные баки, устанавливаемые с обеих сторон от рамы, и могут иметь объем: 560+420, 610+530, 800+400.
Для седельного тягача в базовой комплектации основные параметры выглядят следующим образом:

Шведские тягачи Volvo Fh22 оснащаются пневматической подвеской с электронным управлением, обеспечивающим автоматическую регулировку высоты. За счет компенсации неравномерно распределенной нагрузки, высота платформы всегда постоянна. Высоту также можно менять при помощи ручного контроллера или же задать несколько значений при помощи функции программирования. Для увеличения рентабельности автомобиля много внимания уделено экономии топлива. В двигателях применяются вертикальные насосы-форсунки, расположенные в центре цилиндра, оптимизирована геометрия камеры сгорания. Система I-Shift отслеживая массу грузовика, его скорость и ускорение с учетом уклона дороги позволяет сэкономить до 5% топлива. Если первые модели Volvo Fh22 были типичными представителями доэлектронной эпохи, то на третьем поколении машин серии FH появляется все больше новейших электронных систем. Функция I-See (я вижу) автоматически загружает с сервера топографические данные пути, и после их обработки передает двигателю и трансмиссии необходимые сигналы. Это позволяет использовать кинетическую энергию автомобиля, снижая расход топлива и выбросы CO2 в атмосферу.
Автомобильный концерн Volvo как никто другой уделяет повышенное внимание безопасности. В автомобилях Volvo FH предусмотрен адаптивный круиз-контроль, позволяющий поддерживать безопасную дистанцию до впереди идущего автомобиля. Система также предупреждает водителя об опасности и активизирует механизмы экстренного торможения. При разработке кабин каждая деталь кабины испытывалась на воздействие ударной нагрузкой. Кроме того, в кабине каждого автомобиля серии FH устанавливаются стеклянные крыши, выполняющие роль аварийного люка в экстренной ситуации.
В автомобилях серии FH третьего поколения внедрены две системы, поднимающие управляемость грузовика на новый уровень. Применение независимой передней подвески и динамического рулевого управления делают автомобиль устойчивым при прохождении даже крутых поворотов на любой скорости. По мнению разработчиков, новая конструкция позволила увеличить курсовую устойчивость автомобиля на 50%. Независимая подвеска IFS установленная на автомобилях Volvo FH впервые монтируется компанией на массово производимые грузовики.
Уровень комфорта водителя Volvo FH традиционно высок. Динамическое рулевое колесо можно поворачивать одним пальцем. Подвеской с электронным управлением при погрузочно-разгрузочных работах можно управлять при помощи пульта ДУ находясь в кабине машины или рядом с ней. В кабине каждая деталь продумана, независимо от того находится ли водитель за рулем, или отдыхает на спальном месте. Для размещения личных вещей имеются множественные полки. Система I-Park-Cool позволяет во время стоянок сохранять в кабине комфортную температуру на зависимо от погоды за окном. Система установлена таким образом, что не влияет на аэродинамику автомобиля и не приводит к перерасходу топлива при движении. В кабине даже имеется электрическая сушилка для одежды и обуви.

В автомобилях Volvo FH третьего поколения внедрены самые передовые технологии, а эргономически расположенные органы управления позволяют не совершать лишних движений и отвлекаться от дороги. Спаренные зеркала заднего вида практически полностью исключают наличие мертвых зон. Низкорасположенный моторный отсек позволяет свободно перемещаться по кабине. В кабине автомобиля созданы все условия для работы и продуктивного отдыха водителя.
Все современные модификации серии Volvo FH оснащаются только новой дизельной установкой D13A мощностью 400, 440, 480, и 520 л.с. и рабочим объемом 12,8 литра. Двигатель шестицилиндровый, рядный, с единой головкой блока цилиндров и верхним расположением распределительных валов. Периодичность замены моторного масла для этого агрегата составляет 100000 км, или один год эксплуатации. При этом мощность устанавливаемого на грузовик моторного тормоза может составлять 300 кВт. Последние модификации серии FH также могут быть оснащены современным дизельным мотором D16G объемом 16,1 литра, мощность которого доведена до 750 л.с. при крутящем моменте 3550 Н.м. Новый двигатель отвечает требованиям экологической безопасности по нормам Евро-5.

Так как выпуск грузовых автомобилей с маркировкой Volvo Fh22 был прекращен в 2005 году, можно приобрести только подержанный автомобиль. Десятилетний седельный тягач в хорошем техническом состоянии можно купить за сумму от двух до двух с половиной миллионов рублей. Цена нового седельного тягача Volvo Fh23 в базовой комплектации у официальных дилеров начинается от трех миллионов рублей.
gruzato.ru
Volvo FH 12 – большой седельный тягач, который может использоваться в составе автопоезда общей массой до 60000 кг. Автомобиль обычно применяется для магистральных перевозок. Серия включает несколько модификаций с колесными формулами четыре на два, шесть на четыре, шесть на два и восемь на два.

Семейство Вольво ФШ 12 пришло на смену модели F Cabover и сразу стало очень популярным. Благодаря наличию множество версий с разными типами кабин, колесных баз и исполнений покупатели могли подобрать модель под конкретные цели, а легендарное качество шведского бренда в купе с высокой безопасностью сделали автомобиль одним из лидеров сегмента.
В 1993 году автомейкер Volvo начал производство передового для того времени семейства большегрузных автомобилей FH. Оно заменило в модельном ряду серию F Cabover, выпуск которой длился почти 15 лет. Разработку новинки выполняли почти с нуля, а ее длительность (от первых чертежей до запуска в серию) составила 7 лет.
Изначально семейство включало всего 2 модификации. У первой версии были 12-литровые агрегаты D12A с системой непосредственного впрыска, у второй – 16-литровые моторы D16A. Остальные элементы у моделей оказались практически одинаковыми. Кабина Вольво ФШ 12 в отличие от предшественника имела более обтекаемые формы, повышенный уровень комфорта и безопасности. Серия быстро нашла покупателя и заняла свою нишу на рынке.
В 1998 году шведский бренд решился на рестайлинг модели. Внешне автомобиль практически не изменился. Значительные преобразования претерпела лишь агрегатная составляющая. В линейке моторов появился двигатель D12C с мощностью в 460 л.с. Была доработана и конструкция подрамника. Вследствие появления мощного мотора пришлось модернизировать трансмиссию. Новая КП позволила увеличить крутящий момент до 2500 Нм, снизив усилие при переключении скоростей наполовину. Производитель также поменял электронную систему управления, а все данные, необходимые водителю, теперь отображались на жидкокристаллическом экране, расположенном в кабине.
В начале 2000-х компания Вольво представила второе поколение FH 12. Глобальные изменения произошли в дизайне кабине, которая преобразилась до неузнаваемости, получив более обтекаемые формы. Ее длина выросла на 150 мм, появились новые зеркала и блок-фары, а интерьер стал более комфортабельным. Углы панелей получили закругленные контуры. Агрегатная часть также поменялась. Семейство получило более мощные и экономичные силовые установки D12D и полуавтомат с системой I-shift. Позднее в линейку двигателей вошли моторы мощностью 550, 610 и 660 л.с. В 2005 году перечень агрегатов для Вольво ФШ 12 дополнился 13-литровыми двигателями D13A с мощностью в 360-520 л.с. Установки соответствовали требованиям Euro-3.
В 2008 году состоялся дебют рестайлинговой версии автомобиля. Первоочередное внимание шведский бренд уделил увеличению комфорта и безопасности. В обновленных версиях Volvo FH 12 II появились датчик дождя, регулируемые кресла, система пересечения полосы, датчик уровня освещения и радар мертвых зон. Внешний дизайн изменился несильно. Здесь появилась новая радиаторная решетка и блок-фар. В 2011 году начался выпуск флагманских моделей с 750-сильным агрегатом.
С 2012 года бренд Вольво представил третью генерацию грузовиков FH 12, которая впервые получили независимую переднюю подвеску, сочлененную с реечной системой рулевого управления. Модель кардинально отличалась от предшественника, получив много новых элементов. Элементы кабины прессовались по уникальной технологии, что дало безупречное качество. Автомобиль предлагался с автоматом Powertronic или полуавтоматом I-Shift. Кабину выполнили на едином каркасе с большой радиаторной решеткой, аварийным люком и дневными огнями. Она была доступна в трех версиях:
Модификации третьего Вольво ФШ 12 также различались по высоте шасси (сверхнизкое, низкое, среднее, высокое) и силовым установкам (9 агрегатов мощностью от 420 до 750 л.с.).
Основные черты шведского грузовика (надежность, повышенная безопасность и высокое качество) сохранились.

Модель Volvo FH 12 имела узкую специализацию и была рассчитана исключительно на перевозку грузов большого объема на различные дистанции. При этом автомобиль дополнительно адаптировали для работы в тяжелых условиях, потому российские реалии ему были не страшны.
Габариты Вольво ФШ 12 (базовая версия):
Технические характеристики модели заметно различаются в зависимости от исполнения. В базовой модификации с колесной формулой четыре на два грузоподъемность составляет 8500 кг, допустимая масса – 18200 кг, допустимая масса в составе автопоезда – 22000 кг. В минималке с колесной формулой восемь на два показатели значительно выше: грузоподъемность – 21000 кг, полная масса – 34000 кг, полная масса в составе автопоезда – 34000 кг. При этом снаряженная масса модели колеблется от 7500 кг до 13000 кг.
Для автомобиля используются шины 315/70R 22,5.
Семейство Вольво ФШ 12 имеет широкую линейку силовых установок. Наиболее популярным является агрегат D12A с промежуточным охладителем и турбокомпаундом, позволяющим существенно нарастить мощность двигателя (до 500 л.с.). Дизельный мотор соответствует требованиям «Евро-3». Рабочий объем агрегата составляет 12 л, номинальная мощность – 460 л.с.

Также популярностью пользуется рядный 6-цилиндровый дизель D13A с промежуточным охладителем и турбонагнетателем. Он предлагается в 4 вариантах мощности. Максимальный крутящий момент здесь варьируется от 1850 Нм до 2400 Нм.
Все двигатели, устанавливаемые на Volvo FH 12, отличаются повышенной экономичностью и производительностью и высочайшим ресурсом работы. При этом они довольно чувствительны к качеству топлива.
Шасси Вольво ФШ 12 имеет передовую модульную конструкцию с максимально упрощенным подсоединением кузова. Задний мост модели оборудован одноступенчатым редуктором. В автомобиле применяется независимая передняя подвеска и зависимая пневматическая задняя подвеска. Для подключения надстроек используется уникальный электронный модуль Bodybuilder.

На всех колесах используются дисковые тормоза. Последняя генерация грузовика уже в базовой версии получила системы ESP и ABS. Первая (установлена на автомобиль данного класса впервые) обеспечивает надежный контроль над машиной в любых условиях, вторая помогает обеспечивать более качественное торможение.
Volvo FH 12 оснащается 2 типами коробок передач. Первая – совершенно новая трансмиссия с системой I-Shift. Из-за отсутствия синхронизаторов она значительно короче и легче стандартной коробки передач. Второй стала 12-ступенчатая синхронизированная трансмиссия с управлением By Wire. Она требует меньше усилий на переключение скоростей и работает значительно четче.
Наиболее распространенными в России являются версии с коробкой с системой I-Shift, считающиеся образцом ультрасовременных трансмиссий. Их особенность заключается в электродистанционном блоке управления, позволяющем регулировать работу пневмосистемы, контролирующей деятельность передач и сцепления. В блок управления регулярно поступают данные о параметрах движения грузовика. После обработки он выполняет переключение скоростей. Работает блок в связке с агрегатом, который обеспечивает регулировку частоты оборотов и при достижении оптимального режима активирует эффект моторного тормоза. Автоматический выбор передачи достигается за счет интеллектуального программного обеспечения. При желании водитель может самостоятельно выбирать передачи с помощью кнопки переключения, расположенной на селекторе.
Для данной трансмиссии доступны несколько режимов передвижения. В экономичном режиме (Е) коробка передач переключает скорости с максимальной точностью, выбирая оптимальный диапазон работы мотора. Другой полезной особенностью является функция I-Roll, автоматически выключающая агрегат при езде вниз по уклону. Благодаря данной функции расход топлива сокращается на 2%. В мощном (Р) режиме машина становится более динамичной, но потребляет больше горючего. Разница чувствуется сразу. При обгоне водитель может воспользоваться кнопкой kick-down.
В сравнении с предшественником объем кабины вырос на 1000 л. Примерно 30% дополнительного пространства пошло на увеличение багажного отсека. В кабине установили новейшую эргономичную изогнутую приборную панель, гарантирующую быстрый доступ к любой информации об автомобиле. Рулевая колонка регулируется по высоте и углу наклона, что делает управление более комфортным. Система кондиционирования I ParkCool обеспечивает расходовать меньше топлива. Комфорт спального места значительно повысился. Головную часть полки в последней генерации Вольво ФШ 12 сделали регулируемой, а нижнюю часть увеличили в ширину на 40 мм. У спального места появилась панель управления, посредством которой осуществляется контроль системы кондиционирования, люка, внутреннего освещения, медиасистемы и отопления. Регулировать их можно прямо с полки. Также появилось множество дополнительных полочек и мест для хранения. В топовых версиях устанавливается выдвижной дисплей.

Интервалы проведения ТО у третьего Volvo FH 12 были увеличены на 20%, что позволяло сократить затраты на обслуживание.
Недостатков у модели практически нет. Главным ее минусом считается достаточно большая стоимость. Однако она является справедливой платой за высочайшее качество и передовые технологии, делающие Вольво ФШ 12 одним из лучших перевозчиков в мире.
Volvo FH 12 нельзя назвать дешевым автомобилем. Стоимость нового автомобиля в базовой комплектации (колесная формула четыре на два и 460-сильный мотор) начинается от 2,9 миллионов рублей. Наиболее топовая версия (750-сильный агрегат) в минималке обойдется в 3,5 миллиона рублей.
Предложений о продаже подержанных грузовиков Вольво ФШ 12 немало. Автомобили с пробегом предлагаются по цене от 900000 до 2,8 миллионов рублей. Разброс цен довольно велик и объясняется множеством комплектаций, различным техническим состоянием и годом выпуска. Б/у версии нередко требуют дополнительного ремонта. Модели 1999-2002 года обойдутся в 1,05-1,4 миллиона рублей, 2009-2012 года – в 1,9-2,4 миллиона рублей.
Наиболее близким аналогом Volvo FH 12 является грузовик MAN TGS.
gruzovo.com
Компенсационный бак, охлаждающая жидкость. Вольво (VOLVO). 12 76 435. Радиатор, охлаждение двигателя. Вольво (VOLVO ). Размеры радиатора: 900 X 870 X 48 mm.
Система охлаждения двигателя Радиатор охлаждения VOLVO FH - 12 -16 Широкий OE TERMAL Кондиционирование, отопление, вентиляция Радиатор отопителя Volvo OE 3 090 893.
В нашем интернет магазине можно купить система охлаждения для грузового автомобиля Volvo FH 12 (Вольво ФН 12), а также другие запчасти для Вольво с доставкой по Украине.


VolvoTS Калибровка датчиков, исполнительных механизмов Ремонт Электронных Блоков Управления. Электросхемы на автомобиль Volvo FE можно скачать тут. В зависимости от потребностей в охлаждении регулирующее устройство изменяет подачу жидкости в рабочую камеру. Menu Ремонт грузовых автомобилей.





Регистрация Забыли свой пароль? ОПТОМ И В РОЗНИЦУ. Звонок по РФ бесплатный. Выбор запчастей Личный кабинет. Под заказ на складах. Гибридная система охлаждения двигателя. Ранее уже говорилось о назначении системы охлаждения для сохранения работоспособности двигателя. Существует несколько типов этих систем. О воздушной и жидкостной уже было сказано. Во время работы двигатель внутреннего сгорания сильно греется, и если не отводить избыточное тепло, то мотор выйдет из строя.
Для поддержания оптимального температурного режима двигателя предусмотрена система охлаждения. Формат: Excel в ZIP архиве.
Торговые марки Корея УРАЛ МАЗ КАМАЗ ЗИЛ УАЗ Автодизель ЯМЗ ММЗ ЗМЗ МТЗ УМЗ ЯЗДА MOVELEX TYC Тутаевский МЗ Белкард БАГУ БАТЭ БААЗ ГИДРОМАШ БЗА БЗТДиА ТАиМ БелОМО РОСТАР. Полное или частичное использование любых материалов или их копирование. Розница - Цена при розничной продаже и маленьких единичных покупках. Деталь будет добавлена в заказ без указания цены. Наши менеджеры уточнят для Вас возможность и стоимость поставки по таким позициям Указано количество на базовую модель.
Количество на модификации смотрите в "Дополнительной информации" по детали. Для этого используйте левые кнопки управления дополнительными возможностями. В зависимости от объема ваших заказов в месяц,. Все цены указаны с НДС в рублях РФ. Вам видны цены в соответствии с Вашим уровнем доступа. Цены и наличие на складах не менялись с указанной даты. Зарегистрированные пользователи могут скачать результаты отбора товаров в виде Ексель-прайсов,.
Для этого пользуйтесь фильтрами отбора товара в разделах прайс-листа. Войти Регистрация Забыли свой пароль?
dmcunmor.ru
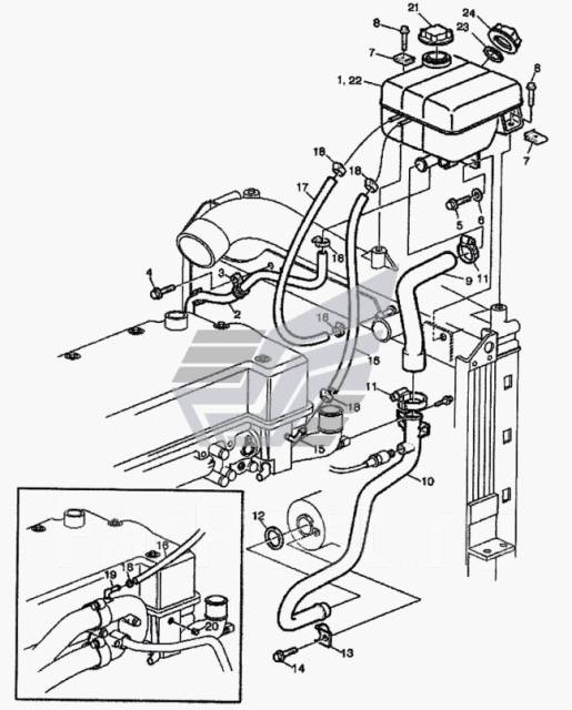
Система охлаждения Вольво fh22.

1. Корпус термостата
2. Радиатор
3. Расширительный бачок
4. Клапан давления
5. Датчик уровня
6. Теплообменник
7. Фильтр охлаждающей жидкости
8. Насос системы охлаждения
Охлаждающая способность адаптируется к требованиям конкретного рынка и мощности двигателя. На двигателе D12A /340 площадь поверхности охлаждения радиатора составляет 65 дм². На двигателе D12A /380 площадь поверхности охлаждения радиатора, в зависимости от рынка, составляет 65 или 79 дм². На двигателе D12A /420 площадь поверхности охлаждения радиатора составляет 79 дм². У радиатора с меньшей площадью поверхности охлаждения меньше толщина. Оба радиатора снабжены расширительным бачком со встроенным датчиком уровня.

Вентилятор охлаждения изготавливается из пластика и регулируется термостатом, а его типоразмер подбирается в зависимости от потребностей в охлаждении. Предусмотрено два варианта вентиляторов охлаждения. Принцип работы обоих вариантов одинаковый, ноконструкция регулирующего устройства разная. Диаметр вентилятора составляет 680 и 750 мм, в зависимости от ширины радиатора. Привод вентилятора осуществляется через поликлиновой ремень с автоматическим натяжением.
Насос системы охлаждения установлен на щите распределительных шестерен, его привод осуществляется через распределительные шестерни. Уплотнение насоса выполнено цельным, в качестве уплотняющего элемента используется графит/керамика. Вал насоса установлен на двухрядном шариковом подшипнике. Насос системы охлаждения снабжен фильтром перепускного типа, обеспечивающим постоянное добавление антикоррозионного средства в охлаждающую жидкость при её фильтрации. Трубопровод, идущий к фильтру системы охлаждения, снабжен запорным краном, предотвращающим вытекание жидкости из системы при снятии фильтра для замены. Все остальное время кран должен быть открыт, т.е. ручка должна находиться в вертикальном положении. Кран следует закрывать только при замене фильтра.

На двигателе установлен термостат гильзового типа. В корпус термостата встроен датчик температуры охлаждающей жидкости. Во время прогрева двигателя термостат закрыт, поэтому поток охлаждающей жидкости из головки блока цилиндров проходит через наружную секцию корпуса термостата обратно к насосу системы охлаждения.

Термостат закрыт.
После прогрева двигателя до рабочей температуры термостат открывается, а выпускной патрубок насоса системы охлаждения постепенно закрывается. Теперь поток охлаждающей жидкости проходит через внутреннюю секцию корпуса термостата и выходит к радиатору.

Термостат закрыт.
Циркуляция охлаждающей жидкости в системе обеспечивается шестеренчатым насосом. Охлаждающая жидкость поступает в головку блока цилиндров по трубе и сначала проходит зону, где установлен маслоохладитель. Затем охлаждающая жидкость распределяется по каналам в блоке цилиндров и головке блока, охлаждая гильзы цилиндров и другие детали двигателя, после чего выходит из головки блока через корпус термостата. На рисунке показан двигатель во время прогрева, когда термостат закрыт, поэтому поток охлаждающей жидкости проходит обратно к насосу системы охлаждения.
Вентилятор охлаждения с термостатическим регулированием состоит из секции вентилятора и секции привода, соединенными между собой вязкостной муфтой статического типа. В муфте имеется ведущий диск (6), установленный на корпусе (7). С каждой стороны ведущего диска (6) предусмотрен воздушный зазор. При включении вентилятора эти зазоры заполняются жидкостью. При работе вентилятора поток жидкости в его ступице может проходить двумя путями. Путь прохождения жидкости, а значит и степень включения вентилятора, зависит от температуры в зоне биметаллической пластины (2). В зависимости от потребностей в охлаждении регулирующее устройство изменяет подачу жидкости в рабочую камеру. Чем больше жидкости в рабочей камере, тем меньше степень проскальзывания в муфте (т.е. выше частота вращения вентилятора). Жидкость постоянно прокачивается в контуре между накопительной и рабочей камерами. При выключении двигателя и вентилятора жидкость перетекает в рабочую камеру, поэтому в первые минуты после запуска двигателя вентилятор обычно включен. A. Отключение Клапан (1) закрывается и жидкость закачивается в накопительную камеру (5). B. ВключениеКлапан (1) открывается и жидкость поступает в рабочую камеру (8).

1. Клапан
2. Биметаллическая пластина
3. Штифт регулятора
4. Рычаг клапана
5. Накопительная камера
6. Ведущий диск
7. Корпус
8. Рабочая камера
А. Регулирующий клапан закрыт Частота вращения вентилятора снижена. Биметаллическая пластина (1) прижимает штифт регулятора (2) к рычагу клапана (3).

1. Биметаллическая пластина
2. Штифт регулятора
3. Рычаг клапана
В. Регулирующий клапан открыт Вентилятор включен на полную мощность. Биметаллическая пластина отгибается наружу из-за повышения температуры окружающего воздуха.
Для облегчения распознавания приводных ремней для них предусмотрена маркировка из трех цветов. Ширина цветных полосок и расстояние между ними составляет примерно 5 мм.

В следующей таблице приведены приводные ремни для двигателя D12A, длина ремня, номер позиции и цветовая маркировка.

Хочешь больше узнать о двигателях Вольво,Рено тебе сюда. Электросхемы на автомобиль Volvo FE можно скачать тут. Интересует электронная система управления ДВС заходим по ссылке.
volvots.ru