Содержание
Дренаж для фанкойла | Помпа насос для фанкойла
- Главная
- Статьи
- Статьи. Фанкойлы
Фанкойл — это теплообменный аппарат, в задачу которого входит охлаждать/нагревать воздух в помещении.
Нагрев/охлаждение происходит за счет того что вентилятор, установленный внутри фанкойла, обеспечивает циркуляцию воздуха из помещения через теплообменник фанкойла. По трубам теплообменника протекает вода (или любая другая жидкость, в том числе и незамерзающая), которая предварительно охладилась/нагрелась в чиллере. При охлаждении воздуха на внешней поверхности трубок теплообменника образуется конденсат, который, по мере работы фанкойла, накапливается и начинает стекать вниз в дренажный поддон.
Скопившийся конденсат из поддона должен быть удален и для этого существует дренаж для фанкойла, который включает в себя: дренажный поддон, дренажную помпу (насос), дренажный трубопровод.
В зависимости от типа фанкойла в системе дренажа может быть стандартно установлен дренажный насос, либо он является дополнительной опцией. Самый простой способ удалить конденсат из дренажного поддона — это соединить поддон с трубкой, которая будет выходить на улицу или в канализационный трубопровод через специальный сифон. Но такой способ иногда не может использоваться для промышленных фанкойлов. Дренаж канального фанкойла в таком случае обеспечивает дренажная помпа для фанкойла (насос), которая устанавливается, как правило, снаружи поддона, и конденсат, накопившийся в поддоне, помпой отводится по дренажному трубопроводу в канализацию. Дренажный насос в кассетном фанкойле может быть встроенный, он установлен на уровне поддона и работает постоянно, если фанкойл включен в режиме охлаждения.
Но во всех случаях конденсат должен сливаться в канализацию. Обязательным условием монтажа дренажного трубопровода является постоянный уклон этого трубопровода. Застойные зоны, где может задерживаться конденсат, категорически должны быть исключены.
Имея предварительные знания в области гидравлики и навык работы с водосливными конструкциями, можно произвести монтаж дренажной системы фанкойла самостоятельно. Но практика показывает, что в каждом отдельном случае возникают специфические сложности проведения таких работ, которые без специальных навыков осуществить невозможно. Поэтому настоятельно рекомендуем обратиться к специалистам в этой области.
Есть вопрос? Задайте его специалисту!
- Имя
- Тема вопроса
- Общие вопросыСервисБытовые кондиционерыТепловое оборудованиеПолупромышленные кондиционерыУвлажнители и очистители воздухаМультизональные системыЧиллерыФанкойлыПрецизионные кондиционерыКрышные кондиционерыКомпрессорно-конденсаторные блокиВентиляция
- Вопрос
Нажимая кнопку «Отправить», я даю свое согласие на обработку моих персональных данных и принимаю условия
«Согласия на обработку персональных данных Пользователей»
Шум дренажной помпы фанкойла — в чём причина и сколько стоит ремонт ❄ Ответы профессионалов ☃ KLIMATLAB.
ru
неисправность
фанкойла
шумит дренажная помпа
Поможем быстро почистить или отремонтировать фанкойл
+7 (499) 350 90 59
пн.-вс. 8:00-22:00
позвоните мне
Починим фанкойл сегодня
Узнать цену и
вызвать мастера в 1 клик!
ЗАКАЗАТЬ
Перезвоним за 17 секунд
Лето
Вернём свежесть и прохладу в Ваш дом уже сегодня!
- Приедем в день обращения
- Бесплатная диагностика
- Запчасти в наличии
Техническое обслуживание фанкойла увеличивает срок службы и устраняет 80% всех неисправностей
Всё включено1995Р
Чистка и дезинфекция
Замена фильтров
Диагностика блоков
Мелкий ремонт
Проверка герметичности
Дозаправка хладагентом
Подробное описание
Вызвать мастера
Прайс-лист на техническое обслуживание и ремонт
Фильтр быстрой диагностики отобразит в таблице наиболее вероятные неисправности, а также стоимость работ и запасных частей для их устранения
Фильтры
Тип работПлановое обслуживаниеЧисткаДиагностикаСнятие ошибокРемонтЗапчастиДополнительные услуги
МаркаAermecAerotekAertesiAircutAirWellATSAuxBalluCarismaCarrierCenturyChigoCiatClimaClima EspertoClimacoreClimavenetaClintClivetComfort DeluxeDaikinDanfossDantexDunham-BushElcoElectroluxEnergoluxEurapoEVRFrostGallettiGEAGeneralGeneral ClimateGeneral VentGreeHaierIGCInnovaKentatsuKorfLennoxLessarLGLiebertMcQuayMDVMideaMitsubishiMTANEDRhossRodaRoverRoyal ClimaSabianaSiemensSystemairTCLTICATraneVenterraVertexWesperYork
Фильтры
Обслуживание фанкойла
- Обслуживание настенного фанкойла
1 995 Р - Обслуживание кассетного фанкойла
2 395 Р - Обслуживание напольного фанкойла
1 995 Р - Обслуживание потолочного фанкойла
2 395 Р - Обслуживание напольно-потолочного фанкойла
2 395 Р - Обслуживание канальных фанкойлов
2 595 Р - Чистка дренажа фанкойла
1 495 Р - Чистка дренажной помпы фанкойла
955 Р
Стоимостьот 1995Р
Заказать
Ремонт фанкойла
- Диагностика фанкойла
Бесплатно
- Мелкий ремонт фанкойла
495 Р - Замена дренажной помпы фанкойла
3 454 Р - Новая дренажная помпа фанкойла
4 645 Р
Стоимостьот 495Р
Заказать
Условия оказания услуг
- Точная стоимость деталей для Вашей модели по телефону
Бесплатно - Гарантия 12 месяцев на выполненные работы
Бесплатно
- Выезд за МКАД более 10 км (за 1 км)
30 Р - Доставка оборудования в сервисный центр и обратно
2 545 Р - При отказе от ремонта оплачивается выезд и диагностика
2 395 Р
Заказать
Сообщите мне модель фанкойла
Я сразу назову наиболее вероятные причины и стоимость ремонта
Цена ремонта по телефону
за 30 секунд
Валерия Кудряева
Консультант по ремонту
remont@klimatlab.
ru
Позвоните мне
+7 (499) 350 90 59
или закажите обратный звонок
Я перезвоню Вам сама за 17 секунд
напишите мне сообщение
+7 (499) 350 90 59
SMS
Viber
Whatsapp
С 22 по 28 мая
Мы выполнили 23 заказа
8
ремонт
15
чистка и
обслуживание
Поможем и вам!
Постоянным клиентам
Мы помним о Вас
Скидка 10%
Получить скидку
Хотите заключить договор на постоянное обслуживание климатической техники? Это выгодно!
Приедем к Вам, сделаем точную оценку и оформим бумаги
Александр Кулешов
Сервис менеджер
+7 (499) 350 90 59
или оставьте свой телефон
Я перезвоню Вам за 17 секунд
Бесплатно
Полная антибактериальная обработка
при техобслуживании
в июне!
Заказать обслуживание
Клиенты довольны и рекомендуют нас
Потому что мы чиним кондиционеры лучше и дешевле других
отзыв от клиента
Андрей, Москва Сити
Отремонтировали файнкол в помещение 200 кв.
м в Москва Сити, ремонт прошел быстро и аккуратно без кучи мусора как это бывает, цена соответствует, так как обычно называешь площадь цена мгновенно взлетает, отдельное спасибо за рекомендации по уходу
отзыв от клиента
Егор Петров
Выполнили ремонт кондиционера в Видном. Получили то, что ожидали, как и должно быть в нормальной компании, все сделано профессионально, мастеру пять с плюсом, смело могу рекомендовать!
отзыв от клиента
Виктор Сергеевич
Приглашали данных ребят для ремонта кондиционера в офисе. Все четко, никаких претензий, приятное соотношение цена — качество!
отзыв от клиента
Дмитрий Мизинцев
Это вторая организация, которую мы вызывали, первая сказали, что такой шум в кондиционере вполне нормально, так как он старый, в общем обслужили, почистили, устранили запах, и кондиционер снова как новый!
отзыв от клиента
Константин Ламантин
Спасибо за оперативное устранение утечки фреона, была просьба сделать все максимально оперативно, с чем собственно и справились, теперь однозначно только к вам! Г.
Химки.
Добавить отзыв
Мы работаем даже ночью. Звоните!
+7 (499) 350 90 59
Москва, 1-я улица Ямского Поля, 17с1
Работаем без выходных с 8:00 до 22:00
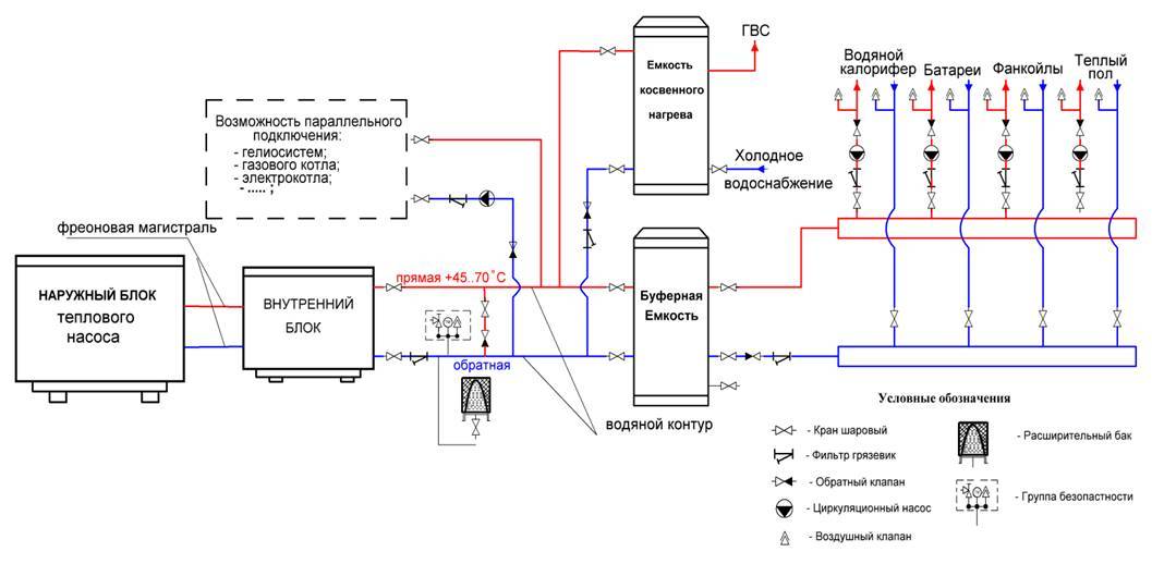
Водяные тепловые насосы: Конфигурации | Качественные фанкойлы
Во многих исследованиях было доказано, что системы водяного теплового насоса (WSHP) являются более эффективным, менее сложным и более рентабельным выбором кондиционирования воздуха для различных типов проектов. Эти системы используют строительный контур воды для отвода / отвода тепла в отдельную жилую единицу. Преимущества включают в себя отсутствие внешнего оборудования на каждом блоке здания, только один набор (возможно) неизолированных трубопроводов для контура здания и распределенное кондиционирование (один тепловой насос не зависит от простоя другого). Для удовлетворения потребностей различных пространств WSHP поставляются в четырех различных конфигурациях: вертикальный стек, горизонтальный, упакованный и разделенный.
У каждого из них есть особенности и преимущества, а также ограничения, которые необходимо учитывать при выборе дизайна.
Вертикальный стек
Конфигурация вертикального стека делает именно это, вертикально складывает компоненты WSHP. Большинство моделей, в том числе Engineered Comfort Serenity, разбивают конструкцию на две части: корпус и шасси. В шкафу размещаются вентилятор и электрические разъемы, а также есть место для размещения корпуса. Шасси содержит холодильный цикл, электрически соединяется со шкафом и гидравлически соединяется со стояками контура здания. Эта конструкция, состоящая из двух частей, позволяет доставить и установить шкаф во время черновой сборки вне помещения, а затем шасси можно доставить позже, когда строительство близится к завершению. Это предотвращает повреждение критических компонентов системы во время строительства.
В вертикальной конфигурации небольшой шкаф, построенный вокруг шкафа, обеспечивает удобное пространство для размещения стояка контура здания и трубопровода для конденсата, уменьшая воздействие на трубопровод.
Во время эксплуатации эта модульная конструкция позволяет быстро снять шасси, нуждающееся в ремонте, и заменить его временным шасси, в то время как исходное шасси находится на обслуживании. Значительное сокращение времени простоя квартиры/гостиничного номера.
С точки зрения дизайна интерьера вертикальная конструкция позволяет разместить все оборудование для кондиционирования воздуха на небольшой площади, которая может составлять всего 2,25 фута 9 .0017 2 и всего 18 дюймов свободного пространства на стене для решеток возвратного и приточного воздуха. Когда компоненты расположены вертикально, нет необходимости опускать потолок для размещения оборудования или воздуховодов. Тем не менее, вертикальная конструкция дымохода может быть сконфигурирована для подключения воздуховодов, если необходимо распределять воздух по нескольким помещениям.
Все конфигурации разработаны и протестированы с учетом требований к звуку. Цель состоит в том, чтобы поставить самый тихий комплект оборудования, чтобы свести к минимуму прерывание звука в помещении.
Все производители предоставят звуковые данные, чтобы помочь вам выбрать правильный дизайн на основе звуковых соображений для помещения. По сравнению с другими конфигурациями вертикальный блок может быть самым громким из-за своей конфигурации. С компрессором, расположенным за змеевиком и возвратной решеткой, звук от компрессора попадает в комнату в некоторой степени прямой видимости. Есть некоторые дополнительные меры, которые производитель может предпринять, чтобы уменьшить этот звук, например, изоляция компрессора, которую можно выбрать в качестве опции.
Горизонтальный
Горизонтальный WSHP объединяет все компоненты в блок, предназначенный для горизонтального монтажа на потолке. При потолочном монтаже кондиционер не занимает места на полу. Горизонтальные блоки имеют высоту от 12 до 22 дюймов, поэтому они требуют некоторого свободного пространства в устройстве. Конфигурации, доступные сегодня, требуют подающих и возвратных воздуховодов, подключенных к блоку и в помещении.
Для прокладки этого воздуховода также потребуется свободное пространство.
Для установки весь блок устанавливается сразу, в отличие от вертикального стекового блока, который можно устанавливать поэтапно. Поскольку он расположен над потолком, необходимо предусмотреть панель доступа для обслуживания или замены устройства в будущем. Воздуховоды подачи и возврата будут подведены к решеткам в помещении, решетка возврата будет фильтрующей решеткой для фильтрации воздуха через оборудование. С собственной канальной подачей упрощается подача воздуха в несколько комнат. Если блок не расположен непосредственно рядом со стояками воды и конденсата в здании, может потребоваться дополнительный трубопровод над жилым помещением для обслуживания блока.
С точки зрения звука, размещение устройства полностью над потолком должно позволить устройству звучать тише в помещении. При необходимости дополнительного пространства на потолке, он, скорее всего, будет расположен над туалетом или входом, чтобы ограничить препятствия, а также звук устройства из жилого помещения.
Упакованные единицы
Упакованный WSHP аналогичен горизонтальному блоку в вертикальной конфигурации. Эта конструкция сочетает в себе вертикальную конфигурацию вертикального стеллажа с естественной конструкцией горизонтального блока с воздуховодами.
В большинстве случаев этот блок находится в чулане, который обслуживается водяным контуром здания и стояками конденсата, как и вертикальная труба, и соединен с ними. Этот шкаф займет больше места, чем вертикальная конструкция стеллажа, однако он обеспечивает дополнительное пространство для размещения системы водяного отопления помещения. Приточный воздух будет подаваться над потолком жилого помещения, что требует пространства над головой в дополнение к площади кладовки. Тем не менее, размер воздуховода может быть меньше, чем требуется, путем размещения горизонтального блока на потолке. Возвратный воздух будет проходить через возвратную решетку в двери шкафа.
С точки зрения технического обслуживания этот блок превосходит горизонтальный блок, поскольку он легко доступен с пола и не требует люков в потолке.
Что касается звука, то размещение блока в шкафу позволяет добавить дополнительную изоляцию вокруг шкафа и добавить аттенюатор на возвратную решетку, чтобы уменьшить звук в жилом помещении.
Сплит-система
Так же, как и в жилых сплит-системах, с которыми знакомо большинство, сплит-система WSHP отделяет компрессор и теплообменник от внутренней вентиляционной установки для помещения. Это позволяет спрятать генератор звука компрессора на дне шкафа или в небольшом пространстве, которое можно изолировать. В большинстве случаев часть системы обработки воздуха будет находиться в области потолка. Хотя он может быть меньше по площади, он не уменьшит необходимое пространство над головой, и вам все равно понадобится панель доступа (хотя и меньшего размера) на потолке. Отделение системы подготовки воздуха от секции компрессора, которая, скорее всего, расположена рядом с системой стояков здания, потребует прокладки трубопровода конденсата от охлаждающего змеевика к стояку здания.
Кроме того, по помещению должны быть проложены трубопроводы хладагента. Это может вызвать проблемы, если изоляция трубопровода выйдет из строя или по какой-либо причине засорится слив. По многим из этих причин сплит-система не предоставляется большинством провайдеров и не используется так часто, как упакованные и вертикальные стековые устройства.
Водяные тепловые насосы
Водяные тепловые насосы — это эффективный, недорогой и удобный выбор для высотных гостиничных и жилых комплексов. Доступные сегодня системы имеют любую конфигурацию, необходимую для удовлетворения архитектурных и комфортных потребностей пространства. Для получения дополнительной информации или вопросов относительно системы, пожалуйста, свяжитесь с Мэтью Крампом, PE, менеджером по маркетингу продуктов по адресу [email protected].
кондиционер — Фанкойл, подключенный к тепловому насосу, повышает влажность в режиме охлаждения
У меня есть квартира с тепловым насосом Daikin, который обеспечивает меня отоплением/охлаждением и горячей водой.
В системе есть как пол с подогревом, так и 4 фанкойла, подключенных к ней, и они работают на 2 отдельных насосах, поэтому я могу отключить любой из них, если это необходимо. (например, отключить внутрипольный насос в летние месяцы)
Моя проблема заключается в том, что использование фанкойла в гостиной для охлаждения кажется неправильным . Я знаю, что это несколько расплывчато, но мое понимание охлаждения заключается в том, что оно должно одновременно снижать температуру И влажность. В моем случае температура почти не снижается, НО влажность подскакивает с 40-45% до 65-70% и даже выше. (У меня есть 2 независимых устройства, измеряющих и подтверждающих это.)
Я пробовал использовать циркулирующую воду теплового насоса как при ~16°C, так и при ~7°C, не помогло. (По-видимому, последний вариант идеален, но предыдущий владелец использовал систему в первом случае с включенным насосом «теплого пола» для охлаждения пола.)
У меня было 2 отдельных места обслуживания Daikin, ни один найти что-нибудь сломанное или неправильно подключенное или подобное.
Любые идеи, что может быть причиной этого?
Обновление 1:
Я только что измерил фанкойлы (Daikin FWT04CATNMV1*), температура блока была установлена на 21°C, а температура в помещении была около 25°C. Устройство охладило комнату до 22°C, как было измерено моим элементом Awair (на противоположном конце комнаты) в течение 30 минут, но в то же время повысило влажность до 54% с 47%. Это намного лучше, чем прошлым летом, может быть, что-то произошло волшебным образом.
Я использовал инфракрасный термометр для измерения металла за воздушным фильтром, он был 20,2°C — определенно не на 8°C холоднее, чем воздух, как я надеялся. Они также были абсолютно сухими на ощупь.
*Охлаждение 3,31 кВт, 11300 БТЕ; Отопление 4,4кВт, 15000 БТЕ в комнате 40кв.м.
- кондиционер
- охлаждение
- тепловой насос
- влажность
6
Температура и влажность связаны.
Влажность более полно «относительная влажность» — сколько воды сейчас в воздухе .
vs. максимальное количество воды, которое может удержать воздух при этой температуре .
Если фанкойл работает ниже температуры точки росы (температуры, при которой количество воды в воздухе составляет 100%), то вода должна конденсироваться из воздуха и утекать в канализацию. Если НЕТ, то воздух становится холоднее, но вода остается в воздухе, и относительная влажность повышается, так как более холодный воздух имеет меньшую способность удерживать воду, и такое же количество воды содержится в (теперь более прохладном, с меньшей способностью удерживать влагу) воздухе.
Если вы можете измерить точку росы, вы можете получить неизменное представление о том, сколько воды находится в воздухе.
Если конденсат не сливается, это может привести к попаданию воды обратно в воздух.
3
Этот змеевик (охлаждающий [при условии, что вентилятором является фанкойл]) должен иметь точку росы ниже 12,8°C, чтобы вода могла конденсироваться, если она выше, вы просто станете теплее, что, по-видимому, происходит, и влажность будет продолжать расти.
Самое важное, что делает кондиционер, вопреки распространенному мнению, удаляет влагу из воздуха. Побочным продуктом процесса осушения является охлаждение воздуха. точка росы т.е. точка росы – это температура конденсации влаги из воздуха, змеевик должен быть ниже этой температуры. Это постоянно меняется по мере изменения окружающей среды. Также при измерении температуры измеряйте реальную вещь, а не то, на что настроено управление. Термостаты работают с ошибками и что-то делают, когда обнаруживают ошибку, и отменяют ее, когда ошибка исчезает. Когда ваш тепловой насос в режиме охлаждения настроен на 5C, когда вода становится теплее, возникает ошибка, и термостат заставляет тепловой насос включаться. Когда он опускается до 5., он выключается, предполагая, что он откалиброван правильно.
Влага конденсируется на поверхности более холодной, чем точка росы, т.е. точка росы – это температура, при которой влага конденсируется из воздуха. Проще говоря, катушка показывает, что температура воды 5C (измерьте, чтобы быть уверенной) составляет не менее 12,8C+ или ниже.
Если этот тепловой насос не обеспечивает температуру воды в змеевике до 6 или 7°C, у вас проблема с тепловым насосом или циркуляционным насосом. Если у вас нет специального теплового насоса, обе зоны должны находиться либо в тепле, либо в холоде. У вас может быть замерзший конденсатор, но мне нужно знать больше, прежде чем определить это.
Я рекомендую проверить систему HVAC, в долгосрочной перспективе это, вероятно, будет самым экономичным решением.
1
Зарегистрируйтесь или войдите в систему
Зарегистрируйтесь с помощью Google
Зарегистрироваться через Facebook
Зарегистрируйтесь, используя адрес электронной почты и пароль
Опубликовать как гость
Электронная почта
Обязательно, но не отображается
Опубликовать как гость
Электронная почта
Требуется, но не отображается
Нажимая «Опубликовать свой ответ», вы соглашаетесь с нашими условиями обслуживания и подтверждаете, что прочитали и поняли нашу политику конфиденциальности и кодекс поведения.