Содержание
Как снимать двигатель зил 130
С выходом все новых и новых технологий, и совершенствования моторов, многие автомобилисты забывают о старичках, которые покоряли сердца миллионов. Так, старые силовые агрегаты ЗИЛ уже давно устарели и почти вышли с обихода. Но, в отделенных регионах стран СНГ — эти моторы продолжают эксплуатироваться, снова и снова проходя капитальные ремонты.
Причины проведения ремонта
Прежде чем приступить непосредственно к рассмотрению вопроса проведения капитального ремонта, стоит рассмотреть, по каким причинам он проводится. Итак, почему же выходит со строя двигатель ЗИЛ:
- Износ основных элементов, таких как — коленчатый вал или цилиндры силового агрегата. Это связано с работой и выработкой ресурса.
- Прогорание поршневого механизма вследствие воздействия времени, а также использования некачественного горючего.
- Механические поломки головки и блока цилиндров. Наличие трещин и выработки по сальникам.
Основной причиной становится износ всех деталей в процессе эксплуатации или получение поломок.
Снятие силового агрегата
Для обеспечения лучшего доступа к узлам автомобиля снизу (при снятии силового агрегата) рекомендуется автомобиль устанавливать на смотровую яму, над которой имеется подъемное устройство. Вес силового агрегата в сборе без заправки составляет 640 кГ, и поэтому для его снятия необходимо иметь подъемное устройство грузоподъемностью не менее 1 т; высота до крюка должна быть не менее 2 м.
Перед снятием силового агрегата с автомобиля необходимо слить воду из системы охлаждения, желательно также слить смазку из картеров двигателя и коробки передач. Слив воды производится через три сливных крана. При разборке мелкие детали рекомендуется укладывать в отдельную тару, а при отъединении проводов от приборов электрооборудования винты и гайки ввертывать от руки на свое место.
Перед снятием силового агрегата надо выполнить следующие подготовительные работы. Снять крышку люка гнезда аккумуляторной батареи и освободить плюсовую клемму батареи, снять провод стартера, у автомобиля ЗИЛ-131 отключить массу выключателем.
Поднять капот двигателя и отъединить провода от приборов и переходных колодок, снять крышку и ротор с прерывателя-распределителя.
Ослабив винты стяжных хомутов, снять шланги водяного и масляного радиаторов. Снять трубопровод со шлангами отопителя.
Отъединить трос привода жалюзи и вынуть его вместе с оболочкой из отверстия передней стенки кабины.
Освободить и снять облицовку радиатора.
Отвернуть гайку крепления радиатора.
снять радиатор вручную или при помощи приспособления K3-0355 (рис. 1, а), снять резиновые подушки с распорной втулкой.
Отъединить привод карбюратора и сиять: тягу ножного привода, трос ручного привода дросселя и трос ручного привода воздушной заслонки.
Отъединить и снять: трубопровод, отводящий сжатый воздух от компрессора; трубопровод регулятора давления; трубопровод, подводящий топливо к топливному насосу.
Отъединить шланги высокого и низкого давления от корпуса насоса гидроусилителя рулевого управления.
Отъединить привод рулевого механизма, снять карданный вал рулевого управления.
Отъединить от выпускного трубопровода приемные трубы глушителя, отогнув стопорные шайбы и отвернув гайки.
Снять крышку люков пола кабины, отвернув болты крепления.
Снять картер рычага коробки передач с прокладкой в сборе с рычагом, отвернув болты крепления картера.
Закрыть отверстие в крышке коробки передач картонной крышкой, прикрепив се двумя болтами.
Отъединить привод спидометра, отвернув прижимную гайку штуцера.
Отъединить привод ножного тормоза, разъединив тягу с рычагом педали.
Отъединить привод ручного тормоза, действующий на тормоза прицепа.
Снять с коробки передач рычаг ручного тормоза, отвернув болты его крепления.
Отъединить от барабана ручного тормоза карданный вал, отвернув гайки его крепления.
Отъединить привод выключения сцепления, разъединив тягу и рычаг педали.
На автомобиле ЗИЛ-131 отъединить карданный вал от фланца ведомого вала коробки передач.
Отъединить привод и рычаг управления раздаточной коробки.
При наличии на автомобиле лебедки отъединить карданный вал коробки отбора мощности, снять крышку и рычаг привода.
Освободить болты крепления передней опоры и двух задних опор двигателя, а также крепление реактивной тяги.
Зацепить подъемным устройством (рис. 1, б) за скобы двигателя и осторожно, поднимая и выводя вперед, снять силовой агрегат с автомобиля.
Снятый силовой агрегат с автомобиля устанавливают на специальную тележку для транспортировки его на место разборки.
Источник
Процедура капитального ремонта
Капитальный ремонт двигателя ЗИЛ проводится достаточно сложно и не всегда является рентабельным решением. Но, поскольку покупка нового автомобиля или блока цилиндров обойдется намного дороже, то как показывает практика, двигатель ЗИЛ стараются отремонтировать.
Итак, как и в любом случае, капитальный ремонт начинается с демонтажа мотора. Поскольку, существует несколько вариантов двигателей, то это процесс сугубо индивидуальный, к тому же мотор может располагаться не на автомобиле ЗИЛ, а например на ГАЗоне.
Поэтому упускаем эту процедуру и сразу же переходим к разборке силового агрегата.
Разборка
После того, как силовой агрегат разобранный, можно приступить к процессу разборки. Первое, что необходимо снять является карбюратор. Поскольку, систему подвода топлива сняли на этапе демонтажа, то остался только этот элемент. Чтобы снять карбюратор необходимо открутить 4 гайки крепления и поднять деталь вверх. После этого, необходимо выкрутить с впускного коллектора шпильки. Если не удается сделать это стандартными методами, то поможет съемник для шпилек и болтов.
Следующим этапом становится демонтаж коллекторов. В данном случае, все просто. Чтобы демонтировать элементы необходимо выкрутить крепежные гайки и сдернуть коллекторы с посадочных мест крепления. Далее, необходимо, как и в случае с карбюратором, выкрутить шпильки с блока цилиндров.
Открутив гайки крепления, снимаем клапанные крышки, которых у двигателя две. Затем, необходимо перейти к разборке вспомогательных узлов.
Если при разборке генератор и стартер не снимались, то их необходимо демонтировать, предварительно демонтировав приводной ремень.
Далее, необходимо снять топливный насос, фильтр центробежной очистки масла, приводные ремни и шкивы. Если масло с двигателя было не слито, то его необходимо слить. Для этого откручивается болт сливного отверстия. После сила моторного масла, откручиваем крепление поддона картера и демонтируем элемент.
Дальше пойдет демонтаж основных элементов двигателя. Демонтируем водяной насос. Открутив крепление головок блока, элементы демонтируются с движка. Переворачиваем мотор и откручиваем болты крепления бугеля. После того, как бугеля удалены, необходимо раскрутить крепежные болты шейки шатунов. Теперь с блока цилиндров удаляется коленчатый вал.
Стоит отметить, что по мере откручивания шатунов удаляются поршни вместе со второй частью шатуна и маслосъемными кольцами. В данном случае, необходимо быть аккуратным, чтобы тяжелый элемент не упал на ноги, поскольку двигатель перевернутый.
Итак, основные элементы удалены с блока цилиндров, и можно приступать к проведению ремонтно-восстановительных операций. Так, все конструктивные элементы и детали двигателя перемываются при помощи горячего керосина.
Промеры и диагностика агрегатов
Как показывает практика, блок цилиндров уже гильзованый, а поэтому расточка происходит непосредственно на самом моторе. Если блок был под ремонтом, то возможно его необходимо загильзовывать. Данную операцию рекомендуется доверить профессионалам на автосервисе по ремонту двигателей. Рассмотрим, размерность ремонтов и расточки блока цилиндров на примере двигателя ЗИЛ 130:
| Ремонт | Размер |
| Стандарт | 130,0 мм |
| 1 | 130,5 мм |
| 2 | 131,0 мм |
| 3 | 131,5 мм |
| 4 и более | Гильзовка блока (установка гильз стандартного размера 130,0 мм) |
Что касается коленчатого вала, то его также необходимо промерить и проверить твердость.
Это делается с той целью, что на грузовиках нагрузка значительно выше, а поэтому основной элемент при большой нагрузке может порвать, а это приведет к повреждению всех внутренних элементов, и мотор снова придется капиталить.
Как показывает практика, ремонтируемый коленвал до размера 1,00 мм и больше долго не живет и его рвет под нагрузкой. Рассмотрим, основную размерность вкладышей коленчатого вала ЗИЛ:
| Вид ремонта | Размер |
| 1 | 0,25 мм |
| 2 | 0,50 мм |
| 3 | 0,75 мм |
| 4 | 1,00 мм |
Как показывает практика, зачастую коленчатые валы, особенно которые ремонтировались ранее, уже не пригодны для расточки, по причины потери твердости. Поэтому, владельцам двигателя приходится искать новый или поддержанный с минимальным ремонтом.
Также, к диагностическим операциям относят разборку и определения размеров деталей головки блока цилиндров.
Расточка блока
Расточка силового агрегата проводится на специальном расточном стенде, где цилиндры или гильзы подгоняются под размер поршня. При этом стоит понимать, что поршни необходимо подогнать по весу, чтобы не было дисбаланса. Делается эта операция на токарном станке, где на изделие снимается кромка, чтобы убрать лишнее граммы.
После того, как блок расточен необходимо провести хонинговку. Эта операция предусматривает полировку стенок цилиндров до зеркального отражения. Когда расточка-хонинговка поведена, следует отшлифовать плоскости блока. Делается это для того, чтобы плоскость блока цилиндров плотно прилегала к головке, и не было утечек жидкостей, а также «охлаждайка» случайно не попала в цилиндры.
Ремонт ГБЦ
Ремонт головки блока начинается с разборки. Сначала снимается распределительный вал. Следующим этапом разборки становится демонтаж клапанов, седел и направляющих втулок. Что касается последнего, то рекомендуется разогреть головку, чтобы при выбивании втулок не повредить посадочные места.
После полной разборки рекомендуется помыть деталь от металлической стружки и оперессовать. Это поможет узнать — нет ли трещин. Если все же разгерметизация присутствует, то место пробоя необходимо заварить. Делается данная операция при помощи аргонной сварки. Если трещин много или одна, но большая — то рекомендуется заменить корпус головки блока цилиндров.
Когда ГБЦ разобрана, можно приступить непосредственно к сборке. Первым делом на токарном станке разворачиваются направляющие втулки и подгоняются к размерам клапанов. Кстати, на двигатели ЗИЛ устанавливаются ремонтные выпускные клапаны 11 мм. После того, как направляющие втулки готовы можно их установить в корпус головки. После этого, ставятся седла, которые проходят этап шарошки.
Когда все готово, на специальном станке подгоняется фаска клапана, и они готовы к установке. Также, стоит предварительно отполировать кулачки распределительного вала, если его не нужно менять.
Сборка
Теперь, когда все готово, можно приступить к сборочному процессу.
Первым делом делается балансировка коленчатого вала. Делать операцию необходимо обязательно, поскольку без нее двигатели и основные конструктивные элементы будут быстро изнашивать.
Когда сцепление сбалансированное, то необходимо приступать к укладке коленчатого вала. Он укладывается в блок цилиндров, и устанавливаются коренные вкладыши, которые фиксируются бугелями. В обязательном порядке вкладыш и коренная шейка смазываются моторным маслом. Рекомендуется использовать моторную жидкость с маркировкой М-8.
Когда коленвал уложен, следует операция перевязки поршневого механизма. Это значит, что собирается поршень с шатуном, а потом шейка шатуна крепиться к коленчатому валу. Процесс идентичен креплению бугеля.
Теперь, когда основные элементы собраны, можно приступить к установке дополнительных узлов. На автомобиль устанавливаются водяной и масляный насос. После этого, можно установить картер поддона и заднюю крышку блока.
Следующим этапом сборки становится установка головок блоков цилиндров.
Так, в блок вкручиваются шпильки, которые были удалены при разборке. На них устанавливаются головки блока. Затем, можно монтировать клапанные крышки и установить коллекторы.
Устанавливаем на мотор дополнительные узлы, снятые на этапе разборки — стартер и генератор. После этого, можно поставить шкивы и приводные ремни. Чтобы полностью собрать систему охлаждения необходимо установить крыльчатку вентилятора. Также, можно монтировать карбюратор.
Последним этапом, перед обкаткой становится заливка моторного масла. Так, в мотор ЗИЛ, в зависимости от модификации, заливается 10-14 литров моторного масла. Как показывает практика, большинства владельцев склоняются к варианту заливки моторного минерального масла М-8. Для дизельных вариантов мотора рекомендуется заливать жидкость — М10-Г2К или М10Д.
Обкатка
Все двигатели, без исключения, после проведения капитального ремонта подлежат обкатке. Так, если ремонт выполняется в условиях автосервиса, то мотор сначала обкатывается на специальном стенде, а уж потом заводится и катается на горячую.
Процесс обкатки проводится на специальном стенде, где шкив коленчатого вала подключается к электромотору, который раскручивает коленчатый вал на разных оборотах. Затем, проводится регулировка клапанного механизма. После этого проводится подключение системы питания и выхлопа отработанных газов. Двигатель заводится и обкатывается на горячую. Далее, снова регулируются клапаны, и мотор можно устанавливать на автомобиль.
Демонтаж силового агрегата с автомобиля ЗИЛ-130 и ЗИЛ-431410
Демонтаж силового агрегата с автомобиля ЗИЛ-130 и ЗИЛ-431410
Для лучшего доступа к узлам автомобиля ЗИЛ-130 снизу (при снятии силового агрегата) рекомендуется устанавливать автомобиль на смотровую яму, над которой имеется подъемное устройство. Масса силового агрегата в сборе без заправки топливом и маслом составляет 640 кг, поэтому для его снятия необходимо иметь подъемное устройство грузоподъемностью не менее 1 т; высота до крюка должна быть не менее 2 м.
Перед демонтажем силового агрегата с автомобиля ЗИЛ-130 необходимо слить жидкость из системы охлаждения, желательно также слить масло из картера двигателя ЗиЛ-508.
10 и коробки передач. Жидкость сливается через три сливных крана. При разборке мелкие детали рекомендуется укладывать в отдельную тару, а при отсоединении проводов от приборов электрооборудования винты и гайки установить в прежнее положение и завернуть вручную.
Перед демонтажем силового агрегата надо выполнить следующие подготовительные работы:
- снять крышку люка гнезда аккумуляторной батареи и отсоединить провода от положительного полюса батареи, снять провод стартера, отключить «массу» выключателем;
- поднять капот двигателя ЗиЛ-508.10 и отсоединить провода от приборов и переходных колодок, снять крышку и ротор с распределителя;
- ослабив винты стяжных хомутов, отсоединить шланги жидкостного и масляного радиаторов и трубку со шлангами, идущую к отопителю;
- отсоединить трос привода жалюзи и вынуть его вместе с оболочкой из отверстия передней стенки кабины;
- освободить облицовку радиатора от крепления и снять ее;
- отвернуть гайку крепления радиатора и демонтировать его вручную или с помощью приспособления КЗ-0355;
- снять резиновые подушки с распорной втулкой;
- отсоединить привод карбюратора и снять тягу ножного привода, тросы ручных приводов дроссельных и воздушной заслонок;
- отсоединить и снять трубки: отводящую сжатый воздух от компрессора, регулятора давления, подводящую топливо к топливному насосу;
- отсоединить шланги высокого и низкого давления от корпуса насоса рулевого усилителя; снять карданный вал рулевого управления;
- отсоединить от выпускных газовых трубопроводов приемные трубы глушителя, отвернув гайки;
- снять крышку люка пола кабины, отвернув болты крепления;
- снять крышку коробки передач с прокладкой в сборе с рычагом, отвернув болты крепления крышки.
Закрыть отверстие под крышку коробки передач картонной крышкой, прикрепив ее двумя болтами; - отсоединить привод спидометра, отвернув прижимную гайку штуцера;
- отсоединить привод педали рабочей тормозной системы, разъединив тягу и рычаг педали;
- снять с коробки передач рычаг стояночной тормозной системы, отвернув болты его крепления;
- отсоединить от барабана ручного тормоза или фланца коробки передач карданный вал, отвернув гайки крепления;
- отсоединить привод выключения сцепления, разъединив тягу и рычаг педали;
- отвернуть болты крепления передней опоры и двух задних опор двигателя. Отсоединить тормозные трубки от крана стояночной тормозной системы.
Подъемным устройством (рис. 1-8), осторожно поднимая за ушки и выводя вперед, снять двигатель ЗиЛ-508.10 с автомобиля ЗИЛ-130. Затем двигатель установить на специальную тележку для транспортировки его к месту разборки.
Источник
Вывод
Двигатели ЗИЛ считаются достаточно ремонтнопригодными.
Многие автомастера отмечают, что после проведения капитального ремонта, мотор почти не теряет первоначальные ресурс, а детали работают достаточно долго. Не стоит забывать, что для продления ресурса мотор в обязательном порядке необходимо обкатать.
Вентилятор и водяной насос. Отвернуть болты крепления вентилятора к ступице и снять вентилятор, приводные ремни и шкив. Отвернуть болты крепления корпуса водяного насоса к торцу блока и снять насос с прокладками.
Масляный насос. Отвернуть болты крепления масляного насоса и снять насос с прокладкой.
Верхний патрубок системы охлаждения.
Отвернуть гайки крепления патрубка к впускному трубопроводу и снять патрубок в сборе с термостатом и прокладкой. Вынуть термостат из патрубка.
Свечи зажигания. Для предохранения от повреждения свечей зажигания их надо вывернуть из отверстий в головках цилиндров. Отверстия закрыть пробками.
Выпускные трубопроводы. При снятии выпускных трубопроводов необходимо отъединить предохранительные щитки свечей зажигания, вынуть маслоизмерительный стержень, отъединить тяги привода управления краниками системы охлаждения.
Отвернуть гайки крепления выпускного трубопровода и снять его с прокладкой. Если прокладка пригорела к плоскости головки цилиндров, ее надо осторожно отделить при помощи отвертки. Операцию повторить со вторым трубопроводом. При снятии выпускных трубопроводов с двигателя ЗИЛ-131 их разъединять нельзя. В том случае, когда нет необходимости снимать выпускной трубопровод отдельно, его можно снимать в сборе с головкой цилиндров.
Впускной трубопровод. Отвернуть торцовым ключом гайки крепления трубопровода к головкам цилиндров и, слегка постукивая молотком, снять трубопровод вручную. Снять две прокладки и два резиновых уплотнителя, осторожно отделяя их от плоскостей прилегания. Вывернуть из гнезда датчик указателя температуры охлаждающей жидкости.
Крышки головок цилиндров. Отвернуть гайки крепления крышек и снять их вместе с прокладками.
Оси коромысел, штанги и толкатели. Отвернуть торцовым ключом по четыре болта креплении осей коромысел на каждой головке цилиндров, снять оси в сборе с коромыслами и стойками, вынуть штанги толкателей, вынуть из гнезда блока цилиндров толкатели клапанов при помощи металлического стержня, коней которого подогнут под прямым углом.
Для снятия коромысел и стоек надо расшплинтовать один конец оси и снять с нее: первую плоскую шайбу, распорную пружинную шайбу 3, вторую плоскую шайбу 4, первое коромысло, стойку коромысла, второе коромысло, распорную пружину, затем снять все остальные коромысла, стойки и распорные пружины.
Головки цилиндров. Отвернуть угловым торцовым ключом болты крепления головок цилиндров и снять их. Снять прокладки. Если прокладки пригорели, надо осторожно отделить их при помощи отвертки.
Снятие поддона картера двигателя, крышки картера сцепления, маслоуловителя и приемника масляного насоса. Повернуть двигатель на стенде на 90° и установить его вертикально картером сцепления вниз. Отвернуть болты крепления щитка и крышки картера сцепления и снять их. Отвернуть торцовым ключом болты крепления поддона и снять его с двигателя вручную. Снять прокладку поддона, осторожно отделяя ее отверткой от плоскости блока цилиндров. Отвернуть болты крепления маслоуловителя и снять его.
Отвернуть болты крепления приемника масляного насоса и снять его с прокладкой.
Поршни с шатунами в сборе. Расшплинтовать гайки шатунных болтов, отвернуть торцовым ключом шатунные гайки, проверить клеймение крышек и шатунов, при необходимости нанести его керном, затем снять крышки с шатунов, слегка постукивая по крышкам молотком, вынуть шатунные болты.
Повернуть на стенде двигатель на 90°, вынуть поочередно поршни из цилиндров, установить крышки шатунов на свои места и закрепить болтами с гайками, навернув их от руки.
При снятии поршней с шатунами в сборе надо, отвернув гайки шатунных болтов, снимать крышки шатунов попарно (1—5, 2—6, 3—7 и 4—8 цилиндров), поворачивая при этом коленчатый вал при помощи воротка за зубчатый венец маховика.
Шкив коленчатого вала и крышки распределительных шестерен. Отогнув стопорную шайбу с грани храповика, отвернуть торцовым ключом храповик, застопорив коленчатый вал при помощи деревянной оправки, подкладываемой под кривошип вала.
Для снятия шкива коленчатого вала применяют трехзахватный съемник (рис. 1). Можно пользоваться съемником модели 2492. После снятия шкива вынуть шпонку из паза коленчатого вала.
Для снятия крышки распределительных шестерен надо отвернуть торцовым ключом болты крепления крышки и снять ее, слегка постукивая деревянным молотком, снять прокладку крышки, осторожно отделяя ее от плоскости блока цилиндров.
Коленчатый вал. Отвернуть торцовым ключом болты крепления крышек коренных подшипников и вынуть их, проверить клеймение крышек и при необходимости нанести его керном, затем снять крышки вместе с вкладышами, а заднюю крышку—вместе с резиновыми и деревянными уплотнителями. Сиять с вала маслоотражатель.
Снять коленчатый вал с маховиком и сцеплением в сборе при помощи тали.
Снять вкладыши коренных подшипников, уложить их по порядку номеров. Вынуть сальник заднего коренного подшипника. Крышки коренных подшипников установить на место.
Распределительный вал.
Чтобы вынуть распределительный вал из блока цилиндров двигателя, необходимо снять оси коромысел с коромыслами в сборе, вынуть штанги и толкатели, снять крышку распределительных шестерен, отвернуть через отверстия в шестерне два болта, крепящих фланец (рис. 2), и вынуть распределительный вал.
Вынимая вал, надо обращать особое внимание на то, чтобы вершинами кулачков не задеть подшипники распределительного вала, не повредить их поверхности. Вал вынимают в сборе с распределительной шестерней и фланцем.
Распределительная шестерня (рис. 3) на валу может быть посажена с максимальным зазором до 0,008 мм или максимальным натягом до 0,036 мм.
Диаметр шейки вала в месте посадки шестерни 30,015—30,036 мм. От проворачивания шестерню 1 на валу удерживает шпонка 10. Ширина шпоночной канавки вала 5,945—5,990 мм. При износе шпоночной канавки допускается увеличение ее ширины до размера 6,945—6,990 мм для установки шпонки ремонтного размера.
Для снятия распределительной шестерни с вала надо отогнуть замочную шайбу 6, отвернуть гайку 5 крепления шестерни, снять ее и вынуть валик 2 с пружиной привода центробежного датчика, снять шайбу.
Установить распределительный вал на пресс и спрессовать шестерню , затем снять с вала упорный фланец 7 (см. рис. 4) и распорное кольцо 8.
Снятие шестерни с вала можно производить также съемником модели 2491 (рис. 5, а), как показано на рис.6, а, и производить посадку шестерни на пал (рис. 6, б). Картер сцепления окончательно обрабатывают в сборе с блоком цилиндров, вследствие чего он не взаимозаменяем. Поэтому, если нет необходимости, снимать его с блока цилиндров не следует.
При помощи подъемника снять со стенда блок цилиндров с картером сцепления, освободив его от прижимных кронштейнов стенда, установить блок цилиндров на подставки или верстак. Отвернуть накидным ключом болты крепления картера сцепления к блоку цилиндров, снять картер сцепления в сборе с вилкой выключения и рычагом педали сцепления.
Для снятия вилки выключения сцепления с картера надо отвернуть стяжной болт рычага и снять рычаг с оси вилки. Вынуть шпонку рычага из паза оси вилки. Отвернуть болты крепления фланца с втулкой, вынуть втулку с фланцем и масленкой из гнезда картера.
Затем, освободив правый конец и передвигая его в отверстии гнезда втулки, вынуть вилку выключения сцепления.
Зил 130 система смазки
Причины проведения ремонта
Прежде чем приступить непосредственно к рассмотрению вопроса проведения капитального ремонта, стоит рассмотреть, по каким причинам он проводится. Итак, почему же выходит со строя двигатель ЗИЛ:
- Износ основных элементов, таких как — коленчатый вал или цилиндры силового агрегата. Это связано с работой и выработкой ресурса.
- Прогорание поршневого механизма вследствие воздействия времени, а также использования некачественного горючего.
- Механические поломки головки и блока цилиндров. Наличие трещин и выработки по сальникам.
Основной причиной становится износ всех деталей в процессе эксплуатации или получение поломок.
Процедура капитального ремонта
Капитальный ремонт двигателя ЗИЛ проводится достаточно сложно и не всегда является рентабельным решением. Но, поскольку покупка нового автомобиля или блока цилиндров обойдется намного дороже, то как показывает практика, двигатель ЗИЛ стараются отремонтировать.
Итак, как и в любом случае, капитальный ремонт начинается с демонтажа мотора. Поскольку, существует несколько вариантов двигателей, то это процесс сугубо индивидуальный, к тому же мотор может располагаться не на автомобиле ЗИЛ, а например на ГАЗоне. Поэтому упускаем эту процедуру и сразу же переходим к разборке силового агрегата.
Разборка
После того, как силовой агрегат разобранный, можно приступить к процессу разборки. Первое, что необходимо снять является карбюратор. Поскольку, систему подвода топлива сняли на этапе демонтажа, то остался только этот элемент. Чтобы снять карбюратор необходимо открутить 4 гайки крепления и поднять деталь вверх. После этого, необходимо выкрутить с впускного коллектора шпильки. Если не удается сделать это стандартными методами, то поможет съемник для шпилек и болтов.
Следующим этапом становится демонтаж коллекторов. В данном случае, все просто. Чтобы демонтировать элементы необходимо выкрутить крепежные гайки и сдернуть коллекторы с посадочных мест крепления.
Далее, необходимо, как и в случае с карбюратором, выкрутить шпильки с блока цилиндров.
Открутив гайки крепления, снимаем клапанные крышки, которых у двигателя две. Затем, необходимо перейти к разборке вспомогательных узлов. Если при разборке генератор и стартер не снимались, то их необходимо демонтировать, предварительно демонтировав приводной ремень.
Далее, необходимо снять топливный насос, фильтр центробежной очистки масла, приводные ремни и шкивы. Если масло с двигателя было не слито, то его необходимо слить. Для этого откручивается болт сливного отверстия. После сила моторного масла, откручиваем крепление поддона картера и демонтируем элемент.
Дальше пойдет демонтаж основных элементов двигателя. Демонтируем водяной насос. Открутив крепление головок блока, элементы демонтируются с движка. Переворачиваем мотор и откручиваем болты крепления бугеля. После того, как бугеля удалены, необходимо раскрутить крепежные болты шейки шатунов. Теперь с блока цилиндров удаляется коленчатый вал.
Стоит отметить, что по мере откручивания шатунов удаляются поршни вместе со второй частью шатуна и маслосъемными кольцами. В данном случае, необходимо быть аккуратным, чтобы тяжелый элемент не упал на ноги, поскольку двигатель перевернутый.
Итак, основные элементы удалены с блока цилиндров, и можно приступать к проведению ремонтно-восстановительных операций. Так, все конструктивные элементы и детали двигателя перемываются при помощи горячего керосина.
Промеры и диагностика агрегатов
Как показывает практика, блок цилиндров уже гильзованый, а поэтому расточка происходит непосредственно на самом моторе. Если блок был под ремонтом, то возможно его необходимо загильзовывать. Данную операцию рекомендуется доверить профессионалам на автосервисе по ремонту двигателей. Рассмотрим, размерность ремонтов и расточки блока цилиндров на примере двигателя ЗИЛ 130:
| Ремонт | Размер |
| Стандарт | 130,0 мм |
| 1 | 130,5 мм |
| 2 | 131,0 мм |
| 3 | 131,5 мм |
| 4 и более | Гильзовка блока (установка гильз стандартного размера 130,0 мм) |
Что касается коленчатого вала, то его также необходимо промерить и проверить твердость.
Это делается с той целью, что на грузовиках нагрузка значительно выше, а поэтому основной элемент при большой нагрузке может порвать, а это приведет к повреждению всех внутренних элементов, и мотор снова придется капиталить.
Как показывает практика, ремонтируемый коленвал до размера 1,00 мм и больше долго не живет и его рвет под нагрузкой. Рассмотрим, основную размерность вкладышей коленчатого вала ЗИЛ:
| Вид ремонта | Размер |
| 1 | 0,25 мм |
| 2 | 0,50 мм |
| 3 | 0,75 мм |
| 4 | 1,00 мм |
Как показывает практика, зачастую коленчатые валы, особенно которые ремонтировались ранее, уже не пригодны для расточки, по причины потери твердости. Поэтому, владельцам двигателя приходится искать новый или поддержанный с минимальным ремонтом.
Также, к диагностическим операциям относят разборку и определения размеров деталей головки блока цилиндров.
Расточка блока
Расточка силового агрегата проводится на специальном расточном стенде, где цилиндры или гильзы подгоняются под размер поршня. При этом стоит понимать, что поршни необходимо подогнать по весу, чтобы не было дисбаланса. Делается эта операция на токарном станке, где на изделие снимается кромка, чтобы убрать лишнее граммы.
После того, как блок расточен необходимо провести хонинговку. Эта операция предусматривает полировку стенок цилиндров до зеркального отражения. Когда расточка-хонинговка поведена, следует отшлифовать плоскости блока. Делается это для того, чтобы плоскость блока цилиндров плотно прилегала к головке, и не было утечек жидкостей, а также «охлаждайка» случайно не попала в цилиндры.
Ремонт ГБЦ
Ремонт головки блока начинается с разборки. Сначала снимается распределительный вал. Следующим этапом разборки становится демонтаж клапанов, седел и направляющих втулок. Что касается последнего, то рекомендуется разогреть головку, чтобы при выбивании втулок не повредить посадочные места.
После полной разборки рекомендуется помыть деталь от металлической стружки и оперессовать. Это поможет узнать — нет ли трещин. Если все же разгерметизация присутствует, то место пробоя необходимо заварить. Делается данная операция при помощи аргонной сварки. Если трещин много или одна, но большая — то рекомендуется заменить корпус головки блока цилиндров.
Когда ГБЦ разобрана, можно приступить непосредственно к сборке. Первым делом на токарном станке разворачиваются направляющие втулки и подгоняются к размерам клапанов. Кстати, на двигатели ЗИЛ устанавливаются ремонтные выпускные клапаны 11 мм. После того, как направляющие втулки готовы можно их установить в корпус головки. После этого, ставятся седла, которые проходят этап шарошки.
Когда все готово, на специальном станке подгоняется фаска клапана, и они готовы к установке. Также, стоит предварительно отполировать кулачки распределительного вала, если его не нужно менять.
Сборка
Теперь, когда все готово, можно приступить к сборочному процессу.
Первым делом делается балансировка коленчатого вала. Делать операцию необходимо обязательно, поскольку без нее двигатели и основные конструктивные элементы будут быстро изнашивать.
Когда сцепление сбалансированное, то необходимо приступать к укладке коленчатого вала. Он укладывается в блок цилиндров, и устанавливаются коренные вкладыши, которые фиксируются бугелями. В обязательном порядке вкладыш и коренная шейка смазываются моторным маслом. Рекомендуется использовать моторную жидкость с маркировкой М-8.
Когда коленвал уложен, следует операция перевязки поршневого механизма. Это значит, что собирается поршень с шатуном, а потом шейка шатуна крепиться к коленчатому валу. Процесс идентичен креплению бугеля.
Теперь, когда основные элементы собраны, можно приступить к установке дополнительных узлов. На автомобиль устанавливаются водяной и масляный насос. После этого, можно установить картер поддона и заднюю крышку блока.
Следующим этапом сборки становится установка головок блоков цилиндров.
Так, в блок вкручиваются шпильки, которые были удалены при разборке. На них устанавливаются головки блока. Затем, можно монтировать клапанные крышки и установить коллекторы.
Устанавливаем на мотор дополнительные узлы, снятые на этапе разборки — стартер и генератор. После этого, можно поставить шкивы и приводные ремни. Чтобы полностью собрать систему охлаждения необходимо установить крыльчатку вентилятора. Также, можно монтировать карбюратор.
Последним этапом, перед обкаткой становится заливка моторного масла. Так, в мотор ЗИЛ, в зависимости от модификации, заливается 10-14 литров моторного масла. Как показывает практика, большинства владельцев склоняются к варианту заливки моторного минерального масла М-8. Для дизельных вариантов мотора рекомендуется заливать жидкость — М10-Г2К или М10Д.
Обкатка
Все двигатели, без исключения, после проведения капитального ремонта подлежат обкатке. Так, если ремонт выполняется в условиях автосервиса, то мотор сначала обкатывается на специальном стенде, а уж потом заводится и катается на горячую.
Процесс обкатки проводится на специальном стенде, где шкив коленчатого вала подключается к электромотору, который раскручивает коленчатый вал на разных оборотах. Затем, проводится регулировка клапанного механизма. После этого проводится подключение системы питания и выхлопа отработанных газов. Двигатель заводится и обкатывается на горячую. Далее, снова регулируются клапаны, и мотор можно устанавливать на автомобиль.
645, технические характеристики, объем, масла, где находится номер
Автор Petroviches На чтение 5 мин.
Содержание
- Устройство
- Система охлаждения
- Система смазки
- Технические характеристики
Двигатель ЗИЛ-131 — это агрегат, который выпускается заводом имени Лихачева. Этот узел отвечает за преобразование энергии в механическую работу.
Устройство
Это транспортное средство поставляется вместе с дизельным двигателем и жидкостной системой охлаждения.
Устройство силового агрегата включает в себя следующие узлы и механизмы:
- насосный элемент гидравлического усилителя рулевого механизма;
- бак насоса;
- вентилятор;
- фильтрующий элемент вентиляции картера двигателя внутреннего сгорания;
- фильтр воздушного типа;
- фильтрующий механизм, предназначенный для очистки масляной жидкости;
- распределительное устройство системы зажигания;
- электрический стартер;
- генераторная установка;
- котел предпускового обогревателя;
- механизм сцепления;
- карбюратор;
- цилиндрические элементы;
- коробка вала отбора мощности;
- коробка передач;
- топливный бак подогревающего устройства;
- компрессор и распылитель;
- крепежные элементы ДВС.

Мотор прикреплен к опорной раме в трех точках. В качестве переднего опорного механизма используется кронштейн, который расположен под крышкой распределительных шестерен. Задняя опора представлена в виде лап картера сцепного механизма. Между кронштейном и передней поперечиной опорной рамы находятся круглые подушки, выполненные из резины.
Все подушки взаимозаменяемы, т.е. подушки с передней опоры можно поставить на заднюю и наоборот. Также силовой агрегат соединяется с передней поперечиной рамы при помощи тяги реактивного типа, на которой установлены резиновые амортизаторы.
Тяга реактивного типа используется для удержания мотора от продольного перемещения при отключенном сцеплении и включенной раздаточной коробке или во время торможения транспортного средства.
Подвесной механизм двигателя включает в себя: переднюю и заднюю опору, буфер тяги, соединительную тягу, кронштейн, подушки и крепежные болты.
Номер находится на приливе блока возле компрессора, где вкручено монтажное ухо.
Система охлаждения
Конструкция системы охлаждения двигателя ЗИЛ-131 состоит из:
- радиатора;
- водяного насоса;
- пробки;
- шланга предпускового типа;
- термостата;
- крана отопительного устройства;
- трубок;
- датчика, отражающего показания температуры силового агрегата;
- силового крана;
- привода крана;
- отводящей трубки.
В прогретом моторе охлаждающая жидкость поступает из радиаторной части в водяной насосный элемент. Под давлением она перемещается по двум патрубкам нагнетающего типа и попадает в левый и правый блок цилиндрических элементов. Перемещаясь через окна в межцилиндровых перегородках, жидкость охлаждает головки цилиндрических деталей.
После этого рабочая жидкость продолжает свое продольное перемещение от заднего торца головок цилиндров к переднему. Затем она попадает в патрубок термостата и в радиатор, проходя по каналам трубы впускного типа.
Перед тем как заправлять смазкой полости подшипников водяного насосного механизма, рекомендуется отвернуть пробку, которая закрывает контрольное отверстие.
Заправка должна проводиться до появления свежей масляной жидкости из контрольного отверстия, после этого можно установить резьбовую пробку на место.
Привод вентилятора и водяного насосного устройства нужно проводить от шкива коленвала при помощи двух ремней. В это время передний ременной механизм должен охватывать шкив генераторной установки, а второй — шкив насоса гидравлического усилителя рулевого привода.
Натяжение ремней охлаждающей системы можно отрегулировать при помощи перемещения генератора и насосного устройства рулевого привода. Если никаких повреждений нет, то прогиб каждого ременного механизма не будет превышать 14 мм под давлением 4 кгс/см2. От шкива вентилятора активизируется работа компрессорного устройства.
Система смазки
Система смазки двигателя ЗИЛ-131 комбинированного типа, количество жидкости для смазывания должно составлять 9,5 л.
Система состоит из следующих элементов:
- картер масляного типа;
- маслоприемник;
- кран включения масляного радиатора;
- масляный насосный механизм;
- распределительная камера;
- фильтрующий элемент;
- фильтр воздушного типа;
- компрессор;
- левый и правый магистральный канал;
- трубка, необходимая для подачи и слива масляной жидкости из компрессора;
- полости шеек шатунного типа.

На передней части корпуса картера есть специальное отверстие, предназначенное для слива старого масла.
Здесь установлен масляной насосный механизм, оборудованный двумя секциями и шестернями. Он приводится в действие при помощи вращения, которое поступает от шестерни на распределительный вал. Сам насос подсоединяется к задней части корпуса с правой стороны. Верхняя секция отвечает за подачу масляной жидкости в смазочную систему, а нижняя — в радиаторную часть.
Редукционный клапан расположен в верхней секции в разделительной подставке. Давление в этом клапане составляет 3,2 кгс/ см2. Клапан перепускного типа отрегулирован на давление в 1,2 кгс/см2.
Кран включения масляного радиатора должен быть повернут к корпусу нижней секции насосного механизма. Это необходимо для контроля за уровнем масляной жидкости с левой стороны силового агрегата, где расположены 3 метки. Во время продолжительной стоянки транспорта до запуска мотора уровень масла должен находиться в пределах второй отметки.
Также уровень давления регулируется при помощи контрольной лампы и манометра.
Очищенное масло попадает в распределительную камеру системы, после чего переходит в два магистральных канала продольного типа. Вентиляция картера осуществляется за счет отсоса отработанных газов через клапан. Свежий воздушный поток попадает в механизм через фильтр, установленный на патрубке, в который заливается масло. Расположение рукоятки в момент преодоления брода должно быть вертикальным.
Технические характеристики
Параметры и технические характеристики ЗИЛа-645:
| Общий вес | 650 кг |
| Рабочий объем масла в двигателе | 8,74 л |
| Габаритные размеры | 700*450 мм |
| Количество тактов | 4 |
| Количество цилиндрических элементов | 8 |
| Степень сжатия рабочей смеси | 18,5 |
| Мощность силового агрегата | 185 л. с. |
| Максимальная частота вращения коленчатого вала | 2800 оборотов в минуту |
| Номинальный крутящий момент | 490 Нм |
| Объем бака охлаждающей системы | 26,5 л |
| Ход поршневой части | 110 мм |
| Диаметр цилиндрических элементов | 115 мм |
| Средний расход топливной жидкости | 27 л на 100 км |
| Международная экологическая норма | Евро-3 |
| Расположение цилиндров | V-образное |
Все цилиндры расположены в один ряд, продольно. Цилиндрические механизмы работают в следующем порядке: 1-5-4-2-6-3-7-8.
Следующей модификацией этого силового агрегата стала модель ЗИЛ-6454, где была увеличена мощность и рабочий объем мотора. Система питания — через карбюратор.
Двигатель оборудован пятиступенчатой механической коробкой передач и двухступенчатой раздаточной коробкой. Передаточные числа:
- первая передача — 6,08;
- вторая передача — 3,74;
- третья передача — 1,96;
- четвертая передача — 1,3;
- пятая передача — 1,00.

Среди преимуществ этой модели силового агрегата отмечают высокий уровень мощности и небольшой расход топливной жидкости, а также увеличенный рабочий ресурс.
Техническое обслуживание и ремонт мотора предполагает замену масла в двигателе, регулировку клапанного устройства, замену фильтрующих элементов тонкой очистки топлива. Рабочий ресурс двигателя рассчитан на 350 000 км.
Читайте также:
Оцените автора
План
Введение Автомобиль ЗИЛ – 130 с базой 3800 мм предназначен для перевозки грузов по любым автомобильным дорогам в составе автопоезда, общая масса (вес) прицепа не должна превышать 8000 кг. Грузоподъемность автомобиля на всех автомобильных дорогах 5000 кг. На базе автомобиля ЗИЛ –130 завод выпускает следующие модификации:
Шасси ЗИЛ – 130 Б 2 с пневматическим выводом на прицеп и тягово-сцепным устройством, предназначенное для оборудования сельскохозяйственного самосвала тягача ЗИЛ – ММЗ – 5541. Шасси ЗИЛ 130 Д1, предназначенное для оборудования самосвала ЗИЛ-ММЗ-5551, служащего для перевозки строительных и промышленных грузов (база 3300 мм), грузоподъемность самосвала 4500 кг. 2. Основная часть. 2.1. Назначение, устройства и принцип работы системы питания. Система питания ЗИЛ –130 предназначена для приготовления в определенной пропорции из топлива и воздуха горючей смеси, подачи ее в цилиндры двигателя и отвода из них отработавших газов. В систему питания двигателя ЗИЛ 130 входят топливный бак, топливо проводы от бака к фильтру отстойнику и к топливному насосу, карбюратор, воздушный фильтр, приемные трубы, глушитель. Во время работы двигателя топливо из бака после очистки в фильтре отстойнике насосом подается к карбюратору. Топливные баки. На многих автобусах устанавливаются топливные баки грузовых автомобилей: на автобусах ЗИШ — 158В, ЛАЗ — 695М и ЛАЗ — 697М — бак автомобиля ЗИЛ — 164, на автобусе ПАЗ — 672 — автомобиля ГАЗ — 51А. В отдельных случаях в конструкцию бака вносятся небольшие изменения, связанные с особенностями его размещения на автобусе. Как и у других автомобилей топливные баки автобусов снабжены датчиком электрического указателя уровня топлива, паровым и воздушным клапанами в пробке заливной горловины и сливным отверстием с резьбовой пробкой. Топливные и воздушные фильтры. В системе питания двигателя автобусов ЗИЛ — 158В, ПАЗ-672, ЛАЗ-697 и ЛиАЗ-677 имеются следующие топливные фильтры: сетчатые фильтры в заливной горловине топливного бака, в топливном насосе и во входном канале поплавковой камеры карбюратора; фильтр-отстойник с пластинчатым фильтрующим элементом, установленный между баком и топливным насосом; тонкой очистки топлива с керамическим или сетчатым фильтрующим элементом, помещенный пред карбюратором (у автобуса ЗИЛ-158В этот фильтр отсутствует). Воздушный фильтр инерционно-масляного типа, применяемые для автобусов, устроены так же, как у грузовых автомобилей. Топливные насосы. Устройство топливного насоса. Основными частями насоса являются: корпус, клапанная головка и крышка, соединенные между собой винтами; диафрагма, зажатая между корпусом и клапанной головкой; шток и пружина диафрагмы; качающийся двуплечий рычаг (коромысло), установленный в корпусе на оси; три впускных и три выпускных пластинчатых клапана с направляющими стержнями и пружинами, прижимающими клапаны к их седлам; сетчатый фильтр, рычаг ручной подкачки. Насос установлен на колонке в верхней передней части двигателя. Двуплечий рычаг насоса пропущен через отверстие в стенке колонки и постоянно прижат пружиной к верхнему концу штанги привода насоса, нижний конец которой опирается на поверхность эксцентрика распределительного вала двигателя. Когда выступ эксцентрика распределительного вала нажимает на штангу, наружное плечо рычага поднимается, рычаг поворачивается на своей оси и его внутреннее плечо, действуя через шток оттягивает диафрагму вниз. После того как эксцентрик распределительного вала повернется и штанга прекратит давление на двуплечий рычаг, пружина возвращает диафрагму в верхнее положение. Во время хода диафрагмы вниз происходит всасывание топлива из бака в рабочую камеру насоса, во время хода вверх — нагнетание его в карбюратор. Когда уровень топлива в поплавковой камере карбюратора достигает предельной величины, насос прекращает дальнейшую подачу топлива, так как пружина диафрагмы, рассчитанная на определенное давление, не в состоянии преодолеть сопротивление, оказываемое закрытым игольчатым клапаном поплавковой камеры. При этом диафрагма и ее шток остаются в нижнем положении, а штанга привода и двуплечий рычаг насоса, имеющий возможность свободно скользить по нижнему концу штока диафрагмы, совершают движения вхолостую. Рычаг ручной подкачки позволяет приводить в движение диафрагму насоса и наполнять поплавковую камеру карбюратора, не поворачивая коленчатый вал двигателя. Принцип действия и устройство насосов Б-9 и Б9Б такие же, как у насоса Б-10, но они имеют не шесть клапанов, а три (два впускных и один выпускной) и несколько меньшую производительность (140 л/ч). В отличие от насосов Б-9 и Б-10 насос Б-9Б рядного двигателя автобуса ЗИШ-158 крепится к верхней части картера двигателя сбоку и приводится в действие непосредственно эксцентриком распределительного вала без помощи толкающей штанги. Карбюратор К-88А двигателя ЗИЛ-130 имеет пусковое устройство, систему холостого хода, главную дозирующую систему, ускорительный насос и экономайзер с механическим приводом. Благодаря тому, что карбюратор двухкамерный, т.е. имеет две смесительные камеры, в нем создаются лучшие, чем в однокамерных карбюраторах, условия образования горючей смеси и наполнения цилиндров двигателя, а также более равномерное распределение смеси по цилиндрам. В каждой из камер, работающих одновременно и параллельно на всех режимах, происходит приготовление смеси для четырех (из восьми) цилиндров двигателя. В обеих камерах имеются свои диффузоры, система холостого хода, главная дозирующая система, распылитель ускорительного насоса и дроссель (дроссели обеих смесительных камер жестко закреплены на одном общем валике). Входной патрубок с воздушной заслонкой, поплавковая камера, ускорительный насос, экономайзер и ограничитель числа оборотов коленчатого вала двигателя являются общими для обеих смесительных камер. Разъемный корпус карбюратора состоит из верхней, средней и нижней частей, скрепленных между собой винтами. Топливо в поплавковую камеру карбюратора поступает через сетчатый фильтр. Уровень топлива поддерживается игольчатым клапаном и латунным поплавком, под рычагом которого установлены пружина. Поплавковая камера сообщена с воздушным патрубком балансировочным каналом и трубкой. Смесительные камеры представляют собой вертикальные каналы, в корпусе карбюратора. Верхняя часть обеих камер сообщается с общим воздушным патрубком, диффузоры, в нижней части — дроссели. Привод управления карбюратором. Для управления дросселями карбюратора служит педаль, соединенная с рычагом валика дросселей системой тяг и рычагов, и ручной тросовый привод. Управление воздушной заслонкой осуществляется тросовым приводом. У автобуса ПАЗ-672 рукоятки (кнопки) тросов ручного управления дросселями и воздушной заслонкой карбюратора выведены в кабину водителя. У автобусов ЛАЗ-695Е и ЛАЗ-697Е в мотоотсек. Впускной и выпускной трубопроводы. Впускной трубопровод представляет собой отливку сложной формы, имеющую несколько патрубков с фланцами крепления к головке или (при нижнем расположении клапанов) блоку цилиндров и для присоединения карбюратора. Впускной трубопровод двигателя ЗИЛ-158В отлит из чугуна совместно с выпускным трубопроводом и крепится вместе с ним к блоку цилиндров с правой стороны двигателя. У Выпускные трубопроводы отливают из чугуна. Они имеют патрубки с фланцами для присоединения к выпускным окнам головки или блока цилиндров и трубе, отводящей отработавшие газы в глушитель. Двигатели ЗМЗ-672, ЗИЛ-130 и ЗИЛ-375 имеют для каждого ряда цилиндров отдельный выпускной трубопровод, прикрепленный к головке соответствующего ряда цилиндров с наружной стороны. Глушитель шума выпуска. Глушитель представляет собой тонкостенную сварную коробку из листовой стали, внутри которой проходит труба с отверстиями и установлены перегородки, разделяющие полость глушителя на несколько камер. Действие глушителя основано на том, что в нем происходит постепенное расширение, уменьшение скорости и ослабление пульсации струи отработавших газов перед их выпуском в атмосферу. 2.2. Техническое обслуживание системы питания. Имеет основной целью обеспечить надежную подачу в цилиндры двигателя необходимого количества горючей смеси ножного состава и высокого качества. Техническое обслуживание подразделяется на три категории: Ежедневное обслуживание. Проверить внешним осмотром состояния приборов системы питания, герметичность соединений, действие привода управления заслонками карбюратора и заправить топливом бак автомобиля. Т.О. 1 Промыть и заправить маслом воздушный фильтр. Слить отстой из корпуса магистрального фильтра отстойника. Очистить снаружи карбюратор, топливный насос и топливный фильтр. Проверить крепление карбюратора, воздушного фильтра, топливного насоса, опор валика привода дросселя и смазать опоры валика. Т.О. 2 Очистить и промыть топливные фильтры и карбюратор. Проверить крепление бака, фильтра-отстойника и всех топливо проводов. Проверить топливный насос на создаваемое давление, проверить и отрегулировать уровень топлива в поплавковой камере карбюратора, привод управления его заслонки и сам карбюратор (на малые обороты холостого хода). С переходом от весенне-летнего к осенне-зимнему периоду или наоборот, при втором техническом обслуживании, выполнить дополнительные работы: промыть топливный бак и все топливо проводы, отрегулировать ход поршня ускорительного насоса; проверить пропускную способность жиклеров карбюратора. 2.3. Основные неисправности системы питания, и их причины, и способы устранения.
3.1. Правила техники безопасности при техническом обслуживании и ремонте автомобилей. Посты для обслуживания и ремонта автомобилей следует содержать в надлежащем порядке, проходы должны быть свободными, полы — сухими и чистыми. Канавы и эстакады (на участках, не связанных с необходимостью свободного доступа к обслуживаемым автомобилям), а также движущиеся части средств механизации технического обслуживания должны иметь ограждения. Поточные линии технического обслуживания с механизированным перемещением автомобилей должны быть оборудованы сигнализацией для предупреждения рабочих о начале перемещения автомобилей с поста на пост. При установке автомобиля на пост необходимо надежно затормозить его ручным тормозом или подложить упоры под колеса, а на рулевое колесо вывесить табличку с надписью «Двигатель не пускать — работают люди». Перед съездом с поста следует убедиться в том, что под автомобилем нет людей, а также мешающих движению инструментов и предметов. Обслуживать и ремонтировать автомобиль с работающим двигателем запрещается, кроме случаев регулировки двигателя и тормозов. Выполнять работы под частично или полностью вывешенным автомобилем можно только после установки под его поднятую часть прочных козелков или специальных подставок, а под колеса, стоящие на полу, упоров. Находясь под автомобилем, следует остерегаться подтекания электролита и топлива. Нельзя курить и зажигать огонь под автомобилем. При поднятом кузове автомобиля-самосвала разрешается работать только после установки под кузов прочных металлических упоров. Для подъема автомобиля или агрегатов разрешается использовать только вполне исправные подъемные механизмы соответствующей грузоподъемности — домкраты, тали, краны, подъемники, снабженные специальными захватами. При применении электродрелей и других электроинструментов и приспособлений необходимо выполнять указания инструкций по пользованию ими, в частности, заземлять корпус инструмента. Разрешается использовать переносные лампы с напряжением не свыше 36 в, а при работе в канаве — не свыше 12 в. При работе с аккумуляторными батареями необходимо соблюдать следующие правила:
При накачивании воздухом в шины, демонтаже и монтаже шин необходимо соблюдать следующие правила:
Во время проверки автомобиля на ходу механик, производящий проверку, должен находиться в кабине, а не на подножке. 4. Используемая литература. Автомобиль ЗИЛ – 130 и его модификации. О. Д. Горчакова, Н. Р. Демкина, Л. Я. Шабашова. 1975 г. Устройство автомобиля. Е. В. Михайловский, К. Б. Серебряков, Е. Я. Тур. 1985 г. Автомобиль первого класса. В. М. Кленников, Н. М. |
Устройство и принцип действия системы питания ГАЗ, ЗИЛ — Студопедия
Поделись
Содержание
Введение
Устройство и принцип действия системы питания карбюраторного двигателя ГАЗ, ЗИЛ
Диагностика системы питания карбюраторного двигателя ГАЗ, ЗИЛ
ТО системы питания карбюраторного двигателя ГАЗ, ЗИЛ
Основные неисправности системы питания карбюраторного двигателя ГАЗ, ЗИЛ
Ремонт системы питаниякарбюраторного двигателя ГАЗ, ЗИЛ
Требования безопасности. При техническом обслуживании и ремонте автомобилей
Список используемой литературы
Введение
По проходимости автомобили делятся на три группы: обычной (дорожной), повышенной и высокой проходимости. Первые из них (ЗИЛ-130) используются главным образом на дорогах.
Повышенной проходимости — ГАЗ-66 и ЗИЛ-131 — могут двигаться по дорогам и участкам местности вне дорог.
Двигателем называется машина, в которой тот или иной вид энергии преобразуется в механическую работу. Двигатели, в которых тепловая энергия преобразуется в механическую работу, являются тепловыми.
Тепловая энергия получается при сжигании какого-либо топлива. Двигатель, в котором топливо сгорает непосредственно внутри цилиндра и энергия образующихся при этом газов воспринимается движущимся в цилиндре поршнем, называется поршневым двигателем внутреннего сгорания. Такие двигатели в основном и применяются на современных автомобилях.
Рассмотрим двигатель ЗиЛ-130:
Двигатель состоит из механизм и систем обеспечивающих его работу:
-кривошитно-шатунный механизм,
-газораспределительный механизм,
-система охлаждения,
-система смазки,
-система питания.
В данной работе рассматривается система питания карбюраторного двигателя ЗИЛ.
Назначение
Все двигатели, работающие на бензине, имеют принципиально одну и ту же систему питания и работают на горючей смеси, состоящей из паров топлива и воздуха. В систему питания входят приборы, предназначенные для хранения, очистки и подачи топлива, приборы очистки воздуха и прибор, служащий для приготовления горючей смеси из паров топлива и воздуха.
Система питания карбюраторных двигателей состоит из топливного бака, отстойника , топливного насоса , карбюратора , воздухоочистителя и впускного трубопровода .
Топливо помещается в топливном баке, вместимость которого достаточна для работы автомобиля в течение одной смены. Топливный бак грузового автомобиля расположен сбоку автомобиля на раме.
Из топливного бака топливо поступает к топливным фильтрам-отстойникам, в которых от топлива отделяются механические примеси и вода. Фильтр-отстойник расположен на раме у топливного бака. Подачу топлива из бака через фильтр тонкой очистки к карбюратору осуществляет топливный насос, расположенный на картере двигателя» между рядами цилиндров сверху двигателя .
Приготовление необходимой горючей смеси из топлива и воздуха происходит в карбюраторе, установленном сверху двигателя на впускном трубопроводе. Воздух, поступающий для приготовления горючей смеси в карбюратор, проходит очистку от пыли в воздушном фильтре, расположенном непосредственно на карбюраторе или сбоку двигателя. В этом случае воздушный фильтр соединен с карбюратором патрубком.
Все приборы подачи топлива соединены между собой металлическими трубками — топливопроводами, которые крепятся к раме или кузову автомобиля, а в местах перехода от рамы или кузова к двигателю — шлангами из специальных сортов бензо-стойкой резины.
Карбюратор соединен с впускными каналами головки цилиндров двигателя при помощи впускного трубо-провода, а выпускные каналы соединены с выпускным трубопроводом, последний при помощи трубы соединен с глушителем шума выпуска отработавших газов.
Чтобы предотвратить возможность работы двигателя с чрезмерно большой частотой вращения коленчатого вала, в систему питания грузовых автомобилей включен ограничитель частоты вращения коленчатого вала.
Карбюратор К-88АМ двигателя ЗИЛ-130 имеет две смесительные камеры, каждая из которых обслуживает четыре цилиндра. При работе двигателя на средних нагрузках топливо из поплавковой камеры поступает через главные жиклеры, а затем через жиклеры полной мощности в эмульсионные каналы . В этих каналах к топливу подмешивается воздух, поступающий из воздушных жиклеров и жиклеров системы холостого хода. Образовавшаяся эмульсия попадает в смесительные камеры через кольцевые щели малых диффузоров. Поддержание постоянного состава обедненной смеси происходит за счет торможения топлива воздухом.
2.Устройство и принцип действия системы питания карбюраторного двигателя ГАЗ, ЗИЛ.
Устройство и принцип действия системы питания ГАЗ, ЗИЛ
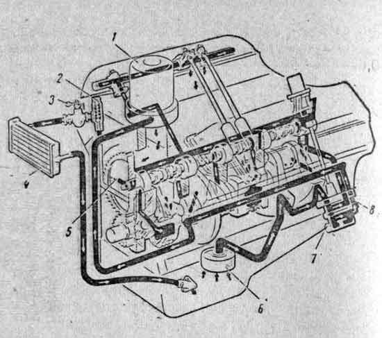
Система питания карбюраторного двигателя (рис.47) состоит из топливного бака 10, топливного фильтра-отстойника 12, топливного насоса 1, фильтра тонкой очистки топлива 4, карбюратора 3, воздушного фильтра 2, впускного трубопровода, выпускного трубопровода 15, газоотводящей трубы 14 с глушителем шума выпуска отработанных газов 13, соединительных трубопроводов и бензостойких шлангов 8, топливозаборного крана 11; указателя уровня топлива в топливном баке 9, педали управления дроссельной заслонкой 7, кнопки управления воздушной 5 и дроссельной 6 заслонками карбюратора.
Рис.47. Система питания карбюраторного двигателя.
При работе двигателя топливо из топливного бака принудительно с помощью топливного насоса подается в поплавковую камеру карбюратора, предварительно очистившись в фильтре-отстойнике и фильтре тонкой очистки. Одновременно в карбюратор поступает воздух, предварительно очищенный в воздушном фильтре. В карбюраторе топливо смешивается с воздухом в заданной пропорции и образуется горючая смесь, которая по впускному трубопроводу поступает в цилиндры двигателя, где сжимается, воспламеняется и сгорает, выделяя тепловую энергию, которая с помощью механизмов и систем преобразуется в механическую и в виде крутящего момента передается на колеса автомобиля, приводя его в движение. Отработавшие газы по выпускному трубопроводу отводятся в атмосферу.
Рекомендованные масла для двигателя зил 130.
Сколько литров масла в двигателе зил бычок
Дизельные двигатели грузовых автомобилей и тракторов. Запасные части, регулировки и ремонт.
Дизельный двигатель MMZ D-245
Дизельный двигатель (дизельный двигатель) D-245 MMZ и его модификации, установленные на автомобилях ZIL-5301 Bull, GAZ-3309, MAZ-4370 Zubrenok, представляют собой четырехтактный поршневой четырехцилиндровый двигатель внутреннего сгорания с вертикальным расположением цилиндров в вертикальном положении, прямого впрыска дизельного топлива и воспламенения от сжатия.
Основными монтажными единицами дизельного двигателя являются: блок цилиндров, головка цилиндров, поршни, шатуны, коленчатый вал и маховик. Для обеспечения высоких технических и экономических характеристик двигателя в системе впуска используется турбонагнетатель с промежуточным охлаждением зарядового воздуха.
Использование турбокомпрессора с переменным давлением наддува в воздуходувке позволяет улучшить ускорение на дизельном двигателе с повышенными значениями крутящего момента при низких оборотах двигателя и высоким уровнем соответствия требованиям по содержанию вредных выбросов в выхлопных газов.
Устройство и запасные части двигателя Д-245 автомобилей ЗИЛ-5301 Бычок, ГАЗ-3309, МАЗ-4370 Зубренок
Читайте так же
Технические параметры и эксплуатационные характеристики дизельного двигателя D-245
Производитель. ММЗ (Минский моторный завод)
Тип. 4 такта, встроенный с турбонаддувом
Количество цилиндров, шт. 4
Пропало давление
масла
в двигателе
зил 5301 бычок
расскажу об обротах и тахографе.
ЗИЛ БЫЧОК ОБ ОБОРОТАХ МОТОРА И ТАХОГРАФ НА ТРАССЕ
Бычек сломался далеко от дома и пришлось вести туда другой двигатель
на четырке в прицепе и менять его там.
Метод смешивания. Прямой впрыск топлива
Степень сжатия (рассчитанная) составляет 15,1 ± 1
Диаметр цилиндра, мм. 110
Ход поршня, мм. 125
Рабочий объем, л. 4,75
Порядок работы. 1-3-4-2
Система охлаждения. жидкая
Номинальная скорость, об / мин. 2200
Номинальная мощность, кВт. 77 4
Максимальный крутящий момент, Нм.
385,5
Удельный расход топлива, г / кВтч. 236
Зазор между впускным клапаном и качалкой на холодном дизеле, мм. 0,25. 0,30
Система питания дизельного двигателя D-245
Топливный насос
Тип: четырехполюсный, в линию, с насосным насосом 4UTNI-T
Регулятор: механический центробежный, полностью режим, прямое действие, с автоматическим увеличением подачи топлива при запуске дизеля.
Начальное давление впрыска топлива составляет 21,6 0,8 МПа (220 8 кгс / см2)
Сопла: ФДМ-22 17.1112010-01
Читайте так же
Воздухоочиститель
Комбинированный: моноциклон (сухая центробежная очистка) и воздухоочиститель с масляной баней
Турбокомпрессор: центростремительная радиальная турбина на одном валу с центробежным компрессором.
Тип: Жидкость, закрытая с принудительной циркуляцией жидкости, контроль температуры с помощью термостата и затвора радиатора, управляемый с места оператора.
Нормальная рабочая температура составляет от 80 ° C до 95 ° C.
Емкость системы охлаждения 19 литров
. Охлаждающая жидкость ОЖ-40; OJ-65; Tosol A40M; Tosol A65M.
Тип: комбинированный, с жидкотопливным теплообменником (LMT).
Очистка масла: центробежный масляный фильтр и предварительный масляный фильтр.
Минимальное давление масла
: 0,08 МПа (0,8 кгс / см2) при 600 об / мин.
Рабочее давление 0,2. 0,3 МПа (2. 3 кгс / см2).
Максимальное давление на холодный дизель: до 0,6 МПа (6 кгс / см2).
Емкость системы смазки составляет 15 литров
.
Система запуска двигателя
Электростартерна, 24 В, номинальная мощность 4,0 кВт.
Генератор. переменный ток, номинальное напряжение 14 В, мощность 1150 Вт.
В настоящее время можно встретить огромное количество товара. Его можно подразделить не только по качеству, но и по стоимости. Стоит отметить, что это касается и автомобильного рынка. И это довольно естественно. Ведь каждый производитель хочет получить огромную прибыль с продаж и вложить меньшее количество денег.
Во времена СССР огромную популярность получил двигатель ЗИЛ 130, который отличался хорошей прочностью и долговечностью.
Многие водители говорили, что это попросту неубиваемый агрегат, который не требует большого внимания. Первое транспортное средство с двигателем ЗИЛ 130 вышло в начале 1962 года. Это был первый грузовой автомобиль, сошедший с конвейера Москвы.
Описание
Двигатель ЗИЛ 130 устанавливали на все грузовые транспортные автомобили как ЗИЛ 130, так и ЗИЛ 131. И в этом нет ничего удивительного. Ведь если посмотреть на конструкцию, то двигатель ЗИЛ 131 очень похож на стандартный двигатель ЗИЛ 130.
Данные агрегаты имели небольшую степень унификации. Если говорить просто, то силовой агрегат от Зил 130 немного уменьшили в объеме, до 6 литров, что позволило получить меньший расход топлива. Также силовой агрегат получил двухкамерную карбюраторную систему и специальный ограничитель оборотов.
К более мощному относится двигатель ЗИЛ 375, имеющий объем порядка семи литров.
В основном такую махину используют на Уральском автомобильном заводе. Благодаря этому удалось получить увеличенный радиус цилиндров и ход поршня.
Технические характеристики
Отдельного внимания заслуживают технические характеристики двигателя ЗИЛ 130.
| ПАРАМЕТР | ЗНАЧЕНИЕ |
|---|---|
| Модель | ЗИЛ 130 |
| Тип силового агрегата | Бензиновый, четырехтактный, карбюраторный |
| Мощность | 148 л.с. при 3000 об/мин (с ограничителем) |
| Количество цилиндров | 8 |
| Как располагаются цилиндры | Под углом в 90 градусов |
| Минимальный диаметр цилиндра и ход поршня | 100 миллиметров диаметр и 95 миллиметров ход поршня |
| Общий объем двигателя | 6 литров |
| Степень сжатия | Порядка 6,5 |
| Минимальная мощность при 3200 оборотах в минуту | 150 лошадиных сил или 110 Квт |
| Крутящий момент при 2000 оборотах | 401 Ньютонов на метр |
| Расход топлива двигателя ЗИЛ 130 | 313 грамм |
| Как работают цилиндры | 1 – 5 – 4 – 2 – 6 – 3 – 7 — 8 |
| Нумерация цилиндров: | Правые 1 – 2 – 3 — 4 |
| Левые 5 – 6 – 7 – 8 | |
| Общий вес двигателя | 640 килограмм |
| Толкатель двигателя ЗИЛ 130 | Изготовлен из качественной стали, имеет небольшую наплавку из чугуна, полностью механический |
| Газопроводы двигателя ЗИЛ 130 | Впускной изготовлен из сплава алюминия, имеет специальную полость для подогрева топливной смеси, располагается между головками блока |
| Выпускной изготавливается из качественного чугуна, располагается по одному с каждой стороны блока | |
| Масляный насос на двигатель ЗИЛ 130 | Имеет несколько секций; шестерня, располагается с правой стороны блока цилиндров, редукционный клапан имеет давление 320 кПа. В нижней секции подается масло в масляный радиатор, перепускной клапан имеет давление 120 кПа. |
| Фильтры очистки на двигатель ЗИЛ 130 | |
| Тонкая очистка | Керамические фильтрующие элементы, оснащен экономайзером и насосом |
| отстойник | Располагается на кронштейне, имеет щелевой тип |
| Радиатор | Имеет три ряда, тип змейковый |
Мотор устанавливается на следующие модели автомобилей: ЗИЛ 130, 131, 375 и 508.
Также хочется отметить, что двигатель ЗИЛ 508 имеет три компрессионных и одно маслосъёмное кольцо. Отдельного внимания заслуживает термостат двигателя ЗИЛ 508. Он имеет твердое наполнение и устанавливается в выпускном патрубке. В основе ЗИЛ 131 лежит жидкость, полностью закрытый тип с принудительной циркуляцией.
Если говорить про поршневой палец, то у двигателя ЗИЛ 375 он изготовлен из стали, полностью пустотелый и плавающий. Это относится к некой особенности автомобиля.
Маховик на двигатель ЗИЛ 375 изготовлен из качественного чугуна, оснащен стальным венцом для пуска силового агрегата от стартера. Говоря о системе питания двигателя ЗИЛ 375, то в ней присутствует принцип принудительной подачи порции топлива.
Конструкция
Если посмотреть на устройство мотора, то в основе лежит четырехтактный восьмицилиндровый агрегат, имеющий карбюраторную систему с постоянной подачей топлива.
К небольшой особенности относится V – Образное расположение цилиндров. За счет этого удается получить очень высокую мощность и небольшой вес двигателя.
Все поршни и цилиндры приводятся в движение одним коленчатым валом.
Также силовой агрегат имеет жидкостную систему охлаждения, что очень удобно. Автовладелец сможет передвигаться в любую погоду.
Система смазки имеет комбинированную систему: под высоким давлением и разбрызгивание. Благодаря этому все детали двигателя ЗИЛ 130 получат свою порцию масла и не будут выходить из строя.
Система питания двигателя ЗИЛ 375 и 130 очень похожи.
У них топливо подается принудительно и постоянно, что очень здорово. За счет этого силовой агрегат будет работать без перерыва.
Модификации
Отдельно хочется рассказать про некоторые модификации двигателя ЗИЛ 130. Дело в том, что в Советское время стремились сконструировать такое транспортное средство, которое прослужит долгий период времени.
- Первые автомобили были оснащены простым карбюраторным мотором с V – образным расположением цилиндров. Такая система имела объем двигателя 5 200 кубических сантиметров. Через некоторое время все убедились, что технически не получается развить того потенциала, который требуется.
- Из-за этого конструкторы изготовили тот же V – образный агрегат, но с восемью цилиндрами. За счет этого удалось повысить мощность до 150 лошадиных сил, что очень хорошо. Таким потенциалом не могли похвастаться ни двигатель ЗИЛ 357, ни двигатель марки ЗИЛ 131.
- Следом конструкторы выпустили совершенно новый по устройству мотор, который позволял разгоняться до 90 километров в час.
К главной особенности можно отнести четырехтактный цикл и верхнее расположение клапанов.
Обслуживание
В данном разделе стоит поговорить про замену масла. Проделать данный процесс очень легко.
Для этого следует:
- Вывернуть сливную пробку;
- Открутить пробку масляного фильтра и слить масло;
- Отвернуть гайку и снять крышку масляного фильтра;
- Снять металлический и резиновый уплотнитель;
- Вынуть масляный фильтр и снять стержень;
- Менять фильтр следует в обратной последовательности;
- Заливаем масло и даем силовому агрегату поработать в течение 5 минут;
- Проверить уровень масла с помощью щупа и при необходимости долить.
Неисправности
Тюнинг
Проделывать тюнинг двигателя ЗИЛ 130 не очень сложно. Для этого понадобится инструмент и терпение.
Если вы хотите получить большую мощность, то установите агрегат Mopar 5.2, имеющий 500 лошадиных сил. Этого будет достаточно, чтобы передвигаться не только в городе, но и по бездорожью.
Что касается выхлопной системы, то тут можно установить несколько труб диаметром 63 миллиметра. За счет этого отработавшие газы будут выходить намного быстрей. Также удается получить более низкий звук.
Двигатель ЗИЛ 131, как и 130 можно переоборудовать в довольно интересный дизельный вариант:
- Первым делом, это позволит намного уменьшить расход топлива, до 20 литров на 100 километров пути. Согласитесь, это очень хорошо, когда ваше транспортное средство потребляет меньше топлива.
- Также это позволит сэкономить огромное количество денежных средств. Вы знаете, что дизельное топливо намного дешевле бензинового. И это не случайно, так как получить дизельное топливо намного проще, чем стандартное бензиновое. Извлекать силовой агрегат нужно очень аккуратно, лучше с напарником. Дело в том, что агрегат очень тяжелый, одному можно не справиться. К тому же возможно повредить детали, что привлечет к вложению денег.
- Следующим этапом идет сварка кронштейнов и усилий.
Это нужно для того, чтобы новый агрегат подошел по размеру. Ведь если этого не соблюсти, то вы не получите хорошего результата. Новый силовой агрегат, переоборудованный в дизельный, устанавливается на подготовленное место. - Далее следует доработка выхлопной системы. Также не стоит забывать о прокачке системы питания, чтобы лишний воздух удалялся из силового агрегата.
На этом тюнинг заканчивается. В результате повышается мощность, уменьшается расход топлива, и вы получаете то, что хотели.
Двигатель ЗИЛ 130 (508) устанавливался на грузовые автомобили ЗИЛ-130 и ЗИЛ-131. Конструкция двигателя ЗИЛ 130 имела много общих черт с двигателем представительской модели ЗИЛ-111, но в целом модели двигателей имели малую степень унификации. Двигателю уменьшили объем до 6 литров, установили двухкамерный карбюратор и снабдили ограничителем оборотов. Семилитровые двигатели носят название ЗИЛ-375 и используются на грузовых автомобилях Уральского автомобильного завода. Увеличение объема достигнуто за счет увеличения радиуса цилиндров до 108мм, ход поршня 95 мм при этом сохранился.
Характеристики двигателя ЗИЛ 130
| Параметр | Значение |
|---|---|
| Конфигурация | V |
| Число цилиндров | 8 |
| Объем, л | 6,0 |
| Диаметр цилиндра, мм | 100 |
| Ход поршня, мм | 95 |
| Степень сжатия | 6,5 |
| Число клапанов на цилиндр | 2 (1-впуск; 1-выпуск) |
| Газораспределительный механизм | OHV |
| Порядок работы цилиндров | 1-5-4-2-6-3-7-8 |
| Номинальная мощность двигателя / при частоте вращения коленчатого вала | 110,4 кВт — (150 л.с.) / 3200 об/мин |
| Максимальный крутящий момент / при частоте вращения коленчатого вала | 401,8 Н м / 1800-2000 об/мин |
| Система питания | Карбюраторная подача топлива, карбюратор К-88А, двухкамерный, с ускорительным насосом и экономайзером |
| Рекомендованное минимальное октановое число бензина | 76 |
| Экологические нормы | Евро 0 |
| Вес, кг | 440 |
Конструкция
Четырехтактный восьмицилиндровый бензиновый с карбюраторной системой подачи топлива, V-образным (с двухрядным расположением) расположением цилиндров и поршнями (угол между рядами цилиндров равен — 90°), вращающими один общий коленчатый вал, с нижним расположением одного распределительного вала.
Двигатель имеет жидкостную систему охлаждения закрытого типа с принудительной циркуляцией. Система смазки комбинированная: под давлением и разбрызгиванием.
Блок цилиндров
Блок цилиндров ЗИЛ 130 отлит из чугуна, с несущей водяной рубашкой и вставными мокрыми гильзами. Для увеличения жесткости водная рубашка разделена перегородками на замкнутые силовые контуры. Гильзы цилиндров отлиты из чугуна СЧ18-36 с ограниченным до 5% содержанием феррита. В верхнюю часть гильзы запрессована на 50 мм вставка из коррозионностойкого аустенитного чугуна (это обеспечивает ресурс гильз до 200 тыс. км). Толщина гильзы 7,5 мм, высота гильзы — 188,5 мм. Распределительный вал установлен в блоке цилиндров.
Коленчатый вал
Коленчатый вал ЗИЛ 130 стальной (сталь 45),кованный, четырехколенный, пятиопорный. Шатунные и коренные шейки закалены. Коленчатый вал выполнен по крестообразной схеме для лучшего уравновешивания двигателя.
Поршень
Поршни отлит из алюминиевого сплава и покрыт оловом, для ускорения приработки юбки поршня к цилиндру.
Ось поршневого пальца смещена на 1,6 мм от оси поршня.
| Параметр | Значение |
|---|---|
| Диаметр, мм | 100,0 – 100,06 |
| Компрессионная высота, мм | 62,5 |
| Вес, г | 782 — 822 |
Поршневые пальцы стальные, плавающие, пустотелые. Наружный диаметр пальца – 28 мм, внутренний – 19 мм. Длина поршневого пальца – 82 мм.
Головка блока цилиндров
Головка блока цилиндров ЗИЛ 130 отлиты из алюминиевого сплава АЛ4. Камера сгорания – овально-клинового исполнения, что обеспечивает высокую антидетонационную стойкость. Впускные каналы сдвоенные, это дает возможность создать каналы во впускной трубе, идентичные по форме и длине. В головке имеются 17 отверстий под болты для крепления её к блоку цилиндров, 4 болта проходят через ось коромысел.
Впускной и выпускной клапаны
Выпускной клапан изготовлен из стали ЭИ992, полый, в нутрии полости находится 1,85 г металлического натрия, рабочий участок штока клапана покрыт хромом.
Впускной клапан изготовлен из стали ЭИ107. Диаметр тарелки впускного клапана 50,5 мм, выпускного – 41 мм. Диаметр стержня клапанов 11 мм, а длина у обоих – 140 мм.
Обслуживание
Замену моторного масла в двигателе ЗИЛ-130
производят с интервалом 6000 – 10000 км в зависимости от условий эксплуатации. Объем масла в двигателе ЗИЛ-130 составляет 9 литров.
Какое масло лить? Для двигателей было рекомендовано применять моторные масла всесезонно до минус 30°С — масла М-6/10В (ДВ-АСЗп-ЮВ) и М-8В, при ниже минус 30°С масло АСЗп-6 (М-4/6В,). По классификации SAE можно использовать круглый год полусинтетические моторные масла SAE 10W-40. В регионах с температурами ниже -25°С, можно залить синтетику SAE 5W-40, 0W-30. Так же допускается при жарком климате использовать минеральное масло 15W-40.
Cистема охлаждения двигателя
автомобиля ЗИЛ-130 вмещает в себя 28 литров охлаждающей жидкости. Раз в 40000 — 50000 км рекомендуется промывать систему охлаждения.
Свечи зажигания
— А-11 или А-11В.
Величина зазора между электродами в летний период 0,8 — 0,95 мм, в зимний период рекомендуется уменьшить зазор до 0,6-0,7 мм.
63
64
65
66
67
68
69
..
РАСХОД МАСЛА ДВИГАТЕЛЯ ЗИЛ-130
На рис. 63 показана построенная по осредненным данным зависимость
количества масла, протекающего через двигатель ЗИЛ-130, от зазора в
коренных подшипниках. При изменении зазора от 0,05 до 0,105 мм (допуск
на изготовление деталей) расход масла через двигатель может увеличиться
в 2 раза (с 4,5 до 9 л/мин).
Предельный зазор в коренных подшипниках изношенного двигателя ЗИЛ-130
достигает 0,17-0,20 мм, а расход масла 18- 19 л/мин при n = 1500 об/мин
и 33 — 36 л/мин при п = 3000 об/мин.
Увеличение зазоров в коренных и шатунных
подшипниках приводит к повышению количества масла, прокачиваемого через
двигатель. На первых двигателях ЗИЛ-130 нижний вкладыш коренного
подшипника не имел маслораспределителыюй канавки, и смазка к шатунному
подшипнику подавалась в течение одной половины оборота коленчатого вала,
поэтому увеличение зазоров в шатунных подшипниках приводило лишь к
незначительному повышению количества масла, прокачиваемого через
магистраль.
Так, при увеличении среднего зазора в шатунных подшипниках с
0,040 до 0,080 мм количество прокачиваемого масла возрастало на 25%.
Рис. 63.
При повышении температуры увеличивается количество
масла, прокачиваемого через подшипники двигателя и зазоры между
толкателями и их направляющими, вследствие уменьшения вязкости.
Зависимость этого количества масла от давления его перед подшипниками
(после масляных фильтров), частоты вращения коленчатого вала и
кинематической вязкости масла может быть представлена эмпирической
формулой (в л/мин)
Для нового двигателя ЗИЛ-130 постоянные в
зависимости от
Исходных зазоров в соединениях имеют следующие значения:
А = 9,3—9,7; В = 0,9-1,8; С = 0,5; D = 0,13—0,14.
Как уже отмечалось, для повышения несущей способности наиболее
нагруженных нижних вкладышей коренных подшипников последние на первых
двигателях ЗИЛ-130 не имели маслораспределительной канавки. При такой
конструкции вследствие большой относительной ширины вкладыша толщина
масляной пленки в подшипнике увеличивается и, как следствие, уменьшаются
потери на
трение и понижаются температуры вкладыша и вала.
Эти несомненные
преимущества при длительной эксплуатации двигателя исчезают. В
подшипники вместе с маслом попадает некоторое количество загрязнений,
которые циркулируют в кольцевой масляной канавке коренного подшипника до
тех пор, пока не будут выброшены через зоны стыка вкладыша (так
называемые холодильники) или через ненагруженные участки подшипника, в
которых зазор больше. Если нижний вкладыш не имеет
маслораспределительной канавки, то частицы загрязнений из канавки
верхнего вкладыша затягиваются в зазор между коленчатым валом и нижним
вкладышем, в результате чего на шейке вала появляются риски и царапины.
На нижнем вкладыше в зоне, соответствующей маслораспределительной
канавки на верхнем вкладыше, частицы загрязнений прорезают канавку. Уже
после пробега автомобилем 30-40 тыс. км глубина этой канавки достигает
0,1-0,2 мм, и несущая способность вкладыша заметно уменьшается.
В нормальных условиях эксплуатации автомобиля и двигателя описанная
система смазки работала надежно.
Однако в некоторых специфических
условиях, например, при резком увеличении частоты вращения коленчатого
вала до 3500-4500 об/мин и холодном масле в картере, и особенно при
засоренной отложениями сетке маслоприемника, наблюдались отдельные
случаи за-диров или проворачивания шатунных вкладышей. При проведении
экспериментов с вкладышами с антифрикционным слоем из
высоко-оловянистого алюминия эти явления особенно заметны.
Для вкладышей этого типа были проведены опыты с непрерывной подачей
смазки к шатунным подшипникам.
Непрерывная подача масла осуществлялась по двум схемам. При схеме Б в
нижнем вкладыше коренных подшипников была сделана маслораспределительная
канавка, аналогичная канавке в верхнем вкладыше. При схеме А нижний
вкладыш не имел канавки, но в коренной шейке было сделано дополнительное
отверстие, которое позволило осуществить непрерывную подачу смазки к
шатуну от маслораспределительной канавки верхнего вкладыша. Применение
непрерывной подачи смазки к шатунным подшипникам значительно увеличило
количество масла, прокачиваемого через них.
Это количество масла
увеличилось почти в 2 раза. Ниже приведено количество масла,
прокачиваемого через двигатель (в л/мин) при различных схемах подвода
смазки (в числителе — при давлении масла 2,0-2,2 кгс/см2, в знаменателе-
при 2,9-
3,1 кгс/см2):
Схема А. ……….9-11/12-14
Схема Б…..11-13/15-17
Серийная схема……..4-6/7-9
Поскольку схема А отличается от серийной только
наличием дополнительного отверстия в коренной шейке, можно сделать
вывод, что количество прокачиваемого масла увеличивается лишь
за счет расходов масла через шатунные подшипники.
При непрерывной подаче смазки к шатунным подшипникам температура масла,
выходящего из этих подшипников, понижается. При частоте вращения 3200
об/мин и полностью открытой дроссельной заслонке температура масла в
двигателе ЗИЛ-130 уменьшается более чем на 25° С.
При непрерывной подаче смазки по схеме Б на нижпих вкладышах коренных
подшипников рисок и царапин образуется еще больше, чем при серийной
схеме, вследствие того, что центробежные силы, действующие в канале
коренной шейки, отбрасывают загрязнения, к нижнему вкладышу, где
скапливаются загрязнения, затягиваемые из маслораспределительной канавки
верхнего вкладыша.
Длительные эксплуатационные испытания двигателей ЗИЛ-130 с непрерывной
подачей смазки к шатунным подшипникам с помощью маслораспределительной
канавки на нижнем коренном вкладыше показали, что износ вкладышей и шеек
коленчатого вала при этом не увеличивается. В настоящее время все
двигатели ЗИЛ-130 имеют коренные подшипники с маслораспределительной
канавкой на обоих вкладышах.
Расход масла (угар) в двигателе ЗИЛ-130 складывается из расходов масла
через зазоры цилиндро-поршневой группы и зазоры между направляющими
втулками и стержнями впускных и выпускных клапанов. Угар масла у
обкатанного двигателя ЗИЛ-130 с чугунными маслосъемными кольцами
составляет 0,19-0,23 кг/ч. При этом расход масла через зазоры между
стержнями и направляющими втулками клапанов равен 0,06-0,07 кг/ч, или
25-37% общего расхода масла. По мере износа двигателя угар масла
увеличивается. После работы двигателя в течение 1000 ч общий расход
масла возрастает до 0,44-0,46 кг/ч, а расход масла через зазоры втулок —
до 0,16-0,19 кг/ч.
Для уменьшения расхода масла через эти зазоры на
стержни клапанов надевают защитные резиновые колпачки. Кроме того, на
верхнем конце направляющей втулки впускного клапана отверстие под
стержень выполнено с острой кромкой. Оба этих конструктивных мероприятия
позволяют уменьшить расход масла через зазоры между направляющими
втулками клапанов и их стержнями на 35-40%.
Угар масла в двигателе ЗИЛ-130 в значительной мере зависит от
конструкции маслосъемных колец. На основании данных сравнительных
испытаний чугунных и стальных пластинчатых хромированных маслосъемных
колец с осевым и тангенциальным расширителями было установлено, что
последние значительно лучше копируют неровности внутренней рабочей
поверхности цилиндра и регулируют толщину масляной пленки, а также
значительно снижают расходы масла.
Испытания двигателей, проведенные на пяти автомобилях ЗИЛ-130, показали,
что при чугунных маслосъемных кольцах
Двигатель ZIL 130
Краткое описание
Двигатель ZIL 130 (508) был установлен на грузовых автомобилях ZIL-130 и ZIL-131.
Конструкция двигателя ZIL 130 имела много общего с двигателем модели ZIL-111, но в целом модели двигателей имели низкую степень унификации. Двигатель был уменьшен до 6 литров
, установлен двухкамерный карбюратор и оснащен ограничителем скорости. Семилитровые двигатели называются ЗИЛ-375 и используются на грузовиках Уральского автомобильного завода. Увеличение объема было достигнуто за счет увеличения радиуса цилиндров до 108 мм, ход поршня 95 мм был сохранен.
Характеристики двигателя ZIL 130
дизайн
Четырехтактный восьмицилиндровый бензин с системой подачи топлива карбюратора, V-образный (с двухрядным расположением) расположение цилиндров и поршней (угол между рядами цилиндров составляет.90 °), вращающий один общий коленчатый вал, с нижнее положение одного распределительного вала. Двигатель имеет замкнутую жидкостную систему охлаждения с принудительной циркуляцией. Система смазки комбинируется: под давлением и распылением.
Цилиндрический блок
Блок цилиндров ZIL 130 отлит из чугуна, с водяной рубашкой-носителем и вставными влажными рукавами.
Для повышения жесткости водяной рубашки делится на перегородки на замкнутые силовые цепи. Цилиндрические вкладыши отлиты из чугуна СЧ18-36 с содержанием феррита, ограниченным до 5%. В верхнюю часть лайнера вставлена 50-миллиметровая вставка коррозионно-стойкого аустенитного чугуна (это обеспечивает срок службы рукавов до 200 тыс. Км). Толщина рукава составляет 7,5 мм, высота рукава. 188,5 мм. Распределительный вал установлен в блоке цилиндров.
коленчатый вал
Коленчатый вал ZIL 130 (сталь 45), кованый, четырехколесный, с пятью подшипниками. Соединительный стержень и шейка кривошипа закалены. Коленчатый вал выполнен на поперечной схеме для лучшей балансировки двигателя.
ЗИЛ 131 Замена масла ТО. Центрифуги
Первая замена масла
после покупки ЗИЛ 131
. Устраняем утечку масла
, проводим ТО, заменяем прокладку и ремкомпл.
ЗИЛ 130 серия 1 Олег Богинский и MPG Extra, добавка в масло
Приобрести MPG BOOST и всю продукцию компании FFI можно Авторынок г.
Рыбница бутик 33 Мой скайп batirov1 .
Вес был ЗИЛ 130. 53,75 кг, с маховиком. 77,917 кг, с муфтой и шкивом. 102,62 кг.
Шатун
Шатуны ZIL 130 изготовлены из стали 40P. В верхней части находится бронзовая втулка.
Поршень
Поршни отлиты из алюминиевого сплава
и покрыты оловом, чтобы ускорить добавление поршня к цилиндру. Ось поршневого пальца смещена на 1,6 мм от оси поршня.
Поршневые пальцы. стальные, плавающие, полые. Наружный диаметр пальца составляет 28 мм, внутренний диаметр. 19 мм. Длина поршневого пальца составляет 82 мм.
Крышка цилиндра
Головка блока цилиндров ZIL 130 отлита из алюминиевого сплава
AL4. Камера сгорания. вариант овального клина, обеспечивающий высокую устойчивость к ударам. Впускные каналы удваиваются, что позволяет создавать каналы во впускной трубе, которые идентичны по форме и длине. Головка имеет 17 отверстий для крепления к блоку цилиндров, 4 болта проходят через ось кронштейнов.
Впускной и выпускной клапаны
Выпускной клапан выполнен из стали EI992, полый, 1,85 г металлического натрия расположен в полости полости, рабочая секция штока клапана покрыта хромом.
Впускной клапан выполнен из стали EI107. Диаметр пластины впускного клапана составляет 50,5 мм, диаметр выпускного отверстия. 41 мм. Диаметр штока клапана составляет 11 мм, а длина обоих клапанов составляет 140 мм.
обслуживание
Замена моторного масла в двигателе ZIL-130
производить в интервале от 6000 до 10000 км в зависимости от условий эксплуатации. Объем масла в двигателе
ЗИЛ-130 составляет 9 литров. Какое масло налить? Для двигателей было рекомендовано использовать моторные масла в течение всего сезона до минус 30 ° C. масло М-6/10 В (DV-ASZp-SE) и М-8В при температуре ниже.30 ° С ASZp-6 (М-4 / 6V,). Согласно классификации SAE, полусинтетические моторные масла
SAE 10W-40 могут использоваться круглый год. В областях с температурой ниже.25 ° C возможно налить синтетический SAE 5W-40, 0W-30. В горячем климате также разрешено использовать минеральное масло 15W-40.
Система охлаждения двигателя
автомобиль ZIL-130 содержит 28 литров охлаждающей жидкости.
После 40 000. 50 000 км рекомендуется промывать систему охлаждения.
Свеча зажигания
. A-11 или A-11B. Зазор между электродами в летний период составляет 0,8. 0,95 мм, зимой рекомендуется уменьшить зазор до 0,6-0,7 мм.
рабочая лошадка Советской Армии
Родом из Москвы
В книге Евгения Кочнева «Автомобили Советской Армии 1946-1991 гг.» высказаны мысли о влиянии американских грузовиков РЭО М34 на конструкцию отечественных Представлен ЗИЛ-131. Даже если это так, то в СССР выбрали хороший вариант для подражания. Работы над американским автомобилем закончились в 1949 году, а через пару лет грузовик поступил в войска. Полноприводная трехосная М34, наряду с многочисленными модификациями, стала одной из самых распространенных машин в армии США и за непревзойденную надежность получила прозвище Eager Beaver, или «Совестливый». Внешний вид грузовика не отличался изяществом (как, впрочем, и у всех американских колесных машин), кабина была в целом открытой, зато коробка передач имела 5 ступеней с синхронизаторами, а верхнеклапанный 6-цилиндровый двигатель развивал вполне приличные 127 л.
из. Грузоподъемность М34 по грунтовым дорогам не превышала 2,5 т, а твердое покрытие под колесами позволяло загружать до 4,5 т.
«Американка» М34. Возможно, именно его мотивы были использованы при создании ЗИЛ-131
В СССР прямым предшественником 131 машины является не самый удачный ЗИС-151, который, в свою очередь, ведет историю от ленд-лизовского «Студебеккера». Помимо слабого двигателя и большой массы, важным недостатком грузовика была двускатная шина задних мостов. С одной стороны, этого требовали военные в погоне за большей грузоподъемностью, а с другой — сильно ограничивало возможности автомобиля по прохождению мягких грунтов и снежной целины. Когда в войсках появился легендарный ЗИЛ-157, к нему тоже были претензии по малой грузоподъемности и слабым тяговым возможностям — на роль артиллерийского тягача он не подходил. Именно для артиллерийских частей в середине 50-х годов начали разрабатывать ЗИС-128, имевшую, впрочем, много общего с ранее упомянутым «американцем» М34.
ЗИЛ-131 и аналоги
ЗИС-128 в тяговом исполнении для артиллерии
ЗИС-128 в транспортном исполнении
В первоначальном варианте машина называлась ЗИС-Э128В, но с первыми прототипами перестали на ЗИС-128. Этот автомобиль фактически не был продолжением линейки ЗИС-151, он отличался новой раздаточной коробкой, коробкой передач, системой централизованной подкачки шин и другими деталями. Грузовая платформа была опущена вниз для снижения центра тяжести и упрощения выгрузки/загрузки боекомплекта. История не сохранила для нас ни одного экземпляра той экспериментальной машины, но на фотографиях грузовики представлены как минимум с тремя кабинами, из которых только одна цельнометаллическая. Стоит помнить, что опытные ЗИС-128 появились практически одновременно с первыми «классическими» машинами ЗИЛ-157. Подобные парадоксы конструкторской работы в рамках одного завода объяснялись требованиями и придирчивостью основного заказчика в лице Минобороны. Был еще один аналог будущей 131 машины — ЗИЛ-165, который представлял собой сборную солянку из различных агрегатов, в частности, кабина была от 130.
По одной из версий, это была тесная кабина, а также слабая рядность 6-цилиндровый двигатель, что заставило военных отказаться от этой конструкции в 1957 год. В то время все уже знали, что для нового автомобиля требуется новый двигатель мощностью в полторы сотни лошадиных сил. Но он ушел.
ЗИЛ-165
Из-за голода в 1958 году военные упаковали опытный образец ЗИЛ-131Л (не путать с появившимся позже лесовозом ЗИЛ-131Л) с экспериментальным V-образным 6-цилиндровым двигателем мощностью 135 л вместимость. из. Автомобиль отличался стальной грузовой платформой с низкими бортами и коническими ободами.
Первые прототипы с индексом 131
Первые автомобили ЗИЛ-131 появились в конце 1956 года и сначала они были оснащены 6-цилиндровыми двигателями, которые впоследствии были заменены на V-образные «восьмерки». Предполагалось разработать машину в двух вариантах — ЗИЛ-131 для артиллерии и ЗИЛ-131А для транспортных нужд преимущественно мотострелковых войск.
ЗИЛ-131А
На самом деле ЗИЛ-131 изначально не планировался для широкого применения в сухопутных войсках — он готовил карьеру в основном артиллерийского тягача. В то время в армии имелся ЗИЛ-157 «Колун», который по большинству параметров устраивал военных. То есть машина 131 не должна была заменить какую-либо технику, а изначально была самостоятельной нишевой разработкой. Возможно, поэтому особой срочности с принятием машины на вооружение не было. ЗИЛ-157 кстати собирали до 1991 год, хотя в большей степени он был не для армии. Но нравы и стратегии Минобороны Советского Союза в те времена были изменчивы, и в результате ЗИЛ-131 из артиллерийского тягача превратился в многоцелевой грузовик.
Прототип ЗИЛ-131 на разных этапах испытаний
История покажет, что по количеству возможных вариантов использования трехосный вездеход из Москвы будет едва ли не самым массовым в Советской Армии. Всего в конце 50-х было построено шесть прототипов, в том числе транспортные, тяговые модели и даже один седельный тягач.
После предварительных испытаний к 19 году60 заводчане подарили военным серьезно доработанные грузовики. По сравнению с «Кливером» ЗИЛ-131 был экономичнее, брал больше груза, но несколько уступал по проходимости. В издании «Автолендс СССР» также упоминается, что военные выявили чрезмерную массу прототипов, недостаточный дорожный просвет и малую подвижность — не более 1,2 метра при требуемых полутора метрах. На ЗИЛе недостатки были исправлены к июлю 1960 года, но повторные испытания выявили склонность к заносу из-за неудачного рисунка протектора и неудовлетворительной работы межколесных самоблокирующихся дифференциалов. Устранив эти недостатки и модернизировав экранированное электрооборудование, военные специалисты оставили для дальнейшей работы единственную версию будущего грузовика в транспортном исполнении. От артиллерийского тягача было решено отказаться.
Экспериментальный вариант лобового стекла ЗИЛ-131. Плоское стекло позволяло быстро менять разбитые секции и, главное, в дальнейшем можно было подумать о бронировании
Еще одна версия ЗИЛ-131 с плоским стеклом и герметичной кабиной, 1983 год
Эрик Сабо — главный конструктор ЗИЛ
Поисковый макет будущего ЗИЛ-131.
В некоторых источниках пишут, что зиловцы не оставили оригинальную обшивку гражданской 130 в обмен на согласие военных с панорамным лобовым стеклом
В завершение первой части материала представляю, пожалуй, самый необычный ЗИЛ-131. Этот полукапотный автомобиль был разработан и собран на Черниговском заводе спецавтомобилей в начале 80-х годов. Основное назначение – сопровождение киноэкспедиций в дороге
Описанные прототипы ЗИЛ-131 уже тогда было трудно отличить от будущих серийных моделей. Присутствовали фирменные, угловатые крылья, защитная решетка головного освещения и деревянный решетчатый кузов. Трансмиссия отличалась относительной легкостью и простотой, имела средний проходной мост, что выгодно отличало ее от аналогичной конструкции ЗИЛ-157, в которой было уже пять карданов. Кроме того, кабина ЗИЛа 131 была более просторной, а давление в колесах регулировалось системой с внутренней подачей воздуха. Имея высокую унификацию с гражданским ЗИЛ-130, армейский грузовик отличался панорамным лобовым стеклом, что для военной техники было своего рода нонсенсом.
Сложности возникли как с заменой разбитого триплекса, так и с транспортировкой гнутого стекла. Удивительно, что, подвергая машину длительным и придирчивым испытаниям, военные специалисты слишком поздно осознали нецелесообразность гнутого панорамного стекла от ЗИЛ-130. 19от января 1959 г. инженер-полковник Г. А. Гетманов, участвовавший в испытаниях опытных образцов, писал главному инженеру ЗИЛа, что «применение панорамных окон на кабине, не давая никаких преимуществ, серьезно затрудняет вождение в темное время суток из-за появления сплошных бликов на стеклах от фар встречных автомобилей. От панорамного стекла не отказались, а лишь разделили его на две части.
Продолжение следует…
История марки ЗИЛ, модельный ряд с техническими характеристиками и фотографиями. Грузовики ЗИЛ Модель Ранды и Типы Шасси Краткое описание ЗИЛ новые модели легковых автомобилей
Завод, известный сегодня под названием ЗИЛ (завод имени Лихачева), был основан более ста лет назад, 2 августа 1916 года.
За этот век с конвейеров заводов сошло более 8 миллионов автомобилей. В модельный ряд ЗИЛ входят как легковые, так и грузовые автомобили, а также различные виды спецтехники. На сегодняшний день завод практически прекратил существование: больше не производится, выпуск легкового транспорта также практически сведен к минимуму. Тем не менее, это предприятие оставило очень яркий след в истории отечественного автомобилестроения.
Легенда автопрома — ЗИС 5 «Захар Иванович»
В 1933 году свет увидела ставшая впоследствии эпохальной для автозавода машина — знаменитая ЗИС 5 (распространенное прозвище «Захар Иванович», или даже просто » Захар»). Вплоть до 1948 года только на московском заводе ЗИЛ было выпущено более 500 тысяч экземпляров этого автомобиля, способного перевозить грузы массой до 3000 килограммов. В целом с учетом производственных мощностей заводов в Ульяновске (Ульзис, будущий УАЗ) и Миассе (Уралзис) выпуск релиза превысил миллион экземпляров.
Автомобиль получил массу изменений и доработок по сравнению с предыдущей моделью — АМО 3.
Грузоподъемность увеличена до трех тонн, мощность двигателя 5,6 л достигла 73 л. из. Грузовик оснащался механическими тормозами, причем на ряде модификаций, в первую очередь выпущенных в годы Великой Отечественной войны, тормоза устанавливались только на задние колеса. На базе ЗИС модели 5 уже много лет выпускают самые разные модификации ЗИЛ, в том числе автомобили с газогенератором и газовым баллоном, а также вариации ЗИС 11 и 12 с удлиненной базой.
В 1937 году на Московском заводе был прекращен выпуск первой опытной модели грузового транспорта нового поколения — ЗИС 150. Расчетный показатель грузоподъемности нового автомобиля составлял пять тонн при движении по хорошей дороге и 3,5 тонны – по бездорожью или грунтовке.
Отличительные черты нового грузовика.
Прототипы новой модели несколько раз выпускались до начала Великой Отечественной войны, но в серийное производство новый грузовик попал только в 1947. В первые послевоенные годы автомобили ЗИЛ 150 имели кабину, выполненную частично из дерева, так как с металлом в стране была огромная проблема.
Величина грузоподъемности снижена до четырех тонн, а вот мощность моторной установки объемом 5,6 литра увеличена до 90, а позже и до 95 лошадиных сил.
ЗИС 150 (позже — ЗИЛ 164) выпускался во множестве модификаций, в том числе бортовой ЗИЛ и многих других. Общий выпуск составил более 750 тысяч автомобилей.
Рекордсмен ЗИЛ 130 и его развитие
Без всяких сомнений, абсолютным рекордсменом является грузовой автомобиль. Разработка этой усовершенствованной модели началась в 1956 году. Планируемая грузоподъемность машины составляла четыре тонны, автомобиль должен был быть оснащен 130-сильным двигателем V6. Однако в процессе разработки грузоподъемность была увеличена до 5 тонн, а с учетом планов по созданию таких модификаций, как грузовик с постоянным прицепом и седельный тягач, машина была оснащена мотором V8. Объем установки составлял 6 литров, агрегат был основан на агрегате, используемом на представительском ЗИС 111, и мощностью 150 л. С.
что многие изначально считали чрезмерным.
Грузовики ЗИЛ 130 поступили в серийное производство в 1963 году и выпускались до 1995 года, то есть более 30 лет! За это время было выпущено так называемых «колхозников» в количестве свыше 3,5 млн штук. На его базе было сделано огромное количество модификаций, в том числе полноприводный тягач, вездеход с пластиковой кабиной, имитирующий американские автомобили и многие другие.
Со временем тест-драйв ЗИЛа показал, что мощность двигателя составляет 150 л. из. Этого мало, поэтому модификация ЗИЛ 133 оснащалась дизелем ЯМЗ-641, а позже — КамАЗ 740. Этот обновленный Зил 4×4 также получил заднюю подвеску и новые тормоза. Серийный выпуск новой модели начался в 1979.
Машина, габариты которой варьировались в зависимости от модификации, а объем кузова ЗИЛ позволял перевозить грузы массой до 10 тонн, оснащалась дизельным двигателем, имевшим объем 10,85 л при мощности 210 л. из. и максимальная скорость 85 км/ч. Трехосный ЗИЛ марки 133, оснащенный различными моделями силовых установок, выпускался до 2000 года.
затонированный полноприводный грузовик, имеющий кабину без капота и три оси, позволяющие снизить нагрузку на дорожное покрытие. В 1968, первым образцом этой модели стал автомобиль ЗИЛ 170В75, из последних цифр в маркировке которого можно понять, что его серийный выпуск был намечен на 1975 год. Спереди кабину автомобиля украшали большие буквы «ЗИЛ» , но позже на базе этой разработки были выпущены шасси КАМАЗ 5510 и 5320. Отличительными чертами новой модели стали:
- мощность двигателя равная 210 л. из.;
- улучшен расход бензина;
- 5-ступенчатая коробка передач с делителем;
- 6×4;
- Функция блокировки межосевого дифференциала.
колесная формула
В 1971 году прошли государственные испытания. Их серийный выпуск, как и планировалось, начался в 1975 году в Набережных Челнах и под маркой КАМАЗ 5320, хотя на кабинах первых опытных образцов логотип ЗИЛ был заблокирован.
Каз-606 «Колхида»
В прежние времена наша страна остро нуждалась в транспортных средствах, способных перевозить большие грузы.
Проще говоря, в грузовики. Модели советских грузовиков имеют интересную историю. Именно поэтому кутаисский завод стал выпускать автомобиль, который впоследствии получил название «Колхида». История грузовиков СССР начинается с представленных Минавтотранспортом опытных образцов, которые были разработаны в 1958. А уже в 1959 году автомобили Кутаисского автомобильного завода демонстрировались на выставке достижений народного хозяйства.
Всего завод представил два типа автомобилей, один из которых был бортовым и имел аббревиатуру Каз-605, а другой был выполнен по принципу седельного тягача и назывался Каз-606. После ознакомления с продукцией Грузинского автозавода Минавтопром утвердил серийный выпуск только одной модели. Приоритет был отдан проекту КАЗ-606. Грузовики СССР пополнены седельным тягачом.
Преимущества автомобиля
Колхида Каз Кажда имела отличную площадь остекления кабины водителя, что делало управление и выполнение маневров движения удобным. В отличие от выпускавшихся ранее автомобилей, кабина была частично деревянной, КАЗ «Колхида Каз» была выполнена с цельнометаллической кабиной.
В кабине, кроме места водителя, было только одно пассажирское место, но небольшая вместительность компенсировалась наличием спального места. Такое решение по тем временам было революционным в отечественном автомобилестроении.
У этой машины не было привычного капота, который на тот момент был в новинку. Силовой агрегат находился под кабиной, и это очень радовало зимой и горем летом. Внешний вид грузовика получился современным и стильным, ведь дизайнеры перенесли расположение фар в нижнюю часть кабины.
Недостатки автомобиля Каз-606
Самым главным недостатком колхидского грузовика были частые поломки и большой расход топлива. На сто километров пути машина израсходовала 50 литров бензина. Из-за расположенного под кабиной силового агрегата управлять грузовиком летом было затруднительно. Не только из-за повышенной салонной температуры, но и из-за скопления выхлопных газов.
Заключение
Несмотря на все имеющиеся достоинства, «Колхида» не стала популярной у водителей.
И они обратили свой взор на других моделей.
Автомобиль грузовой «Урал»
Гордость отечественного автомобилестроения создавалась еще со времен Великой Отечественной войны. Задача грузовика – вывоз заготовленного леса с производственной площади. Учитывая отдаленность таких мест к автомобилям Урал (лесовозам) выдвигались жесткие требования по проходимости и эксплуатации в тяжелых условиях. Благодаря кропотливой работе советских инженеров и конструкторов удалось выполнить все задачи ПТД по грузовому расписанию.
Преимущества лесхоза «Урал»
Лесхоз отечественного производства обладают феноменальной проходимостью и высоким качеством изготовления.
В таких машинах страна всегда нуждалась особенно остро, учитывая наличие богатых лесных ресурсов. Грузовики СССР всегда пользовались большим спросом как внутри страны, так и за рубежом.
Конструктивной особенностью судейского «Урала» является иная звериная формула — от 4х4 до 8х8. Благодаря этой формуле достигается легендарная проходимость.
Диапазон рабочих температур составляет -40…+40 о С. Такой разброс позволяет применять машины данного типа в различных климатических условиях.
Максимальная длина перевозимого груза почти 25 метров. Прицеп, прикрепленный к лесовозу, имеет поворотный механизм, повышающий маневренность при транспортировке. «Урал» — лесная машина, которая комплектуется мощными силовыми агрегатами мощностью более 200 лошадиных сил.
Современные лесозаготовительные марки «Урал» оснащены специальным гидроманипулятором, который позволяет производить погрузку леса без привлечения крана. Конструкция подъемника и система управления проста и надежна. Этот метод сокращает затраты и время на добычу леса.
Двигатели соответствуют европейским стандартам, поэтому машины почти не загрязняют окружающую среду.
Недостатки лесхоза «Урал»
Пожалуй, единственный недостаток НПЗ «Урал» можно отнести к высокому расходу топлива. Хотя, если учесть условия эксплуатации этих машин, то можно сказать, что такое явление вполне оправдано.
Заключение
Разработанная концепция грузового автомобиля для перевозки лесных ресурсов, потребовавшая многолетней кропотливой работы, до сих пор стоит на службе у человека. Лесхозы продолжают выполнять свою задачу на всей территории России и за рубежом. Работая в суровых климатических условиях, они по-прежнему остаются надежными помощниками человека.
Карьерные самосвалы
При создании автомобилей ставилась цель обеспечить эффективный вывоз полезных ископаемых с места добычи. Разрабатывая концепцию такого большого автомобиля, инженеры и дизайнеры приобрели бесценный опыт в этой отрасли. Наша страна известна большим количеством природных заповедников. Только большие и надежные автомобили могли обеспечить качественную и оперативную перевозку грузов. Министерство автомобильной промышленности СССР приняло решение о создании производственных мощностей по разработке и созданию большегрузных автомобилей для работы в карьерах страны. Так появился Белорусский автомобильный завод, где автомобили БЕЛАЗ начали создавать автомобили.
Начатое в 1948 году производство карьерных самосвалов завоевало мировое признание. Постоянно разрабатывая и внедряя новые технологии в области автомобилестроения, завод стал одним из лидеров рынка большегрузных автомобилей.
Первым детищем Белорусского автомобильного завода стал сошедший с конвейера в 1961 году БелАЗ-540. Этот 27-тонный монстр был гордостью советского народа. С момента изготовления первого детища БЕЛАЗ автоконтрасерта провел большое количество необходимых испытаний.
Беларус-540А начал свою официальную рабочую «карьеру» сейчас в 1965 году. Конечно, это старые советские грузовики, и им далеко до современных карьерных самосвалов, новейшим из которых является БелАЗ-75710. В погоне за эффективностью белорусский концерн создал, пожалуй, самый грузоподъемный карьерный самосвал в мире. Вес перевозимого груза 450 тонн!
Конструкторы БелАЗ-75710 уже подготовили заявку для этого чуда техники в Книгу рекордов Гиннеса. По сути, успех этой модели стал суммой всех достижений автомобилестроения в этой области.
65 лет сотрудники завода посвятили разработке и совершенствованию своей продукции.
Новая модель отличается от предыдущей использованием восьми колес вместо шести. Такое решение позволяло брать на борт больше полезных грузов. Радиус вращения этого гиганта составляет около 20 метров, что, учитывая его габаритные размеры, очень мало. Поработали инженеры и с маневренностью автомобиля. Применив принцип двух поворотных осей, удалось улучшить общую маневренность грузовика.
Огромная работа была проделана с силовой установкой машины. Тип силового агрегата, применяемого в самосвале, дизельный, спаренный. Мощность, выдаваемая силовой установкой, составляет 4600 л/с. Все системы БелАЗ-75710 прошли глубокую модернизацию, что в итоге улучшило и закрепило управляемость автомобиля. Кроме того, погрузка и разгрузка груза также стала удобнее и проще, улучшилась плавность хода и проходимость самосвала. Гордость белорусских инженеров БелАЗ-75710 оказался на редкость сбалансированным и надежным автомобилем.
Резюме
Несмотря на внушительные размеры и огромный вес, каждый элемент рассматриваемого грузовика отвечает самым строгим требованиям безопасности и надежности. Поистине, список «Грузовиков СССР» был бы неполным без карьерных самосвалов БелАЗ. Но на этой машине наш обзор не заканчивается. Идем дальше.
Грузовой автомобиль ЗИЛ-131
В 1966 году автомобилестроение начало выпускать обновленную модель ЗИЛ-130. Автомобиль представлял собой грузовик повышенной проходимости с улучшенными характеристиками по сравнению с предшественниками. Конструкторы завода решили оставить схему захвата, по-видимому, изменив лишь некоторые детали кабины.
Преимущества автомобиля ЗИЛ-131
Благодаря отличному прохождению практически любого бездорожья, ЗИЛ-131 стал хорошим помощником в различных сферах человеческой деятельности.
Узлы и механизмы модели, показавшие свою надежность на последних образцах, модернизировали и продолжали обслуживать и дальше.
Машина оказалась на удивление выносливой и живой. Температурный диапазон более чем впечатляет. ЗИЛ-131 может работать при температуре воздуха от -40 до +50 градусов Цельсия.
Автомобиль активно использовался в воинских частях и выполнял различные задачи. На его базе были созданы модификации для перевозки личного состава вооруженных сил, полевых кухонь и передвижных госпиталей.
На базе ЗИЛ-131 имелись различные виды вооружения и радиооборудования. Автомобиль активно использовался в авиационной сфере в качестве средства дозаправки самолетов, вертолетов и других механизмов обеспечения полетов авиации.
Машина использовалась в геологической разведке, строительстве и даже в уборке снега.
Недостатки ЗИЛ-131
Судя по отзывам, машина жрет много. Однако расход топлива в 40 литров на 100 км к недостаткам можно отнести довольно условно.
Выход
Как и все грузовики СССР, ЗИЛ-131 унаследовал свой «характер». В надежности таких автомобилей можно не сомневаться.
Даже сегодня, спустя многие десятилетия, ЗИЛ-131 продолжает выполнять свою нелегкую миссию.
Самосвалы ЗИЛ выпускаются в большом количестве разнообразных модификаций. Это могут быть сочлененные самосвалы, а также полуприцепы, но все они настолько качественные по своим характеристикам и универсальны в комплектации, что из них создаются автокраны, пожарные машины, фургоны, а также автоцистерны. Грузовик ЗИЛ эффективен как на бездорожье, так и в стесненных городских условиях. На высоте такие важные для автомобиля показатели, как грузоподъемность и экономичность.
Популярные модификации
На платформе автомобиля ЗИЛ выпускаются следующие модификации грузовых автомобилей. Модельный ряд автомобилей ЗИЛ достаточно разнообразен:
- Грузовой ЗИЛ-130Г — перевозка габаритных грузов и буксировка прицепов общей массой до 8 тонн.
- ЗИЛ-130В1 — седельный тип тягача, который изначально предназначен для буксировки грузов массой до 14 тонн.
- ЗИЛ-130Д1 — специальная платформа для сборки самосвалов ЗИЛ-ММЗ-4502 и ЗИЛ-ММЗ-555.

- ЗИЛ-130Б2 — платформа со специальным пневматическим выводом, предназначенная для сборки трактора, используемого в сельском хозяйстве.
- Грузовой ЗИЛ-130Г — платформенная машина со специальными 2-секционными бортами. Здесь есть база колес 4500 мм и уникальный по характеристикам мотор.
- ЗИЛ модель 130д представляет собой платформу для узкого строительного самосвала, имеющего короткую колесную базу — 33 см.
- ЗИЛ-130Б. –
Платформа для специальной сельскохозяйственной техники с общей колесной базой 3800 мм.
Все модели без исключения отличаются оптимальной комплектацией и возможностью отличного функционирования в различных климатических условиях.
Кузов Зила — Размеры и характеристики
Зул Кузов этого автомобиля может быть не только грузовым, но и пассажирским. Для этого есть складные скамейки и возможность установки тента.
Что касается средних габаритов ЗИЛа, то его длина 6 672 мм, ширина 2 500 мм, общая высота 2 400 мм.
Объем платформы равен 5,10 кубометра, а площадь пола 8,72 кв.
Салон
В кабине ЗИЛ это тройной салон, который находится сразу за двигателем. Сиденье можно регулировать по высоте, по длине, а также по наклону спинки. Среди присутствующих можно выделить основные варианты интерьера:
- Стеклоочиститель;
- Нагреватель;
- Специальное устройство для мытья стекол;
- Крыша кабины оборудована двумя вентиляционными люками.
Кабина изготовлена из цельного металла, а сиденья из мягких материалов. В нем все продумано до мелочей, что делает салон максимально комфортным как для водителей, так и для пассажиров. Вот эргономически основные устройства и механика управления.
Автомобиль оборудован гидравлическим усилителем рулевого управления, благодаря чему значительно повышается общая простота автомобиля и его безопасность. При случайной поломке переднего колеса грузовик легко устоит на дорожном участке.
Основные технические характеристики
Автомобиль оснащен четырехтактным восьмицилиндровым двигателем.
Двигатель грузовика ЗИЛ мощный, этот параметр составляет 3000 оборотов в минуту. Общий рабочий объем двигателя достигает 6 литров. Особое внимание уделяется специальной системе смазки, которая сочетает в себе возможность разбрызгивания и разные показатели давления. Система питания установленного двигателя относится к разряду принудительных, также имеется встроенная система жидкостного охлаждения.
Тормозная система
На грузовике установлена специальная тормозная система, которая присутствует на всех колесах. Это специальные барабанные тормоза, функционирующие под воздействием современной пневматической системы. Основной запас воздушной массы находится в специальном резервуаре под достаточно сильным давлением. В рабочее состояние тормоза приводятся с помощью водяного насоса и прописанной трансмиссии. Работа компрессора осуществляется с двумя тысячами оборотов в минуту. Всего баллонов с воздухом всего два, каждый на 20 литров.
Положительные и отрицательные свойства
Все больше автолюбителей принимают решение купить данные грузовых машин.
Из этого агента можно сделать уникальный автомобиль, так как есть возможность провести оптимальный апгрейд. Среди других положительных факторов можно отметить такие важные показатели, как доступная стоимость транспортного средства, малые габариты, оптимальная ремонтопригодность и маневренность устройства. При необходимости вы без труда найдете нужные детали для ремонта. Высокие показатели машин основаны на наличии встроенного усилителя руля, мотор работает отлично.
Среди недостатков машины можно отметить небольшую скорость, которую способны развивать вездеходы, несовершенный мотор и грузоподъемность тоже не рекордная. Из-за длительного выпуска часто сталкиваются с подробностями. Несмотря на достаточно комфортные условия салона, он немного уступает по меркам настоящего. Кресла можно регулировать, но это не очень удобно для современных водителей. Мотора в кабине автомобиля ЗИЛ не слышно, машина и ее основные модификации двигаются тихо. За свою 40-летнюю историю эти автомобили зарекомендовали себя как прочный и очень надежный грузовой транспорт, относительно простой в эксплуатации и ремонте.
И вот теперь на дорогах страны можно встретить узнаваемые всеми ЗИЛы и ЗИСы, которые приобретаются как средства решения большого количества различных задач.
Все модели ЗИЛ 2019: модельный ряд автомобилей ЗИЛ , цены, фото, обои, характеристики, модификации и комплектации, отзывы владельцев ЗИЛ, история марки ЗИЛ, обзор моделей ЗИЛ, видео тест диски, архив моделей ЗИЛ. Также вы найдете скидки и горячие предложения от официальных дилеров ЗИЛ.
Архив моделей марки ЗИЛ
История марки ЗИЛ / ЗИЛ
История завода имени Лихачева начинается в 1916, когда торговый дом «Кузнецов-Рябушинский» учредил компанию «Московское автомобильное общество» АМО. В ноябре 1924 года на заводе был собран первый грузовой автомобиль АМО-Ф-15, и это стало началом советского автомобилестроения. Выпуск грузовиков АМО-3 был налажен в 1931 году, и завод стал носить имя Сталина — ЗИС. Базой для АМО-3 послужил американский грузовик «Автокар». Трехосные грузовики ЗИС 5 и ЗИС 6 сошли с конвейера в 1934 году.
Выпуск легковых автомобилей ЗИС 101 на базе американской марки Buick был налажен на заводе в 1936. В это же время с конвейера сходят первые городские автобусы.
Для Высшего партийного руководства СССР был разработан в 1942 г. ЗИС 110 — легковой автомобиль повышенной комфортности. В 1956 году завод переименовывается в «ЗИЛ» в честь И.А. Лихачева. В 1959 году появился первый правительственный ЗИЛ-111, имевший длину более 6 метров и восьмицилиндровый двигатель в 200 л.с. Модификация ЗИЛ-111А уже снабжается кондиционером. На этих зилах перемещались члены Политбюро КПСС, поэтому в народе они получили название «Армения». Именно на ЗИЛ-111В с открытым верхом Москва и вся страна увидели первого космонавта Земли Юрия Гагарина. В начале 1963, с конвейера сошёл «Парадный Фатон» ЗИЛ-111Д. В этом же году на заводе было освоено производство легендарного ЗИЛ 130. Для производства этого грузовика было обновлено большое количество оборудования.
Разработанный в 1967 году ЗИЛ-114 — эталон представительского автомобиля для Советской России.
Он имел длину 6,3 метра и снабжался отличной подвеской, обеспечивавшей очень хорошую плавность хода. В 1983 году свет увидел ЗИЛ-41045, на котором салон был выполнен в виде бронекапсулы, выдерживающей попадание снаряда малокалиберной пушки. На базе ЗИЛ-41047 были разработаны ЗИЛ-41042 для медицинской службы, Скорпион — для системы безопасности и бронеавтомобиль ЗИЛ-41052. В 2013 году производство на заводе ЗИЛ было остановлено. К 2015 году было разобрано большинство цехов и построек, кроме того, был уничтожен ЗИЛ-музей. На территории завода Мэр Москвы Сергей Собянин инициировал строительство жилого комплекса.
henkofholland mastermodelling военная техника в масштабе 1/72-1/76
henkofholland mastermodelling военная техника в масштабе 1/72-1/76
AVDModels из России, обычно производитель автомобилей в масштабе 1/43, начинает выпуск моделей автомобилей в масштабе 1/72. 131. Наборы поступят в продажу весной/концом весны 2017 года. Планируется несколько интересных моделей,
Нажмите на картинку
Комплекты анонсированных комплектов 2017
Комплект 1287авд — Пожарная машина АЦ-40 (Зил-130) 63Б
Оригинальный автомобиль в Харькове, фото Сергея Шумилина
Модель Игоря Сазонова
Комплект 1288авд — Автоцистерна пожарная машина АС-4- (Зил-131) — 137А
Модель Игоря Сазонова
Модель, построенная Матиасом Мутом
Комплект 1289авд — Подметально-пылеулавливающая машина АКПМ-3 (130)
Сборная модель Игоря Сазонова
Построенные модели Матиаса Мута
Рисунок 2 — Уборочная машина АКПМ-3 в автоцистерне АТСУ для пожарных
Комплект 1290авд — Амур-331350 Грузовик
Построенная модель Матиаса Мута
Комплект 1291авд — Станция Маяк Аэропорт АПМ-90М (Зил-130)
Сборная модель Игоря Сазонова
Построенная модель Маттиса Матта
Комплект 1292авд — Снегоочистители роторные ДЭ-210 (Зил-131)
Построенная модель Игоря Сазонова
Построенная модель Матиаса Мута
Комплект 1293авд — Пожарная наносная станция ПНС-100 (Зил-131) — (Зил-131А)
Модель, построенная Матиасом Мутом
Комплект 1294авд — Командный пункт СКП-11 (Зил-130)
Сборная модель Игоря Сазонова
Построенная модель Удо Бауэра
Построенная модель Матиаса Матта
Комплект 1295авд — Униформа отопителя двигателя ТПК-350 (Зил-131)
Сборная модель Игоря Сазонова
Построенная модель Матиаса Матта — (версия NVA)
Комплект 1296авд — Бортовой автомобиль ЗИЛ-130
Сборная модель Игоря Сазонова
Построенная модель Матиаса Матта
Для «KFS-miniatures.
com / recenzjemodeli.pl» превью комплекта 1296авд — Бортовой автомобиль ЗИЛ-130, визит:
Веб-сайт «KFZ-Miniatures» — польский язык — (используйте переводчик Google для родного языка)
Комплект 1297авд — Бортовой автомобиль ЗИЛ-131
Встроенная модель
Построенная модель Матиаса Мута — (преобразование в пожарную машину ПЧ-14)
Дополнительная информация и заказ:
Сайт «ritmonexx.ru / AVD Models»
Email для HenkofHolland:
Примечание:
Этот веб-сайт является продолжением моего увлечения моделированием и служит только для информирования.
Заказать товар напрямую у меня НЕВОЗМОЖНО.
У меня нет (интернет)магазина. Вы найдете несколько надежных поставщиков на странице «ссылки».
Электронная почта HenkofHolland
Примечание.
Чтобы адрес электронной почты стал рабочим, замените адрес электронной почты (at) на @ 9.0003
Действительный переходный HTML 4.0
A ЗИЛ 131 6×6 Бывший советский военный кемпер
Время чтения: около 4 минут |
Написано Беном Бранчем |
10 февраля 2022 г.
Фейсбук
Твиттер
WhatsApp
Пинтерест
Реддит
Эл. адрес
Это кемперная версия ЗИЛ-131 с колесной формулой 6х6, одного из самых прочных военных грузовиков в истории. ЗИЛ-131 десятилетиями использовался Советами в качестве платформы для ракетной установки 9П138, а также для перевозки грузов, буксировки оборудования и артиллерии.
Секция кемпера в задней части грузовика во многом оригинальна по советским стандартам (включая счетчик Гейгера) и выглядит как автомобиль из голливудской съемочной площадки.
Однако есть некоторые современные дополнения, в том числе телевизор с плоским экраном и современное кухонное оборудование.
Быстрые факты — ЗИЛ 131 6×6 Военный Кемпер
- ЗИЛ 131 — это усиленная военная версия ЗИЛ 130, грузовики имеют много общих компонентов, однако 131 предлагался либо с колесной формулой 4×4, либо с колесной формулой 6×6. трансмиссии и множество других модификаций для использования в военных целях.
- Советы, а позже и русские, создали значительное количество модификаций ЗИЛ-131, включая войсковой транспорт, грузовой транспорт, буксировщик артиллерии, мобильный командный центр и платформу для артиллерийской ракетной системы «Град-1».
- В период с 1962 по 2012 год будет построено более 1 000 000 экземпляров ЗИЛ-131, а производственный цикл длился 50 лет. Более двух десятков других стран будут использовать ЗИЛ 131 в своих вооруженных силах, и сегодня грузовики продолжают использоваться более чем в дюжине стран, включая Россию.

- ЗИЛ 131 использует архитектуру «кузов на шасси», мощность обеспечивается передним 7,0-литровым двигателем V8 (бензиновый или дизельный), мощность передается на все четыре (или все шесть) колеса через 5-ступенчатую коробку передач. максимальная скорость 80 км/ч.
ЗИЛ — Завод имени Лихачева
ЗИЛ (Завод имени Лихачева) был одним из крупнейших производителей автомобилей, грузовиков, военной техники и тяжелого оборудования в России на протяжении большей части истории Советского Союза и за его пределами — компания не прекратить производство до 2012 года.
ЗИЛ производил самые разные автомобили, от роскошных лимузинов, использовавшихся политической элитой в Советском Союзе, таких как ЗИЛ-114, до прочных военных грузовиков, способных выдерживать сибирские зимы так же хорошо, как и лето в Сахаре.
В задней части кемпера есть L-образный диван, который при необходимости быстро трансформируется в двуспальную кровать. Также имеется двухкомфорочная плита и достаточно места для хранения предметов первой необходимости.
Компании удалось пережить распад Советского Союза в 1991 году, фактически она оставалась в бизнесе и производстве и в 21 веке, не поддавшись банкротству до 2012 года.
Военный грузовик ЗИЛ 131
ЗИЛ 131 — военный грузовик, впервые выпущенный в 1962, он был почти полностью новым, и от его предшественника ЗИЛ 164 использовалось очень мало деталей.
Использовалась стандартная компоновка грузовика с кузовом на шасси, передним расположением двигателя, двухдверной кабиной и задним грузовым лотком. ЗИЛ 131 выпускался как с колесной формулой 4 × 4, так и с колесной формулой 6 × 6, причем последняя предлагала большую грузоподъемность на дорогах и бездорожье.
Использовались дизельные и бензиновые версии 7,0-литрового двигателя V8, а также существовал вариант с гибким выбором топлива, который мог работать на различных видах топлива, включая этанол. Мощность передается на ведущие мосты через 5-ступенчатую механическую коробку передач, а максимальная скорость составляет относительно умеренные 80 км/ч (50 миль в час).
Большое количество различных модификаций модели 131 было создано для выполнения многих функций, которые требовали от грузовика советские вооруженные силы. Наиболее распространена стандартная версия с поддоном 4 × 4, используемая для перевозки грузов и войск, более крупная версия 6 × 6 встречается реже и в основном использовалась для перевозки и буксировки более тяжелых грузов, а также в качестве платформы для запуска ракеты БМ-21 «Град». система.
В кабине есть места для троих, а в центральном перчаточном ящике вы найдете экран для современной системы камеры заднего вида.
Еще одно использование шестиколесной версии было в качестве мобильного командного центра и жилья, почти наверняка только для высокопоставленного начальства. Несмотря на относительно спартанский стиль по современным стандартам кемперов, он был бы роскошен по меркам советских военных лагерей того времени, и в нем был удобный счетчик Гейгера, закрепленный на стене на случай, если вы подойдете слишком близко к Чернобылю.
ЗИЛ 131 1986 года выпуска 6×6 Военный Кемпер, показанный здесь
ЗИЛ 131, который вы видите здесь, является одной из более редких командно-жилых версий варианта 6×6. Внутри он в значительной степени оригинален, хотя диваны, которые трансформируются в кровать, являются более современным дополнением, равно как и раковина и двойные газовые горелки, скрывающиеся под столешницей.
В крыше вы найдете запираемый люк, позволяющий попасть на крышу, а также шкафы, полки и множество правильных советских инструментов. Спереди в кабине вы найдете дискретную систему камер заднего вида с экраном, спрятанным внутри перчаточного ящика. Это, вероятно, очень полезно, поскольку у грузовика практически нет обзора назад, кроме боковых зеркал.
Этот грузовик оснащен центральной системой подкачки шин, позволяющей водителю контролировать давление во всех шести шинах и регулировать его на лету в зависимости от местности и условий. Оригинальный военный камуфляж был сохранен, и грузовик остался в основном оригинальным, с некоторыми обновлениями, чтобы сделать его пригодным для использования в качестве современного кемпера.
Если вы хотите узнать больше об этом, вы можете нажать здесь, чтобы посетить список на Car & Classic. В настоящее время он выставлен на онлайн-аукцион, и в настоящее время он находится в графстве Кент, Англия.
Изображения предоставлены Car & Classic. более.
Silodrome был основан Беном еще в 2010 году, за годы, прошедшие с тех пор, как сайт стал мировым лидером в секторе альтернативных и винтажных автомобилей с миллионами читателей по всему миру и многими сотнями тысяч подписчиков в социальных сетях.
Фейсбук
Твиттер
WhatsApp
Пинтерест
Реддит
Эл. адрес
Опубликовано Беном Бранчем — 10 февраля 2022 г.
технические характеристики, устройство, принцип работы
Стартер ЗИЛ-130: технические характеристики, устройство, принцип работы
Советы знатокам
В любом автомобиле предусмотрена система запуска двигателя.
он служит для вращения двигателя со скоростью, при которой он может запускаться. Система включает в себя несколько компонентов, среди которых стартер является неотъемлемой частью. Им оснащается и ЗИЛ-130. Что ж, уделим этому элементу подробное внимание.
Назначение и устройство
Так для чего этот механизм? Стартер нужен для создания необходимого крутящего момента коленчатого вала при запуске двигателя. Механизм питается от аккумулятора автомобиля. В конструкцию стартера ЗИЛ-130 входят:
- Кузов.
- Подвижный и фиксированный контакт реле.
- Анкер.
- Катушка реле.
- Зубчатая передача.
- Защитный кожух.
- Винт регулировки хода шестерни.
- Рычаг.
- Кольцо упорное.
- Муфта привода и муфта свободного хода.
- Вал.
- Защитная лента.
- Крышка стартера.
- Коллектор.
- Обмотка возбуждения.
Ниже мы рассмотрим, как работает этот механизм.
Принцип работы
Рабочий процесс стартера ЗИЛ-130 можно разделить на несколько этапов:
- Соединение ведущей шестерни с маховиком.
- Запуск стартера.
- Отсоединение шестерни от венца маховика.
Рабочий цикл самого механизма кратковременный. Этот механизм не участвует в последующей работе мотора, а способствует только его запуску. Если рассмотреть принцип работы стартера ЗИЛ-130 подробнее, то он будет выглядеть так:
- Водитель устанавливает ключ в замок зажигания и поворачивает его в положение пуск. Далее электричество передается от аккумулятора на замок зажигания, а затем на тяговое реле стартера ЗИЛ-130.
- Обгонная муфта входит в зацепление с ободом маховика. При этом цепь замыкается и на электродвигатель стартера подается напряжение 12 В.
- Шестерня начинает вращаться. Таким образом, обороты коленчатого вала увеличиваются. При оборотах около 300 в минуту двигатель начинает «схватывать» и заводиться.
В этот момент шестерня с электродвигателем отключается (за счет срабатывания обгонной муфты — именно она размыкает соединение) и маховик вращается без ее помощи. Электричество больше не поступает на стартер. Он находится в выключенном состоянии до следующего пуска.
Особенности механизма
Какой тип стартера устанавливается на ЗИЛ-130? Советские грузовики всегда оснащались механизмами шестеренчатого типа. Не стал исключением и автомобиль ЗИЛ-130. Редукторный стартер включает в себя планетарный редуктор, который состоит из нескольких шестерен.
Все они размещены в корпусе механизма. благодаря планетарному редуктору увеличивается крутящий момент, необходимый для вращения вала. Чем примечателен этот тип стартера? Шестеренчатый механизм имеет больший коэффициент полезного действия. Он также потребляет меньше тока при запуске холодного двигателя. Шестеренчатый стартер, устанавливаемый на ЗИЛ-130, имеет компактные габаритные размеры. При этом сохраняет все эксплуатационные характеристики в случае падения пускового тока аккумуляторной батареи.
Технические характеристики
Стартер марки ЗИЛ-130 БАТЭ имеет следующие габаритные размеры. Длина 32 сантиметра, ширина — 18, высота — 15 сантиметров. Масса редуктора 9,2 кг. Стартовая мощность механизма — 300 Вт. Номинальная мощность может доходить до 1800 Вт. Напряжение, необходимое для работы, составляет 12 вольт. Минимальная емкость аккумулятора, необходимая для работы стартера, составляет 90 Ач. Ток удерживающей обмотки 11 ампер, втягивающей 36 ампер. Размер модуля ведущей шестерни составляет 3 миллиметра. Число зубьев ведущей шестерни стартера 9.. Угол от профиля 20 градусов.
Схема подключения
Подключить стартер ЗИЛ-130 достаточно просто. Итак, механизм имеет четыре вывода.
Первый — подключение реле стартера ЗИЛ-130. Второй вывод идет на втягивающую катушку. Третий — клемма дополнительного сопротивления. При использовании дополнительного реле этот контакт не подключается. Четвертый – подача положительного напряжения от аккумуляторной батареи.
Техническое обслуживание стартера
Для стабильной и долговременной работы данного механизма необходимо регулярно проводить его техническое обслуживание. Осмотр состояния необходимо проводить каждые 16 тыс. км пробега (при выполнении ТО-2):
- Проверяется плотность подсоединения проводов к клеммам аккумулятора и стартера.
- Болты крепления механизма к двигателю вытянуты.
На каждом четвертом ТО-2 выполняются следующие операции:
- Стартер разбирается и продувается сухим сжатым воздухом от содержащейся в нем пыли. При сильном загрязнении механизм детально разбирается для очистки.
- Коллектор проверен. Его рабочая поверхность не должна быть обожжена и иметь механические повреждения. В случае прогара элемент протирают ветошью, предварительно смоченной бензином. Также коллектор очищается от пыли (если она есть). Если коллектор сильно обгорел, следы можно зачистить мелкозернистой наждачной бумагой. Чистота обработки 1,25.
Минимальный диаметр механизма после обработки – 38 миллиметров. - Щетки стартера проверены. Они должны свободно двигаться в щеткодержателях, без заеданий. Также заменена высота кисти. Измерение проводят от рабочей поверхности до точки соприкосновения пружин. Если высота меньше семи миллиметров, ремонтируют стартер ЗИЛ-130. В данном случае это замена щеток на новые. При необходимости затяните винты, которыми наконечники щеток крепятся к держателям щеток.
- Проверяется состояние контактов реле. В контактной коробке не должно быть пыли. В противном случае его чистят. Если контакты подгорели, их тщательно зачищают напильником, а затем мелкозернистой наждачной бумагой. В случае износа контактных болтов в месте их соприкосновения с диском элементы прокручиваются ключом на 180 градусов.
- Проверяется характер движения привода по валу якоря. Если предмет тяжело двигается, его следует очистить от грязи. Делается это с помощью той же тряпки, которую смочили в бензине. Затем привод слегка смазывается моторным маслом.

- Измерен зазор между упорным кольцом и шестерней. Оно должно быть в пределах от одного до двух с половиной миллиметров при условии, что якорь реле полностью вытянут.
Как регулируется зазор между стопорным кольцом и шестерней?
Если зазор не соответствует норме, необходимо выполнить следующие операции:
- Снять перемычку, соединяющую болт на корпусе стартера с реле.
- Выверните четыре винта и снимите реле с крышки со стороны привода. Анкер и сам регулировочный винт также снимаются. В случае высокого зазора последний вкручивается на один или несколько оборотов. С небольшим зазором – наоборот, закручено. Один оборот этого винта перемещает шестерню относительно оси якоря на 1,7 миллиметра.
- Затем устанавливается вместо реле. Для этого переместите рычаг в сторону корпуса. Ось винтовой серьги должна свободно входить. Реле ставится на место и затягиваются все четыре болта.
- Перемычка установлена. Он должен быть затянут.

- Зазор снова проверяется и при необходимости исправляется.
Заключение
Итак, мы выяснили, что такое стартер на ЗИЛ-130, как он работает и обслуживается. Этот механизм достаточно надежен. В случае регулярного обслуживания стартер не потребует капитального ремонта.
Еще статьи:
Все статьи
Советы компьютерщиков | 2019
Отличие КПП булл от зил 130. Коробка передач на зил булл
1 Коробка передач ЗИЛ-130 и ее характеристики
2 Коробка ЗИЛ-130 схема
3 Синхронизатор
6 Первичный вал
7 Выходной вал
8 Промежуточный вал
Если сцепление необходимо для передачи крутящего момента от двигателя к трансмиссии, то коробка передач служит для его изменения в зависимости от условий движения. Коробка обеспечивает движение автомобиля задним ходом и длительное отделение трансмиссии от двигателя.
Коробка передач ЗИЛ-130 имеет 5 передач для движения вперед и одну для движения назад. Коробка имеет 3 вала. Первичный, вторичный и промежуточный, а также 2 синхронизатора инерционного типа. Шестерни, установленные на валах, могут группироваться в требуемой комбинации и получать передаточные числа, соответствующие той или иной передаче.
Коробка ЗИЛ-130 схема
Перемещение шестерни ведомого вала вперед включает первую передачу. 2-я передача включается перемещением муфты синхронизатора назад. Если перевести муфту синхронизатора вперед, то включится 3-я передача. Перемещением муфты 2 синхронизатора назад включается 4-я передача. Если сдвинуть сцепление того же синхронизатора вперед, то включится 5-я передача. Промежуточный вал не участвует в передаче крутящего момента. Задняя передача включается путем перемещения шестерни 1-й передачи до ее зацепления с блоком передачи заднего хода.
Коробка передач, в которой изменение значения крутящего момента производится за счет изменения передаточного числа.
Наиболее распространены ступенчатые: коробки передач
, где передаточное число изменяется за счет увеличения или уменьшения передаточного числа шестерен. Механизмы, изменяющие передаточное число непрерывно в определенных пределах, называются бесступенчатыми передачами.
» На транспортных средствах применяются следующие виды бесступенчатых трансмиссий: гидравлические (гидродинамические и гидрообъемные, иначе называемые гидрообъемными), механические (фрикционно-импульсные) и электрические.
Наибольшее распространение в качестве бесступенчатых трансмиссий получили гидродинамические преобразователи крутящего момента, которые обычно устанавливаются в сочетании со ступенчатыми или планетарными редукторами. Такие передачи называются гидромеханическими.
Ступенчатые редукторы относительно просты по конструкции и дешевле, чем бесступенчатые, но их число передаточных чисел ограничено от трех до пяти.
На автомобилях повышенной проходимости и грузоподъемности увеличено количество передач за счет использования дополнительной коробки передач.
Крутящий момент будет тем больше, чем выше передаточное число шестерен, находящихся в зацеплении.
Ступенчатые коробки передач имеют принудительное ручное управление, а планетарные и бесступенчатые, в основном полуавтоматические и автоматические. Пятиступенчатая коробка передач показана на рис. 131. Первичный (приводной) вал 1 соединен с коленчатым валом двигателя через муфту. Вторичный (ведомый) вал является как бы продолжением первичного вала и расположен с ним на одной оси.
Один конец вторичного вала закреплен на роликовом подшипнике 10, установленном на конце первичного вала, благодаря чему вторичный вал может вращаться независимо от первичного; второй конец вала установлен в шарикоподшипнике 8.
Шестерни установлены на промежуточном валу 9. Все они, кроме первой шестерни, выполнены отдельно и закреплены на ней шпонками. Для снижения шума при работе и повышения долговечности шестерни, находящиеся в постоянном зацеплении, выполнены косозубыми.
Конструктивной особенностью коробки автомобиля ЗИЛ-130 является наличие шестерен постоянного зацепления на вторичном валу.
Эти шестерни, благодаря специальной обработке (фосфатированию) сопрягаемых поверхностей вала и шестерен их смазочных канавок, устанавливаются на вал без специальных втулок и подшипников.
В коробке передач типа МАЗ-500 игольчатые подшипники шестерен вторичного вала, находящихся в постоянном зацеплении, смазываются маслом… под давлением. Для этого к переднему концу промежуточного вала снаружи корпуса коробки передач установлен шестеренчатый масляный насос, который приводится в движение от переднего конца промежуточного вала.
вал. Включение передач осуществляется перемещением шестерни по шлицам вала, но при этом удар зубьев неизбежен, так как окружные скорости шестерен различны. Для легкого и безударного переключения передач необходимо, чтобы окружные скорости включаемых шестерен были одинаковыми.
Окружная скорость шестерни зависит от числа оборотов вала, на котором она установлена, и от ее диаметра: чем больше диаметр шестерни и число оборотов вала, тем больше ее окружная скорость.
Для выравнивания окружных скоростей шестерен перед их включением используется специальный механизм синхронизатора, обеспечивающий их бесшумное и безударное включение.
СИНХРОНИЗАТОР
Синхронизаторы обеспечивают бесшумность при включении. Разность частот вращения муфты синхронизатора и включения шестерни плавно уравнивается за счет возникающей между ними силы трения. Механизм переключения передач имеет блокирующее устройство, которое удерживает тяги переключения в нужном положении.
Синхронизатор автобусов ЛАЗ-695, ЛАЗ-697 и автомобиля ЗИЛ-130 (рис. 132) работает следующим образом.
При перемещении сцепления 11 влево с помощью вилки переключения коническое бронзовое кольцо будет двигаться вместе с ним и будет прижиматься к конической поверхности шестерни 1. Конические кольца 7 и сцепление ]] соединены между собой не жестко, а через три фиксирующих пальца 5 с шариками и пружиной. Шестерня 1 и кольца 7 вращаются с разными окружными скоростями. Пока эти скорости не сравняются за счет силы трения, сцепление 11 будет смещаться (рис.
132, б).
Оба бронзовых кольца 7 жестко соединены между собой с помощью пальцев 12. Муфта 11 будет перемещаться до тех пор, пока коническая поверхность 10 муфты не упрется в коническую поверхность 9 пальца (рис. 132, а и г) . При выравнивании скоростей колец синхронизатора 7 и зубчатого конуса 1 штифт 12 окажется в центре отверстия муфты 11, блокирующие конические поверхности разъединятся (рис. 132, в и д), и муфта разомкнется. продолжить свое перемещение. Его наружные зубья 13 войдут в зацепление с внутренними зубьями вала-шестерни 1, которая, таким образом, будет соединена посредством синхронизатора с ведомым валом 14.
Коробка отбора мощности КОМ.
Его название намекает на то, что он забирает часть крутящего момента двигателя и передает его специальным механизмам. Это может быть гидронасос или навесное оборудование. ВОМ работает в тесной связке с коробкой передач и активируется из кабины автомобиля. На это маленькое устройство ложится огромное количество нагрузки и работы.
Поэтому всегда стремятся сделать его прочным и долговечным. Существует 2 типа ВОМ: независимый от сцепления и независимый от сцепления. Первый работает, когда двигатель работает на холостом ходу. Зависимые ВОМ просты в установке и почти не требуют обслуживания. Они устанавливаются на механическую коробку передач и приводятся в действие водителем из кабины. Независимый ВОМ может работать как с механикой, так и с автоматикой.
Устанавливается на бетономешалки, дорожно-уборочную технику, сельскохозяйственные машины. Местом оформления КОМ может стать КПП, раздаточная коробка, двигатель или пространство между двигателем и коробкой передач. КОМ — узел повышенной прочности, но даже он может сломаться.
Часто сразу видны поломки, ВОМ либо перестает нормально включаться, либо начинает сильно шуметь. Проблемы решаются по-разному, начиная с простой подтяжки гаек и заканчивая полной разборкой СОМ. В любом случае без соответствующих знаний и навыков самостоятельный ремонт ВОМ заводом-изготовителем не рекомендуется.
ПОСМОТРЕТЬ ВИДЕО
Схема переключения передач
Первичный вал
Первичный вал изготовлен из стали 25 HGM, глубина нитроцементированного слоя 0,6…0,8 мм, твердость поверхностного слоя HRCe 61…66 , твердость сердцевины HRCe 37…46.
Основные данные посадочных мест валов, допустимый износ шлицов, шеек и посадочных мест подшипников валов, а также данные по зубчатым колесам.
Толщина зубьев прямоточных шлицевых-5,805…5,855
Диаметр посадочного места подшипника качения — 43,980…44,007
Диаметр шейки вала для шарикоподшипника — 60,003…60,023
Диаметр шейки вала — 24,975…24,995
Выходной вал
Биение шеек вторичного вала относительно оси допускается не более 0,05 мм. Наложение шейки на раскрошенный цементированный усталостный слой не допускается.
Параметры шлицев шеек вторичного вала
Диаметр шейки переднего конца вала для роликового подшипника 29,939..29,960
Диаметр шейки для шарикового подшипника — 50,003…50,020
Диаметр шейка под втулку шестерни постоянного зацепления четвертой шестерни — 47,003…47,020
Диаметр шейки косозубой шестерни постоянного зацепления второй шестерни — 60,920…60,940
Толщина зуба шлицевой части вала синхронизатора:
Шестерни вторая и третья — 8,88…8,94
Шестерни четвертая и пятая — 10,90…10,95
Толщина зуба шлицевой части вала для первой шестерни — 10,88…10,94
Толщина зуба шлицевой части вала под фланец 5,99…5,94
вал промежуточный
Вал промежуточный изготовлен из стали 25ХГМ, глубина науглероживания 0,8…1,1 мм, твердость поверхностный слой – HRCе 58…61, твердость сердцевины – HRCе 35…45.
Биение шеек промежуточного вала относительно оси допускается не более 0,04 мм. Неисправные шейки вала можно отремонтировать путем хромирования с последующей механической обработкой до номинальных размеров.
Вес коробки ЗИЛ-130 -98кг
Размеры сальников: 1 Сальник первичного вала 42x62x10 2 Сальник вторичного вала 58x8x16
Масло в коробку ЗИЛ-130 Тад-17 5,1 л
ПОСМОТРЕТЬ ВИДЕО
ПОДБЕРЕМ оптимальный способ доставки с учетом приемлемых для Вас сроков доставки и стоимости
Мы отправим необходимую запчасть в Ваш город выбранной Вами транспортной компанией или самостоятельно подберем ту, которая будет соответствовать Вашим ожиданиям с точки зрения времени и стоимости. Список компаний, с которыми мы работаем, можно найти ниже.
БЕСПЛАТНАЯ ДОСТАВКА запчасти, независимо от ее веса и стоимости, до терминала выбранной Вами транспортной компании. Таким образом, вы оплачиваете услуги доставки исключительно транспортной компании
Доставка осуществляется транспортными компаниями:
ВНИМАНИЕ!
Точную стоимость доставки определяет транспортная компания.
ПРИМЕЧАНИЕ!
Любой частично оплаченный товар (внесена предоплата) отправляется только транспортной компанией «Деловые линии»
Бесплатная доставка для жителей Москвы, Владимира и Ульяновска
Для жителей этих городов, кроме доставка до терминала транспортной компании, есть вариант абсолютно БЕСПЛАТНАЯ доставка.
Раз в неделю доставляем запчасти в эти города.
Доставка заказа адресату не осуществляется! Заказ необходимо забрать самостоятельно в месте прибытия нашей машины (или в пути).
Доставка для жителей Нижнего Новгорода по адресу
В пределах Нижнего Новгорода ДОСТАВКА БЕСПЛАТНАЯ ВСЕГДА по адресу.
Информация для физических лиц
Как я могу оплатить заказанный товар?
- Безналичный расчет.
- В случае невозможности перечисления средств с расчетного счета, наша организация выставляет физическому лицу счет, который он может оплатить в любом банке.
Когда я могу произвести оплату?
- Полная оплата при покупке. ПРИМЕЧАНИЕ! При этом заказ отправляется любой транспортной компанией.
- Частичная предоплата. Оплачивается часть стоимости товара, остальная сумма — после прибытия агрегата на терминал транспортной компании в вашем городе. ПРИМЕЧАНИЕ! В этом случае заказ отправляется исключительно Деловыми линиями.

ВАЖНО! При полной и частичной оплате мы вышлем Вам копию оформленной товарно-транспортной накладной, заверенную печатью, с указанием наименования товара и его стоимости. Оригинал счета придет вместе с товаром.
Информация для юридических лиц
Товар оплачивается по безналичному расчету.
Как получить аккаунт?
Вы отправляете нам реквизиты компании по электронной почте, мы выставляем счет и оформляем договор. Договор подписывается обеими сторонами, после чего клиент оплачивает счет.
Как оплатить счет?
Оплата по безналичному расчету на расчетный счет компании по реквизитам, указанным в счете. Все отчетные документы высылаются вместе с товаром. Возможна отсрочка платежа (по согласованию с руководством).
Все товары в нашем интернет-магазине имеют расширенную гарантию 6 месяцев (на электронику расширенная гарантия 3 месяца). Гарантийный талон отправляется покупателю вместе с запчастью.
Что входит:
Гарантийная замена запчасти в случае брака в течение 6 месяцев
В случае производственного брака возможен обмен детали по гарантии в течение полугода после покупки.
Для этого:
- Вам необходимо отправить товар обратно к нам.
- Если устранение неисправности подтвердит производственный брак, мы вышлем вам новую запчасть. Транспортные расходы по отправке замененной детали вам берет на себя наша компания.
- Если при устранении неисправности установлено, что запчасть была повреждена в результате неправильной эксплуатации, мы можем отремонтировать ее с вашего согласия за ваш счет. В случае отказа в ремонте мы отправим вам деталь обратно. В этом случае транспортные расходы по отправке товара ложатся на вас.
Ремонт запчастей
При обнаружении неисправности вы можете отремонтировать деталь в нашей компании.
Для этого:
- Отправьте нам товар обратно.
- Сразу после получения автозапчастей мы проводим дефектовку товара (3-10 дней).
- После устранения неисправности мы можем отремонтировать запчасть по нашему прайс-листу с вашего согласия.
В случае отказа в ремонте мы отправим вам деталь обратно. В этом случае транспортные расходы по отправке товара ложатся на вас.
Сервис нашего интернет-магазина позволяет сделать заказ очень быстро и легко!
1. Консультация и подбор товара
Если вы точно не знаете, какие автозапчасти вам нужны, вы можете получить консультацию нашего специалиста по телефону. Для этого оставьте заявку на бесплатную консультацию с помощью кнопки в шапке сайта (специалист перезвонит вам в течение нескольких минут), кроме того, вы можете позвонить по номеру, указанному в шапке сайта, звонок будет бесплатным для тебя.
2. Оформление и подтверждение заказа
Перейдя в карточку выбранного Вами товара, Вы можете сначала рассчитать стоимость доставки, а затем оформить заказ или сразу оформить заказ, нажав соответствующую кнопку. Оформление заказа предполагает заполнение нескольких обязательных полей: ФИО, номер мобильного телефона и город доставки. Для более быстрого заказа вы можете воспользоваться формой обратной связи, просто нажав на красный кружок «Заказать» и введя свой номер телефона.
Для юридических лиц есть возможность отправить детали и заказ прямо на электронную почту [email protected]
в свободной форме.
После заполнения полей нажмите Оформить заказ . Копия заказа будет отправлена на вашу электронную почту, указанную при оформлении заказа.
Внимание! Неверный номер телефона, неточный или неполный адрес могут привести к дополнительной задержке! Пожалуйста, внимательно проверяйте свои личные данные при регистрации и оформлении заказа.
В течение часа после оформления заказа наш менеджер свяжется с Вами для согласования позиций заказа, времени, способа и места доставки.
Что еще может понадобиться?
Здесь мы собираем различную информацию о ремонте.
Какие реквизиты и документы могут потребоваться.
Страница находится в разработке. Информация собирается от тех, кто прошел через этот процесс.
Кто знает поделитесь пожалуйста.
По вопросам регистрации переоборудованного автомобиля в МРЭО:
По нашим данным сначала автомобиль должен быть представлен в МРЭО со старым двигателем для осмотра, для получения разрешения на переоборудование у начальника МРЭО или его заместителя есть специальная форма заявления.
Затем получить заключение профильного института (НАМИ) о возможности данной переделки, с перечнем работ и возможных мест выполнения. В заключении должен быть указан сервисный номер услуги, которая есть в справке.
Далее найдите сервис с нужным сертификатом, переоборудуйте его или купите документы.
После этого предоставьте машину для инструментального контроля на диагностической станции. Потом снова в МРЭО.
Еще нюансы:
1. Коробка передач БЫЧКА и ЗИЛ-130 почти один в один, только первичный вал переставляешь или укорачиваешь первичный вал от ЗИЛ-130 примерно на 3см. Разница возникает из-за размеров картера сцепления Бычка и ЗИЛ-130.
2. Вот кронштейн передней опоры — заводской и никаких соплей из швеллеров.
Не изобретайте велосипед, все уже изобретено.
У нас есть кронштейны.
3. Исходный бензиновый двигатель ЗИЛ-508 более высокооборотный, а дизель Д245 — меньший.
Передаточные числа коробки передач подобраны под более оборотистый двигатель, из-за этого скорость переделанного автомобиля с родной 130-й коробки передач будет падать.
С этим можно мириться (скорость автомобиля будет в пределах 60 км/ч), а можно поставить ускоренную коробку передач 432930 (арт. 3206-1700004-20).
Скорость увеличится на 20-30 км/ч.
Еще иногда люди меняют редуктор заднего моста и ставят шины большего размера.
4. Нужен или не нужен интеркулер решать вам.
ПОДБЕРЕМ оптимальный способ доставки с учетом приемлемых для Вас сроков доставки и стоимости
Мы отправим необходимую запчасть в Ваш город выбранной Вами транспортной компанией или самостоятельно подберем ту, которая будет соответствовать Вашим ожиданиям с точки зрения времени и стоимости. Список компаний, с которыми мы работаем, можно найти ниже.
БЕСПЛАТНАЯ ДОСТАВКА запчасти, независимо от ее веса и стоимости, до терминала выбранной Вами транспортной компании. Таким образом, вы оплачиваете услуги доставки исключительно транспортной компании
Доставка осуществляется транспортными компаниями:
ВНИМАНИЕ!
Точную стоимость доставки определяет транспортная компания.
ПРИМЕЧАНИЕ!
Любой товар частично оплаченный (внесена предоплата) отправляется только транспортной компанией «Деловые Линии»
Бесплатная доставка для жителей Москвы, Владимира и Ульяновска
Для жителей этих городов, помимо доставки до терминала транспортной компании, есть опция АБСОЛЮТНО БЕСПЛАТНАЯ доставка.
Раз в неделю доставляем запчасти в эти города.
Доставка заказа адресату не осуществляется! Заказ необходимо забрать самостоятельно в месте прибытия нашей машины (или в пути).
Доставка для жителей Нижнего Новгорода по адресу
В пределах Нижнего Новгорода ДОСТАВКА БЕСПЛАТНАЯ ВСЕГДА до адреса.
Информация для физических лиц
Как я могу оплатить заказанный товар?
- Безналичный расчет.
- В случае невозможности перечисления средств с расчетного счета, наша организация выставляет физическому лицу счет, который он может оплатить в любом банке.

Когда я могу произвести оплату?
- Полная оплата при покупке. ПРИМЕЧАНИЕ! При этом заказ отправляется любой транспортной компанией.
- Частичная предоплата. Оплачивается часть стоимости товара, остальная сумма — после прибытия агрегата на терминал транспортной компании в вашем городе. ПРИМЕЧАНИЕ! В этом случае заказ отправляется исключительно Деловыми линиями.
ВАЖНО! При полной и частичной оплате мы вышлем Вам копию оформленной товарно-транспортной накладной, заверенную печатью, с указанием наименования товара и его стоимости. Оригинал счета придет вместе с товаром.
Информация для юридических лиц
Товар оплачивается по безналичному расчету.
Как получить аккаунт?
Вы отправляете нам реквизиты компании по электронной почте, мы выставляем счет и оформляем договор. Договор подписывается обеими сторонами, после чего клиент оплачивает счет.
Как оплатить счет?
Оплата по безналичному расчету на расчетный счет компании по реквизитам, указанным в счете.
Все отчетные документы высылаются вместе с товаром. Возможна отсрочка платежа (по согласованию с руководством).
Все товары в нашем интернет-магазине имеют расширенную гарантию 6 месяцев (на электронику расширенная гарантия 3 месяца). Гарантийный талон отправляется покупателю вместе с запчастью.
Что входит:
Гарантийная замена запчастей в случае брака в течение 6 месяцев
В случае производственного брака возможен обмен детали по гарантии в течение полугода после покупки.
Для этого:
- Вам необходимо отправить товар обратно к нам.
- Если устранение неисправности подтвердит производственный брак, мы вышлем вам новую запчасть. Транспортные расходы по отправке замененной детали вам берет на себя наша компания.
- Если при устранении неисправности установлено, что запчасть была повреждена в результате неправильной эксплуатации, мы можем отремонтировать ее с вашего согласия за ваш счет. В случае отказа в ремонте мы отправим вам деталь обратно.
В этом случае транспортные расходы по отправке товара ложатся на вас.
Ремонт запчастей
При обнаружении неисправности вы можете отремонтировать деталь в нашей компании.
Для этого:
- Отправьте нам товар обратно.
- Сразу после получения автозапчастей мы проводим дефектовку товара (3-10 дней).
- После устранения неисправности мы можем отремонтировать запчасть по нашему прайс-листу с вашего согласия. В случае отказа в ремонте мы отправим вам деталь обратно. В этом случае транспортные расходы по отправке товара ложатся на вас.
Сервис нашего интернет-магазина позволяет сделать заказ очень быстро и легко!
1. Консультация и подбор товара
Если вы точно не знаете какие автозапчасти вам нужны, вы можете получить консультацию у нашего специалиста по телефону. Для этого оставьте заявку на бесплатную консультацию с помощью кнопки в шапке сайта (специалист перезвонит вам в течение нескольких минут), кроме того, вы можете позвонить по номеру, указанному в шапке сайта, звонок будет бесплатным для тебя.
2. Оформление и подтверждение заказа
Перейдя в карточку выбранного Вами товара, Вы можете сначала рассчитать стоимость доставки, а затем оформить заказ или сразу оформить заказ, нажав соответствующую кнопку. Оформление заказа предполагает заполнение нескольких обязательных полей: ФИО, номер мобильного телефона и город доставки. Для более быстрого заказа вы можете воспользоваться формой обратной связи, просто нажав на красный кружок «Заказать» и введя свой номер телефона.
Для юридических лиц есть возможность отправить детали и заказать прямо на электронную почту [email protected]
в свободной форме.
После заполнения полей нажмите Оформить заказ . Копия заказа будет отправлена на вашу электронную почту, указанную при оформлении заказа.
Внимание! Неверный номер телефона, неточный или неполный адрес могут привести к дополнительной задержке! Пожалуйста, внимательно проверяйте свои личные данные при регистрации и оформлении заказа.
В течение часа после оформления заказа наш менеджер свяжется с Вами для согласования позиций заказа, времени, способа и места доставки.
Каждый автомобилист, хоть раз сталкивавшийся с вождением автомобиля ЗИЛ 130 или 131, с уверенностью скажет, что для этого «железного коня» практически нет преград. Однако если вы впервые садитесь за руль такого агрегата, то наверняка заинтересоваться схемой переключения передач ЗИЛ 130. Тем более, что она достаточно оригинальна и непривычна для рядового автолюбителя.
[ Скрыть ]
Как устроена коробка передач автомобиля ЗИЛ 130?
Автомобили ЗИЛ 130 и 131 оснащены трехступенчатой механической пятиступенчатой коробкой переключения передач. Коробка передач этого транспортного средства позволяет водителю двигаться вперед с пятью скоростями и назад с одной. Чертеж устройства вы можете найти ниже. Как видно на схеме, коробка передач ЗИЛ 130 и 131 оснащена двумя инерционными синхронизаторами, в состав которых входят второй и третий, а также четвертый и пятый.
Приводной вал вместе с шестерней и зубчатым венцом включения пятой (прямой) скорости установлен в картере на подшипниках. Кроме того, в расточке самого шкива установлен цилиндрический роликоподшипник, а вторичный шкив, в свою очередь, опирается на него. Промежуточный вал в коробке ЗИЛ 130 и 131 монтируется в нижнем картерном отсеке. На этом валу установлена другая шестерня, находящаяся в регулярном зацеплении с приводом первичного вала (ПВ). Здесь разработчики моделей 130 и 131 решили установить колеса второй, третьей и четвертой скоростей.
Кроме того, на кардан установлены прямозубые шестерни, предназначенные для включения заднего (реверсивного) привода и первой передачи. Также включение этих режимов обеспечивают прямозубые шестерни и узлы синхронизатора, установленные на шлицах вторичного шкива.
Кроме того, на вторичном валу установлены дополнительные шестерни:
- для включения второй передачи;
- для активации третьего режима;
- для включения четвертого.

А эти зубчатые венцы во время работы находятся в постоянном зацеплении с колесами, установленными на промежуточном диске. Блок реверсивного движения установлен на специальных роликовых подшипниках, которые расположены на оси в картере. Здесь они установлены достаточно надежно. Кардан заднего хода также работает в зацеплении с натяжным шкивом посредством дополнительных колес.
Что касается внутренней части картера, то сюда заливается рабочая жидкость, поэтому эта часть всегда закрыта от мусора и пыли. Здесь же установлен механизм переключения. Следует отметить, что механизм переключения коробки на ЗИЛ 130 и 131 по своему принципу устроен так же, как и на ГАЗ 53.
Схема переключения
Схема переключения на ЗИЛ 130 и 131 контрольно-пропускные пункты представлены ниже. В целом схема оригинальная, но если верить словам З.И.Ловодова, то к ней можно очень быстро привыкнуть.
Как работает коробка передач этой марки автомобиля?
При включении первой скорости на коробке передач автомобилей моделей 130 и 131 шестерня начинает двигаться по канавкам и входит в зацепление с карданом первого режима коробки передач на промежуточном валу.
При этом крутящий момент начинает передаваться от первичного шкива через шестерни и другие вспомогательные элементы на вторичный диск. Передаточное число 7,44.
Когда автомобилист включает вторую скорость, муфта, установленная на синхронизаторе, начинает воздействовать на зубья этой шестерни. В результате того, что этот компонент уже функционирует от компонентов промежуточной шестерни, крутящий момент начинает передаваться с первичного элемента на вторичный. При этом момент проходит через все колеса с зубьями, а также кардан синхронизатора. В этом случае передаточное число будет 4,1.
В том случае, если водитель включает третью скорость, диск синхронизатора перестает воздействовать на детали и элементы второй передачи. Муфта переместится по шлицам и войдет в зацепление с элементом третьего режима коробки передач моделей 130 или 131. А этот элемент, в свою очередь, уже находится в зацеплении с колесом третьей передачи промежуточного кардана. Таким образом, крутящий момент начинает передаваться от ПВ через вспомогательные элементы и муфту на вторичный шкив.

Закрыть отверстие под крышку коробки передач картонной крышкой, прикрепив ее двумя болтами;


с.
О. и ремонте…………………………………………………………..10
Грузоподъемность самосвала 4000 кг. Общая масса прицепа с грузом 8000 кг, база шасси 3800 мм. Самосвал оборудован металлическим кузовом и гидравлическим устройством для разгрузки кузова на обе стороны и назад.
При такте впуска в цилиндре двигателя создается разряжение, передающееся в карбюратор и в установленный на нем воздушный фильтр. Очищенный воздух проходит в смесительную камеру, где из жиклеров подается топливо. Испаряющееся топливо перемешивается с воздухом, образуя горючую смесь. Из карбюратора по впускному трубопроводу горючая смесь поступает в цилиндры двигателя. Газы, образовавшиеся после быстрого сгорания рабочей смеси в цилиндре, расширяются, давят на поршень, и он опускается в низ, совершая рабочий ход. После рабочего хода отработавшие газы через открытый выпускной клапан вытесняются поршнем в выпускной трубопровод. Затем они поступают в приемные трубы глушителя, выпускную трубу и в атмосферу.
В корпусе имеется закрытое пробкой отверстие для контроля состояния диафрагмы. Если при вывертывании пробки из него вытекает бензин, это означает, что диафрагма повреждена и ее следует заменить.
В связи с этим двуплечий рычаг этого насоса не прямой, как у насосов Б-9 и Б-10, а изогнутый.
У автобусов ЗИЛ-158В и ЛиАЗ-677 применен совмещенный привод ручного управления дросселями и воздушной заслонкой: при закрытии воздушной заслонки дроссели автоматически приоткрываются на небольшой угол посредством тяги, связывающей между собой рычаг их валика с рычагом валика воздушной заслонки. Кнопка троса управления этим приводом находится в кабине водителя.






Ильин. 1972 г.
К главной особенности можно отнести четырехтактный цикл и верхнее расположение клапанов.
Это нужно для того, чтобы новый агрегат подошел по размеру. Ведь если этого не соблюсти, то вы не получите хорошего результата. Новый силовой агрегат, переоборудованный в дизельный, устанавливается на подготовленное место.

В этот момент шестерня с электродвигателем отключается (за счет срабатывания обгонной муфты — именно она размыкает соединение) и маховик вращается без ее помощи. Электричество больше не поступает на стартер. Он находится в выключенном состоянии до следующего пуска.
Минимальный диаметр механизма после обработки – 38 миллиметров.


В случае отказа в ремонте мы отправим вам деталь обратно. В этом случае транспортные расходы по отправке товара ложатся на вас.