Содержание
Схемы пуска электрических двигателей — презентация онлайн
Похожие презентации:
3D печать и 3D принтер
Видеокарта. Виды видеокарт
Анализ компании Apple
Трансформаторы тока и напряжения
Транзисторы
Устройство стиральной машины LG. Электрика
Конструкции распределительных устройств. (Лекция 15)
Электробезопасность. Правила технической эксплуатации электроустановок
Магнитные пускатели и контакторы
Работа на радиостанциях КВ и УКВ диапазонов. Антенны военных радиостанций. (Тема 5.1)
Тема урока:
Схемы пуска электрических двигателей
Задачи урока:
1. Схемы пуска асинхронных двигателей
2. Автотрансформаторный пуск
3. Реостатный пуск
4. Реакторный способ пуска
5. Торможение приводов
Цель урока: Изучить виды пуска электрических двигателей и
научиться собирать схемы пуска.
Пуск электродвигателей
Пусковые свойства электродвигателей характеризуются:
— Пусковым моментом
— Током
Большие
пусковые
токи
недопустимы
по
условием
механической прочности электродвигателей и по условием
работы электроприемников.
Низким пусковым моментом обладают двигатели с обмоткой
ротора в виде беличьего колеса.
Пуск асинхронного двигателя с короткозамкнутым ротором
производят прямым включением обмотки статора на полное
напряжение сети.
Различают схемы нереверсивного и реверсивного пуска.
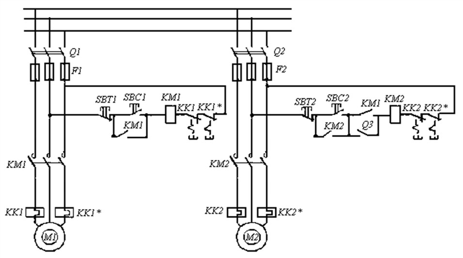
НЕРЕВЕРСИВНАЯ СХЕМА УПРАВЛЕНИЯ ПУСКОМ
Управление двигателем двухкнопочным постом
РЕВЕРСИВНАЯ СХЕМА УПРАВЛЕНИЯ ПУСКОМ
Управление двигателем с помощью трехкнопочного поста
Пуск с переключением со звезды на треугольник
Применяется только в том случае если пусковой момент
на валу составляет не более 40% от номинальной
нагрузки двигателя. При большой нагрузке на валу
двигатель не придет во вращение.
В момент пуска на несколько секунд
соединяют двигатель звездой.
Пуск
асинхронного
двигателя
переключением
со
звезды
на
треугольник требует, чтобы напряжение
на
фазной
обмотке
статора
соответствовало
линейному
напряжению сети.
Если на щитке
двигателя указано, — 380/220, то
переключать его на треугольник в сети с
линейным напряжением 380 в нельзя, так
как фазные обмотки, рассчитанные на
напряжение 220 в, попадут под линейное
напряжение 380 в и могут сгореть.
Автотрансформаторный пуск
Применяется для более плавного пуска в ход асинхронного двигателя с
короткозамкнутым ротором.
В момент пуска двигателя включают рубильник 1 и постепенно
увеличивают напряжение на двигателе. После того как ротор
раскрутится, через автотрансформатор подают на двигатель
все напряжение сети и включают рубильник 2.
Реакторный способ пуска асинхронного двигателя
Реакторный способ пуска асинхронного
двигателя с короткозамкнутым ротором
состоит
в
том,
что
вместо
автотрансформатора
подключается
пусковой реактор, представляющий собой
реактивное сопротивление. При замыкании
рубильника 1 часть напряжения сети падает
на реакторе, чем уменьшается напряжение
на обмотках двигателя.
Как только ротор
двигателя придет во вращение, включают
рубильник 2, который закорачивает реактор,
и все напряжение сети полностью падает на
двигатель.
Реостатный пуск асинхронных двигателей
Реостатный пуск применяют для асинхронных двигателей с
фазным ротором. Пусковой реостат включается в цепь ротора
через щетки и контактные кольца.
Торможение электрических приводов
Электрическим торможением называют такой режим, при котором
вращающийся момент электродвигателя направлен навстречу
направления вращения вала.
Используется для быстрой и точной
остановки или для изменения направления
движения производственного механизма
English
Русский
Правила
45. Схемы пуска асинхронного двигателя с короткозамкнутым ротором.
Наиболее простым способом пуска двигателя
с короткозамкнутым ротором является
включение обмотки его статора
непосредственно в сеть, на номинальное
напряжение обмотки статора (рис.
28-1, а).
Такой пуск называется прямым.
Рис. 28-1. Схемы способов пуска
двигателей с короткозамкнутым ротором: а —
прямой; б — реакторный; в —
автотрансформаторный; г —
с переключением со звезды на треугольник
46.Пуск двигателя с фазным ротором.
Одной
из разновидностей асинхронного двигателя
является двигатель с фазным ротором.
На практике данный двигатель довольно
часто применяется, благодаря улучшенным
пусковым свойствам и характеристикам.
Устройство
асинхронного двигателя с фазным ротором
Как
и у АД с короткозамкнутым ротором,
сердечник его статора набирается из
листов электротехнической стали, а
затем спрессовывается. В пазы сердечника
укладываются фазные обмотки, концы
которых затем выводятся в коробку,
расположенную на корпусе двигателя.
Отличие
заключается в роторе двигателя. Он
также, как и статор набирается из листов
стали, спрессовывается и в него набирается
фазная обмотка.
Причем число фаз ротора
равно числу фаз статора, в то время как
у короткозамкнутого, каждый стержень
“беличьей клетки” образует отдельную
фазу. Отсюда название – фазный
ротор.
Концы
фаз фазного ротора соединяются с
контактными кольцами, которые расположены
на валу ротора. В свою очередь, контактные
кольца соприкасаются с графитовыми
щетками, которые имеют выводы в коробку
на корпусе, для возможности подключения
дополнительного сопротивления. Это
сопротивление в цепи ротора оказывает
влияние на токи, протекающие в нем, а
как следствие на его характеристики.
При увеличении сопротивления цепи
ротора, механическая характеристика
становится более мягкой.
Влияние
сопротивления сказывается и на пуске
двигателя, а именно добавочное
сопротивление позволяет осуществить
более мягкий пуск, снизить пусковые
токи и моменты и как следствие, снизить
удары в механической части привода в
момент пуска.
Как
правило, используют переменное
сопротивление, которое уменьшают с
увеличением оборотов двигателя.
Так
как зачастую оно представляет из себя
ступенчатый реостат, то и пуск двигателя
осуществляется тоже ступенчато.
Для
увеличения КПД двигателя и сохранения
целостности щеток в конструкции двигателя
предусматривается специальное
щеткоснимательное устройство, которое
убирает щетки после пуска. КПД повышается
за счет того, что на щетках падает часть
напряжения.
Таким
образом, преимуществом асинхронного
двигателя с фазным ротором является
возможность пуска под нагрузкой, но
недостатком является более сложная
конструкция, а также его дороговизна
по сравнению с двигателем с короткозамкнутым
ротором. Короткозамкнутый кроме того,
является более простым и надежным, не
требует дополнительных устройств.
47. Регулирование скорости вращения асинхронного двигателя с фазным ротором.
Частота
вращения ротора равна
При
этом, синхронная частота вращения
зависит от частоты напряжения и числа
пар полюсов
Исходя
из этого, можно сделать вывод, что
регулировать скорость АД можно с помощью
изменения скольжения, частоты и числа
пар полюсов.
Рассмотрим основные способы
регулировки.
Регулирование скорости
с помощью изменения активного сопротивления
в цепи ротора
Этот способ регулирования
скорости применим в двигателях
с фазным ротором. При этом в цепь
обмотки ротора включается реостат,
которым можно плавно увеличивать
сопротивление. С увеличением сопротивления,
скольжение двигателя растёт, а скорость
падает. Таким образом, обеспечивается
регулировка скорости вниз от естественной
характеристики.
Недостатком данного способа является
его неэкономичность, так как при
увеличении скольжения, потерив
цепи ротора растут, следовательно, КПД
двигателя падает. Плюс к этому,механическая
характеристикадвигателя
становится более пологой и мягкой, из-за
чего небольшое изменение момента
нагрузки на валу, вызывает большое
изменение частоты вращения.
Регулирование скорости
данным способом не эффективно, но,
несмотря на это применяется в двигателях
с фазным ротором.
Регулирование скорости
двигателя с помощью изменения напряжения
питания
Данный способ регулирования
можно осуществить, если включить в цепь
автотрансформатор, перед статором,
после питающих проводов. При этом, если
снижать напряжение на выходе
автотрансформатора, то двигатель будет
работать на пониженном напряжении. Это
приведёт к снижению частоты вращения
двигателя, при постоянном моменте
нагрузки, а также к снижению перегрузочной
способности двигателя. Это связано с
тем, что при уменьшении напряжения
питания, максимальный момент двигателя
уменьшается в квадрат раз. Кроме того,
этот момент уменьшается быстрее, чем
ток в цепи ротора, а значит, растут и
потери, с последующим нагревом двигателя.
Способ регулирования
изменением напряжения, возможен только
вниз от естественной характеристики,
так как увеличивать напряжение выше
номинального нельзя, потому что это
может привести к большим потерям в
двигателе, перегреву и выходу его из
строя.
Кроме автотрансформатора,
можно использовать тиристорный регулятор
напряжения.
Регулирование скорости
с помощью изменения частоты питания
При данном способе
регулирования, к двигателю подключается
преобразователь частоты (ПЧ). Чаще всего
это тиристорный преобразователь частоты.
Регулирование скорости осуществляется
изменением частоты напряжения f, так
как она в данном случае влияет на
синхронную скорость вращения двигателя.
При снижении частоты
напряжения, перегрузочная способность
двигателя будет падать, чтобы этого не
допустить, требуется повысить величину
напряжения U1.
Значение на которое нужно повысить,
зависит от того какой привод. Если
регулирование производится с постоянным
моментом нагрузки на валу, то напряжение
нужно изменять пропорционально изменению
частоты (при снижении скорости). При
увеличении скорости этого делать не
следует, напряжение должно оставаться
на номинальном значении, иначе это может
причинить вред двигателю.
Если регулирование скорости
производится с постоянной мощностью
двигателя (например, в металлорежущих
станках), то изменение напряжения
U1необходимо
производить пропорционально квадратному
корню изменения частоты f1.
При регулировании установок
с вентиляторной
характеристикой,
необходимо изменять подводимое напряжение
U1 пропорционально
квадрату изменения частоты f1.
Регулирование с помощью
изменения частоты, является наиболее
приемлемым вариантом для асинхронных
двигателей, так как при нем обеспечивается
регулирование скорости в широком
диапазоне, без значительных потерь и
снижения перегрузочных способностей
двигателя.
Регулирование скорости
АД изменением числа пар полюсов
Такой способ регулирования
возможен только в многоскоростных
асинхронных двигателях с короткозамкнутым
ротором, так как число полюсов этого
ротора, всегда равно количеству полюсов
статора.
В соответствии с формулой,
которая рассматривалась выше, скорость
двигателя можно регулировать изменением
числа пар полюсов. Причём, изменение
скорости происходит ступенчато, так
как количество полюсов принимают только
определённые значения – 1,2,3,4,5.
Изменение количества полюсов
достигается переключением катушечных
групп статорной обмотки. При этом катушки
соединяются различными схемами
соединения, например “звезда — звезда”
или “звезда – двойная звезда”. Первая
схема соединения даёт изменение
количества полюсов в соотношении 2:1.
При этом обеспечивается постоянная
мощность двигателя при переключении.
Вторая схема изменяет количество полюсов
в таком же соотношении, но при этом
обеспечивает постоянный момент двигателя.
Применение данного способа
регулирования оправдано сохранением
КПД и коэффициента мощности при
переключении. Минусом же является более
сложная и увеличенная конструкция
двигателя, а также увеличение его
стоимости.
Асинхронные асинхронные двигатели
— электрические характеристики
Приведенную ниже таблицу можно использовать для определения электрических характеристик асинхронных асинхронных двигателей 380 Voltage .
380 Напряжение 50 Гц Двигатели обычно используются в Европе. Обратите внимание, что номинальное напряжение существующих систем 220/380 В и 240/415 В приближается к рекомендованному IEC значению 230/400 В .
| Номинальная мощность | Номинальный ток — I N — (A) | ПРИКЛЮЧЕНИЕ ПРЕДВОЧКА (A) | ЗВЕЗДА — Delta начал (A) | Star — Delta начал (A) | Star -Delta (A) | ЗВЕДО. n — (A) | Circuit Breaker — I n — (A) | |
|---|---|---|---|---|---|---|---|---|
| kW | HP | |||||||
0. 2 | 0.3 | 0.7 | 2 | 2 | 16 | |||
| 0.33 | 0.5 | 1.1 | 2 | 2 | 16 | |||
| 0.5 | 0.7 | 1.4 | 2 | 2 | 16 | |||
| 0.8 | 1.1 | 2.1 | 4 | 4 | 16 | |||
| 1.1 | 1.5 | 2.6 | 4 | 4 | 16 | |||
| 1.5 | 2 | 3.6 | 6 | 4 | (16) 22 | 16 | ||
| 2.2 | 3 | 5.0 | 10 | 6 | (16) 22 | 16 | ||
| 3 | 4 | 6.6 | 16 | 10 | (16) 22 | 16 | ||
| 4 | 5.5 | 8. 5 | 20 | 16 | (16) 22 | 16 | ||
| 5.5 | 7.5 | 11.5 | 25 | 20 | (16 ) 22 | 16 | ||
| 7.5 | 10 | 15.5 | 35 | 25 | (25) 22 | 25 | ||
| 11 | 15 | 22.2 | 35 | 35 | (40) 30 | 40 | ||
| 15 | 20 | 30 | 50 | 35 | (40) 30 | 40 | ||
| 22 | 30 | 44 | 63 | 50 | (63) 60 | 60 | ||
| 30 | 40 | 57 | 80 | 63 | (63) 60 | 60 | ||
| 45 | 66 | 85 | 125 | 100 | 90 | 100 | ||
| 55 | 75 | 104 | 160 | 125 | 110 | 100 | ||
| 75 | 100 | 140 | 200 | 160 | 150 | 200 | ||
| 90 | 125 | 168 | 225 | 200 | 220 | 200 | ||
| 110 | 150 | 205 | 300 | 250 | 220 | 200 | ||
| 132 | 180 | 245 | 400 | 300 | 300 | 400 | ||
| 160 | 220 | 290 | 430 | 300 | 300 | |||
| 360 | 500 | 430 | 480 | 400 | ||||
| 240 | 325 | 430 | 630 | 500 | 480 | 480 | ||
Full-voltage, single- пускатели скоростных электродвигателей
Пускатели полного напряжения (ручные и магнитные) подают полное напряжение непосредственно на клеммы двигателя.
Односкоростные пускатели двигателей пониженного напряжения
Для некоторых машин или нагрузок может потребоваться плавный пуск и плавное ускорение до полной скорости.
Многие пускатели применяют пониженное напряжение к обмоткам двигателя, первичному резистору, первичному дросселю, автотрансформатору и твердотельным устройствам. Пускатели с частичной обмоткой и пускатели «звезда-треугольник» также могут обеспечивать пуск при пониженном напряжении, хотя технически они не являются пускателями с пониженным напряжением.
Защита двигателя
Двигатели должны иметь собственную защиту, защиту в ответвленной цепи и в фидерной линии. Защита, обеспечиваемая плавкими предохранителями и автоматическими выключателями, предотвращает неисправности, вызванные короткими замыканиями или замыканиями на землю, а также перегрузки по току, превышающие значения для заторможенного ротора.
Что такое стартер двигателя? Различные типы пускателей двигателей
Основная функция пускателя двигателей заключается в пуске и остановке двигателя, к которому он подключен.
Это специально разработанные электромеханические переключатели, похожие на реле. Основное отличие реле от пускателя состоит в том, что пускатель содержит защиту двигателя от перегрузки. Таким образом, назначение пускателя двоякое: автоматически или вручную переключать питание на двигатель и в то же время защищать двигатель от перегрузки или неисправностей.
Доступны пускатели двигателей различных номиналов и размеров в зависимости от номинала и размера двигателя (двигателя переменного тока). Эти статеры безопасно переключают необходимую мощность на двигатель, а также предотвращают потребление двигателем больших токов. Давайте посмотрим более подробно о необходимости пускателя двигателя, различных типах пускателя двигателя, а также их электрических схемах. В этой статье мы будем иметь дело только с пускателями двигателей переменного тока, поскольку они являются рабочими лошадками в промышленности и коммерческих приложениях.
Описание
Зачем двигателям нужен пускатель?
Статор необходим для асинхронного двигателя (трехфазного типа) для ограничения пускового тока.
В трехфазном асинхронном двигателе ЭДС, индуцированная ротором, пропорциональна скольжению (это относительная скорость между статором и ротором) асинхронного двигателя. Эта ЭДС ротора пропускает ток через ротор.
Когда двигатель находится в состоянии покоя (при пуске), скорость двигателя равна нулю и, следовательно, максимальное скольжение. Это индуцирует очень высокую ЭДС в роторе в начальных условиях, и, таким образом, через ротор протекает очень большой ток.
Поскольку ротору требуется большой ток, обмотка статора потребляет очень большой ток от источника питания. Этот начальный ток потребления может в 5-8 раз превышать ток полной нагрузки двигателя.
Этот огромный ток при запуске двигателя может повредить обмотки двигателя, а также вызвать сильное падение напряжения в линии.
Эти скачки напряжения могут повлиять на другие устройства, подключенные к той же линии. Следовательно, для ограничения этого пускового тока необходим стартер, чтобы избежать повреждения двигателя, а также другого соседнего оборудования.
Пускатель — это устройство, которое снижает начальный высокий ток двигателя за счет снижения напряжения питания, подаваемого на двигатель. Такое снижение применяется в течение очень короткого промежутка времени, и как только двигатель разгоняется, значение скольжения уменьшается, и, следовательно, применяется нормальное напряжение.
В дополнение к защите от пускового тока, пускатель двигателя также обеспечивает защиту от перегрузки, однофазную защиту и защиту от низкого напряжения.
Защита от перегрузки необходима, поскольку двигатель потребляет больший ток в условиях перегрузки, что приводит к чрезмерному нагреву обмоток. Это дополнительное тепло сокращает срок службы двигателя и может вызвать возгорание обмоток и, следовательно, возгорание.
Все пусковые устройства снабжены элементами защиты от перегрева для ограничения высокого тока при перегрузке. Большинство этих устройств работают по концепции перегрузки по времени, в которой ток перегрузки допускается на короткое время (очень несколько секунд), а затем останавливает двигатель, если ток существует дольше этого времени.
Большинство стартеров оснащены биметаллическими планками для выполнения этой операции.
Некоторые двигатели мощностью менее 5 л.с. подключаются напрямую (с помощью пускателя DOL) без снижения напряжения питания (в исходном состоянии), но они снабжены защитой от перегрузки, пониженного напряжения и однофазной защиты. Это связано с тем, что такие двигатели могут кратковременно выдерживать высокий пусковой ток.
Как работает стартер двигателя?
В основном пускатель представляет собой коммутационное устройство, состоящее из электрических контактов (как входящих, так и выходящих). По принципу действия пускатели в первую очередь делятся на ручные и электрические.
Ручной стартер состоит из рычага сбоку, который можно включить или выключить. Обычно они используются для небольших двигателей, поскольку они не могут работать дистанционно.
Этот тип пускателей двигателей обеспечивает перезапуск двигателей сразу же после отключения питания. Это мгновенное срабатывание двигателя после сбоя питания может привести к протеканию опасных токов в двигатель и, следовательно, к повреждению двигателя.
По этой причине большинство стартеров оснащены электрическими выключателями.
В пускателях с электрическим приводом для переключения силовых проводников используются электромеханические реле. Эти реле называются контакторами. Когда катушка в контакторе находится под напряжением, она создает электромагнитное поле, которое притягивает контакты переключателя.
А когда катушка обесточена, контакты возвращаются в нормальное положение под действием пружины. Обычно пускатели электродвигателей снабжены нажимными кнопками (кнопками пуска и остановки) для включения и выключения питания катушки, чтобы контакты срабатывали. Эти пускатели с электрическим приводом не будут перезапускаться после сбоя питания, пока не будет нажата кнопка пуска.
Различные технологии, используемые в пускателях двигателей
В большинстве промышленных операций используются трехфазные асинхронные двигатели по сравнению с двигателями любого другого типа. Существуют различные методы запуска трехфазного асинхронного двигателя.
Прежде чем знакомиться с различными типами пускателей, давайте сначала обсудим методы, используемые для пускателей асинхронных двигателей.
Метод полного напряжения
Этот метод часто называют прямым пуском от сети (DOL) и является наиболее распространенным способом пуска трехфазного асинхронного двигателя. В этом методе к двигателю прикладывается полное напряжение (или номинальное напряжение), поскольку по своей сути это самозапускающийся двигатель, для запуска которого требуется полное напряжение.
Этот метод применяется только для двигателей мощностью менее 5 л.с., как описано выше. Пускатели двигателей, использующие этот метод, называются пускателями DOL.
Метод пониженного напряжения: Этот метод используется для больших двигателей мощностью от 100 л.с. и выше (или для двигателей, потребляющих очень большие пусковые токи). Как обсуждалось ранее, эти двигатели с высоким номиналом потребляют очень высокие пусковые токи, а также могут вызвать падение напряжения в линии.
В таких случаях используется метод пониженного напряжения, при котором напряжение на двигателе сначала снижается на несколько секунд до тех пор, пока двигатель не начнет вращаться, а затем приложенное напряжение увеличивается до номинального напряжения питания, в результате чего двигатель вращается до номинальной скорости.
Пускатели электродвигателей, использующие метод понижения напряжения, называются пускателями пониженного напряжения. Обычно используемые пускатели с пониженным напряжением включают пускатели с сопротивлением статора, пускатели с автотрансформатором и пускатели с пуском по схеме «треугольник».
Техника двунаправленного пускателя
В некоторых процессах необходимо, чтобы двигатель работал как в прямом, так и в обратном направлении. Как правило, направление трехфазного двигателя можно изменить, заменив любые два провода (т. е. изменив последовательность RYB) трехфазного источника питания.
В этом методе используются два контактора с подходящим соединением и механизмом блокировки между ними для достижения двунаправленной работы.
Многоскоростной метод
В этом методе пускатели электродвигателей изготавливаются для подачи на двигатель различных напряжений для работы двигателя на разных скоростях.
Как правило, эти пускатели предназначены для работы двигателя на двух или трех различных скоростях с использованием двух или более контакторов. Большинство этих пускателей изготавливаются в версиях с полным и пониженным напряжением.
Типы пускателей электродвигателей
На основе описанных выше методов наиболее распространенные типы пускателей перечислены ниже.
- Стартер сопротивления статора
- Пускатель автотрансформатора
- Пускатель звезда-треугольник
- Прямой пускатель
- Устройство плавного пуска
Эти пускатели двигателей подробно рассматриваются в следующем разделе.
Пускатель сопротивления статора
В этом методе на асинхронный двигатель подается пониженное напряжение путем последовательного подключения внешних сопротивлений к каждой фазе обмотки статора.
Во время запуска двигателя эти сопротивления поддерживаются в максимальном положении, так что на двигатель подается пониженное напряжение из-за большого падения напряжения на сопротивлениях. Принципиальная схема этого типа пускателя показана на рисунке ниже.
Как только двигатель набирает скорость, сопротивление, подключенное к каждой фазе цепи статора, постепенно уменьшается. Когда эти сопротивления удаляются из цепи, на двигатель подается номинальное напряжение (полное напряжение), и, следовательно, он работает с номинальной скоростью.
В этом методе важно поддерживать пусковой момент двигателя при минимальном пусковом токе. Это связано с тем, что ток изменяется пропорционально напряжению, тогда как крутящий момент зависит от квадрата приложенного напряжения.
Предположим, если приложенное напряжение уменьшится на 50 процентов, ток уменьшится на 50 процентов, а крутящий момент уменьшится на 25 процентов.
Конструкция этого пускового устройства проста и является наиболее экономичным из всех методов.
Кроме того, этот стартер можно использовать для двигателей независимо от того, соединены они звездой или треугольником. Однако из-за высокого рассеивания мощности на резисторах в двигателе происходят большие потери мощности.
Кроме того, пониженное напряжение вызывает пониженный крутящий момент при пуске двигателя. Из-за этих ограничений метод сопротивления ограничен для некоторых приложений.
Стартер с автотрансформатором
В этом методе трехфазный автотрансформатор подключается последовательно с двигателем. Этот трансформатор снижает напряжение, подаваемое на двигатель, и, следовательно, ток. Принципиальная схема этого типа пускателя показана на рисунке ниже.
Этот пускатель состоит из переключателя, который переключает двигатель между режимами пониженного напряжения и полного напряжения. Когда этот переключатель находится в положении пуска, на двигатель подается пониженное напряжение.
Это напряжение зависит от дробного процента витков и регулируется изменением положения ползунка автотрансформатора.
Когда двигатель достигает 80 процентов своей номинальной скорости, переключатель автоматически переключается в положение RUN с помощью реле. Благодаря этому на этот двигатель затем подается номинальное напряжение. Эти трансформаторы также снабжены цепями перегрузки, холостого хода и выдержки времени.
В этом методе напряжение на клеммах двигателя выше для заданного пускового тока на стороне сети по сравнению с другими методами пониженного напряжения. Следовательно, этот метод дает самый высокий пусковой момент на линейный ампер.
Этот статор может быть подключен к трехфазным двигателям как со звездой, так и с треугольником. Однако эти пускатели дороже, чем пускатели сопротивления статора.
Пускатель «звезда-треугольник»
Пускатель «звезда-треугольник» является наиболее часто используемым пускателем с пониженным напряжением, поскольку он является самым дешевым среди всех пускателей. В этом методе асинхронный двигатель подключается в звезду при пуске и в треугольник при работе с номинальной скоростью.
Эти пускатели предназначены для работы на статоре асинхронного двигателя, соединенном треугольником. Принципиальная схема этого пускателя показана на рисунке ниже.
В этом пускателе используется переключатель TPDT (трехполюсный, на два направления), который соединяет обмотку статора звездой во время пуска. Благодаря такому соединению звездой подаваемое на двигатель напряжение уменьшается в 1/√3 раза. Это пониженное напряжение приводит к меньшему току через двигатель.
Когда двигатель набирает скорость, переключатель TPST автоматически переключается на другую сторону с помощью реле, так что теперь обмотка подключается треугольником к источнику питания. Таким образом, на двигатель подается нормальное напряжение (поскольку при соединении треугольником напряжение одинаковое, VL = VP), и, следовательно, двигатель работает с нормальной скоростью.
Этот метод дешевле и не требует обслуживания по сравнению с другими методами. Однако это подходит только для двигателей, соединенных треугольником, а также нельзя изменить коэффициент снижения пускового напряжения, т.
е. 1/√3.
Прямой пускатель
Как обсуждалось ранее, двигатели малой мощности (менее 5 л.с.) не имеют очень высоких пусковых токов. И без использования какого-либо стартера такие двигатели выдерживают пусковые токи.
Нет необходимости снижать напряжение на двигателе при пуске, поэтому двигатель можно подключить непосредственно к питающей сети. Этот тип устройства, используемый в пускателе, называется пускателем прямого включения или просто пускателем DOL.
Несмотря на то, что этот пускатель не снижает пусковое напряжение, он обеспечивает защиту двигателя от перегрузки, однофазности и низкого напряжения. Принципиальная схема прямого онлайн-пускателя показана на рисунке ниже.
Во время пуска нормально разомкнутый контакт (НО) нажимается на доли секунды, что приводит к возбуждению катушки намагничивания. Этот магнитный поток, создаваемый катушкой, притягивает контактор, так что теперь двигатель подключен к источнику питания.
Контактор сохраняет это положение, пока на катушку подается питание от дополнительного выключателя.
При нажатии нормально замкнутого (НЗ) выключателя катушка обесточивается, и контактор отделяется подпружиненным устройством, при этом подача питания на двигатель прекращается.
При любой перегрузке двигатель потребляет большой ток, что вызывает перегрев. Этот чрезмерный нагрев приводит в действие тепловые реле, использующие датчики перегрузки. Затем срабатывают контакты перегрузки, чтобы отключить питание двигателя.
Это самый простой, дешевый и надежный метод, поэтому он широко используется. Основным недостатком пускателя DOL является то, что двигатель потребляет очень большой ток во время запуска в течение короткого периода времени.
Устройство плавного пуска
В этом методе полупроводниковые силовые выключатели используются для уменьшения пускового тока асинхронного двигателя. Это другой тип пускателя с пониженным напряжением, и он подключается последовательно с сетевым напряжением, подаваемым на двигатель. Принципиальная схема устройства плавного пуска показана на рисунке ниже.
Этот пускатель состоит из встречных тиристоров или симисторов в каждой фазе обмотки статора. Управляя углом открытия этих тиристоров, напряжение, подаваемое на двигатель, будет уменьшаться бесступенчато. Этот тип снижения напряжения обеспечивает более плавную работу по сравнению с другими методами, описанными выше.
Это приводит к отсутствию пульсаций крутящего момента и, следовательно, к отсутствию рывков при пуске двигателя. Как только двигатель достигает нормальной скорости, к тиристорам применяется такой угол открытия, что они обеспечивают полное напряжение на двигателе.
Для более крупных двигателей используются частотно-регулируемые приводы с функцией плавного пуска. Такие приводы регулируют пусковой ток, а также скорость двигателя до желаемого значения.
Эти пускатели также снабжены дополнительными защитами, такими как перегрузка, низкое напряжение и однофазность.
Заключение
Вводное руководство по пускателям двигателей. Они являются неотъемлемой частью современных моторных приводов для безопасной и надежной работы двигателей.
2
5