Содержание
Эквивалентная схема замещения асинхронного электродвигателя
Трехфазные асинхронные электродвигатели, или как их еще называют индукционные электродвигатели, являются наиболее распространенными в промышленности. Данный тип электродвигателя, аналогично машинам постоянного тока тоже обладают свойствами обратимости, и может работать как в двигательном, генераторном, так и в тормозных режимах – противовключение, динамическое торможение. Режим работы асинхронного электродвигателя характеризуют знаком и величиной скольжения.
Пожалуй, основным методом анализа установившихся режимов индукционного электродвигателя является использование эквивалентных схем замещения. В таком случае обычно рассматривают явление, которое относится к одной фазе многофазного двигателя при соединении его обмоток звездой.
Упрощенная картина магнитных потоков работающего асинхронного электродвигателя позволяет представить его в виде эквивалентной схемы:
Электромагнитная связь первичной и вторичной цепи осуществляется потоком взаимоиндукции Ф, индуктирующим в роторной обмотке ЭДС Е2S.
Сопротивление индуктивное первичной цепи Х1 обусловлено наличием потока рассеивания, связанного только с этой цепью. Аналогично сопротивления Х2 обусловлено потоком рассеивания Ф25.
Частота тока ротора будет определяться скоростью его вращения относительно скорости вращения магнитного поля статора, то есть зависеть от скольжения и будет равна f2 = f1S.
Ток вторичной цепи при вращающемся роторе:
Также выражения для I2 может иметь:
Выше показанные выражения имеют не только различную форму записи, но и имеют совершенно разный физический смысл. А смысл его в том, что вместо вращающегося ротора можно рассматривать неподвижный, в котором будет индуцироваться ЭДС Е2. При этом индуктивное сопротивление будет равно Х2, а активное возрастет на величину так как . При этом I1 останется прежним по фазе и величине, что не повлияет на потребляемую из сети мощность.
Поскольку I1 и I2 не изменятся, то естественно и потери в первичных и вторичных цепях также не изменятся, соответственно мощность тоже не будет изменяться, а мощность развиваемая двигателем при вращении, будет равна мощности, потребляемой в добавочном сопротивлении . Таким образом, эквивалентная схема замещения асинхронной машины может быть заменена схемой замещения с добавочным сопротивлением rд во вторичной цепи:
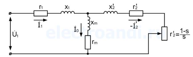
Т – образная схема замещения
После приведения первичной и вторичной ЭДС они будут равны Е1 = Е2/ и это дает возможность соединить эквивалентные точки и получить такую схему:
Недостатком Т – образной схемы замещения помимо сложностей расчета, является зависимость всех токов I1, I2/, Iμ от скольжения s.
Из Т – образной схемы замещения видно, что в режиме холостого хода, при I2/ = 0 и s = 0, ток в контуре будет обуславливаться сопротивлениями намагничивающего контура и первичной цепи и совсем не будет зависеть от скольжения.
Данное обстоятельство позволит вынести на зажимы электродвигателя намагничивающий контур и перейти к Г – образной схеме замещения.
Г – образная схема замещения
Данная схема замещения позволяет изучать процессы в асинхронном электродвигателе, которые имеют место при изменении скольжения электрической машины.
Учет контура намагничивания необходим при определении I1, который потребляется из сети. Но Г — образная схема замещения будет справедлива лишь при наличии определенных допущений:
- Все цепи имеют неизменные (постоянные) параметры. Это значит, что приведенное вторичное сопротивление r2/ не будет зависеть от частоты цепи вторичной (ротора), а насыщение не будет влиять на реактивное сопротивление статорных и роторных обмоток Х1 и Х2/;
- Полная проводимость намагничивающего контура принимается неизменной, а ток намагничивания, независимо от нагрузки, будет всегда пропорционален напряжению, приложенному к обмоткам;
- Потери добавочные не учитываются;
- Паразитные моменты, создаваемые высшими гармониками МДС, также не учитывают.

Следует также помнить и то, что в Г – образной схеме замещения в величины сопротивлений необходимо внести соответствующие поправки:
Где:
В выше перечисленных уравнениях величины имеющие индекс «дейст» соответствуют реальным значениям параметров асинхронной машины, а без индексов – те, которые используют в эквивалентной схеме.
Поскольку отношение r1/xμ довольно таки мало, то практически довольно часто принимают:
Обычно δ лежит в пределах 1,05 – 1,1.
Первичный ток I1 будет равен при любом скольжении:
Приведенный роторный ток:
Показанное выше выражение показывает, что ток ротора является функцией скольжения. При s = 0 I2/ = 0. При увеличении скольжения I2/ также будет расти, а при s = 1 достигнет своего максимума, или тока короткого замыкания, или пускового:
Если в роторной цепи отсутствует добавочное сопротивление (АД с КЗ ротором), пусковой ток может достигнуть довольно приличных значений, а именно 5 – 8 раз больше чем его номинальное значение.
Данная зависимость показана ниже:
Отношения пускового значения к номинальному является очень важным параметром для асинхронных машин с короткозамкнутым ротором, так как наличие пусковых токов приводит к просадкам напряжения, что особо ощутимо при использовании электродвигателей средней и большой мощности. Поэтому данная характеристика приводится в каталогах по выбору электрических машин.
42. Схемы замещения асинхронной машины. Т-образные и г-образные схемы замещения
При практических
расчетах вместо реального асинхронного
двигателя, на схеме его заменяют
эквивалентнойсхемой замещения, в
которой электромагнитная связь заменена
на электрическую. При этом параметры
цепи ротора приводятся к параметрам
цепи статора.
По сути, схема
замещения асинхронного двигателя
аналогична схеме
замещения трансформатора. Различие
в том, что у асинхронного двигателя
электрическая энергия преобразуется
в механическую энергию (а не в электрическую,
как это происходит в трансформаторе),
поэтому на схеме замещения добавляют
переменное активное сопротивление
r2‘(1-s)/s, которое зависит от скольжения.
В трансформаторе, аналогом этого
сопротивления является сопротивление
нагрузки Zн.
Величина
скольжения определяет переменное
сопротивление, например, при отсутствии
нагрузки на валу, скольжение практически
равно нулю s≈0, а значит переменное
сопротивление равно бесконечности, что
соответствует режиму холостого хода.
И наоборот, при перегрузке двигателя,
s=1, а значит сопротивление равно нулю,
что соответствует режиму короткого
замыкания.
Как и у
трансформатора, у асинхронного двигателя
есть Т-образная схема замещения.
Более удобной
при практических расчетах является Г-образная
схемазамещения.
В Г-образной
схеме, намагничивающая ветвь вынесена
к входным зажимам. Таким образом, вместо
трех ветвей получают две ветви, первая
– намагничивающая, а вторая – рабочая.
Но данное действие требует внесение
дополнительного коэффициента c1,
который представляет собой отношение
напряжения подводимого к двигателю, к
ЭДС статора.
Величина
c1приблизительно равна 1, поэтому
для максимального упрощения, на практике
принимают значение c1≈1. При этом
следует учитывать, что значение
коэффициента c1уменьшается с
увеличением мощности двигателя, поэтому
более точное приближение будет
соответствовать более мощному двигателю.
Параметры
схемы замещения рассматриваются
подробнее в статье векторная
диаграмма асинхронного двигателя
43. Приведение обмотки ротора к обмотке статора.
Для
построения векторной диаграммы осуществим
приведение параметров обмотки ротора
к параметрам обмотки статора. При этом
обмотку ротора с числом фаз m2,
обмоточным коэффициентом k2 и
числом витков W2заменяют
обмоткой с соответствующими параметрами
статора m1,
k1,
W1, соблюдая
при этом энергетический баланс в роторе.
Методика
приведения параметров асинхронного
двигателя аналогична методике приведения
вторичной обмотки трансформатора.
При
этом уравнение обмотки ротора (5.4) примет
вид
где ;
44. Механический момент и механическая мощность ад
Как
уже говорилось, взаимодействие тока I2 в
обмотке ротора с потоком асинхронной
машины Ф создает механическую силу,
приводящую ротор во вращение. При
определении вращающего момента,
создаваемого этой силой, необходимо
исходить из известного физического
соотношения, согласно которому мощность,
затрачиваемая на приведение тела во
вращение, определяется произведением
приложенного к нему момента на скорость
вращения данного тела.
Как
было указано в § 3, на ротор двигателя
через вращающийся магнитный поток Ф
передается некоторая электромагнитная
мощность, рассчитываемая по формуле
(33). Однако не вся мощность, переносимая
на ротор магнитным потоком, расходуется
на приведение его во вращение, поскольку
часть ее тратится на нагревание
проводников обмотки ротора.
Механическая
мощность двигателя, равная разности
электромагнитной мощности и
мощности потерь [см.
формулу
(34)], будет равна произведению
вращающего момента на частоту вращения
ротора:
Рмех = Мп/9,55,
(39)
где М —
момент, Н∙м; n —
частота вращения, об/мин.
Частота
вращения ротора может быть связана с
частотой вращения магнитного поля
машины, если вспомнить формулу (9), из
которой следует:
n
= n1(1— s).
(40)
Во
многих случаях для понимания сущности
явлений, происходящих в асинхронной
машине, полезно иметь в виду еще одно
выражение для вращающего момента. Выше
мы уже упоминали, что механическая сила,
действующая на проводники ротора,
создается в результате взаимодействия
тока в проводниках обмотки ротора с
магнитным полем. Момент асинхронного
двигателя можно рассчитать, зная значение
приведенного тока в роторе и потока
машины
М
= cмI2Фмакс cos
ψ2 ,
(43)
где ψ2 —
угол сдвига между э.
д. с. Е’2,
наводимой в роторе и током ротора I’2; cм —
постоянный коэффициент; Фмакс —
магнитный поток, Вб; I’2 —
ток ротора, А.
В
области малых скольжений асинхронной
машины справедливой является приближенная
формула
М
= cмI’2Фмакс ,
(44)
поскольку cos
ψ2 при
малых скольжениях близок к единице
Исследование методов расчета параметров схемы замещения асинхронного двигателя по данным каталога производителя
Автор:
Мясовский Виктор Андреевич
Рубрика: Технические науки
Опубликовано
в
Молодой учёный
№20 (310) май 2020 г.
Дата публикации: 13.05.2020
2020-05-13
Статья просмотрена:
522 раза
Скачать электронную версию
Скачать Часть 2 (pdf)
Библиографическое описание:
Мясовский, В. А. Исследование методов расчета параметров схемы замещения асинхронного двигателя по данным каталога производителя / В. А. Мясовский. — Текст : непосредственный // Молодой ученый. — 2020. — № 20 (310). — С. 127-133. — URL: https://moluch.ru/archive/310/69984/ (дата обращения: 17.09.2022).
Работа представляет собой исследование методов расчета параметров схемы замещения асинхронного двигателя по данным каталога производителя и анализ результатов моделирования по этим расчетам в MATLAB Simulink.
Ключевые слова: расчет, параметры схемы замещения, асинхронный двигатель, каталожные данные, MATLAB Simulink.
Асинхронные двигатели получили широкое применение во всех отраслях промышленности, поскольку они обладают относительно невысокой стоимостью и намного проще в обслуживании, чем двигатели постоянного тока. Вследствие этого для изучения поведения асинхронных двигателей существуют различные способы моделирования процессов, происходящих при их работе. Конечно, есть более наглядный и реальный способ изучения — использование лабораторных стендов в учебных заведениях. Однако пользование лабораторными стендами ограничено по времени, поскольку их в учебном заведении не бесчисленное количество и при проведении работ необходимо присутствие ответственного лица — преподавателя или лаборанта. Также моделирование позволяет изучить процессы, происходящие в любом желаемом двигателе, для расчета параметров схемы замещения которого необходимы только каталожные данные, предоставляемые производителем.
В данной статье и будут рассмотрены различные способы расчета параметров схемы замещения асинхронных двигателей.
Как было сказано ранее, параметры схемы замещения, необходимые для моделирования, возможно рассчитать при помощи каталожных данных двигателя, предоставляемых производителями асинхронных двигателей. Данные способы не претендуют на высокую точность результатов моделирования, но позволяют довольно достоверно оценить даже переходные процессы в двигателях. Конечно, существуют более точные способы расчета, которые позволяют производить более точное моделирование, однако они требуют большего количества данных асинхронной машины, которые обычно не предоставляются современными производителями. Например, в справочнике [2] имеются все параметры схемы замещения, однако данный справочник описывает определенную серию двигателей советского производства, которые не всегда могут являться исследуемым двигателем, хотя и обладают высокой распространенностью на территории России.
Для осуществления моделирования используется компьютерная программа MATLAB Simulink.
Данная программа с огромным количеством прикладных пакетов позволяет проводить исследования в различных сферах науки от нейронных сетей до моделирования финансовых прогнозов. Также есть дополнительный пакет SimPowerSystems содержащий в себе большое количество готовых блоков для разрабатывания схем моделирования работы электрических систем. Схема моделирования представлена на рисунке ниже.
Рис. 1. Схема моделирования в MATLAB
Исследуемым двигателем был выбран двигатель высокой мощности и высокого питающего напряжения по следующим причинам:
- Двигатели высокой мощности невозможно исследовать на лабораторных стендах ввиду их отсутствия, поскольку они являются очень дорогими устройствами.
- Проверить возможность расчета параметров схемы замещения по каталожным данным достоверно отображать поведение двигателей при моделировании, так как обычно этими методами исследуются двигатели средней мощности и питанием напряжения от сети 380 Вольт.

Каталожные параметры исследуемого двигателя, питающегося от сети напряжением Uлн=10000 Вольт и частотой f1=50 Герц приведены в таблице ниже:
Таблица 1
Паспортные данные асинхронного двигателя Siemens 1RA4 452–4HE80
, кВт | , об/мин | , % | , о.е. | , А | , о.е. | , о.е. | , о.е. | |
1120 | 1485 | 95.5 | 0.9 | 75 | 5.5 | 0.7 | 2.2 | 23 |
Все расчеты и моделирование производится в абсолютных единицах.
Первый метод расчета [1] описан ниже выражениями 1–11:
Номинальная скорость АД:
(1)
Номинальный момент АД:
(2)
Критический момент АД:
(3)
Пусковой момент АД:
(4)
Критическое и номинальное скольжение АД:
(5)
(6)
Активные сопротивления статора и приведенное ротора АД:
(7)
(8)
Индуктивность рассеяния статора и приведенная ротора:
(9)
(10)
Коэффициент приведения:
(11)
Значение механических потерь было выбрано согласно выражению = 1.01–1.05(PH), где меньшее значение соответствует машинам большей мощности. Ниже на рисунках приведены графики тока статора, угловой скорости ротора и момента на валу двигателя от времени.
Рис. 2. График тока статора от времени
Рис. 3. График угловой скорости ротора от времени
Рис. 4. График момента на валу от времени
Также для наглядности сведем основные измеренные значения в сравнительную таблицу с каталожными и расчетными данными двигателя.
Таблица 2
Расчетные исмоделированные значения
Параметры | , рад/с | , Н*М | , А | , А | , Н*М |
Расчетное | 155.51 | 7202 | 75 | 412,5 | 15840 |
Смоделированное | 155.8 | 7195 | 76,5 | 800 | 23720 |
Исходя из данных таблицы можно сделать вывод, что номинальные значения в установившемся режиме работы двигателя получаются при моделировании с высокой точностью, однако значения максимального момента и пускового тока сильно отличаются от расчетных.
Перейдем к следующему методу расчету [3].
Такие значения как рассчитываются тем же образом, что и в первом методе, поэтому возможно сразу их использовать в расчете.
Механические потери:
(12)
Активное сопротивление статора:
(14)
Активное сопротивление ротора:
(15)
Индуктивность статора и ротора:
(16)
Индуктивность рассеяния статора и ротора:
(17)
Взаимоиндукция:
(18)
Коэффициент приведения:
(19)
Коэффициент вязкого трения:
(20)
Произведём моделирование. Результаты моделирования в виде графиков и таблицы значений расположены ниже.
Рис. 5. График токастатора от времени
Рис.6. График угловой скорости ротора от времени
Рис. 7. График момента на валу от времени
Таблица 3
Расчетные исмоделированные значения
Параметры | , рад/с | , Н*М | , А | , А | , Н*М |
Расчетное | 155,51 | 7202 | 75 | 412,5 | 15840 |
Смоделированное | 147,6 | 7255 | 71,5 | 440 | 23860 |
При данном расчете, смоделированные номинальные значения угловой скорости ротора и тока статора обладают более высокой погрешностью, около 5 %.
Однако при этом значение пускового тока обладает погрешностью всего в 6 %, в отличии от предыдущего метода, в котором смоделированное значение пускового тока превышало расчетное примерно в два раза.
Результаты моделирования и сравнения двух методов:
- Данные методы позволяют моделировать работу двигателя высокой мощности при номинальной нагрузке с достаточной точностью в MATLAB Simulink;
- Один из методов позволяет предсказывать значение пускового тока, однако ни один из методов достоверно не отображает значение критического момента.
Литература:
- Герман-Галкин, С. Г. Электрические машины: Лабораторные работы на ПК / С. Г. Герман-Галкин, Г. А. Кардонов. — Санкт-Петербург: КОРОНА принт, 2003. — 256 c.
- Кравчик, A. Э. Асинхронные двигатели серии 4А / A. Э. Кравчик, М. М. Шлаф, В. И. Афонин, Е. А. Солобенская. — Москва: Энергоиздат, 1982. — 504 c.
- Дементьев Ю. Н. Компьютерное моделирование электромеханических систем постоянного и переменного тока в среде MATLAB Simulink: учебное пособие / Ю.
Н. Дементьев, В. Б. Терехин, И. Г. Однокопылов, В. М. Рулевский; Томский политехнический университет. — Томск: Изд-во Томского политехнического университета, 2018. — 497 с
Основные термины (генерируются автоматически): MATLAB, данные, двигатель, пусковой ток, угловая скорость ротора, асинхронный двигатель, время, высокая мощность, исследуемый двигатель, параметр схемы замещения.
Ключевые слова
расчет,
асинхронный двигатель,
параметры схемы замещения,
каталожные данные,
MATLAB Simulink
расчет, параметры схемы замещения, асинхронный двигатель, каталожные данные, MATLAB Simulink
Похожие статьи
Моделирование моментов нагрузки электродвигателей в
MATLAB
Математическая модель асинхронного двигателя во.
.. Рассмотрим трехфазный асинхронный короткозамкнутый двигатель со следующими номинальными данными и параметрами схемы замещения [4]. Суммарный момент инерции двигателя и механизма, приведенный к валу…
Математическая модель
асинхронного двигателя во…
. Относительные значения параметров схемы замещения двигателя.
асинхронный двигатель, математическая модель, структурная схема, уравнение, проекция уравнения
Функциональная схема модели САР скорости асинхронного двигателя в Matlab-Script.
Моделирование прямого пуска
асинхронного двигателя с ШИМ.
..
Параметры асинхронного двигателя представлены на рис. 3. Параметры блоков Vab и Vbc
Рис. 3. Параметры асинхронного двигателя. Задание скорости ωm* производится блоком
Герман-Галкин С. Г. Компьютерное моделирование полупроводниковых систем в MATLAB 6.0…
Математическое моделирование короткозамкнутого
асинхронного…
Математическая модель асинхронного двигателя во… Рассмотрим трехфазный асинхронный короткозамкнутый двигатель со следующими номинальными данными и параметрами схемы замещения [4]. Номинальные данные. Моделирование асинхронного двигателя со.
..
Параметры модели асинхронного двигателя
Потребность в регулировании скорости асинхронного двигателя переменного тока
Успешно достигнут контроль скорости асинхронного двигателя, изменением частоты приложенного
Чем выше частота переключений, тем выше разрешение широтно-импульсной модуляции.
Математическое моделирование САР
скорости асинхронного…
Полная схема математической модели САР скорости асинхронного двигателя приведена на рис. 12.
Номинальный коэффициент мощности. Число пар полюсов. Параметры Т-образной схемы замещения при
Относительные значения параметров схемы замещения двигателя
Математическая модель САР
скорости линейного асинхронного.
..
Математическое моделирование САР скорости линейного асинхронного двигателя.
% Ток в роторе.
Функциональная схема модели САР скорости асинхронного двигателя в Matlab-Script.
Математическая модель САР
скорости линейного асинхронного…
Математическая модель САР скорости линейного асинхронного двигателя на магнитных схемах замещения при векторном управлении. Емельянов Александр Александрович, доцент; Бесклеткин Виктор Викторович, ассистент; Прокопьев Константин Васильевич, студент…
Моделирование САР
скорости асинхронного двигателя…
Полная схема математической модели САР скорости асинхронного двигателя приведена на рис.
10.
Номинальный коэффициент мощности. Число пар полюсов. Параметры Т-образной схемы замещения при
Относительные значения параметров схемы замещения двигателя
Похожие статьи
Моделирование моментов нагрузки электродвигателей в
MATLAB
Математическая модель асинхронного двигателя во… Рассмотрим трехфазный асинхронный короткозамкнутый двигатель со следующими номинальными данными и параметрами схемы замещения [4]. Суммарный момент инерции двигателя и механизма, приведенный к валу…
Математическая модель
асинхронного двигателя во…
.
Относительные значения параметров схемы замещения двигателя.
асинхронный двигатель, математическая модель, структурная схема, уравнение, проекция уравнения
Функциональная схема модели САР скорости асинхронного двигателя в Matlab-Script.
Моделирование прямого пуска
асинхронного двигателя с ШИМ…
Параметры асинхронного двигателя представлены на рис. 3. Параметры блоков Vab и Vbc
Рис. 3. Параметры асинхронного двигателя. Задание скорости ωm* производится блоком
Герман-Галкин С. Г. Компьютерное моделирование полупроводниковых систем в MATLAB 6.
0…
Математическое моделирование короткозамкнутого
асинхронного…
Математическая модель асинхронного двигателя во… Рассмотрим трехфазный асинхронный короткозамкнутый двигатель со следующими номинальными данными и параметрами схемы замещения [4]. Номинальные данные. Моделирование асинхронного двигателя со…
Параметры модели асинхронного двигателя
Потребность в регулировании скорости асинхронного двигателя переменного тока
Успешно достигнут контроль скорости асинхронного двигателя, изменением частоты приложенного
Чем выше частота переключений, тем выше разрешение широтно-импульсной модуляции.
Математическое моделирование САР
скорости асинхронного…
Полная схема математической модели САР скорости асинхронного двигателя приведена на рис. 12.
Номинальный коэффициент мощности. Число пар полюсов. Параметры Т-образной схемы замещения при
Относительные значения параметров схемы замещения двигателя
Математическая модель САР
скорости линейного асинхронного…
Математическое моделирование САР скорости линейного асинхронного двигателя.
% Ток в роторе.
Функциональная схема модели САР скорости асинхронного двигателя в Matlab-Script.
Математическая модель САР
скорости линейного асинхронного…
Математическая модель САР скорости линейного асинхронного двигателя на магнитных схемах замещения при векторном управлении. Емельянов Александр Александрович, доцент; Бесклеткин Виктор Викторович, ассистент; Прокопьев Константин Васильевич, студент…
Моделирование САР
скорости асинхронного двигателя…
Полная схема математической модели САР скорости асинхронного двигателя приведена на рис. 10.
Номинальный коэффициент мощности. Число пар полюсов. Параметры Т-образной схемы замещения при
Относительные значения параметров схемы замещения двигателя
|
Навигация:
Топ: Оценка эффективности инструментов коммуникационной политики: Внешние коммуникации — обмен информацией между организацией и её внешней средой… Процедура выполнения команд. Рабочий цикл процессора: Функционирование процессора в основном состоит из повторяющихся рабочих циклов, каждый из которых соответствует… Эволюция кровеносной системы позвоночных животных: Биологическая эволюция – необратимый процесс исторического развития живой природы…
Интересное: Аура как энергетическое поле: многослойную ауру человека можно представить себе подобным… Инженерная защита территорий, зданий и сооружений от опасных геологических процессов: Изучение оползневых явлений, оценка устойчивости склонов и проектирование противооползневых сооружений — актуальнейшие задачи, стоящие перед отечественными. Лечение прогрессирующих форм рака: Одним из наиболее важных достижений экспериментальной химиотерапии опухолей, начатой в 60-х и реализованной в 70-х годах, является…
Дисциплины:
|
⇐ ПредыдущаяСтр 13 из 17Следующая ⇒ Механическая характеристика асинхронного двигателя Механическая характеристика асинхронного двигателя — это зависимость частоты вращения вала двигателя от момента на его валу n2=f(M) или S=f(M). 1 Точка идеального холостого хода. В ней М=0, S=0; 2 Точка номинального режима работы. В ней М=МН, S=SН. Значения n2Н и МН можно определить по каталожным данным двигателя; 3 Точка максимального или критического момента. В ней М=Мm, S=SK. Данная точка характеризует перегрузочную способность двигателя. Рис. 13 В каталогах для определения параметров данной точки приводится величина кратности критического момента двигателя: . Величина кратности позволяет определить максимально возможный момент двигателя. 4. Точка пуска. В ней М=МП, S=1. Данная точка характеризует пусковые свойства двигателя. В каталогах для определения пусковых свойств приводится величина кратности пускового момента двигателя: . В каталогах приводится также коэффициент кратности пускового тока который позволяет определить величину тока двигателя в момент пуска. Рабочие характеристики — зависимости частоты вращения n, вращающего момента Мвр, коэффициента мощности cosφ1 и КПД η двигателя от полезной механической мощности P2 на его валу. Нелинейность зависимости Мвр (P2) объясняется уменьшением частоты вращения ротора с увеличением мощности P2. Нелинейность зависимости cosφ1(P2) обусловлена тем, что активная составляющая тока двигателя пропорциональна его механической нагрузке, а реактивная индуктивная составляющая от нее практически не зависит. С увеличением нагрузки на валу двигателя коэф-т мощности cosφ1x и скольжения увеличиваются S. Энергетическая диаграмма. Процесс преобразования энергии и потери, происходящие при работе двигателя, можно иллюстрировать энергетической диаграммой (рис. Рис.36.1. Энергетическая диаграмма асинхронного двигателя
Потребляемая двигателем мощность из сети P1частично расходуется на покрытие потерь в обмотках статора Рм1и в стали сердечника статора Рс1на гистерезис и вихревые токи. Оставшаяся часть мощности Рэм называемая электромагнитной, передается ротору через воздушный зазор вращающимся магнитным полем. Энергия, полученная ротором, преобразуется в механическую и частично расходуется на покрытие потерь в роторе. На диаграмме показано, что электромагнитная мощность, поступающая на ротор, может быть представлена в виде суммы двух мощностей: Рэм= Р2’+ Pм2. где Р2’— мощность, развиваемая вращающимся ротором, Pм2— потери в меди обмоток ротора. Не вся энергия, преобразованная машиной в Р2’ является полезной энергией Р2, так как часть ее расходуется на покрытие механических потерь Рмехот трения в подшипниках и о воздух вращающихся частей машины.
КПД асинхронного двигателя: η= (P2 / P1) * 100% ⇐ Предыдущая891011121314151617Следующая ⇒ Общие условия выбора системы дренажа: Система дренажа выбирается в зависимости от характера защищаемого… Организация стока поверхностных вод: Наибольшее количество влаги на земном шаре испаряется с поверхности морей и океанов (88‰)… Индивидуальные и групповые автопоилки: для животных. Схемы и конструкции… Опора деревянной одностоечной и способы укрепление угловых опор: Опоры ВЛ — конструкции, предназначенные для поддерживания проводов на необходимой высоте над землей, водой…
|
3.
1 Построение схемы замещения двигателя и определение ее параметров. Анализ асинхронного двигателя 4А200L8У3
Анализ асинхронного двигателя 4А200L8У3
курсовая работа
Для расчета характеристик асинхронной машины и исследования различных режимов ее работы удобнее иметь дело не с действительной асинхронной машиной, представляющую собой систему двух (или в общем случае нескольких) электромагнитно связанных контуров, а с эквивалентной ей электрической системой, создав для этой цели соответствующую схему замещения.
Реальная асинхронная машина с электромагнитными связями между обмотками заменяется относительно простой электрической цепью, что позволяет существенно упростить расчет характеристик.
Очевидно, что при переходе к схеме замещения уравнения для этой схемы должны полностью соответствовать уравнениям, описывающим рабочий процесс асинхронной машины.
Существует две схемы замещения асинхронной машины Г-образная и Т-образная.
Воспользуемся Г-образной схемой замещения (рис.
3.1) при изучении процессов, происходящих в асинхронной машине, так как она имеет существенные преимущества перед Т-образной, применяемой при изучении процессов в трансформаторах.
В последних намагничивающий контур представляет собой звено, находящееся между первичной и вторичной стороной, и дает возможность изучать явления при изменении направления потока энергии.
В отличие от трансформатора, асинхронный двигатель, являясь приемником энергии, должен рассматриваться при неизменном напряжении на зажимах, то есть при U1 = const. В этом случае при Т-образной схеме замещения происходит изменение токов не только в главной цепи, но и в ответвленной цепи намагничивания, и поэтому все токи зависят от режима работы. С увеличением нагрузки увеличивается поток рассеяния и в связи с этим из-за возрастания насыщения отдельных участков магнитопровода полями рассеяния уменьшаются индуктивные сопротивления. Увеличение скольжения в двигателе с короткозамкнутым ротором приводит к возрастанию действия эффекта вытеснения тока, что вызывает изменение сопротивлений обмотки ротора.
При Г-образной схеме при U1 = const ток I00 в ответвленном контуре при изменении скольжения s остается постоянным, а изменяется лишь ток в главной цепи.
Генераторный и тормозной режимы в асинхронной машине изучаются также при постоянном напряжении на зажимах U1 = const, поэтому и для этих режимов работы Г-образная схема представляет те же преимущества, что и для двигательного режима [2, стр. 196; 9, стр. 537; 10, стр. 421, 425 — 426].
Рис. 3.1. Г-образная схема замещения фазы асинхронного двигателя
По схеме замещения фазы асинхронного двигателя, приведенной на рис. 3.1, получим преобразованную схему (рис. 3.2), в которой используются абсолютные величины активных и индуктивных сопротивлений.
Для перехода от относительных единиц к абсолютным величинам определяем номинальные значения фазного напряжения и тока двигателя по формулам
(3.1)
и
(3.2).
Тогда получим
и
.
Определяем параметры электродвигателя в абсолютных величинах xi и ri по формулам
(3.
3)
и
(3.4),
где Xi и Ri — сопротивления из табл. 1.2.
Индуктивное сопротивление рассеяния обмотки статора
.
Активное сопротивление обмотки статора
.
Приведенное к обмотке статора индуктивное сопротивление рассеяния ротора
.
Приведенное к обмотке статора активное сопротивление ротора
.
Главное индуктивное сопротивление хм
.
Сопротивления x1 и r1 найдем по формулам
(3.5),
(3.6)
[1, стр. 26, 30]
Получим
и
.
Сопротивления х0 и хк найдем по формулам
(3.7)
и
(3.8).
Получим
и
.
Рис. 3.2. Схема замещения фазы асинхронного двигателя упрощенная в абсолютных величинах
Делись добром 😉
Анализ асинхронного двигателя 4А200L8У3
3.1 Построение схемы замещения двигателя и определение ее параметров
Для расчета характеристик асинхронной машины и исследования различных режимов ее работы удобнее иметь дело не с действительной асинхронной машиной.
..
Имитационное моделирование потребителя электрической энергии мощностью 45 кВт
1. Определение параметров схемы замещения АД
…
Исследование элекропривода шнекового питателя сырого угля
2.4 Определение дополнительных параметров двигателя и параметров схемы замещения
Синхронная угловая частота вращения двигателя
.
Номинальная частота вращения двигателя
.
Номинальный момент двигателя
.
Максимальный потребляемый ток двигателя при прямом пуске…
Моделирование векторного управления асинхронным двигателем в Simulink
2. Определение параметров схемы замещения асинхронного двигателя по справочным данным
Исходные данные — параметры, соответствующие номинальному режиму работы двигателя:
Тип двигателя 5AMX112M4
Номинальная мощность Pn=5.5 кВт
Номинальная частота вращения nn=1440 об/мин
Коэффициент полезного действия з=86%
Коэффициент мощности cosц=0…
Переходные процессы в электрических системах
1. Определение параметров схемы замещения и построение круговых диаграмм и угловых характеристик передачи
Для определения параметров схемы замещения системы необходимо выбрать сечение линий электропередач по экономической плотности тока.
При этом следует иметь ввиду, что при заданном номинальном напряжении 330 кВ провод в фазе расщепляется на два…
Переходные процессы в электроэнергетических системах
3.1 Определение параметров схемы замещения
Электрические установки напряжением до 1000 В, питаемые от распределительной сети электрической системы через понижающие трансформаторы, характеризуются, как правило, большой электрической удаленностью относительно источников питания…
Проектирование подстанции 220/110/10 кВ
4.2 Определение параметров схемы замещения
Расчет проводим в относительных единицах, для этого принимаем базовую мощность Sб = 10000 МВА.
Энергосистема
Х1 = Sб/Sк.з. = 10000/10000= 1,0
Линии электропередач
, где
Худ = 0,4 Ом/км
= длина линии…
Проектирование подстанции системы электроснабжения города на напряжение 110/35/10 кВ
5.1 Определение параметров схемы замещения
Составим электрическую схему замещения подстанции и определим ее параметры в относительных единицах (о.
е.) при базисных условиях.
Размещено на http://www.allbest.ru/
Рисунок 5 — Схема подстанции
а) расчетная схема; б) электрическая схема замещения…
Расчет токов коротких замыканий в электроэнергетических системах
2. Построение схемы замещения и расчет ее параметров в относительных базисных единицах
Расчет токов коротких замыканий (КЗ) ведется, как правило, в относительных единицах. Реальную схему, имеющую трансформаторные связи, замещают эквивалентной электрически связанной схемой…
Расчет токов коротких замыканий в электроэнергетических системах
2. Построение схемы замещения и расчет ее параметров в относительных базисных единицах
Расчет токов коротких замыканий (КЗ) ведется, как правило, в относительных единицах. Реальную схему, имеющую трансформаторные связи, замещают эквивалентной электрически связанной схемой…
Расчет токов короткого замыкания
1.1.2 Определение параметров схемы замещения
Выбор базисных условий:
Sб =1000 МВА ; Uб =121кВ
Базисный ток определяется по формуле:
; (1.
1)
где Sб — базисная мощность;
Uб — базисное напряжение;
Базисное сопротивление определяется по формуле:
; (1…
Расчет токов короткого замыкания в электрических системах
1.1 Определение параметров схемы замещения
Задана схема 1 (Рисунок 1). При этом необходимо рассчитать токи короткого замыкания в точках 3 и 7. Параметры схемы известны из таблицы 1.
Из схемы необходимо определить, является ли линия электропередачи двухцепной или одноцепной…
Токи короткого замыкания в системе электроснабжения
Построение эквивалентной схемы замещения. Определение параметров элементов
Построим эквивалентную схему замещения. Она изображена на рисунке 2 в приложении 1. Затем выберем базисные условия:
; ;
тогда ; .
Определим параметры элементов схемы замещения в относительных единицах при базисных условиях:
1…
Электроснабжение канализационной насосной станции
5.1 Определение параметров схемы замещения
Параметры схемы замещения линий определим по формулам (4.
1), (4.2)
Значения r0, x0 и l, необходимые для расчета параметров линийпринимаем по таблице 3.3.
Параметры схемы замещения линии W1, обозначенной — I в таблице 3…
Электроснабжение отопительной котельной
5.1 Определение параметров схемы замещения
Расчет параметров схемы замещения выполним используя литературу [5],[7].
Параметры схемы замещения линий.
Активное сопротивление:
Индуктивное сопротивление:
гдеr0 — удельное активное сопротивление линии…
Вопрос 6,7. Т- и Г- образные схемы замещения АМ (вывод). — Студопедия.Нет
Схема замещения асинхронной машины – это искусственно построенная электрическая схема, с достаточной степенью точности отображающая все процессы, происходящие в реальной машине. Сложные магнитные связи заменяют в схеме замещения электрическими, упрощая этим исследования машин (как аналитические, так и графические).
Магнитное поле машины, как и трансформатора, можно представить тремя составляющими (рис. 1): потоком намагничивания (основным магнитным потоком) и двумя потоками рассеяния и .
Основной магнитный поток наводит в статорной обмотке ЭДС , а в роторной – ЭДС . Потоки рассеяния и наводят каждый в своей обмотке ЭДС рассеяния и . Эти ЭДС представляют падениями напряжений:
, (3.14)
где и коэффициенты пропорциональности между токами и и наводимыми им же в своих же обмотках ЭДС рассеяния и посредством потоков и . Так же как в трансформаторе и называют индуктивными сопротивлениями рассеяния обмоток статора и ротора соответственно: они обусловлены потоками и .
Индуктивное сопротивление роторной обмотки (в дальнейшем будем опускать индекс s) зависит от скольжения, поскольку
, (3.15)
где индуктивное сопротивление роторной обмотки при неподвижном роторе.
Таким образом, асинхронную машину можно представить схемой замещения (рис. 3.3), на которой и активные сопротивления статорной и приведенной роторной обмоток, учитывающие потери мощности в обмотках.
В приведенной схеме ток изменяется с частотой , ток же ротора с частотой , отличной от :
. (3.16)
Это неудобство устраняют делением числителя и знаменателя на , получив не только иной вид, но и иное качество:
. (3.17)
Действительно, в приведенной выше формуле тока ЭДС постоянна по величине и изменяется с частотой . С этой же частотой изменяется и вторичный ток, так как величина активного сопротивления определяет величину тока, но не влияет на его частоту. Указанным математическим действием машину с вращающимся ротором приводят к эквивалентному неподвижному состоянию с -кратным увеличением активного и индуктивного сопротивлений роторной обмотки.
Представленные на рис. 3.4, а и 3.4, б схемы, соответствующие уравнениям (3.17) и (3.18), с энергетической точки зрения не эквивалентны. В схеме, приведенной на рис. 3.4, а,электрическая мощность равна электрическим потерям в контуре:
.
(3.18)
Мощность, потребляемая в схеме, приведенной на рис. 3.4, б,
. (3.19)
Отношение этих мощностей
. (3.20)
С учетом формулы (3.13), связывающей скольжение, электрические потери мощности в роторе и электромагнитную мощность, получим . Следовательно, электрическая мощность в схеме рис. 3.4, б равна всей электромагнитной мощности, передаваемой от статора к ротору.
Из энергетической диаграммы определяют механическую мощность ротора:
. (3.21)
Таким образом, мощность, выделившаяся на добавочном сопротивлении , соответствует полной механической мощности машины при заданном скольжении. На электрической схеме рис. 3.4, в активное сопротивление разбито на две части. Первое сопротивление не зависит от режима работы, и потери в нем равны электрическим потерям реального ротора. Второе сопротивление зависит от скольжения, и мощность, выделяющаяся в нем, численно равна механической мощности двигателя .
В схеме рис. 3.3 заменим ЭДС и равную ей после приведения обмоток ЭДС падением напряжения на индуктивном сопротивлении взаимоиндуктивности :
. (3.21)
Магнитные потери асинхронной машины учтем (аналогично трансформатору) введением в намагничивающую цепь схемы замещения сопротивления как коэффициента пропорциональности между реальными магнитными потерями и квадратом тока холостого хода:
. (3.22)
Полная Т-образная схема замещения асинхронного двигателя (рис. 3.5, а) отличается от схемы замещения асинхронной машины с заторможенным ротором только наличием чисто активного сопротивления нагрузки, зависящего от скольжения. Таким образом, и в этом случае теория асинхронной машины сведена к теории трансформатора.
Схеме замещения соответствуют уравнения напряжений:
а) для статорной обмотки (такого же вида как, у трансформатора):
; (3.
23)
б) для короткозамкнутой роторной обмотки:
(3.24)
или
; (3.25)
в) для фазного ротора
. (3.26)
Уравнение токов приведенной машины (3.30) решим относительно тока статорной обмотки:
, (3.27)
Полученная система уравнений напряжений и токов по своей структуре полностью аналогична системе уравнений трансформатора, к вторичной обмотке которого подключено сопротивление . Векторная диаграмма, соответствующая системе уравнений (3.24), (3.25), (3.27), представлена на рис. 3.5, б. Количественное различие между схемами замещения асинхронной машины и трансформатора, как указывалось выше, обусловлено большим током холостого хода асинхронного двигателя.
Так же как и в трансформаторе (рис. 3.5, а) участок 1-а-2-в-3 называют главной цепью схемы замещения, а участок а-в – намагничивающей.
В Т-образной схеме замещения ток первичной цепи
; (3.28)
ток идеального холостого ход при
, (3.29)
где поправочный коэффициент схемы замещения;
; (3.30)
ток вторичной цепи
. (3.31)
Г-образная схема замещения
В отличие от трансформатора асинхронный двигатель, являясь приемником энергии, должен рассматриваться при неизменном напряжении на зажимах: . В этом случае в Т-образной схеме замещения происходит изменение токов не только главной цепи, но и в цепи намагничивания, и поэтому все токи и зависят от режима работы, т. е. изменяются при изменении скольжения (в реальной асинхронной машине при неизменном напряжении сети ток холостого хода ). Для того чтобы сохранить намагничивающий ток независимым от нагрузки машины, переходят от Т-образной к Г-образной схеме замещения, в которой намагничивающий контур выносят на зажимы цепи таким образом, чтобы токи и оставались прежними, как и в Т-образной схеме.
Ток главной цепи преобразованной схемы с учетом значений токов холостого хода и статорной обмотки
(3.32)
Полученным соотношениям токов соответствует Г-образная схема замещения, представленная на рис. 3.6.
В зависимости от вида коэффициента различают три вида Г-образных схем замещения:
1. Точные – когда коэф-фициент представляет собой комплексную величину
.
Применяют при анализе машин мощностью до 1,5-2 кВт.
2. Уточненные – когда коэффициент включает только вещественную составляющую комплексной величины (поскольку и ).
Применяют для анализа машин мощностью от 1,5-2 кВт до 100-150 кВт. В этом диапазоне мощностей С1 = 1,08-1,02.
3. Приближенные – когда намагничивающий контур выносят на зажимы машины непосредственно (рис. 3.7), пренебрегая сопротивлением и принимая коэффициент . Используют при анализе машин мощностью свыше 150-200 кВт.
В уточненных схемах замещения, наиболее распространенных на практике, пользуются следующими обозначениями (рис.
3.8):
; (3.33)
; (3.34)
. (3.35)
С помощью Г-образной схемы замещения проводят анализ работы и расчет выходных характеристик асинхронной машины как графическим способом с помощью круговых диаграмм, так и аналитическим путем.
Эквивалентная схема
для асинхронного двигателя Поэтому его также называют вращающимся трансформатором. То есть когда на его статор подается ЭДС, то в результате электромагнитной индукции в его роторе индуцируется напряжение. Поэтому асинхронный двигатель называется трансформатором с вращающейся вторичной обмоткой. Здесь первичная обмотка трансформатора напоминает обмотку статора асинхронного двигателя, а вторичная — ротор.
Асинхронный двигатель всегда работает ниже синхронной скорости или скорости при полной нагрузке, и относительная разница между синхронной скоростью и скоростью вращения называется скольжением, которое обозначается s.
Где, N s – синхронная скорость вращения, которая определяется выражением –
Где, f – частота питающего напряжения.
P — количество полюсов машины.
Эквивалентная схема асинхронного двигателя
Эквивалентная схема любой машины показывает различные параметры машины, такие как ее омические потери, а также другие потери.
Потери моделируются только катушкой индуктивности и резистором. Потери в меди происходят в обмотках, поэтому учитывается сопротивление обмотки. Кроме того, обмотка имеет индуктивность, для которой возникает падение напряжения из-за индуктивного реактивного сопротивления, а также появляется термин, называемый коэффициентом мощности. Существует два типа эквивалентных схем для трехфазного асинхронного двигателя:
Точная эквивалентная схема
Здесь R 1 — сопротивление обмотки статора.
X 1 — индуктивность обмотки статора.
R c – составляющая потерь в сердечнике.
X M — намагничивающее сопротивление обмотки.
R 2 /с – мощность ротора, которая включает выходную механическую мощность и потери в меди ротора.
Если начертить схему относительно статора, то схема будет иметь вид-
Здесь все остальные параметры те же, за исключением-
R 2 ’ сопротивление обмотки ротора относительно обмотки статора.
X 2 ’ — индуктивность обмотки ротора относительно обмотки статора.
R 2 (1 – с) / с сопротивление, показывающее мощность, которая преобразуется в выходную механическую или полезную мощность. Мощность, рассеиваемая в этом резисторе, является полезной выходной мощностью или мощностью на валу.
Приблизительная эквивалентная схема
Приблизительная эквивалентная схема нарисована только для того, чтобы упростить наши расчеты путем удаления одного узла. Ветвь шунта смещена в первичную сторону. Это было сделано, поскольку падение напряжения между сопротивлением статора и индуктивностью меньше, и нет большой разницы между напряжением питания и наведенным напряжением. Однако это нецелесообразно по следующим причинам:
- Магнитная цепь асинхронного двигателя имеет воздушный зазор, поэтому ток возбуждения больше по сравнению с трансформатором, поэтому следует использовать точную эквивалентную схему.

- Индуктивность ротора и статора больше у асинхронного двигателя.
- В асинхронном двигателе используются распределенные обмотки.
Эту модель можно использовать, если необходимо выполнить приблизительный расчет для больших двигателей. Для меньших двигателей мы не можем использовать это.
Соотношение мощностей эквивалентной цепи
- Входная мощность статора — 3 В 1 I 1 Cos(Ɵ).
Где, В 1 – приложенное напряжение статора.
I 1 — ток, потребляемый обмоткой статора.
Cos(Ɵ) — мощность статора. - Потребляемая мощность ротора =
Потребляемая мощность — потери в меди и стали статора. - Потери меди в роторе = проскальзывание × мощность, подводимая к ротору.
- Развиваемая мощность = (1 – с) × входная мощность ротора.
Эквивалентная схема однофазного асинхронного двигателя
Существует разница между однофазными и трехфазными эквивалентными схемами.
Схема однофазного асинхронного двигателя определяется теорией двойного вращающегося поля, которая утверждает, что стационарное пульсирующее магнитное поле может быть разделено на два вращающихся поля, имеющих одинаковую величину, но противоположных по направлению. Таким образом, чистый индуцированный крутящий момент равен нулю в состоянии покоя. Здесь прямое вращение называется вращением с проскальзыванием s, а обратное вращение дается с проскальзыванием (2 – s). Эквивалентная схема
В большинстве случаев компонентом потерь в сердечнике r 0 пренебрегают, так как это значение довольно велико и мало влияет на расчет.
Здесь Z f показывает импеданс в прямом направлении, а Z b показывает импеданс в обратном направлении.
Кроме того, сумма скольжения вперед и назад равна 2, поэтому в случае скольжения назад оно заменяется на (2 – s).
R 1 = Сопротивление обмотки статора.
X 1 = Индуктивное сопротивление обмотки статора.
X м = Реактивное сопротивление намагничивания.
R 2 ’ = реактивное сопротивление ротора относительно статора.
X 2 ’ = Индуктивное сопротивление ротора относительно статора.
Расчет мощности эквивалентной цепи
- Найти Z f и Z b .
- Найдите ток статора, определяемый напряжением статора/полным сопротивлением цепи.
- Затем найдите входную мощность, которая определяется как
Напряжение статора × ток статора × Cos(Ɵ)
Где Ɵ — угол между током статора и напряжением. - Развиваемая мощность (P g ) представляет собой разницу между мощностью поля в прямом направлении и мощностью в обратном направлении. Прямая и обратная мощность определяется мощностью, рассеиваемой на соответствующих резисторах.
- Потери меди в роторе даны при проскальзывании × P г .
- Выходная мощность определяется как-
P г – с × P г – Потери при вращении.
Потери при вращении включают потери на трение, потери на парусность, потери в сердечнике. - Эффективность также можно рассчитать путем деления выходной мощности на входную мощность.
Хотите учиться быстрее? 🎓
Каждую неделю получайте электротехнические товары на свой почтовый ящик.
Кредитная карта не требуется — это абсолютно бесплатно.
О Electrical4U
Electrical4U посвящен обучению и распространению всего, что связано с электротехникой и электроникой.
…
Эквивалентная схема асинхронного двигателя
Асинхронный двигатель — двигатель асинхронный, т.е. его скорость изменяется при изменении нагрузки. Он всегда работает с отстающим коэффициентом мощности. Принцип работы асинхронного двигателя аналогичен трансформатору, т. е. электромагнитной индукции.
Эквивалентная схема асинхронного двигателя аналогична эквивалентной схеме трансформатора, поскольку передача энергии от статора к ротору необходима при работе трансформатора с первичной на вторичную обмотку.
Эквивалентная схема обеспечивает рабочие характеристики асинхронного двигателя. Данные, полученные из эквивалентной схемы, можно использовать для расчета эффективности, крутящего момента, потерь, мощности ротора и т. д. Все величины по фазам используются для представления эквивалентной схемы.
Эквивалентная схема асинхронного двигателя:
Различные параметры, используемые для разработки эквивалентной схемы асинхронного двигателя,
- R 1 и X 1 : Сопротивление обмотки статора и реактивное сопротивление рассеяния.
- R 2 и X 2 : Сопротивление обмотки ротора и реактивное сопротивление рассеяния в состоянии покоя (т. е. s = 1).
- sX 2 : Реактивное сопротивление рассеяния ротора при скольжении s (в рабочем состоянии).
- R o : Сопротивление ветви холостого хода и она несет рабочую составляющую (I w ) тока холостого хода I o учитывайте потери на холостом ходу.

- X o : Реактивное сопротивление ответвления без нагрузки, несущее намагничивающую составляющую (I µ ) холостого хода для создания потока.
- E 1 и SE 2 : ЭДС статора и ЭДС ротора при скольжении s.
Из приведенных выше параметров эквивалентную схему асинхронного двигателя можно нарисовать, как показано ниже.
давайте рассмотрим реальную схему ротора двигателя.
Из приведенной выше диаграммы ток ротора I
2 определяется как
Здесь мы знаем, что входная мощность ротора P 2 представляет собой сумму потерь в меди ротора P c и развиваемая механическая мощность P m . Таким образом, электрический эквивалент механической мощности можно представить следующим образом:
Показать эквивалентную механическую нагрузку (механическое преобразование мощности) в цепи ротора. Эквивалентная схема двигателя может быть изменена следующим образом:
Теперь перенесите параметры со стороны ротора на сторону статора.
При смещении параметров стороны ротора в сторону статора мы должны разделить его на значение «K» (где K = отношение эффективных оборотов ротора к оборотам статора на фазу), за исключением тока ротора, где он умножается на «K». При смещении параметров ротора их можно представить в виде
- R’ 2 = Сопротивление ротора относительно статора.
- X’ 2 = реактивное сопротивление ротора относительно статора.
- E’ 2 = ЭДС ротора относится к статору.
- I’ 2 = Ток ротора относительно статора.
- R’ L = эквивалентная механическая нагрузка ротора относительно статора.
Эквивалентная схема может быть дополнительно изменена, как показано ниже, и она известна как точная эквивалентная схема, поскольку упоминается как статор.
Где,
Поэтому примерная схема замещения получается сдвигом шунтирующей ветви (состоит из R 01 и X 01 ) к клеммам питания, как показано на рисунке ниже.
Это упрощение облегчит расчеты.
Следовательно, полное сопротивление, относящееся к стороне статора, равно
Точно так же полное реактивное сопротивление, относящееся к стороне статора, равно
Расчет выходной мощности ротора и крутящего момента с использованием эквивалентной схемы:
Из эквивалентной схемы можно получить выражения для крутящего момента T и выходной мощности ротора P
o двигателя.
Из вышеприведенной схемы мощность на входе P i к ротору дается,
Мы можем написать,
P i = SP i + P i — SP i (сложением и вычитанием SP i )
P i = SP i + (1 – S)P i
Приведенное выше выражение показывает, что входная мощность ротора P i представляет собой сумму падения напряжения в цепи ротора из-за его сопротивления SP i и эквивалентного сопротивления, представляющего механическую нагрузку (1 — S)P и .
Исходя из вышеизложенного, выход ротора P или определяется выражением
Мы знаем, что ток ротора I 2 ,
Подставляя значение I
2 в уравнение (1), мы получаем,
Мы знаем, что вращающееся магнитное поле асинхронного двигателя, создаваемое обмоткой статора, вращается с синхронной скоростью N с . Тогда крутящий момент, приложенный к ротору из-за вращающегося магнитного поля статора, будет равен Т. Теперь мощность, передаваемая от статора к ротору, определяется выражением
Приравнивая уравнения 2 и 3 получаем,
Следовательно, уравнение крутящего момента выводится из эквивалентной схемы, и на основе приведенных выше уравнений можно выполнять различные расчеты производительности.
Электрические машины — Эквивалентная схема асинхронного двигателя
Эквивалентная схема асинхронного двигателя Модель
Мы видели, что индукционные машины (как можно догадаться по названию) работают на
Принцип индукционных токов.
Есть еще два магнитных поля, по одному от каждого из ротора и
статора, но поле ротора индуцируется полем статора. По сути, мы можем думать об индукции
машина как вращающийся трансформатор. Статор похож на первичную обмотку трансформатора и создает
начальное поле, индуцирующее напряжения и токи во вторичной обмотке ротора. Принципиальные отличия
от стационарного трансформатора составляют:
- Вторичный вращается
- Имеется воздушный зазор, поэтому для данной плотности потока требуется больше ммс
- Вторичное напряжение и частота зависят от скорости
Кроме того, асинхронная машина с фазным ротором может фактически использоваться в качестве преобразователя частоты.
трансформатор. Например, система с частотой 60 Гц, подключенная к первичной обмотке асинхронной машины, может передавать энергию на
система 50 Гц, подключенная к ротору, если машина приводится в действие механически с проскальзыванием 5/6.
Модель схемы замещения по фазам для асинхронной машины в установившемся режиме работы
питается балансным трехфазным питанием на основе модели трансформатора, показанной на рис.
1.
Рис. 1. Схема замещения трансформатора по фазам
На рис.
Цепь ротора
Из принципов работы мы знаем, что индуцированное напряжение \(E_R\)
и реактивное сопротивление рассеяния ротора \(X_R\) зависят от скольжения. Чтобы упростить модель, мы можем определить их обоих
по их значениям при нулевой скорости скольжение \(s=1\)
\[
\begin{выровнено}
E_R & = sE_{R0} \\
X_R & = sX_{R0}
\end{выровнено}
\]
где
- \(E_{R0}\) — индуцированное напряжение в состоянии покоя
- \(X_{R0}\) реактивное сопротивление рассеяния ротора в состоянии покоя
С приведенными выше определениями мы можем написать уравнение для фактического тока ротора как
\[
\begin{выровнено}
I_R & =\frac{E_R}{R_R+jX_R} \\
I_R & =\frac{sE_{R0}}{R_R+jsX_{R0}} \\
I_R & =\frac{E_{R0}}{\frac{R_R}{s}+jX_{R0}}
\end{выровнено}
\]
и модель трансформатора может быть перечерчена, как показано на рис.
2
Рис. 2. модифицированная модель эквивалентной схемы пофазного трансформатора
На рис. 2 эффективное соотношение оборотов \(a_{eff}\)
постоянна и равна эффективной передаточному числу оборотов в состоянии покоя. В машине с фазным ротором
\(a_{eff}\), \(R_R\) и \(X_{R0}\) могут быть измерены. В клеточной машине эти параметры нельзя определить напрямую, нет метода прямого измерения напряжения или тока на роторе. Чтобы преодолеть эту трудность, роторная (вторичная) цепь
можно отнести к статорной (первичной) стороне.
Полная эквивалентная схема, модель 9{2}X_{R0}\), реактивное сопротивление рассеяния ротора относительно статора
Символы, используемые в моделях асинхронных машин, различаются в зависимости от текста и контекста, в котором используется схема.
используется. \(R_I\), \(R_o\), \(R_{fe}\), \(R_m\) можно найти как ссылки
к сопротивлению потерям в железе. В некоторых текстах (особенно из Европы) \(R_2\). \(X_2\) см.
к фактическим значениям ротора с \(R’_2\), \(X’_2\), используемыми для указанных значений.
В текстах дисков это
обычно находят \(R_s\), \(R_r\) для сопротивления статора и сопротивления ротора, относящегося к статору с \(X_{ls}\), \(X_{lr}\) для статора
реактивное сопротивление рассеяния ротора. 92R_2
\]
с помощью резистора \(R_c\). Иногда потери в сердечнике группируются с потерями на трение, парусностью и паразитными потерями.
как потери при вращении.
Мощность ротора
Мощность, передаваемая ротору, называется «мощностью воздушного зазора». Рассмотрим эквивалент
схема ниже (сопротивление потерь в сердечнике удалено, а потери в сердечнике сгруппированы в потери при вращении). 92R_2 \frac{1-s}{s}
\]
Из приведенных выше уравнений видно, что мощность, преобразованная в механическую систему, является функцией мощности воздушного зазора и скольжения:
\[
P_{conv}=(1-s)P_{пробел}
\]
Окончательная выходная мощность может быть получена путем вычитания потерь при вращении из \(P_{conv}\).
\[
P_{out} = P_{conv}-P_{rotational}
\]
Резюме
Эквивалентная схема асинхронной машины по фазам, разработанная на этой странице, подходит для анализа установившегося состояния асинхронной машины с короткозамкнутым ротором при подключении к симметричному источнику питания. Он широко используется при анализе асинхронных двигателей. Уравнения для мощности воздушного зазора и мощности, преобразованной в механическую энергию, широко используются при анализе асинхронных двигателей.
[PDF] Новая точная эквивалентная схема трехфазного асинхронного двигателя среднего напряжения
- title={Новая точная эквивалентная схема трехфазного асинхронного двигателя среднего напряжения},
автор = {Лаура Коллазо Солар и Анхель А. Коста Монтьель и Мириам Виларагут Льянес и Владимир Соуза Сантос и Абель Курбело Колина},
journal={Международный журнал электротехники и вычислительной техники},
год = {2020},
громкость = {10},
страницы={6164-6171}
}- Laura Collazo Solar, Angel A.
Costa Montiel, Abel Curbelo Colina - Опубликовано 1 декабря 2020 г.
- Engineering
- International Journal of Electrical and Computer Engineering
В этой статье предлагается новая эквивалентная схема для среднего напряжения и большой мощности асинхронные двигатели с учетом более полной информации, предоставленной производителем. Представлена методика получения параметров схемы замещения, преимущество которой заключается в возможности электрического расчета всех потерь мощности и реализации баланса мощности. Достижением данной работы является новый способ расчета и представления дополнительных потерь с помощью…
Новый подход к модели трехфазного асинхронного двигателя для анализа электроэнергетической системы
Новая стационарная модель трехфазного асинхронного двигателя, позволяющая получить отклик потребности в активной и реактивной мощности в зависимости от напряжения и частоты предлагается использовать при исследованиях электроэнергетических систем.

Уменьшение пульсаций крутящего момента в PMa-SynRM: способ улучшения характеристик двигателя
- P. R. Viego, J. R. Gómez, Vladimir Sousa, J. P. M. Yanes, E. Quispe
Инжиниринг
- 2021
Доказано, что инвестиции экономически целесообразны, хотя NPV и окупаемость не самые лучшие из-за низкого коэффициента нагрузки в двигателях с инверторным управлением в кондиционерах.
International Journal of Electrical and Computer Engineering (IJECE)
- D. Hutabarat, R. Susanto, B. Prasetya, Barry Linando, Senanayake Mudiyanselage Namal Arosha
- 2021
Разработанная система может точно определять интенсивность света из 96% и всегда удается поддерживать температуру в заданном диапазоне, и разработано приложение, которое используется пользователем для ввода данных в систему.
с показателем 1-10 из 28 ссылок
Сорт Byrelevancemost, под влиянием PaperCercess,
Оценка эквивалентных цепей для индукционных двигателей в устойчивом состоянии, включая потери механической и бессмысленной нагрузки
- M.
Торррент - 9002
- М. РЕЗЮМЕ
В этой статье представлены эквивалентные схемы для анализа асинхронных двигателей, включая параметры, которые оценивают механические потери и дополнительные потери нагрузки, с целью достижения…
Оценка трехфазных параметров индукционного двигателя
- M. H. Haque
Инженерия
- 1993
Оценка трехфазного индукционного моторного моторного. Anderson Y. Beltrame
Engineering
- 2017
Однофазная эквивалентная схема в основном используется для моделирования трехфазных асинхронных двигателей в установившемся режиме и при синусоидальном сбалансированном напряжении. В зависимости от желаемого применения…
Оценка параметров модели с двойной клеткой асинхронного двигателя по данным производителя
В данной статье представлен численный метод оценки параметров модели с двойной клеткой асинхронного двигателя по стандартным данным производителя: механическая мощность при полной нагрузке (номинальная мощность), реактивная при полной нагрузке …
Об определении параметров асинхронного двигателя по данным производителя для программ электромагнитных переходных процессов
В данной статье выявлена неточность метода определения параметров асинхронного двигателя, используемого в программах моделирования типа ЭМТП (АТП, ЭМТР96, EMTDC).
В статье представлен численный метод…Оценка параметров асинхронных машин при синусоидальном возбуждении с ШИМ методы оценки для определения электрических параметров трехфазной асинхронной машины. Модели линейной регрессии получены из динамических…
Оценка параметров асинхронных двигателей с использованием программы электронных таблиц на персональном компьютере
- R. Natarajan, V. K. Misra
Engineering
- 1989
Method for determining losses and efficiency of three-phase cage induction motors
- H. P. Sambath
Engineering
- 1999
The Целью стандарта является повышение точности испытаний и определения эффективности асинхронных двигателей. Он содержит два метода, описывающих процедуру определения…
Parameter Determination of Asynchronous Machines From Manufacturer Data Sheet
- Joáo Marcondes Corréa Guimaráes, José Vitor Bernardes Junior, A.
Hermeto, E. da Costa Bortoni Engineering
IEEE Transactions on Energy Conversion
- 2014
В данной статье представлена методика получения параметров схемы замещения асинхронного двигателя из информации на паспортной табличке и в каталоге производителя. Предлагаемый…
Синхронные реактивные двигатели с постоянными магнитами и прямым пуском с ферритовыми магнитами для управления постоянными нагрузками
- P. R. Viego, Vladimir Sousa, J. R. Gómez, E. Quispe
Engineering
- Laura Collazo Solar, Angel A.
- 2020 Для управления постоянными нагрузками в промышленности предлагается использовать синхронные реактивные двигатели с постоянным магнитом и прямым пуском с ферритовыми магнитами (DOL-Start-PMa-SynRM). …
Эквивалентная схема трехфазного асинхронного двигателя
Хотите создать сайт? Найдите бесплатные темы и плагины WordPress.
Трехфазный асинхронный двигатель работает как трансформатор.
В трансформаторе переменное напряжение подается на первичную обмотку, что создает поток переменного тока в сердечнике. Этот поток связывает вторичную обмотку и индуцирует напряжение той же частоты, но с напряжением, зависящим от коэффициента трансформации трансформатора.В трехфазном асинхронном двигателе к статору приложено напряжение, создающее вращающуюся магнитную волну. Когда эта волна проходит по стержням ротора, индуцируются напряжения; однако частота напряжения определяется скольжением двигателя. Оказывается, сходство распространяется и на эквивалентные схемы двух устройств.
На рис. 1 показана конструкция одной фазы обмотки якоря. Когда на катушку подается напряжение, в обмотке течет ток и устанавливается поток, как и в трансформаторе. На рис. 1 взаимный поток показан сплошными линиями, проходящими через середину ротора, а поток рассеяния показан пунктирными линиями, не пересекающими воздушный зазор.
Воздушный зазор в двигателе намного больше, чем в трансформаторе, что означает, что сопротивление пути магнитного потока будет намного выше.
Индуктивность, разумеется, обратно пропорциональна сопротивлению, поэтому индуктивность, а значит, и реактивное сопротивление будут меньше. В результате ток холостого хода (или ток возбуждения) будет значительно выше в процентном отношении для асинхронного двигателя. В то время как ток возбуждения для трансформатора составляет лишь несколько процентов от номинального тока, ток возбуждения для асинхронного двигателя может составлять 40 % или более от номинального тока.РИСУНОК 1 Взаимный поток и поток рассеяния из-за обмотки статора.
При разработке схемы замещения асинхронного двигателя можно вспомнить схему замещения трансформатора . Первичная цепь содержала индуктивности для учета рассеяния и взаимных потоков и сопротивления для учета сопротивления первичной обмотки и потерь в сердечнике. Статор асинхронного двигателя практически такой же; существуют взаимные потоки и потоки рассеяния, сопротивление обмотки и потери в сердечнике за счет гистерезиса и вихревых токов.

На рис. 2 представлена эквивалентная схема одной фазы статора асинхронного двигателя. Предполагается, что обмотки соединены звездой, поэтому напряжение, приложенное к цепи, является фазным. Элементы R s и X s – сопротивление обмотки статора и реактивное сопротивление рассеяния, а X m – реактивное сопротивление намагничивания. Эта схема по существу такая же, как первичная цепь трансформатора. Единственная разница в том, что мы не включили сопротивление потерь в сердечнике. Потери в сердечнике часто учитываются отдельно и поэтому не представлены в эквивалентной схеме.
Глядя на схему статора на рис. 2, I 1 — это ток, поступающий в обмотку. Как уже говорилось, для установления магнитного поля требуется значительный ток I м . Остаточный ток, I 2 , представляет собой нагрузочную часть тока статора. МДС I 2 точно компенсирует МДС тока ротора. В векторной записи мы можем написать:
\[\begin{matrix} {{V}_{1}}\text{ }=\text{ }{{E}_{1}}\text{ }+\ text{ }{{I}_{1}}({{R}_{s}}\text{ }+j{{X}_{s}}) & {} & \left( 1 \right) \ \\конец{матрица}\]
Где E 1 – ЭДС, наведенная в обмотке статора взаимным потоком.
Нам нужно добавить ротор в эквивалентную схему.РИСУНОК 2 Эквивалентная схема статора асинхронного двигателя.
Глядя на рис. 3, когда поток статора проходит через проводник ротора, индуцируются напряжение и ток. Если ротор не может вращаться (заблокированный ротор), то напряжение и ток, индуцируемые в роторе, будут иметь ту же частоту, что и в статоре.
РИСУНОК 3 Индукция токов ротора вращающимся магнитным полем статора.
Перед нами трансформатор необычной формы, в котором поток вращается вокруг проводников ротора. В случае с трансформатором мы относим величины от одной стороны к другой, используя коэффициент трансформации. Поскольку большинство асинхронных двигателей имеют ротор с короткозамкнутым ротором, определить количество витков ротора непросто. К счастью, мы можем избежать этой проблемы, всегда работая с величинами, относящимися к статору.
На рис. 4 показано, что происходит, когда ротор заблокирован.
Когда поле статора проходит через проводники ротора, индуцируется заблокированное напряжение ротора, E BR (равное E 1 ). Поскольку катушки закорочены, ток протекает через сопротивление и реактивное сопротивление рассеяния катушек ротора. На рис. 4 R r — сопротивление одной фазы обмотки ротора, а X r — реактивное сопротивление рассеяния ротора, когда в роторе протекают токи частоты статора, что происходит только при неподвижном роторе (скольжение = 1.0). Конечно, оба R r и X r относятся к статору по соотношению оборотов.РИСУНОК 4 Эквивалентная схема ротора при заблокированном роторе.
Чтобы асинхронный двигатель был нам полезен, он должен вращаться, а значит скольжение меньше 1,0. Если ротор движется, происходят две вещи:
- Относительная скорость поля статора и катушки ротора равна sn s вместо n s . Напомним, что E=Blv. Таким образом, наведенное в роторе напряжение будет sE
- Поскольку частота токов ротора равна sf s , реактивное сопротивление рассеяния будет иметь значение sX r .

Замена E 1 на sE 1 и X r на sX r на рис. 4 дает схему, показанную на рис. 5, которая действительна при любом значении скольжения. Чтобы соединить цепь ротора на рис. 5 со схемой статора на рис. 2, мы должны учитывать разные частоты.
РИСУНОК 5 Цепь ротора на частоте скольжения.
Точно так же, как мы определяли импедансы по отношению витков, мы можем соотносить их по частоте. Из схемы на рисунке 5 мы можем записать
\[\begin{matrix} \text{s}{{\text{E}}_{\text{1}}}\text{ + }{{\text {I}}_{\text{2}}}\text{(}{{\text{R}}_{\text{r}}}\text{ + js}{{\text{X}}_ {\text{r}}}\text{)} & {} & \left( 2 \right) \\\end{matrix}\]
Деление уравнения 7-8 на s дает
$\begin{matrix } {{E}_{1}}+{{I}_{2}}\left( \frac{{{R}_{r}}}{s}+j{{X}_{r}} \right) & {} & \left( 3 \right) \\\end{matrix}$
Уравнение 3 может быть представлено схемой на Рисунке 6, которая представляет собой эквивалентную схему ротора, относящуюся к статору как по соотношению оборотов, так и по частоте.

РИСУНОК 6 Эквивалентная схема ротора относительно частоты статора.
Эту схему можно соединить с эквивалентной схемой статора, но рекомендуется разделить сопротивление на две отдельные составляющие. Для удобства можно написать:
\[\begin{matrix} \frac{{{R}_{r}}}{s}={{R}_{r}}+\frac{{{R} _{r}}}{s}-{{R}_{r}} & {} & \left( 4 \right) \\\end{matrix}\]
Объединение двух последних членов в правой части уравнения 4 дает
\[\begin{matrix} \frac{{{R}_{r}}}{s}={{R}_{r}} +{{R}_{r}}\left( \frac{1-s}{s} \right) & {} & \left( 5 \right) \\\end{matrix}\]
Замена резистивный элемент на рис. 6 двумя резистивными элементами в правой части уравнения 5 дает эквивалентную схему ротора, показанную на рис. 7. Причины такой манипуляции будут обсуждены в ближайшее время.
РИСУНОК 7 Цепь ротора относится к статору, сопротивление ротора разделено на две составляющие.
Наконец, комбинируя эквивалентную схему ротора на рис.
7 с эквивалентной схемой статора на рис. 2, мы получаем эквивалентную схему установившегося режима для одной фазы асинхронного двигателя, соединенного звездой, как показано на рис. 8.РИСУНОК 8 Эквивалентная схема пофазного асинхронного двигателя.
Блокировка снова на роторной части эквивалентной схемы на рис. 8, резистор R r представляет собой сопротивление обмотки ротора. Используемая им мощность – это мощность, теряемая при резистивном нагреве обмотки ротора. Дополнительный резистивный элемент на правом конце зависит от скольжения и сопротивления ротора. Это связано с необходимостью преобразования цепи ротора не только по соотношению витков, но и по частоте. Мощность, потребляемая в этом элементе, является развиваемой мощностью машины.
Развиваемая мощность представляет собой мощность, преобразованную из электрической формы в механическую, и включает мощность нагрузки плюс механические потери, такие как трение и ветер.

Вычитание механических потерь из развиваемой мощности даст мощность на валу, которая представляет собой фактическую мощность, передаваемую на нагрузку. Развиваемый крутящий момент и крутящий момент на валу можно рассчитать по развиваемой мощности и мощности на валу соответственно.
Пример эквивалентной схемы асинхронного двигателя
Четырехполюсный асинхронный двигатель, 60 Гц, 460 В, 5 л.с. имеет следующие параметры эквивалентной схемы:
$\begin{matrix} \begin{matrix} {{R} _{s}}=1,21\Omega & {{R}_{r}}=0,742\Omega \\\end{matrix} & {{X}_{s}}=3,10\Omega \\ {{X} _{r}}=2,41\Omega & {{X}_{m}}=65,6\Omega \\\end{matrix}$
Найдите пусковой ток и ток холостого хода для этой машины.
Решение
При пуске скольжение равно 1,0, что означает короткое замыкание нагрузочного резистора в эквивалентной цепи (1-s=0). Ток будет равен напряжению, деленному на полное сопротивление цепи. Входное сопротивление можно найти как:
\[{{Z}_{in}}=\left( {{R}_{s}}+j{{X}_{s}} \right)+\ frac{j{{X}_{m}}\left( {{R}_{r}}+j{{X}_{r}} \right)}{{{R}_{r}}+ j{{X}_{r}}+j{{X}_{m}}}\]
\[{{Z}_{in}}=\left( 1.
{o}}\] 9{o}}\]Вы нашли apk для Android? Вы можете найти новые бесплатные игры и приложения для Android.
Исследование схемы замещения асинхронного двигателя.
Неделя 8. Задача 2. Дизайн лицевой панели переключателя
Задача:
Вопрос. Создайте пластиковый компонент лицевой панели переключателя с помощью заданной поверхности класса A. Для начала необходимо создать ось инструмента для данной поверхности класса А, отвечающую требованиям угла уклона, и в конце выполнить анализ уклона модели. Возьмите Толщину компонента 2,5…
15 сент. 2022 г. 09:24 IST
Подробнее
Неделя 8 — Задача 1 — Проектирование несущего кронштейна
Цель:
Вопрос: Создайте пластиковый компонент несущего кронштейна с помощью заданной поверхности класса A.
Для начала необходимо создать ось инструмента для данной поверхности класса А, отвечающую требованиям угла уклона, и в конце выполнить анализ уклона модели. Решение: что такое уклон в пластиковом дизайне?…14 сент. 2022 10:10 IST
Подробнее
Проектирование задней двери
Цель:
КОНСТРУКЦИЯ ЗАДНЕЙ ДВЕРИ: Цель: Разработать заднюю дверь автомобиля, используя метод заданной поверхности при проектировании автомобильного листового металла. Введение: задняя дверь расположена в задней части автомобиля, что дает доступ к багажнику для хранения багажа, запасного колеса и т. д. Этими дверями можно управлять…
14 августа 2022 07:28 IST
- ДИЗАЙН
Подробнее
Вызов крыши
Задача:
Цель: Спроектировать и разработать крышу автомобиля с ее компонентами, следуя основному разделу и параметрам конструкции.
Цели: • Разработать основные фланцы и арматуру, используя стиль крыши в качестве исходных данных. • Провести исследование кривизны крыши и выполнить расчеты…29 июля 2022 г. 17:15 IST
- NX-CAD
Подробнее
Расчет и оптимизация модуля сечения
Задача:
Цель: Изучение модуля упругости и прочности компонентов. Цель: рассчитать модуль сопротивления ранее спроектированного кожуха для анализа его прочности и оптимизации конструкции, чтобы увидеть разницу в прочности на изгиб кожуха. Чем выше модуль упругости конструкции, тем…
19 июля 2022 16:22 IST
Читать дальше
Конструкция крыла — задача колесной арки
Цель:
Цель: Спроектировать колесную арку крыла.
Цель: изучить данную конструкцию колесной арки крыла и проверить, соответствует ли колесная арка крыла европейским стандартам. Введение: Колесная арка крыла: Колесная арка крыла представляет собой полукруглую часть, расположенную над…14 июля 2022 г. 11:06 IST
Подробнее
Fender Design Challenge
Задача:
Цель: спроектировать крыло автомобиля с помощью UG NX. Задачи: 01. Изучить конструкцию крыла. Введение: Крыло — это часть транспортного средства, которая обрамляет колесо и предотвращает попадание липких и твердых веществ, таких как грязь, песок, камень и т. д. Липкие материалы, такие как грязь, могут прилипать к гладкому внешнему…
13 июля 2022 г. 11: 31:00 IST
Подробнее
Дизайн капота — неделя 2
Цель:
Цель: Спроектировать капот автомобиля с помощью UG NX.
Задачи: 1. Изучить конструкцию вытяжки. 2. Изучить данные мастики для капота. 3. Изучить процесс подгибки и затыкания кромки. Введение: Капот представляет собой откидную крышку…05 июля 2022 г. 14:00 IST
Подробнее
Покрытие днища
Цель:
Введение: Что такое покрытие днища автомобилей? Покрытие днища обычно представляет собой плотное покрытие (часто на основе резины), равномерно нанесенное на ходовую часть автомобиля. Обычно его наносят распылением или краской, когда автомобиль только что вышел из автосалона и он чистый. Но даже если вы получаете…
12 июня 2022 г. 08:39 IST
Подробнее
Сравнительный анализ
Цель:
Цель: Изучить концепцию сравнительного анализа на этапе предварительного проектирования и разработки автомобильных конструкций для производства.
Задачи: 01. Изучить и внедрить концепцию сравнительного анализа в реальных приложениях. 02. Подготовьте отчет, объясняющий, что такое сравнительный анализ …11 июня 2022 г. 09:27 IST
Подробнее
Неделя 12: Проект-1-Создание сетки внутренней панели двери Задача
Цель:
Цель: Создать сетку оболочки (2-D) для панели боковой двери автомобиля, устранив геометрические ошибки и учитывая заданные критерии качества, используя Hypermesh. Введение: Боковая дверная панель: Боковая дверная панель представляет собой пластиковую деталь, материалы, используемые для дверной панели, включают акрилонитрил-бутадиен-стирол (АБС), поликарбонат…
31 мая 2022 г. 10:52 IST
Подробнее
Неделя 9- Создание одномерных соединителей Задача
Цель:
Вопрос: Создать сетку заданной геометрии.
Ниже приведены параметры качества, которым вы должны следовать. Размер целевого элемента — 5 Единиц Серийный номер Критерии качества Значение 1 Соотношение сторон 5 2 Асимметрия 45 3 Деформация 15 4 Конусность 0,5 5 Мин. Длина 2 Единицы 6 Макс. Длина 8 Единицы 7 Минимальный угол Quad 45 8 Максимальный угол Quad 135 9 Минимальный угол…06 мая 2022 г. 09:31 IST
Подробнее
Неделя 6. Задание Meshing of Hood
Цель:
Вопрос: нижеуказанным критериям качества, создайте сетку компонента, указанного ниже, и назначьте толщину: Длина целевого элемента = 5 единиц Sr.No. Критерии качества Значение 1 Соотношение сторон 5 2 Асимметрия 45 3 Деформация 15 4 Конусность 0,5 5 Мин. Длина 2 Единицы 6 Макс. Длина 8 Единиц…
06 мая 2022 г. 05:10 IST
Подробнее
Неделя 8-3D Tetra Meshing Challenge
Цель:
Вопрос: 01.
Создайте компонент Tetramesh for Housing со следующими критериями качества. Метод создания TetraMesh: преобразование 2D в 3D. Размеры элементов: мин. – 2 единицы, целевые – 5 единиц, макс. – 7 единиц. Разрушение Tet: 0,15 Рис. 1.1. Корпус. 02. Для данной модели создайте 3D-тетрамеш со следующим…01 мая 2022 г. 10:03 IST
Подробнее
Неделя 4-1D Элемент Создание Задания
Цель:
Вопросы: A]. Создайте сетку данного компонента с размером 5 единиц. Б]. Создайте 1D-элемент следующих спецификаций с заданным поперечным сечением и степенью свободы. Стержневой элемент: — Поступательная глубина резкости должна быть ограничена звеном RBE2. Поперечное сечение: КОРОБКА — Размер a = 12 мм …
10 марта 2022 г. 10:53 IST
Подробнее
Окончательный проект: Моделирование электрической рикши
Задача:
Вопрос: Создайте подробную модель электрорикши (трехколесного пассажирского транспортного средства) в MATLAB, как указано ниже: Задние колеса приводятся в движение щеточным двигателем с постоянными магнитами.
Предположим, что точки эффективности контроллера двигателя и двигателя. Создайте лист Excel со всеми входными и предполагаемыми данными. Результаты: Для любых трех стандартных ездовых циклов…24 фев. 2022 07:46 IST
- MATLAB
Подробнее
Изучение ПИД-регулятора в MATLAB.
Задача:
Вопросы: 1. В каких ситуациях упреждающее управление двигателем постоянного тока не работает? Подготовьте сценарий MATLAB для управления с прямой связью и протестируйте его. 2. Предположим, что объект и контроллер готовят одну и ту же структуру в Simulink, как показано на рисунке ниже. Кроме того, используйте блок ПИД-регулятора в Simulink и проверьте реакцию системы…
25 января 2022 г. 10:27 IST
- MATLAB
Подробнее
Исследование понижающего преобразователя с использованием инструмента Control System Designer в Matlab.
3(1+0,005с)(1+0,001с))`…17 января 2022 г. 10:47 IST
- MATLAB
Подробнее
Исследование передаточной функции.
Цель:
Цель: Изучение передаточной функции. Задачи: 01. Изучить системы автономного вождения в гибридных электромобилях. 02. Изучить применение передаточной функции и пространства состояний в Matlab. 03. Учить вывод передаточной функции для электрических цепей. Введение: что такое передаточная функция? Передаточная функция…
10 января 2022 г., 08:20 IST
- MATLAB
Подробнее
Исследование аккумуляторной батареи и ее температуры с помощью модели simscape.
Задача:
Цель: изучить аккумулятор и его температуру с помощью модели simscape.
Задачи: 01. Обобщить методы управления температурным режимом аккумуляторной батареи электромобиля. 02. Создать простую модель simscape с батареей и показать зависимость производительности от температуры. 03. Изучить график результатов для разных…05 января 2022 г. 16:34 IST
Подробнее
Проект 2 Тепловое моделирование аккумуляторной батареи
Задача:
Цель: Изучение теплового моделирования аккумуляторной батареи. Задачи: 01. Создать модель литий-ионного аккумулятора из 10 ячеек. 02. Смоделировать тепловые эффекты и сравнить характеристики жизненного цикла при различных температурах, скоростях заряда и разряда с помощью MATLAB. Введение: повышение температуры влияет на…
04 января 2022 г. 08:43 IST
- MATLAB
Подробнее
Исследование и моделирование аккумуляторной батареи в программе Matlab.

Цель:
Цель: изучить тепловое моделирование аккумуляторной батареи. Задачи: 01. Создать модель литий-ионного аккумулятора из 10 ячеек. 02. Смоделировать тепловые эффекты и сравнить характеристики жизненного цикла при различных температурах, скоростях заряда и разряда с помощью MATLAB. Введение: повышение температуры влияет на…
04 января 2022 г. 08:42 IST
- MATLAB
Подробнее
Неделя 7 Оценка состояния заряда
Задача:
Цель: Изучение кулоновского счета для оценки SOC и тестового комплекта для BMS. Задачи: 01. Изучить тест-кейсы с дашборда жгута и написать подробный отчет по результатам. 02. Изучить, что такое счет кулонов? И как BMS реализует подсчет кулонов для оценки SOC? Введение: Что…
02 января 2022 г. 09:14 IST
Подробнее
Исследование счета кулонов для оценки SOC и тестового набора для BMS.

Цель:
Цель: Изучение подсчета кулонов для оценки SOC и тестового набора для BMS. Задачи: 01. Изучить тест-кейсы с дашборда жгута и написать подробный отчет по результатам. 02. Изучить, что такое счет кулонов? И как BMS реализует подсчет кулонов для оценки SOC? Введение: Что…
02 января 2022 г. 09:10 IST
Подробнее
Изучение методов балансировки элементов аккумуляторной батареи.
Цель:
Цель: изучить методы балансировки элементов аккумуляторной батареи. Задачи: 01. Изучить, насколько слабая ячейка ограничивает полезную емкость аккумуляторной батареи. 02. Изучить технику балансировки клеток. Введение: Сначала мы рассмотрим точные определения «ячейки», «модуля» батареи электромобиля…
30 декабря 2021 г. 07:58 IST
Подробнее
Изучение расположения ячеек в аккумуляторном модуле аккумуляторной батареи в Matlab .

Задача:
Цель: Изучение расположения ячеек в аккумуляторном модуле аккумуляторной батареи в программе Matlab. Задачи: 01. Собрать аккумуляторную батарею по схеме 3С4П с универсальным аккумуляторным блоком. 02. Настроить батареи в соответствии со спецификацией ионно-литиевых батарей. 03. Изучить параметры сконфигурированного аккумуляторного блока. 04. Для имитации…
22 декабря 2021 г. 12:24 IST
Подробнее
Исследование блока топливных элементов мощностью 6 кВт 45 В постоянного тока в Matlab.
Цель:
Цель: изучить блок топливных элементов мощностью 6 кВт 45 В постоянного тока в программе Matlab. Задачи: 01. Подробно изучить принцип работы модели. 02. Изучить моделирование модели и результаты. 03. Изучить характеристики напряжения и тока на полученном графике. Введение: что такое топливный элемент? Топливный элемент — это…
19 Dec 2021 05:15 IST
Подробнее
Изучите и настройте общую модель литий-ионного аккумулятора в MATLAB.

Цель:
Цель: изучить и настроить общую модель литий-ионного аккумулятора в MATLAB. Цели: 01. Настроить общую модель литий-ионного аккумулятора в MATLAB. 02. Смоделировать общую модель батареи с использованием данных UDDS. Введение: Что такое литий-ионный аккумулятор? Литий-ионный аккумулятор или литий-ионный аккумулятор — это…
14 декабря 2021 г. 12:15 IST
- MATLAB
Подробнее
Исследование различных характеристик свинцово-кислотного аккумулятора в программе Matlab.
Задача:
Цель: Изучение различных характеристик свинцово-кислотных аккумуляторов в программе Matlab. Цель: запустить скрипт MATLAB для математической модели свинцово-кислотного аккумулятора и изучить результаты. Введение: что такое глубина разряда (DoD)? Глубина разряда (DoD) – это доля или процент емкости, которая имеет…
09 декабря 2021 г.
09:32 AM IST- MATLAB
Подробнее
Изучение характеристик литий-ионных аккумуляторов.
Цель:
Цель: изучить характеристики литий-ионных аккумуляторов. Задачи: 01. Изучить разницу между номинальным напряжением и максимальным напряжением? 02. Изучить размеры и массу клетки. 03. Изучить различные механические испытания и стандарты. 04. Изучить процедуру утилизации, обычно предлагаемую для использованных литий-ионных+ аккумуляторов?…
04 декабря 2021 г. 07:17 IST
Подробнее
Неделя 1 Понимание химического состава различных аккумуляторов
Цель:
Цель: изучить различные типы ионно-литиевых аккумуляторов и их характеристики. Задачи: 1. Изучить материалы и химические реакции, происходящие на аноде и катоде литий-ионных элементов типа LCO, LMO, NCA, NMC, LFP и LTO.
2. Изучите различия между каждым типом литий-ионных аккумуляторов на основе их характеристик.…01 декабря 2021 г. 13:58 IST
Подробнее
Изучите различные типы литий-ионных аккумуляторов и их характеристики.
Задача:
Цель: изучить различные типы литий-ионных аккумуляторов и их характеристики. Задачи: 1. Изучить материалы и химические реакции, происходящие на аноде и катоде литий-ионных элементов типа LCO, LMO, NCA, NMC, LFP и LTO. 2. Изучите различия между каждым типом литий-ионных аккумуляторов на основе их характеристик.…
01 декабря 2021 г. 13:58 IST
Подробнее
Проект-1: Силовой агрегат для взлетно-посадочных самолетов
Задача:
Цель: Исследование силовых агрегатов для взлетно-посадочных самолетов.
Задачи: 01. Найти и перечислить общий вес различных типов самолетов. 02. Есть ли разница между скоростью по земле и скоростью по воздуху? 03. Почему не рекомендуется использовать мощность двигателя самолета для его перемещения по земле в аэропорту? 04. How…29 нояб. 2021 07:59 IST
Читать дальше
Изучение силовых схем для самолетов на взлетно-посадочных полосах.
Задача:
Цель: Изучение силовых установок самолетов на взлетно-посадочных полосах. Задачи: 01. Найти и перечислить общий вес различных типов самолетов. 02. Есть ли разница между скоростью по земле и скоростью по воздуху? 03. Почему не рекомендуется использовать мощность двигателя самолета для его перемещения по земле в аэропорту? 04. How…
29 нояб. 2021 07:57 IST
Подробнее
Week-11 Challenge: Braking
Цель:
Цель: Изучить тормозную систему электромобиля.
Задачи: 01. Рассчитать энергию, необходимую для торможения, для заданного ездового цикла. 02. Изучить, почему электродвигатель не может развить тормозной момент на высокой скорости, аналогичный пуску? Как согласуются электрические и механические тормоза? 03. Бежать…17 ноя 2021 14:29 IST
- MATLAB
Подробнее
Изучение силовых преобразователей и силовой электроники электромобилей.
Задача:
Цель: Изучение силовых преобразователей и силовой электроники электромобилей. Задачи: 01. Изучить схемы силовой электроники и потери, возникающие в схемах силовой электроники на практике. 02. A. Разработать модель Simulink для генерации импульсов для простой схемы преобразователя мощности. (Подсказка: Блоки: синусоида, несущая…
02 нояб. 2021 13:13 IST
Подробнее
Исследование схемы замещения асинхронного двигателя.

Задача:
Цель: Исследование схемы замещения асинхронного двигателя. Цели: Изучить и обсудить схему эквивалентной схемы модели MATLAB асинхронного двигателя. Решите: 3-фазный асинхронный двигатель с частотой 50 Гц, представленный эквивалентными константами цепи X1 = X2 = 0,1 Ом и R1 = R2 = 0,2 Ом, работает на половине…
23 окт. 2021 06:45 IST
- MATLAB
Подробнее
Исследование скоростно-моментной характеристики и метода управления частотой асинхронного двигателя с использованием MATLAB.
Задача:
Цель: Исследование скоростно-крутящих характеристик и метода регулирования частоты асинхронного двигателя с помощью Matlab. Задачи: 1. Чем работа асинхронного двигателя аналогична муфте? 2. Рассчитайте время запуска привода со следующими параметрами: …
16 окт.
2021 г. 11:54 IST- MATLAB
Подробнее
Изучение двигателя постоянного тока и его применения в «Четырехквадрантном инверторе постоянного тока» и «Двухквадрантном инверторе».
Цель:
Цель: изучение двигателя постоянного тока и его применения в «четырехквадрантном прерывателе постоянного тока» и «двухквадрантном прерывателе». Задачи: 1. A. Изучить демонстрационную модель MATLAB под названием «Управление скоростью двигателя постоянного тока с использованием H-моста BJT». B. Наблюдение и изучение скачка тока якоря…
11 окт. 2021 04:05 IST
- MATLAB
Подробнее
Неделя-7 Задача: управление двигателем постоянного тока
Цель:
Цель: изучение двигателя постоянного тока и его применения в Four-Quadrant Chopper.
DC Drive» и «Двухквадрантный прерыватель». Задачи: 1. A. Изучить демонстрационную модель MATLAB под названием «Управление скоростью двигателя постоянного тока с использованием H-моста BJT». B. Наблюдение и изучение скачка тока якоря…04 октября 2021 г. 10:34 IST
- MATLAB
Подробнее
Week-6 Задача: трансмиссия электромобиля
Цель:
Аналитическое исследование двигателя постоянного тока и его уравнения скорости для электромобиля с использованием Simulink.
23 сент. 2021 08:12 IST
Подробнее
Аналитическое исследование двигателя постоянного тока и его скорости для электромобиля с использованием Simulink.
Задача:
Цель: изучить характеристики тягового двигателя транспортного средства.
Задачи: Изучение схем силовых преобразователей, используемых в электромобилях и гибридных электромобилях. Изучить скоростно-моментные характеристики автомобиля по заданному уравнению. Разработать математическую модель двигателя постоянного тока для заданной…23 сент. 2021 08:08 IST
Подробнее
Аналитическое исследование характеристик крутящего момента машины постоянного тока с использованием Matlab.
Цель:
Цель: Аналитическое исследование скоростных характеристик крутящего момента машины постоянного тока с использованием MATLAB. Цели: Реализовать уравнения характеристик скорости крутящего момента машины постоянного тока в файле сценария MATLAB. Различать силовые кабели и сигнальные кабели, а также подготовить таблицу, где эти кабели используются в электропроводке электромобиля.…
31 марта 2021 г. 16:35 IST
- MATLAB
Подробнее
Week-4 Challenge WOT Condition Part-2
Цель:
Изучение и сравнение гибридных транспортных средств и чисто электрических силовых агрегатов.

14 фев. 2021 17:32 IST
Подробнее
Изучение и сравнение силовых агрегатов чисто электрического и гибридного автомобиля.
Задача:
Цель: Изучение и сравнение силовых агрегатов чисто электрического и гибридного транспортных средств с использованием блока силовых агрегатов. Задачи: 01. Изучить эталонное приложение HEV с ездовым циклом WOT. 02. Изучить и сравнить результаты моделирования гибридных и чисто электрических силовых агрегатов. Введение:…
14 фев. 2021 17:29 IST
Подробнее
Задача 3-й недели: инструмент ADVISOR
Цель:
Изучение моделей автомобилей ‘EV_defaults_in’ и ‘PRIUS_Jpn_defaults_in’ с помощью советника.
21 янв. 2021 17:09 IST
Подробнее
Изучение моделей автомобилей ‘EV_defaults_in’ и ‘PRIUS_Jpn_defaults_in’ с помощью советника.

Задача:
Цель: изучение моделей автомобилей EV_defaults_in и PRIUS_Jpn_defaults_in с помощью советника. Задачи: 1. Изучить и проанализировать модель автомобиля EV_defaults_in. 2. Проведение теста на преодоление подъема с помощью PRIUS_Jpn_defaults_in. Введение: Усовершенствованный симулятор автомобиля…
21 янв. 2021 17:07 IST
- MATLAB
Подробнее
Аналитическое исследование ездового цикла в реальном времени с использованием модели Driver Glider Model и моделирования автомобиля GM EV1 для расчета широко открытой дроссельной заслонки.
Цель:
Цель: Аналитическое исследование ездового цикла в реальном времени с использованием модели Driver Glider Model и моделирования автомобиля GM EV1 для расчета широко открытой дроссельной заслонки. Формулы: 01. Крутящий момент двигателя (Tm): `Tm = frac {Fte умножить на r} {G}` Fte = Общее тяговое усилие.
r = радиус шины в мм. G = передаточное отношение. 02. Крутящий момент колеса или крутящий момент оси…04 янв. 2021 17:26 IST
Подробнее
Аналитическое исследование движущих сил транспортных средств.
Задача:
Цель: Аналитическое исследование движущей силы транспортного средства, действующей на транспортное средство. Формулы: 01. Коэффициент удлинения (AR): `AR = frac {H} {W}, умноженный на 100` H = высота боковой стенки шины в мм. W = ширина шины в мм. 02. Диаметр колеса (dw): `dw = D + 2 H` D = внутренний диаметр обода в дюймах…
12 ноября 2020 г. 20:34 IST
9-1. T = температура видов. a1,a2,a3,a4,a5,a6,a7 = коэффициенты для высокой температуры. ii) `frac{H}{RT}…
20 октября 2020 г. 19:54 IST
Подробнее
Неделя 4.
Генетический алгоритмЦель:
https://skill-lync.com/projects/ исследование-оптимизации-с-использованием-геометрического-алгоритма-в-matlab
09 сент. 2020 19:54 IST
Подробнее
Исследование оптимизации с использованием геометрического алгоритма в MATLAB.
Цель: 92}{0.64}]` Цели:…
09 сент. 2020 19:51 IST
Подробнее
Изучение подгонки кривой для наилучшего соответствия заданному набору данных в Matlab.
Цель:
Цель: изучить подбор кривой для наилучшего соответствия заданному набору данных в Matlab. Цели: Изучение подбора кривой проводится для понимания концепции подбора кривой и изучения программирования для подбора кривой, чтобы выбрать наилучшее соответствие для данного набора данных в Matlab.


