Содержание
Шаговый двигатель NEMA 23
Описание Шаговый двигатель NEMA 23
Биполярный шаговый двигатель Nema 23 (2.8А) с углом шага 1,8 ° (200 шагов). Каждая фаза составляет 2,8a, что позволяет удерживать крутящий момент 1,26 нм
|
Производитель Номер
|
23HS22-2804S
|
|
Шаг угол
|
1,8 °
|
|
Шаг Точность
|
5%
|
|
Крутящий момент
|
1.26Nm (178.5oz.in)
|
|
Номинальный ток/фазы
|
2.8A
|
|
Сопротивление фаза
|
0,9 Ом
|
|
Напряжение
|
2,52 V
|
|
Индуктивность
|
2,5 мгн ± 20% (1 кГц)
|
|
Вес
|
700 г
|
Это сильная модель для шагового двигателя Nema 23 (4А),
он с углом шага 1,8 ° (200 шагов/революция).
Каждая фаза рисует 4.2A, учитывая крутящий момент 3.0Nm (425oz. in).
Параметры:
|
Производитель Номер
|
23HS45-4204S
|
|
Шаг угол
|
1,8 °
|
|
Крутящий момент
|
3,0 нм (425 унций)
|
|
Номинальный ток/фазы
|
4.2A
|
|
Сопротивление фаза
|
0,9 Ом
|
|
Напряжение
|
3,78 В
|
|
Индуктивность
|
3.
|
|
Вес
|
1,8 кг
|
Оставить отзыв о «Шаговый двигатель NEMA 23»
Ваши знания будут оценены пользователями сайта, если Вы авторизуетесь перед написанием отзыва.
| Ваше имя:* | |
| Заголовок:* | |
| Оценка товара: | |
| Достоинства: | |
| Недостатки: | |
| Комментарий:* | |
| В целом Ваш отзыв: | Положительный Отрицательный |
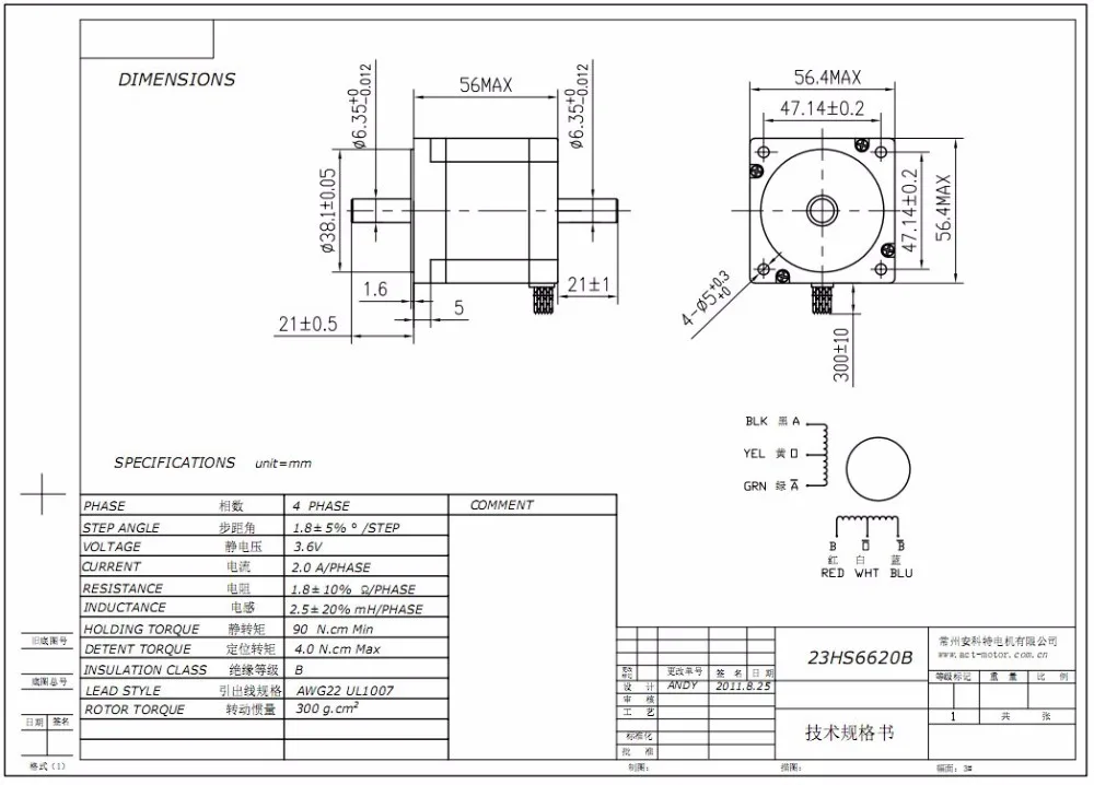
Шаговый двигатель с двусторонним валом Stepline SL57STH56-2804B (NEMA 23, 2.
8A, 12.6Kg*cm, 4 Leads, 1.8°, double shaft)
- Главная
- Шаговые двигатели Stepline
Пред. |
Назад к списку
| След.
- Товар
- Информация
- Заказ в 1 клик
| Вид товаров: | Шаговый двигатель |
| Габарит двигателя: | 57 (NEMA 23) |
| Удерживающий момент: | 12.6 кГ*см |
| Ток фазы: | 2.8 А |
| Полный шаг: | 1.8° |
| Центрирующий диаметр, мм: | 38.1 |
| Вал двигателя: | Двусторонний |
| Диаметр вых. вала, мм: | 6.35 |
| Новинка: | Да |
Шаговый двигатель SL57STH56-2804B (Stepline, NEMA 23, Габарит: 57мм, Длина корпуса: 56мм, Ток фазы: 2.
8 А, Удерживающий момент: 12.6 кГ*см, Количество выводов: 4, Полный шаг: 1.8°, Центрирующий диаметр: 38.1 мм, Двусторонний вал, Диаметр вых. вала: 6.35 мм)
Шаговый электродвигатель — это синхронный бесщеточный электродвигатель с несколькими обмотками. Ток в двигателе подается в одну из обмоток статора, что вызывает фиксацию ротора. В связи с последовательной активацией обмоток двигателя вызываются дискретные угловые перемещения (шаги) ротора. Конструкция шагового двигателя включает в себя статор, на котором расположены обмотки возбуждения, и ротор, выполненный из магнито-мягкого или из магнито-твёрдого материала. Шаговые электродвигатели с магнитным ротором дают высокий крутящий момент и реализуют фиксацию ротора при обесточенных обмотках.
Шаговые двухфазные электродвигатели StepLine предназначены для работы в составе исполнительного привода в механизмах перемещения, в качестве привода подач металлообрабатывающих, деревообрабатывающих, плазменных и лазерных станков с УЧПУ, в системах автоматического управления, упаковочных и маркировочных машинах, измерительных приборах, 3D-принтерах, медицинских приборах и в других механизмах.
Для управления шаговыми двигателями используются электронные устройства, называемые драйверами шагового привода, являющиеся связующим узлом между шаговым двигателем, питающей сетью и устройством управления верхнего уровня. Драйверы формируют напряжение питания обмоток шагового двигателя, определяют характер его движения и перемещения в заданную точку в зависимости от управляющих импульсных сигналов.
Совместимость с драйверами шагового привода
| Модель | SL-M415D | SL-DM422 | SL-M430D | SL-DM542 | SL-M545D | SL-DM756D | SL-M860D | SL-DM2280A |
| SL39ST22-0286 | ||||||||
| SL39ST38-0504 | ⚫ | ⚫ | ||||||
| SL42STh50-1684 | ⚫ | ⚫ | ⚫ | ⚫ | ||||
| SL42STh58-0806 | ||||||||
| SL42STh58-1684 | ⚫ | ⚫ | ⚫ | ⚫ | ||||
SL42STh44-1204M(0. 9°) | ⚫ | ⚫ | ⚫ | ⚫ | ||||
| SL42STh44-1334M(0.9°) | ⚫ | ⚫ | ⚫ | ⚫ | ||||
| SL57STH51-2804 | ⚫ | ⚫ | ⚫ | ⚫ | ⚫ | |||
| SL57STH56-2804 | ⚫ | ⚫ | ⚫ | ⚫ | ⚫ | |||
| SL57STH76-2804 | ⚫ | ⚫ | ⚫ | ⚫ | ⚫ | |||
| SL57STh212-3004 | ⚫ | ⚫ | ||||||
| SL86STH65-5904 | ⚫ | ⚫ | ||||||
| SL86STH82-5504 | ⚫ | ⚫ | ||||||
| SL86HS100-5004 | ⚫ | ⚫ | ||||||
| SL86STh218-6004 | ⚫ | ⚫ | ||||||
| SL86STh256-6204 | ⚫ | ⚫ | ||||||
| SL110HS150-6504 | ⚫ | |||||||
| SL110HS201-8004 | ⚫ |
Шаговые двигатели предназначены для эксплуатации в длительном режиме работы (S1).
Окружающая среда — в помещении, защищенном от прямого солнечного света, без пыли, агрессивных газов, горючих газов, масляного тумана, паров, брызг и пр. Предельное значение относительной влажности — 95%, без конденсата и обледенения. Температура окружающего воздуха — от -20°С до +50°С. Обеспечивается функционирование без снижения эксплуатационных характеристик при работе на высоте до 1000м над уровнем моря. Вращение выходных валов — в любую сторону. Степень защиты корпуса — IP43.
Технические характеристики
| Характеристики | Величина |
| Погрешность величины углового шага | ±5% |
| Допустимые отклонения сопротивления | ±10% |
| Допустимые отклонения индуктивности | ±20% |
| Температура корпуса | 80℃ Max |
| Рабочая температура окружающей среды | -20℃~+50℃ |
| Сопротивление изоляции | 100MΩMin при 500VDC |
| Электрическая прочность | 500VAC в течении 1 мин |
| Радиальные биения вала, мм | 0,02Max. (нагрузка силой 450г) |
| Осевые биения вала, мм | 0,08Max. (нагрузка силой 450г) |
Скачать файлы Шаговый двигатель с двусторонним валом Stepline SL57STH56-2804B (NEMA 23, 2.8A, 12.6Kg*cm, 4 Leads, 1.8°, double shaft)
Буклет
Каталог шаговых двигателей StepLine
Вы можете оформить заказ в 1 клик прямо в карточке товара, заполнив форму ниже
Встроенный сервопривод заменяет шаговые двигатели NEMA 23, 34 257 долларов США
Встроенный сервопривод с интерфейсом шага и направления
Современный сервопривод
с низкой стоимостью и простотой шагового двигателя
- Автоматическая настройка оптимизирует сервопривод для каждого приложения
- Интегрированная система — больше не нужно прокладывать кабель двигателя
- Бесшумная работа — без шума шагового двигателя
- Позиционирование с обратной связью — не беспокойтесь о потерянных шагах
- Доступны статоры с последовательной обмоткой для высокого крутящего момента на низких скоростях
ЦЕНЫ НАЧИНАЮТСЯ ТОЛЬКО 257 долларов США
Зарегистрируйтесь, чтобы увидеть все цены.
(Это просто!)
КУПИТЬ ОНЛАЙН
ДОСТАВКА ЧЕРЕЗ 3 ДНЯ
Системы «все в одном»
ClearPath-SD сочетает в себе шаговый и векторный сервопривод, бесщеточный серводвигатель и энкодер высокого разрешения в одном компактном корпусе. .
Доступны две модели: модель SDSK, мощность которой в 2-3 раза выше, чем у шаговых систем аналогичного размера; и модель SDHP, мощность которой в 8-15 раз превышает мощность шаговых двигателей аналогичного размера.
Нужен контроллер движения для ClearPath? Узнайте о программируемых контроллерах Teknic на C++ и EtherNet/IP.
Простое обновление
SDHP
Используете дорогие и сложные цифровые сервоприводы?
Замените шаговый двигатель или сервопривод с цифровым входом на ClearPath-SDHP и получите современный бесщеточный сервопривод в удобном интегрированном корпусе. Ускоряйтесь сильнее, двигайтесь быстрее и повышайте производительность своей машины.
SDSK
Хотите заменить шаговые двигатели сервоприводами?
Просто подключите ClearPath-SDSK к контроллеру/индексатору движения вашего шагового двигателя и сразу же получите производительность сервопривода: бесшумное и плавное движение, более высокую пропускную способность и позиционирование с обратной связью.
ВС. ШАГОВЫЕ И ДРУГИЕ ЦИФРОВЫЕ СЕРВОУСТРОЙСТВА
Power
ClearPath-SDSK
3
Сервосистемы ClearPath-SDSK в 2-3 раза мощнее шаговых двигателей аналогичного размера и стоят дешевле.
Шаговые двигатели
1
Высокая индуктивность и большое количество полюсов приводят к быстрому падению крутящего момента со скоростью, что приводит к снижению выходной мощности.
ClearPath-SDHP
5
Сервосистемы ClearPath-SDHP имеют мощность, в 8–15 раз превышающую мощность шаговых двигателей аналогичного размера, и большую мощность, чем у многих сервоприводов аналогичного размера, благодаря векторному синусоидальному управлению крутящим моментом и высокоэнергетическому редкоземельному магниту.
Прочие сервоприводы
5
Большинство бесщеточных сервосистем имеют постоянный крутящий момент на относительно высокой скорости, что означает большую мощность.
Точность и воспроизводимость
ClearPath-SDSK
5
Очень хорошо, а запатентованная ClearPath функция защиты от поиска устраняет большую часть поиска. Биение диска энкодера сведено к минимуму за счет использования прецизионно обработанного вала, конструкции крепления диска с нулевым биением и фиксированного заднего подшипника.
Шаговые двигатели
3
В целом неплохо, но ухудшается из-за множества факторов: трения, инерции, статических сил, температуры, фиксирующего момента и т. д.
ClearPath-SDHP
5
Очень хорошо, а запатентованная ClearPath функция защиты от охоты устраняет большую часть охоты. Биение диска энкодера сведено к минимуму за счет использования прецизионно обработанного вала, конструкции крепления диска с нулевым биением и фиксированного заднего подшипника.
Другие сервоприводы
4
Очень хорошо, хотя некоторые сервоприводы искажают (дизеринг), если они используют энкодеры с высоким разрешением. Также биение диска энкодера влияет на точность.
Нет потерянных шагов
ClearPath-SDSK
5
Сервосистемы не могут терять шаги или останавливаться, как системы с шаговыми двигателями.
Шаговые двигатели
1
Системы шаговых двигателей могут потерять положение или заглохнуть, если они не спроектированы с большим запасом прочности.
ClearPath-SDHP
5
Сервосистемы не могут терять шаги или останавливаться, как системы с шаговыми двигателями.
Другие сервоприводы
5
Сервосистемы не могут терять шаги или останавливаться, как системы с шаговыми двигателями.
Плавность
ClearPath-SDSK
3
Сервоприводы не имеют резонансных зон, таких как степперы, и ClearPath-SDSK применяет небольшое количество ограничений рывков (и производное ограничение рывков), чтобы помочь сгладить любые недостатки в профиле движения выход.
Шаговые двигатели
1
Шаговые двигатели должны переключаться между скоростями, при которых они естественным образом резонируют, что вызывает рывки при запуске и остановке движения.
ClearPath-SDHP
5
Сервоприводы не имеют резонансных зон, таких как шаговые двигатели, и ClearPath-SDHP будет применять столько ограничений рывков (и ограничения производных рывков), сколько необходимо для снижения вибрации машины и сокращения времени установления.
Другие сервоприводы
3
Сервоприводы не имеют резонансных зон, как степперы. Плавность движения зависит от качества профиля движения и точности отслеживания сервопривода.
Бесшумность
ClearPath-SDSK
5
Бесщеточные сервосистемы, как правило, намного тише, чем шаговые системы, и ClearPath использует специальные методы для дальнейшего снижения шума: векторная коммутация переменного тока, скошенные пластины статора, конструкция магнита внешнего ротора, увеличенные прецизионные подшипники, и другие.
Шаговые двигатели
1
Большой фиксирующий момент шаговых двигателей и способ их работы вызывают шум при их работе.
ClearPath-SDHP
5
Бесщеточные сервосистемы, как правило, намного тише, чем шаговые системы, и ClearPath использует специальные методы для дальнейшего снижения шума: векторную коммутацию переменного тока, скошенные пластины статора, конструкцию внешнего магнита ротора, увеличенные прецизионные подшипники и другие.
Прочие сервоприводы
5
Бесщеточные сервосистемы обычно намного тише, чем шаговые системы.
Обработка нагрузки
ClearPath-SDSK
5
ClearPath автоматически оптимизирует себя для любой подключенной нагрузки. Многочисленные инновации в области сервоуправления позволяют ClearPath легко справляться с несоответствием инерции нагрузки и двигателя более чем 100:1.
Шаговые двигатели
1
Для правильной работы шаговые двигатели должны быть механически «настроены» на трение и инерцию нагрузки. Производительность шагового двигателя не может быть оптимизирована с помощью программного обеспечения.
ClearPath-SDHP
5
ClearPath автоматически оптимизируется для любой подключенной нагрузки. Многочисленные инновации в области сервоуправления позволяют ClearPath легко справляться с несоответствием инерции нагрузки и двигателя более чем 100:1.
Другие сервоприводы
3
Сервоприводы могут быть настроены на широкий диапазон нагрузок, но большинство производителей сервоприводов рекомендуют оставаться в пределах соотношения нагрузки и инерции двигателя 10:1 для приемлемой производительности.
Вибрация
ClearPath-SDSK
4
Бесколлекторные сервосистемы, как правило, имеют намного меньшую вибрацию, чем шаговые системы, а ClearPath еще больше снижает вибрацию из-за вибрации вектора, характерной для многих сервосистем, которые используют ускорение с прямой связью и/или агрессивное усиление контура крутящего момента .
Шаговые двигатели
1
По той же причине, что шаговые двигатели являются шумными, они также создают значительную высокочастотную вибрацию.
ClearPath-SDHP
5
Бесколлекторные сервосистемы обычно имеют намного меньшую вибрацию, чем шаговые системы, а ClearPath дополнительно снижает вибрацию из-за векторной вибрации, характерной для многих сервосистем, которые используют ускорение с прямой связью и/или агрессивное усиление контура крутящего момента.
Прочие сервоприводы
4
Бесщеточные сервосистемы обычно имеют намного меньшую вибрацию, чем шаговые системы.
Эффективность
ClearPath-SDSK
5
Сервоприводы энергоэффективны, поскольку (теоретически) они потребляют ток только пропорционально необходимому крутящему моменту. ClearPath использует прямую связь по сопротивлению, компенсацию обратной ЭДС и перекрестную связь индуктивности, чтобы максимально приблизиться к теоретической максимальной эффективности.
Это означает, что очень мало энергии потребляется, когда двигатель работает с постоянной скоростью или в состоянии покоя.
Шаговые двигатели
1
Шаговые двигатели обычно постоянно работают с не менее 50% полного тока, даже при работе с постоянной скоростью или в состоянии покоя. Это приводит к потере большого количества энергии и заставляет степперы перегреваться даже при низких нагрузках.
ClearPath-SDHP
5
Сервоприводы энергоэффективны, поскольку (теоретически) они потребляют ток только пропорционально необходимому крутящему моменту. ClearPath использует прямую связь по сопротивлению, компенсацию обратной ЭДС и перекрестную связь индуктивности, чтобы максимально приблизиться к теоретической максимальной эффективности. Это означает, что очень мало энергии потребляется, когда двигатель работает с постоянной скоростью или в состоянии покоя.
Другие сервоприводы
4
Сервоприводы энергоэффективны, потому что (теоретически) они потребляют ток только пропорционально необходимому крутящему моменту.
Эффекты сопротивления двигателя, скорости и индуктивности снижают теоретическую эффективность.
Встроенный
ClearPath-SDSK
5
Модели ClearPath-SD по цене ниже сочетают в себе бесщеточный серводвигатель с постоянными магнитами, энкодер и векторный синусоидальный привод с интерфейсом шага и направления, и все это в одном компактном корпусе.
Шаговые двигатели
1
Приготовьтесь заплатить не менее 150 долларов сверх указанной выше цены, чтобы получить встроенную шаговую систему (больше с энкодером).
ClearPath-SDHP
5
Модели ClearPath-SD, указанные ниже, сочетают в себе бесщеточный серводвигатель с постоянными магнитами, энкодер и векторный синусоидальный привод с интерфейсом шага и направления, и все это в одном компактном корпусе.
Другие сервоприводы
2
Будьте готовы заплатить не менее 200 долларов США сверх указанных ниже цен, чтобы получить интегрированную сервосистему (кроме ClearPath).
ВС. Steppers и другие цифровые сервоприводы
| Clearpath-Sdsk | Stepper Motors | ClearPath-SDHP | . Другие цифровые сервисы |
|---|
7
3-й мощность
| 1 Высокая индуктивность и большое количество полюсов приводят к быстрому падению крутящего момента со скоростью, что приводит к снижению выходной мощности. | 5 Сервосистемы ClearPath-SDHP имеют мощность, в 8-15 раз превышающую мощность шаговых двигателей аналогичного размера, и большую мощность, чем многие сервоприводы аналогичного размера, благодаря векторному синусоидальному управлению крутящим моментом и редкоземельным магнитам высокой энергии. | 5 Большинство бесщеточных сервосистем имеют постоянный крутящий момент на относительно высокой скорости, что означает большую мощность. ![]() |
Точность и воспроизводимость
| 5 Очень хорошо, а запатентованная ClearPath функция защиты от охоты устраняет большую часть охоты. Биение диска энкодера сведено к минимуму за счет использования прецизионно обработанного вала, конструкции крепления диска с нулевым биением и фиксированного заднего подшипника. | 3 В целом неплохо, но ухудшается из-за множества факторов: трения, инерции, статических сил, температуры, фиксирующего момента и т. д. | 5 Очень хорошо, а запатентованная ClearPath функция защиты от охоты устраняет большую часть охоты. Биение диска энкодера сведено к минимуму за счет использования прецизионно обработанного вала, конструкции крепления диска с нулевым биением и фиксированного заднего подшипника. | 4 Очень хорошо, хотя некоторые сервоприводы искажают (дизеринг), если они используют энкодеры с высоким разрешением. Также биение диска энкодера влияет на точность. |
Нет потерянных шагов
| 5 Сервосистемы не могут терять шаги или останавливаться, как системы с шаговыми двигателями. ![]() | 1 Системы шаговых двигателей могут потерять положение или заглохнуть, если они не спроектированы с большим запасом прочности. | 5 Сервосистемы не могут терять шаги или останавливаться, как системы с шаговыми двигателями. | 5 Сервосистемы не могут терять шаги или останавливаться, как системы с шаговыми двигателями. |
Плавность
| 3 Сервоприводы не имеют резонансных зон, таких как степперы, и ClearPath-SDSK применяет небольшое ограничение рывков (и ограничение производных рывков), чтобы помочь сгладить любые несовершенства выходного профиля движения. | 1 Степперы должны прыгать через скорости, где они естественно резонируют, что вызывает рывки при начале и остановке движения. | 5 Сервоприводы не имеют резонансных зон, таких как шаговые двигатели, и ClearPath-SDHP будет применять столько ограничений рывков (и ограничения производных рывков), сколько необходимо для снижения вибрации машины и сокращения времени установления. ![]() | 3 Сервоприводы не имеют резонансных зон, как степперы. Плавность движения зависит от качества профиля движения и точности отслеживания сервопривода. |
Бесшумность
| 5 Бесщеточные сервосистемы, как правило, намного тише, чем шаговые системы, и ClearPath использует специальные методы для дальнейшего снижения шума: векторную коммутацию переменного тока, скошенные пластины статора, конструкцию внешнего магнита ротора, увеличенные прецизионные подшипники и другие. | 1 Большой фиксирующий момент шаговых двигателей и способ их работы вызывают шум при их работе. | 5 Бесщеточные сервосистемы, как правило, намного тише, чем шаговые системы, и ClearPath использует специальные методы для дальнейшего снижения шума: векторную коммутацию переменного тока, скошенные пластины статора, конструкцию внешнего магнита ротора, увеличенные прецизионные подшипники и другие. | 5 Бесщеточные сервосистемы обычно намного тише, чем шаговые системы. ![]() |
Обработка нагрузки
| 5 ClearPath автоматически оптимизируется для любой подключенной нагрузки. Многочисленные инновации в области сервоуправления позволяют ClearPath легко справляться с несоответствием инерции нагрузки и двигателя более чем 100:1. | 1 Шаговые двигатели должны быть механически «настроены» на трение и инерцию нагрузки, чтобы работать должным образом. Производительность шагового двигателя не может быть оптимизирована с помощью программного обеспечения. | 5 ClearPath автоматически оптимизируется для любой подключенной нагрузки. Многочисленные инновации в области сервоуправления позволяют ClearPath легко справляться с несоответствием инерции нагрузки и двигателя более чем 100:1. | 3 Сервоприводы могут быть настроены на широкий диапазон нагрузок, но большинство производителей сервоприводов рекомендуют оставаться в пределах соотношения нагрузки и инерции двигателя 10:1 для приемлемой производительности. ![]() |
Вибрация
| 4 Бесщеточные сервосистемы обычно имеют гораздо меньшую вибрацию, чем шаговые системы, а ClearPath еще больше снижает вибрацию из-за векторной вибрации, характерной для многих сервосистем, которые используют ускорение с прямой связью и/или агрессивное усиление контура крутящего момента. | 1 По тем же причинам, что и степперы шумные, они создают значительную высокочастотную вибрацию. | 5 Бесколлекторные сервосистемы обычно имеют гораздо меньшую вибрацию, чем шаговые системы, а ClearPath дополнительно снижает вибрацию из-за векторной вибрации, характерной для многих сервосистем, которые используют ускорение с прямой связью и/или агрессивное усиление контура крутящего момента. | 4 Бесщеточные сервосистемы обычно имеют гораздо меньшую вибрацию, чем шаговые системы. |
Эффективность
| 5 Сервоприводы энергоэффективны, потому что (теоретически) они потребляют ток только пропорционально необходимому крутящему моменту. ClearPath использует прямую связь по сопротивлению, компенсацию обратной ЭДС и перекрестную связь индуктивности, чтобы максимально приблизиться к теоретической максимальной эффективности. Это означает, что очень мало энергии потребляется, когда двигатель работает с постоянной скоростью или в состоянии покоя. | 1 Шаговые двигатели обычно постоянно работают с не менее 50% полного тока, даже при работе с постоянной скоростью или в состоянии покоя. Это приводит к потере большого количества энергии и заставляет степперы перегреваться даже при низких нагрузках. | 5 Сервоприводы энергоэффективны, потому что (теоретически) они потребляют ток только пропорционально необходимому крутящему моменту. ClearPath использует прямую связь по сопротивлению, компенсацию обратной ЭДС и перекрестную связь индуктивности, чтобы максимально приблизиться к теоретической максимальной эффективности. Это означает, что очень мало энергии потребляется, когда двигатель работает с постоянной скоростью или в состоянии покоя. ![]() | 4 Сервоприводы энергоэффективны, потому что (теоретически) они потребляют ток только пропорционально необходимому крутящему моменту. Эффекты сопротивления двигателя, скорости и индуктивности снижают теоретическую эффективность. |
Встроенный двигатель/привод/энкодер
| 5 Модели ClearPath-SD, указанные ниже, сочетают в себе бесщеточный серводвигатель с постоянными магнитами, энкодер и векторный синусоидальный привод с интерфейсом шага и направления, и все это в одном компактном корпусе. | 1 Будьте готовы заплатить по крайней мере 150 долларов США надбавки к ценам, указанным выше, чтобы получить интегрированную систему шагового двигателя (больше с энкодером). | 5 Модели ClearPath-SD, указанные ниже, сочетают в себе бесщеточный серводвигатель с постоянными магнитами, энкодер и векторный синусоидальный привод с интерфейсом шага и направления в одном компактном корпусе. | 2 Будьте готовы заплатить по крайней мере 200 долларов США надбавки к ценам, указанным ниже, чтобы получить интегрированную сервосистему (кроме ClearPath). ![]() |
Сервоприводы ClearPath в сравнении с шаговыми двигателями
Вы когда-нибудь расстраивались из-за того, что ваш шаговый двигатель теряет шаги, но не решались купить серводвигатель, потому что считали его слишком дорогим или сложным? С помощью этого видео вы узнаете о различиях между серводвигателями ClearPath-SD и шаговыми двигателями, поскольку мы объективно рассматриваем мощность, цену, производительность и простоту.
Узнайте, как внедрить ClearPath-SD
В этом видео мы продемонстрируем ключевые функции ClearPath-SD, включая запатентованную технологию Teknic «RAS»; технология, которая улучшает профили движения, преобразовывая их на лету в сверхгладкие профили с ограничением рывков и производных рывков. Мы также узнаем больше о различиях между моделями SDSK и моделями SDHP.
Обе модели имеют одинаковую современную производительность сервопривода. Выбирайте по мощности и цене.
СДСК «Шаговый убийца»
- 2-3 times the power of similar size steppers
- 1-Piece: $257 & up
- 100/year: $218 & up
SDSK Models
SDHP High Power
- 8-15 раз больше мощности по размеру
- 1 Peece: $ 477 & UP
- 100/Год: $ 404.
0011
Модели SDHP
Все модели SD
Нужна помощь в выборе двигателя?
Руководство по выбору
Шаговый двигатель с высоким крутящим моментом, NEMA 23 | МИСУМИ
- МИСУМИ Главная>
- Компоненты автоматизации>
- Двигатели и редукторы>
- Двигатели>
- Шаговые двигатели>
- Шаговый двигатель с высоким крутящим моментом, NEMA 23
MISUMI
MISUMI
・Материалы
Двухфазный шаговый двигатель HT23-xxx подходит для широкого спектра приложений управления движением.
Подключенный к восьми выводам двигателя, двигатель может быть подключен несколькими различными способами, включая биполярное последовательное и биполярное параллельное подключение.
Шаговый двигатель HT23-xxxD — это тот же двигатель, что и HT23-xxx, но с двойным валом. Двойной вал — это удобный способ крепления энкодеров или рукояток к двигателю для ручного управления.
Motor Specifications
| Double shafted motor | ||
| HT23 | — | 552D |
| Double shafted motor with encode | |||||||||||||||||
| HT23 | — | 552D | — | ZAA 7 7 7 3 | |||||||||||||
| Length L | Unipolar Holding Torque | Bipolar Holding Torque | Rotor Inertia | Weight | Unipolar Current | Bipolar Current | Part Number | Part number | Part number | ||
| единица | дюйм (мм) | унция-дюйм (Н-см) | унция-дюйм (Н-см) | унция-дюйм-сек 2 (г-см2 | lbs | Amps | Series Amp/phase | Parallel Amp/phase | w/Double Shaft | Encoder | Encoder & Cover |
| HT23-552 | 1. 71 (43.43 ) | 59.7 (42.16) | 84.4 (59.6) | 0.0017 (120.05) | 1.0 | 1.0 | 0.71 | 1.41 | HT23-552D | -ZAA | -ZAC |
| HT23-553 | 2.17 (55.12) | 118 (83.33) | 167 (117.93) | 0.00425 (300.12) | 1.5 | 1.0 | 0.71 | 1.41 | HT23-553D | -ZAA | -ZAC |
| HT23-554 | 3.05 (77.47) | 180 (127.11) | 255 (180.07) | 0.0068 ( 480,18) | 2.2 | 1.0 | 0.71 | 1.41 | HT23-554D | -ZAA | -ZAC |
| HT23-559 | 2. 13 (54.1) | 127.45 ( 90) | 155.77 (110) | 0.00368 (259.86) | 1.3 | 2.0 | 1.40 | — | HT23-559D | — | — |
| HT23-560 | 1.61 (40.89) | — | 67.97 (48) | 0.00191 (134.88) | 0.9 | — | 1.50 | — | HT23-560D | — | — |
| HT23-593 | 1.61 (40.89) | 59.5 (42.02) | 79.3 (56) | 0.00191 (134.88) | 0.9 | 1.0 | 0.71 | 1.41 | HT23-593D | — | — |
| HT23-594 | 1.61 (40.89) | 55. 2 (38.98) | 76.5 (54.02) | 0.00191 ( 134.88) | 0.9 | 2.0 | 1.41 | 2.83 | HT23-594D | -ZAA | — |
| HT23-595 | 1.61 (40.89) | 53.8 (37.99) | 76.5 (54.02) | 0.00191 (134.88) | 0.9 | 3.0 | 2.12 | 4.24 | HT23-595D | — | — |
| HT23-596 | 2.13 (54.1) | 127 (89.68) | 177 (124.99) | 0.00368 (259.86) | 1.3 | 1.0 | 0.71 | 1.41 | HT23-596D | — | — |
| HT23-597 | 2.13 (54.1) | 127 (89. 68) | 177 (124.99) | 0.00368 (259.86) | 1.3 | 2.0 | 1.41 | 2.83 | HT23-597D | — | — |
| HT23-598 | 2.13 (54.1) | 120 (84.74) | 158 (111.57 ) | 0.00368 (259.86) | 1.3 | 3.0 | 2.12 | 4.24 | HT23-598D | -ZAA | -ZAC |
| HT23-599 | 2.99 ( 75.95) | 174 (122.87) | 246 (173.71) | 0.00651 (459.71) | 2.2 | 1.0 | 0.71 | 1.41 | HT23-599D | — | — |
| HT23-600 | 2.99 (75.95) | 187 (132. 05) | 265 (187.13) | 0.00651 (459.71) | 2.2 | 2.0 | 1.41 | 2.83 | HT23-600D | — | — |
| HT23-601 | 2.99 (75.95) | 191 (134.88) | 269 (189.96) | 0.00651 (459.71) | 2.2 | 3.0 | 2.12 | 4.24 | HT23-601D | — | — |
| HT23-603 | 4.37 (111) | 264 (186.42) | 354 (249.98) | 0.0106 (748.52) | 3.3 | 3.5 | 2.50 | 5.00 | HT23-603D | -ZAA | — |
| Operating Temp | -30° to 115°C |
| Disk Material | Metal |
| Line Count | 2000 |
| Logic 0 | 0. 5V Макс. |
| Логика 1 | 2,5 В Мин. |
| Рабочая частота. | 500 кГц |
| 1 | CH A |
| 2 | CH A- |
| 3 | CH B |
| 4 | CH B- |
| 5 | INDEX |
| 6 | INDEX- |
| 7 | NC |
| 8 | NC |
| 9 | NC |
| 10 | NC |
| 11 | NC |
| 12 | NC |
| 13 | +5V |
| 14 | GND |
| 15 | NC |
| Part Number |
|---|
| HT23 -548D |
| HT23-549D |
| HT23-550D |
| HT23-552 |
| HT23-552D |
| HT23-552D-ZAA |
| HT23-552D-ZAC |
| HT23-553 |
| HT23-553D |
| HT23-553D-ZAA |
| HT23-553D-ZAC |
| HT23-554 |
| HT23-554D |
| HT23-554D-ZAA |
| HT23-554D-ZAC |
| HT23-559 |
| HT23-559D |
| HT23-560 |
| HT23-560D |
| HT23-593 |
| HT23-593D |
| HT23-594 |
| HT23-594B |
| HT23-594D |
| HT23-594D-ZAA |
| HT23-595 |
| HT23-595D |
| HT23-596 |
| HT23-596D |
| HT23-597 |
| HT23-597D |
| HT23-598 |
| HT23-598B |
| HT23-598C |
| HT23-598DC |
| HT23-598DC-ZAC |
| HT23-599 |
| HT23-599D |
| HT23-600 |
| HT23-600D |
| HT23-601 |
| HT23-601B |
| HT23-601D |
| HT23-601DC |
| HT23-601DC-ZAA |
| HT23-601DC-ZAC |
| HT23-603 |
| HT23-603B |
| HT23-603D |
| HT23-603D-ZAA |
| Part Number | Volume Discount | Days to Ship | Torque (Н-см) | Длина L (мм) | Биполярный последовательный ток (А/фаза) | Биполярный параллельный ток (А/фаза) | Однополярный ток (А/фаза) | Тип двигателя | |||||||||
|---|---|---|---|---|---|---|---|---|---|---|---|---|---|---|---|---|---|
Цитировать | — | — | — | — | — | — | |||||||||||
Цитировать | — | — | — | — | — | — | |||||||||||
| 83 Цитировать | — | — | — | — | — | — | |||||||||||
Цитировать | 59. 6 | 43.43 | 0.71 | 1.41 | 1 | Motor w/ Single shaft | |||||||||||
Цитировать | 59.6 | 43.43 | 0.71 | 1.41 | 1 | Motor w/ Double Shaft | |||||||||||
Цитировать | 59,6 | 43,43 | 0,71 | 1,41 | 1 | Двигатель с энкодером | Цитировать | 59.6 | 43.43 | 0.71 | 1.41 | 1 | Motor w/ Encoder & Cover | ||||
Цитировать | 117. 93 | 55.12 | 0.71 | 1.41 | 1 | Motor w/ Single shaft | |||||||||||
Цитировать | 117,93 | 55,12 | 0,71 | 1,41 | 1 | Двигатель с двойным валом | Цитировать | 117.93 | 55.12 | 0.71 | 1.41 | 1 | Motor w/ Encoder | ||||
Цитировать | 117.93 | 55.12 | 0.71 | 1.41 | 1 | Motor w/ Encoder & Cover | |||||||||||
Цитировать | 180,07 | 77,47 | 0,71 | 1,41 | 1 | Двигатель с одним валом | 0 | Цитировать | 180. 07 | 77.47 | 0.71 | 1.41 | 1 | Motor w/ Double Shaft | |||
Цитировать | — | — | — | — | — | — | |||||||||||
| 83 | 83 Цитировать | 180.07 | 77.47 | 0.71 | 1.41 | 1 | Motor w/ Encoder & Cover | ||||||||||
Цитировать | 110.00 | 54.1 | 1.40 | — | 2.00 | Motor w/ Single shaft | |||||||||||
Цитировать | 110,00 | 54,1 | 1,40 | — | 2,00 | Двигатель с двойным валом | 0 | Цитировать | 48. 00 | 40.98 | 1.50 | — | — | Motor w/ Single shaft | |||
Цитировать | 48.00 | 40.98 | 1.50 | — | — | Motor w/ Double Shaft | |||||||||||
Цитировать | 56,00 | 40,89 | 0,71 | 1,41 | 1 | Двигатель с одним валом | Цитировать | 56.00 | 40.89 | 0.71 | 1.41 | 1 | Motor w/ Double Shaft | ||||
Цитировать | 54. 02 | 40.89 | 1.41 | 2.83 | 2.00 | Motor w/ Single shaft | |||||||||||
Цитировать | 54,02 | 40,89 | 1,41 | 2,83 | 2,00 | Двигатель со стояночным тормозом | |||||||||||
| 0281 | Цитировать | 54.02 | 40.89 | 1.41 | 2.83 | 2.00 | Motor w/ Double Shaft | ||||||||||
Цитировать | 180.07 | 77.47 | 0.71 | 1. 41 | 1 | Motor w/ Encoder | |||||||||||
Цитировать | 54,02 | 40,89 | 2,12 | 4,24 | 3,00 | Двигатель с двойным валом | |||||||||||
| 0281 | Цитировать | 54.02 | 40.89 | 2.12 | 4.24 | 3.00 | Motor w/ Double Shaft | ||||||||||
Цитировать | 124.99 | 54.1 | 0.71 | 1.41 | 1 | Motor w/ Single shaft | |||||||||||
Цитировать | 124,99 | 54,1 | 0,71 | 1,41 | 1 | Двигатель с двойным валом | 80 | 00281 | Цитировать | 124. 99 | 54.1 | 1.41 | 2.83 | 2.00 | Motor w/ Single shaft | ||
Цитировать | 124.99 | 54.1 | 1.41 | 2.83 | 2.00 | Motor w/ Double Shaft | |||||||||||
Цитировать | 111,57 | 54,1 | 2,12 | 4,24 | 3,00 | Двигатель с одним валом | 80283 | Цитировать | — | — | — | — | — | — | |||
| 83 Цитировать | — | — | — | — | — | — | |||||||||||
Цитировать | — | — | — | — | — | — | |||||||||||
| 83 Цитировать | 111,57 | 54,1 | 2,12 | 4,24 | 3,00 | Мотор W/ Encoder & Cover | .![]() Цитировать | 173,71 | 75,95 | 0,71 | 1,41 | 3,00 | Двигатель с одним валом | 3 | 0281 | Цитировать | 173.71 | 75.95 | 0.71 | 1.41 | 3.00 | Motor w/ Double Shaft |
Цитировать | 187.13 | 75.95 | 1.41 | 2.83 | 2.00 | Motor w/ Single shaft | |||||||||||
Цитировать | 187,13 | 75,95 | 1,41 | 2,83 | 2,00 | Двигатель с двойным валом | Цитировать | 189. 96 | 75.95 | 2.12 | 4.24 | 3.00 | Motor w/ Single shaft | ||||
Цитировать | 189.96 | 75.95 | 2.12 | 4.24 | 3.00 | Motor w/ Holding Brake | |||||||||||
Цитировать | 189,96 | 75,95 | 2,12 | 4,24 | 3,00 | Двигатель с двойным валом | Цитировать | — | — | — | — | — | — | ||||
| 83 Цитировать | — | — | — | — | — | — | |||||||||||
Цитировать | 189,96 | 75,95 | 2,12 | 4,24 | 3,00 | Мотор W/ Encoder+крышка | .
|
8mH ± 20% (1 кГц)
9°)
(нагрузка силой 450г)




ClearPath использует прямую связь по сопротивлению, компенсацию обратной ЭДС и перекрестную связь индуктивности, чтобы максимально приблизиться к теоретической максимальной эффективности. Это означает, что очень мало энергии потребляется, когда двигатель работает с постоянной скоростью или в состоянии покоя.

0011
71 (43.43 )
13 (54.1)
2 (38.98)
68)
05)
5V Макс.
6
93
07
00
02
41
99
96