Π‘ΠΎΠ΄Π΅ΡΠΆΠ°Π½ΠΈΠ΅
ΠΠ±ΠΎΠ·Π½Π°ΡΠ΅Π½ΠΈΡ ΡΠ»Π΅ΠΊΡΡΠΎΠ΄Π²ΠΈΠ³Π°ΡΠ΅Π»Π΅ΠΉ Siemens — ΠΠ΅Ρ ΠΏΡΠΈΠ²ΠΎΠ΄
ΠΠΎΠ΄ΡΠΎΠ±Π½Π°Ρ ΡΠ°ΡΡΠΈΡΡΠΎΠ²ΠΊΠ° ΠΎΠ±ΠΎΠ·Π½Π°ΡΠ΅Π½ΠΈΠΉ ΡΠ»Π΅ΠΊΡΡΠΎΠ΄Π²ΠΈΠ³Π°ΡΠ΅Π»Π΅ΠΉ Siemens
|
ΠΠΎΠ·ΠΈΡΠΈΡ |
Π Π°ΡΡΠΈΡΡΠΎΠ²ΠΊΠ° |
ΠΡΠΈΠΌΠ΅Ρ | |||||||||||||||||||||||||||||||||||
|---|---|---|---|---|---|---|---|---|---|---|---|---|---|---|---|---|---|---|---|---|---|---|---|---|---|---|---|---|---|---|---|---|---|---|---|---|---|
|
1.2.3. 4. |
Π’ΠΈΠΏ ΡΠ»Π΅ΠΊΡΡΠΎΠ΄Π²ΠΈΠ³Π°ΡΠ΅Π»Ρ |
1LA7 — ΡΡΠ΅Ρ ΡΠ°Π·Π½ΡΠΉ Π°ΡΠΈΠ½Ρ ΡΠΎΠ½Π½ΡΠΉ ΡΠ»Π΅ΠΊΡΡΠΎΠ΄Π²ΠΈΠ³Π°ΡΠ΅Π»Ρ Ρ ΠΊΠΎΡΠΎΡΠΊΠΎΠ·Π°ΠΌΠΊΠ½ΡΡΡΠΌ ΡΠΎΡΠΎΡΠΎΠΌ. | |||||||||||||||||||||||||||||||||||
|
5.6. |
ΠΠ°Π±Π°ΡΠΈΡ |
| |||||||||||||||||||||||||||||||||||
|
7.
|
ΠΠ°Π±Π°ΡΠΈΡ |
| |||||||||||||||||||||||||||||||||||
|
8. |
ΠΠΎΠ»ΠΈΡΠ΅ΡΡΠ²ΠΎ ΠΏΠΎΠ»ΡΡΠΎΠ² |
| |||||||||||||||||||||||||||||||||||
|
9.
|
ΠΠΎΠ½ΡΡΡΡΠΊΡΠΈΡ |
| |||||||||||||||||||||||||||||||||||
|
10. |
ΠΠΎΠ½ΡΡΡΡΠΊΡΠΈΡ |
| |||||||||||||||||||||||||||||||||||
|
11.
|
ΠΠ°ΠΏΡΡΠΆΠ΅Π½ΠΈΠ΅, ΡΡ Π΅ΠΌΠ° ΠΏΠΎΠ΄ΠΊΠ»ΡΡΠ΅Π½ΠΈΡ, ΡΠ°ΡΡΠΎΡΠ°. |
| |||||||||||||||||||||||||||||||||||
|
12.
|
ΠΠΎΠ½ΡΠ°ΠΆΠ½ΠΎΠ΅ ΠΈΡΠΏΠΎΠ»Π½Π΅Π½ΠΈΠ΅ |
| |||||||||||||||||||||||||||||||||||
|
Z |
ΠΠΏΡΠΈΠΈ |
ΠΠΎΠ·ΠΌΠΎΠΆΠ½ΡΠ΅ Π²ΡΡΡΠ°ΠΈΠ²Π°Π΅ΠΌΡΠ΅ ΠΎΠΏΡΠΈΠΈ ΡΠΌΠΎΡΡΠΈΡΠ΅ Π½ΠΈΠΆΠ΅.
| |||||||||||||||||||||||||||||||||||
ΠΠ΅ΡΠ΅ΡΠ΅Π½Ρ Π²ΠΎΠ·ΠΌΠΎΠΆΠ½ΡΡ Π²ΡΡΡΠ°ΠΈΠ²Π°Π΅ΠΌΡΡ ΠΎΠΏΡΠΈΠΉ ΡΠ»Π΅ΠΊΡΡΠΎΠ΄Π²ΠΈΠ³Π°ΡΠ΅Π»Π΅ΠΉ SIEMENS
|
ΠΠΏΡΠΈΡ |
ΠΠΏΠΈΡΠ°Π½ΠΈΠ΅ |
|---|---|
|
Π 11 |
ΠΠ°ΡΠΈΡΠ° Π΄Π²ΠΈΠ³Π°ΡΠ΅Π»Ρ Π Π’Π‘ — ΡΠ΅ΡΠΌΠΈΡΡΠΎΡΠ°ΠΌΠΈ Ρ 3 ΡΠ΅ΠΌΠΏΠ΅ΡΠ°ΡΡΡΠ½ΡΠΌΠΈ Π΄Π°ΡΡΠΈΠΊΠ°ΠΌΠΈ Π΄Π»Ρ Π°Π²Π°ΡΠΈΠΉΠ½ΠΎΠ³ΠΎ ΠΎΡΠΊΠ»ΡΡΠ΅Π½ΠΈΡ |
|
Π 12 |
ΠΠ°ΡΠΈΡΠ° Π΄Π²ΠΈΠ³Π°ΡΠ΅Π»Ρ Π Π’Π‘ — ΡΠ΅ΡΠΌΠΈΡΡΠΎΡΠ°ΠΌΠΈ Ρ 6 ΡΠ΅ΠΌΠΏΠ΅ΡΠ°ΡΡΡΠ½ΡΠΌΠΈ Π΄Π°ΡΡΠΈΠΊΠ°ΠΌΠΈ Π΄Π»Ρ Π°Π²Π°ΡΠΈΠΉΠ½ΠΎΠ³ΠΎ ΠΎΡΠΊΠ»ΡΡΠ΅Π½ΠΈΡ ΠΈ ΡΠΈΠ³Π½Π°Π»ΠΈΠ·Π°ΡΠΈΠΈ |
|
Π 23 |
ΠΠ°ΡΡΠΈΠΊ ΡΠ΅ΠΌΠΏΠ΅ΡΠ°ΡΡΡΡ Π΄Π²ΠΈΠ³Π°ΡΠ΅Π»Ρ ΡΠΎ Π²ΡΡΡΠΎΠ΅Π½Π½ΡΠΌ ΡΠ΅ΡΠΌΠΈΡΡΠΎΡΠΎΠΌ KTY 84-130 |
|
Π 25 |
ΠΠ°ΡΡΠΈΠΊ ΡΠ΅ΠΌΠΏΠ΅ΡΠ°ΡΡΡΡ Π΄Π²ΠΈΠ³Π°ΡΠ΅Π»Ρ ΡΠΎ Π²ΡΡΡΠΎΠ΅Π½Π½ΡΠΌΠΈ 2 ΡΠ΅ΡΠΌΠΈΡΡΠΎΡΠ°ΠΌΠΈ KTY 84-130 |
|
Π 72 |
ΠΡΠΏΠΎΠ»Π½Π΅Π½ΠΈΠ΅ Π΄Π»Ρ Zone 2 ΠΏΡΡΠΌΠΎΠ΅ Π²ΠΊΠ»ΡΡΠ΅Π½ΠΈΠ΅ Π² ΡΠ΅ΡΡ (Ex nA II T3) |
|
Π 73 |
ΠΡΠΏΠΎΠ»Π½Π΅Π½ΠΈΠ΅ Π΄Π»Ρ Zone 2 ΠΏΠΈΡΠ°Π½ΠΈΠ΅ ΠΎΡ ΡΠ°ΡΡΠΎΡΠ½ΠΎΠ³ΠΎ ΠΏΡΠΈΠ²ΠΎΠ΄Π° (Ex nA II T3) |
|
Π 34 |
ΠΡΠΏΠΎΠ»Π½Π΅Π½ΠΈΠ΅ Π΄Π»Ρ Zone 21 (IP65) ΠΏΡΡΠΌΠΎΠ΅ Π²ΠΊΠ»ΡΡΠ΅Π½ΠΈΠ΅ Π² ΡΠ΅ΡΡ |
|
Π 38 |
ΠΡΠΏΠΎΠ»Π½Π΅Π½ΠΈΠ΅ Π΄Π»Ρ Zone 21 (IP65) ΠΏΠΈΡΠ°Π½ΠΈΠ΅ ΠΎΡ ΡΠ°ΡΡΠΎΡΠ½ΠΎΠ³ΠΎ ΠΏΡΠΈΠ²ΠΎΠ΄Π° |
|
Π 35 |
ΠΡΠΏΠΎΠ»Π½Π΅Π½ΠΈΠ΅ Π΄Π»Ρ Zone 22 (IP55) ΠΏΡΡΠΌΠΎΠ΅ Π²ΠΊΠ»ΡΡΠ΅Π½ΠΈΠ΅ Π² ΡΠ΅ΡΡ |
|
Π 39 |
ΠΡΠΏΠΎΠ»Π½Π΅Π½ΠΈΠ΅ Π΄Π»Ρ Zone 22 (IP55) ΠΏΠΈΡΠ°Π½ΠΈΠ΅ ΠΎΡ ΡΠ°ΡΡΠΎΡΠ½ΠΎΠ³ΠΎ ΠΏΡΠΈΠ²ΠΎΠ΄Π° |
|
Π 57 |
ΠΠ½ΠΊΠΎΠ΄Π΅Ρ (HTL) |
|
Π 58 |
ΠΠ½ΠΊΠΎΠ΄Π΅Ρ (TTL) |
|
G 17 |
ΠΡΠΈΠ½ΡΠ΄ΠΈΡΠ΅Π»ΡΠ½ΠΎΠ΅ ΠΎΡ Π»Π°ΠΆΠ΄Π΅Π½ΠΈΠ΅ |
|
H 61 |
ΠΡΠΈΠ½ΡΠ΄ΠΈΡΠ΅Π»ΡΠ½ΠΎΠ΅ ΠΎΡ Π»Π°ΠΆΠ΄Π΅Π½ΠΈΠ΅ ΠΈ ΡΠ½ΠΊΠΎΠ΄Π΅Ρ (HTL) |
|
H 97 |
ΠΡΠΈΠ½ΡΠ΄ΠΈΡΠ΅Π»ΡΠ½ΠΎΠ΅ ΠΎΡ Π»Π°ΠΆΠ΄Π΅Π½ΠΈΠ΅ ΠΈ ΡΠ½ΠΊΠΎΠ΄Π΅Ρ (TTL) |
|
G 26 |
Π’ΠΎΡΠΌΠΎΠ· ΠΈ ΡΠ½ΠΊΠΎΠ΄Π΅Ρ |
|
H 62 |
Π’ΠΎΡΠΌΠΎΠ· ΠΈ ΡΠ½ΠΊΠΎΠ΄Π΅Ρ (HTL) |
|
H 98 |
Π’ΠΎΡΠΌΠΎΠ· ΠΈ ΡΠ½ΠΊΠΎΠ΄Π΅Ρ (TTL) |
|
H 63 |
Π’ΠΎΡΠΌΠΎΠ· ΠΈ ΠΏΡΠΈΠ½ΡΠ΄ΠΈΡΠ΅Π»ΡΠ½ΠΎΠ΅ ΠΎΡ Π»Π°ΠΆΠ΄Π΅Π½ΠΈΠ΅ |
|
H 64 |
Π’ΠΎΡΠΌΠΎΠ·, ΠΈ ΠΏΡΠΈΠ½ΡΠ΄ΠΈΡΠ΅Π»ΡΠ½ΠΎΠ΅ ΠΎΡ Π»Π°ΠΆΠ΄Π΅Π½ΠΈΠ΅ ΠΈ ΡΠ½ΠΊΠΎΠ΄Π΅Ρ (HTL) |
|
H 99 |
Π’ΠΎΡΠΌΠΎΠ· ΠΈ ΠΏΡΠΈΠ½ΡΠ΄ΠΈΡΠ΅Π»ΡΠ½ΠΎΠ΅ ΠΎΡ Π»Π°ΠΆΠ΄Π΅Π½ΠΈΠ΅ ΠΈ ΡΠ½ΠΊΠΎΠ΄Π΅Ρ (TTL) |
|
K 82 |
Π ΡΡΠ½ΠΎΠΉ ΠΏΡΠΈΠ²ΠΎΠ΄ ΡΠΎΡΠΌΠΎΠ·Π° |
|
C 00 |
ΠΠΈΡΠ°Π½ΠΈΠ΅ ΡΠΎΡΠΌΠΎΠ·Π° 24 Π ΠΏΠΎΡΡΠΎΡΠ½Π½ΠΎΠ³ΠΎ ΡΠΎΠΊΠ° |
|
C 01 |
ΠΠΈΡΠ°Π½ΠΈΠ΅ ΡΠΎΡΠΌΠΎΠ·Π° 400Π, 50 ΠΡ |
|
C 02 |
ΠΠΈΡΠ°Π½ΠΈΠ΅ ΡΠΎΡΠΌΠΎΠ·Π° 180 Π ΠΏΠΎΡΡΠΎΡΠ½Π½ΠΎΠ³ΠΎ ΡΠΎΠΊΠ° (ΠΎΡ ΠΠ411-ECOFAST) |
|
G 50 |
ΠΠΎΡΠ°Π΄ΠΎΡΠ½ΠΎΠ΅ ΠΌΠ΅ΡΡΠΎ ΡΡΡΠ°Π½ΠΎΠ²ΠΊΠΈ Π΄Π°ΡΡΠΈΠΊΠ° Π²ΠΈΠ±ΡΠ°ΡΠΈΠΈ Π΄Π»Ρ ΠΊΠΎΠ½ΡΡΠΎΠ»Ρ ΠΏΠΎΠ΄ΡΠΈΠΏΠ½ΠΈΠΊΠΎΠ² |
|
K 50 |
ΠΡΠΏΠΎΠ»Π½Π΅Π½ΠΈΠ΅ IP 65 |
|
K 52 |
ΠΡΠΏΠΎΠ»Π½Π΅Π½ΠΈΠ΅ IP 55 |
|
K 16 |
ΠΡΠΎΡΠΎΠΉ ΡΠ°Π±ΠΎΡΠΈΠΉ ΠΊΠΎΠ½Π΅Ρ Π²Π°Π»Π° (Π‘ΡΠ°Π½Π΄Π°ΡΡΠ½ΡΠΉ) |
|
K 20 |
ΠΠΎΠ΄ΡΠΈΠΏΠ½ΠΈΠΊΠΈ Π΄Π»Ρ ΡΠ»ΡΡΠ°Ρ ΠΏΠΎΠ²ΡΡΠ΅Π½Π½ΠΎΠΉ Π½Π°Π³ΡΡΠ·ΠΊΠΈ Π½Π° Π²Π°Π» |
|
K 37 |
ΠΠ°Π»ΠΎΡΡΠΌΠ½ΠΎΠ΅ ΠΈΡΠΏΠΎΠ»Π½Π΅Π½ΠΈΠ΅ Π΄Π»Ρ 2 ΠΏΠΎΠ»ΡΡΠ½ΡΡ Π΄Π²ΠΈΠ³Π°ΡΠ΅Π»Π΅ΠΉ, Π½Π°ΠΏΡΠ°Π²Π»Π΅Π½ΠΈΠ΅ Π²ΡΠ°ΡΠ΅Π½ΠΈΡ ΠΏΠΎ ΡΠ°ΡΠΎΠ²ΠΎΠΉ ΡΡΡΠ΅Π»ΠΊΠ΅ |
|
K38 |
ΠΠ°Π»ΠΎΡΡΠΌΠ½ΠΎΠ΅ ΠΈΡΠΏΠΎΠ»Π½Π΅Π½ΠΈΠ΅ Π΄Π»Ρ 2 ΠΏΠΎΠ»ΡΡΠ½ΡΡ Π΄Π²ΠΈΠ³Π°ΡΠ΅Π»Π΅ΠΉ, Π½Π°ΠΏΡΠ°Π²Π»Π΅Π½ΠΈΠ΅ Π²ΡΠ°ΡΠ΅Π½ΠΈΡ ΠΏΡΠΎΡΠΈΠ² ΡΠ°ΡΠΎΠ²ΠΎΠΉ ΡΡΡΠ΅Π»ΠΊΠΈ |
|
K 45 |
ΠΠ½ΡΠΈΠΊΠΎΠ½Π΄Π΅Π½ΡΠ°ΡΠ½ΡΠΉ ΠΏΠΎΠ΄ΠΎΠ³ΡΠ΅Π² 230 Π |
|
K 46 |
ΠΠ½ΡΠΈΠΊΠΎΠ½Π΄Π΅Π½ΡΠ°ΡΠ½ΡΠΉ ΠΏΠΎΠ΄ΠΎΠ³ΡΠ΅Π² 115 Π |
|
Π9, 10 |
ΠΠ»Π΅ΠΌΠ½Π°Ρ ΠΊΠΎΡΠΎΠ±ΠΊΠ° ΡΠ±ΠΎΠΊΡ |
Β
ΠΠΎΠ½ΡΡΡΡΠΊΡΠΈΠ²Π½ΡΠ΅ ΠΈΡΠΏΠΎΠ»Π½Π΅Π½ΠΈΡ ΡΠ»Π΅ΠΊΡΡΠΎΠ΄Π²ΠΈΠ³Π°ΡΠ΅Π»Ρ
ΠΠΎΡ
ΠΎΠΆΠ΅ JavaScript ΠΎΠΊΠ»ΡΡΠ΅Π½ Π² Π²Π°ΡΠ΅ΠΌ Π±ΡΠ°ΡΠ·Π΅ΡΠ΅.
ΠΠ°ΠΌ Π½Π΅ΠΎΠ±Ρ ΠΎΠ΄ΠΈΠΌΠΎ Π²ΠΊΠ»ΡΡΠΈΡΡ ΠΏΠΎΠ΄Π΄Π΅ΡΠΆΠΊΡ JavaScript Π² Π±ΡΠ°ΡΠ·Π΅ΡΠ΅ ΠΈΠ»ΠΈ Π²ΠΎΡΠΏΠΎΠ»ΡΠ·ΠΎΠ²Π°ΡΡΡΡ Π΄ΡΡΠ³ΠΈΠΌ Π±ΡΠ°ΡΠ·Π΅ΡΠΎΠΌ.
ΠΠ²ΠΈΠ³Π°ΡΠ΅Π»ΠΈ ΠΈΠΌΠ΅ΡΡ ΡΠ°Π·Π»ΠΈΡΠ½ΡΠ΅ ΠΊΠΎΠ½ΡΡΡΡΠΊΡΠΈΠ²Π½ΡΠ΅ ΠΈΡΠΏΠΎΠ»Π½Π΅Π½ΠΈΡ ΠΏΠΎ ΡΠΏΠΎΡΠΎΠ±Ρ ΠΌΠΎΠ½ΡΠ°ΠΆΠ° Π² Π·Π°Π²ΠΈΡΠΈΠΌΠΎΡΡΠΈ ΠΎΡ Π³Π°Π±Π°ΡΠΈΡΠ°.
Π£ΡΠ»ΠΎΠ²Π½ΡΠ΅ ΠΎΠ±ΠΎΠ·Π½Π°ΡΠ΅Π½ΠΈΡ ΠΌΠΎΠ½ΡΠ°ΠΆΠ½ΡΡ
ΠΈΡΠΏΠΎΠ»Π½Π΅Π½ΠΈΠΉ Π² ΡΠΎΠΎΡΠ²Π΅ΡΡΡΠ²ΠΈΠΈ Ρ ΠΠΠ‘Π’ 2479 (IEC 60034-7).
ΠΠ΅ΡΠ²Π°Ρ ΡΠΈΡΡΠ° Π² ΠΎΠ±ΠΎΠ·Π½Π°ΡΠ΅Π½ΠΈΠΈ — ΠΊΠΎΠ½ΡΡΡΡΠΊΡΠΈΠ²Π½ΠΎΠ΅ ΠΈΡΠΏΠΎΠ»Π½Π΅Π½ΠΈΠ΅ Π΄Π²ΠΈΠ³Π°ΡΠ΅Π»Ρ:
Β 1. Π΄Π²ΠΈΠ³Π°ΡΠ΅Π»Ρ Π½Π° Π»Π°ΠΏΠ°Ρ
Ρ ΠΏΠΎΠ΄ΡΠΈΠΏΠ½ΠΈΠΊΠΎΠ²ΡΠΌΠΈ ΡΠΈΡΠ°ΠΌΠΈ;
Β 2. Π΄Π²ΠΈΠ³Π°ΡΠ΅Π»Ρ Π½Π° Π»Π°ΠΏΠ°Ρ
Ρ ΠΏΠΎΠ΄ΡΠΈΠΏΠ½ΠΈΠΊΠΎΠ²ΡΠΌΠΈ ΡΠΈΡΠ°ΠΌΠΈ ΠΈ ΡΠ»Π°Π½ΡΠ΅ΠΌ Π½Π° ΠΎΠ΄Π½ΠΎΠΌ ΠΏΠΎΠ΄ΡΠΈΠΏΠ½ΠΈΠΊΠΎΠ²ΠΎΠΌ ΡΠΈΡΠ΅;
Β 3. Π΄Π²ΠΈΠ³Π°ΡΠ΅Π»Ρ Π±Π΅Π· Π»Π°ΠΏ Ρ ΠΏΠΎΠ΄ΡΠΈΠΏΠ½ΠΈΠΊΠΎΠ²ΡΠΌΠΈ ΡΠΈΡΠ°ΠΌΠΈ ΠΈ ΡΠ»Π°Π½ΡΠ΅ΠΌ Π½Π° ΠΎΠ΄Π½ΠΎΠΌ ΠΏΠΎΠ΄ΡΠΈΠΏΠ½ΠΈΠΊΠΎΠ²ΠΎΠΌ ΡΠΈΡΠ΅;
Β 4. Π΄Π²ΠΈΠ³Π°ΡΠ΅Π»Ρ Π±Π΅Π· ΡΡΠ°Π½ΠΈΠ½Ρ, ΠΏΠΎΠ΄ΡΠΈΠΏΠ½ΠΈΠΊΠΎΠ²ΡΡ
ΡΠΈΡΠΎΠ² ΠΈ Π²Π°Π»Π°.
ΠΡΠΎΡΠ°Ρ ΠΈ ΡΡΠ΅ΡΡΡ ΡΠΈΡΡΡ Π² ΠΎΠ±ΠΎΠ·Π½Π°ΡΠ΅Π½ΠΈΠΈ — ΡΠΏΠΎΡΠΎΠ± ΠΌΠΎΠ½ΡΠ°ΠΆΠ° Π΄Π²ΠΈΠ³Π°ΡΠ΅Π»Ρ.
Π§Π΅ΡΠ²Π΅ΡΡΠ°Ρ ΡΠΈΡΡΠ° Π² ΠΎΠ±ΠΎΠ·Π½Π°ΡΠ΅Π½ΠΈΠΈ — ΠΈΡΠΏΠΎΠ»Π½Π΅Π½ΠΈΠ΅ Π²Π°Π»Π° Π΄Π²ΠΈΠ³Π°ΡΠ΅Π»Ρ:
Β 1. Ρ ΠΎΠ΄Π½ΠΈΠΌ ΡΠΈΠ»ΠΈΠ½Π΄ΡΠΈΡΠ΅ΡΠΊΠΈΠΌ ΠΊΠΎΠ½ΡΠΎΠΌ Π²Π°Π»Π°;
Β 2. Ρ Π΄Π²ΡΠΌΡ ΡΠΈΠ»ΠΈΠ½Π΄ΡΠΈΡΠ΅ΡΠΊΠΈΠΌΠΈ ΠΊΠΎΠ½ΡΠ°ΠΌΠΈ Π²Π°Π»Π°
| ΠΡΠΏΠΎΠ»Π½Π΅Π½ΠΈΠ΅ ΠΏΠΎ ΡΠΏΠΎΡΠΎΠ±Ρ ΠΌΠΎΠ½ΡΠ°ΠΆΠ° | ΠΠΈΠ΄ | ΠΠΈΠ°ΠΏΠ°Π·ΠΎΠ½ ΠΏΡΠΈΠΌΠ΅Π½Π΅Π½ΠΈΡ ΠΏΠΎ Π³Π°Π±Π°ΡΠΈΡΠ°ΠΌ | ΠΡΠΏΠΎΠ»Π½Π΅Π½ΠΈΠ΅ ΠΏΠΎ ΡΠΏΠΎΡΠΎΠ±Ρ ΠΌΠΎΠ½ΡΠ°ΠΆΠ° | ΠΠΈΠ΄ | ΠΠΈΠ°ΠΏΠ°Π·ΠΎΠ½ ΠΏΡΠΈΠΌΠ΅Π½Π΅Π½ΠΈΡ ΠΏΠΎ Π³Π°Π±Π°ΡΠΈΡΠ°ΠΌ | ΠΡΠΏΠΎΠ»Π½Π΅Π½ΠΈΠ΅ ΠΏΠΎ ΡΠΏΠΎΡΠΎΠ±Ρ ΠΌΠΎΠ½ΡΠ°ΠΆΠ° | ΠΠΈΠ΄ | ΠΠΈΠ°ΠΏΠ°Π·ΠΎΠ½ ΠΏΡΠΈΠΌΠ΅Π½Π΅Π½ΠΈΡ ΠΏΠΎ Π³Π°Π±Π°ΡΠΈΡΠ°ΠΌ |
|---|---|---|---|---|---|---|---|---|
| IM1001 (IM B3) | 80-315 | IM2001 (IM B35) | 80-315 | IM3001 (IM B5) | 80-180 | |||
| IM1011 (IM V5) | 80-250 | IM2011 (IM V15) | 80-250 | IM3011 (IM V1) | 80-250 | |||
| IM1031 (IM V6) | 80-250 | IM2031 (IM V36) | 80-250 | IM3031 (IM V3) | 80-250 | |||
| IM1051 (IM B6) | 80-250 | IM2101 (IM V34) | 80 | IM3601 (IM B14) | 80 | |||
| IM1061 (IM B7) | 80-250 | IM2111 (IM V15) | 80 | IM3611 (IM V18) | 80 | |||
| IM1071 (IM B8) | 80-250 | IM2131 (IM V36) | 80 | IM3631 (IM V19) | 80 |
ΠΠ°ΠΉΠ΄ΠΈΡΠ΅ ΠΏΠΎΠ΄Ρ ΠΎΠ΄ΡΡΠΈΠΉ ΡΠ»Π΅ΠΊΡΡΠΎΠ΄Π²ΠΈΠ³Π°ΡΠ΅Π»Ρ Π·Π° ΠΏΡΡΡ ΠΏΡΠΎΡΡΡΡ ΡΠ°Π³ΠΎΠ²
ΠΠ°ΠΌ Π½Π΅ΠΎΠ±Ρ
ΠΎΠ΄ΠΈΠΌΠΎ Π·Π°ΠΌΠ΅Π½ΠΈΡΡ ΡΠ»Π΅ΠΊΡΡΠΎΠ΄Π²ΠΈΠ³Π°ΡΠ΅Π»Ρ ΠΈ Π²Ρ Ρ
ΠΎΡΠΈΡΠ΅ Π·Π½Π°ΡΡ, ΠΊΠ°ΠΊΠΎΠΉ ΡΠ»Π΅ΠΊΡΡΠΎΠ΄Π²ΠΈΠ³Π°ΡΠ΅Π»Ρ Π²Π°ΠΌ Π½ΡΠΆΠ΅Π½.
ΠΠ΅ Π²ΡΠ΅Π³Π΄Π° Π»Π΅Π³ΠΊΠΎ Π½Π°ΠΉΡΠΈ ΠΏΠΎΠ΄Ρ
ΠΎΠ΄ΡΡΠΈΠΉ Π΄Π²ΠΈΠ³Π°ΡΠ΅Π»Ρ Π½Π° Π·Π°ΠΌΠ΅Π½Ρ. ΠΠΎΠ·ΠΌΠΎΠΆΠ½ΠΎ, Π²Π°ΠΌ ΠΏΠΎΡΡΠ΅Π±ΡΠ΅ΡΡΡ Π·Π°ΠΌΠ΅Π½ΠΈΡΡ Π±ΠΎΠ»Π΅Π΅ ΡΡΠ°ΡΡΡ ΠΌΠΎΠ΄Π΅Π»Ρ, ΠΊΠΎΡΠΎΡΠ°Ρ ΡΡΡΠ°ΡΠ΅Π»Π° ΠΈΠ»ΠΈ ΡΠ½ΡΡΠ° Ρ ΠΏΡΠΎΠΈΠ·Π²ΠΎΠ΄ΡΡΠ²Π°. Π§ΡΠΎΠ±Ρ ΠΏΠΎΠΌΠΎΡΡ Π²Π°ΠΌ, ΠΌΡ Π·Π° 5 ΡΠ°Π³ΠΎΠ² ΠΎΠ±ΡΡΡΠ½ΠΈΠΌ, ΠΊΠ°ΠΊ ΠΏΡΠ°Π²ΠΈΠ»ΡΠ½ΠΎ Π²ΡΠ±ΡΠ°ΡΡ ΡΠ»Π΅ΠΊΡΡΠΎΠ΄Π²ΠΈΠ³Π°ΡΠ΅Π»Ρ Π² ΠΈΠ½ΡΠ΅ΡΠ½Π΅Ρ-ΠΌΠ°Π³Π°Π·ΠΈΠ½Π΅ ABF.
Π ΡΡΠΎΠΌ Π±Π»ΠΎΠ³Π΅ ΠΌΡ ΠΏΡΠ΅Π΄ΠΏΠΎΠ»Π°Π³Π°Π΅ΠΌ ΡΡΠ΅Ρ ΡΠ°Π·Π½ΡΠΉ Π΄Π²ΠΈΠ³Π°ΡΠ΅Π»Ρ, ΡΠ°ΠΊ ΠΊΠ°ΠΊ ΡΡΠΎ Π½Π°ΠΈΠ±ΠΎΠ»Π΅Π΅ ΡΠ°ΡΡΠΎ ΠΈΡΠΏΠΎΠ»ΡΠ·ΡΠ΅ΠΌΡΠΉ ΡΠΈΠΏ ΡΠ»Π΅ΠΊΡΡΠΎΠ΄Π²ΠΈΠ³Π°ΡΠ΅Π»Ρ. ΠΠΎ ΠΌΠ½ΠΎΠ³ΠΈΡ ΡΠ»ΡΡΠ°ΡΡ Π²ΡΡ ΠΈΠ½ΡΠΎΡΠΌΠ°ΡΠΈΡ ΠΌΠΎΠΆΠ½ΠΎ ΠΏΠΎΠ»ΡΡΠΈΡΡ ΠΈΠ· Π·Π°Π²ΠΎΠ΄ΡΠΊΠΎΠΉ ΡΠ°Π±Π»ΠΈΡΠΊΠΈ Π½Π° Π΄Π²ΠΈΠ³Π°ΡΠ΅Π»Π΅.
ΠΠΈΠΆΠ΅ Π²Ρ Π½Π°ΠΉΠ΄Π΅ΡΠ΅ ΠΏΡΠΈΠΌΠ΅Ρ Π·Π°Π²ΠΎΠ΄ΡΠΊΠΎΠΉ ΡΠ°Π±Π»ΠΈΡΠΊΠΈ Π΄Π»Ρ ΡΡΠ°ΡΠΎΠ³ΠΎ ΠΏΠΎΠΊΠΎΠ»Π΅Π½ΠΈΡ ΡΠ»Π΅ΠΊΡΡΠΎΠ΄Π²ΠΈΠ³Π°ΡΠ΅Π»Ρ Siemens. ΠΡ ΠΌΠΎΠΆΠ΅ΡΠ΅ ΠΈΡΠΏΠΎΠ»ΡΠ·ΠΎΠ²Π°ΡΡ ΡΡΡ ΠΈΠ½ΡΠΎΡΠΌΠ°ΡΠΈΡ, ΡΡΠΎΠ±Ρ ΠΏΡΠΎΠ²Π΅ΡΠΈΡΡ, Π΄ΠΎΡΡΡΠΏΠ΅Π½ Π»ΠΈ Π°Π½Π°Π»ΠΎΠ³ΠΈΡΠ½ΡΠΉ ΡΠΎΠ²Π°Ρ Π² Π½Π°ΡΠ΅ΠΌ ΠΈΠ½ΡΠ΅ΡΠ½Π΅Ρ-ΠΌΠ°Π³Π°Π·ΠΈΠ½Π΅.
Π¨ΠΈΠ»ΡΠ΄ΠΈΠΊ Π‘ΠΈΠΌΠ΅Π½Ρ Π² ΡΡΠ°ΡΠΎΠΌ ΡΡΠΈΠ»Π΅.
ΠΠ°ΠΊΠΎΠΉ ΡΠ»Π΅ΠΊΡΡΠΎΠ΄Π²ΠΈΠ³Π°ΡΠ΅Π»Ρ ΠΌΠ½Π΅ Π½ΡΠΆΠ΅Π½?
STAP 1: ΠΎΠΏΡΠ΅Π΄Π΅Π»Π΅Π½ΠΈΠ΅ Π½ΠΎΠΌΠΈΠ½Π°Π»ΡΠ½ΠΎΠΉ ΠΌΠΎΡΠ½ΠΎΡΡΠΈ
ΠΠΎΠΌΠΈΠ½Π°Π»ΡΠ½Π°Ρ ΠΌΠΎΡΠ½ΠΎΡΡΡ ΡΠ»Π΅ΠΊΡΡΠΎΠ΄Π²ΠΈΠ³Π°ΡΠ΅Π»Ρ ΠΎΠ±ΡΡΠ½ΠΎ Π²ΡΡΠ°ΠΆΠ°Π΅ΡΡΡ Π² ΠΊΠΈΠ»ΠΎΠ²Π°ΡΡΠ°Ρ
(ΠΊΠΡ). ΠΠ° ΡΡΠ°ΡΡΡ
Π΄Π²ΠΈΠ³Π°ΡΠ΅Π»ΡΡ
ΠΌΠΎΡΠ½ΠΎΡΡΡ ΡΠ°ΠΊΠΆΠ΅ ΠΌΠΎΠΆΠ΅Ρ Π±ΡΡΡ Π²ΡΡΠ°ΠΆΠ΅Π½Π° Π² Π»ΠΎΡΠ°Π΄ΠΈΠ½ΡΡ
ΡΠΈΠ»Π°Ρ
(Π».Ρ.). ΠΡΠ΅ΠΎΠ±ΡΠ°Π·ΠΎΠ²Π°Π½ΠΈΠ΅: 1 Π».
Ρ. = 0,75 ΠΊΠΡ.
ΠΠΎΡΠ½ΠΎΡΡΡ ΡΠ»Π΅ΠΊΡΡΠΎΠ΄Π²ΠΈΠ³Π°ΡΠ΅Π»Ρ ΠΎΡΠ½ΠΎΠ²Π°Π½Π° Π½Π° ΠΌΠ°ΠΊΡΠΈΠΌΠ°Π»ΡΠ½ΠΎΠΉ ΠΌΠΎΡΠ½ΠΎΡΡΠΈ ΠΏΡΠΈ ΠΏΠΎΡΡΠΎΡΠ½Π½ΠΎΠΉ Π½Π°Π³ΡΡΠ·ΠΊΠ΅. Π ΡΡΠΎΠΌ ΠΏΡΠΈΠΌΠ΅ΡΠ΅ ΡΠ»Π΅ΠΊΡΡΠΎΠ΄Π²ΠΈΠ³Π°ΡΠ΅Π»Ρ ΠΈΠΌΠ΅Π΅Ρ Π½ΠΎΠΌΠΈΠ½Π°Π»ΡΠ½ΡΡ ΠΌΠΎΡΠ½ΠΎΡΡΡ 1,5 ΠΊΠΡ (ΠΈΠ»ΠΈ 2 Π».Ρ.).
ΠΡΠ±Π΅ΡΠΈΡΠ΅ Π½ΠΎΠΌΠΈΠ½Π°Π»ΡΠ½ΡΡ ΠΌΠΎΡΠ½ΠΎΡΡΡ.
ΠΡΠΈ Π²ΡΠ±ΠΎΡΠ΅ 1,5 ΠΊΠΡ ΠΈ ΠΌΠ°ΡΠΊΠΈ Siemens Π² Π½Π°ΡΠ΅ΠΌ ΠΈΠ½ΡΠ΅ΡΠ½Π΅Ρ-ΠΌΠ°Π³Π°Π·ΠΈΠ½Π΅ ΡΠ»Π΅ΠΊΡΡΠΎΠ΄Π²ΠΈΠ³Π°ΡΠ΅Π»Π΅ΠΉ Π²Π°ΠΌ Π±ΡΠ΄ΡΡ ΠΏΠΎΠΊΠ°Π·Π°Π½Ρ Π²ΡΠ΅ Π΄Π²ΠΈΠ³Π°ΡΠ΅Π»ΠΈ Siemens Ρ Π½ΠΎΠΌΠΈΠ½Π°Π»ΡΠ½ΠΎΠΉ ΠΌΠΎΡΠ½ΠΎΡΡΡΡ 1,5 ΠΊΠΡ (ΡΠΌ. Π² ΠΈΠ½ΡΠ΅ΡΠ½Π΅Ρ-ΠΌΠ°Π³Π°Π·ΠΈΠ½Π΅). ΠΠ΄Π½Π°ΠΊΠΎ Π²Π°ΠΌ Π²ΡΠ΅ ΡΠ°Π²Π½ΠΎ Π½ΡΠΆΠ½ΠΎ Π±ΡΠ΄Π΅Ρ Π²ΡΠ±ΡΠ°ΡΡ Π΄ΡΡΠ³ΠΈΠ΅ Ρ Π°ΡΠ°ΠΊΡΠ΅ΡΠΈΡΡΠΈΠΊΠΈ Π΄Π²ΠΈΠ³Π°ΡΠ΅Π»Ρ. ΠΡ ΠΎΠ±ΡΡΡΠ½ΠΈΠΌ, ΠΊΠ°ΠΊ ΡΡΠΎ ΡΠ΄Π΅Π»Π°ΡΡ, Π² ΡΠ»Π΅Π΄ΡΡΡΠΈΡ ΡΠ°Π³Π°Ρ .
Π¨ΠΠ 2: ΠΠΏΡΠ΅Π΄Π΅Π»ΠΈΡΠ΅ ΠΊΠΎΠ½ΡΡΡΡΠΊΡΠΈΡ ΡΠ»Π΅ΠΊΡΡΠΎΠ΄Π²ΠΈΠ³Π°ΡΠ΅Π»Ρ
ΠΠ»Π΅ΠΊΡΡΠΎΠ΄Π²ΠΈΠ³Π°ΡΠ΅Π»Ρ ΠΌΠΎΠΆΠ΅Ρ Π±ΡΡΡ ΡΡΡΠ°Π½ΠΎΠ²Π»Π΅Π½ Π½Π΅ΡΠΊΠΎΠ»ΡΠΊΠΈΠΌΠΈ ΡΠΏΠΎΡΠΎΠ±Π°ΠΌΠΈ, Π½Π°ΠΏΡΠΈΠΌΠ΅Ρ, ΡΠΎΠ»ΡΠΊΠΎ Ρ ΠΎΠΏΠΎΡΠΎΠΉ, Ρ Π²Π½ΡΡΡΠ΅Π½Π½ΠΈΠΌ ΡΠ»Π°Π½ΡΠ΅ΠΌ, Ρ Π²Π½Π΅ΡΠ½ΠΈΠΌ ΡΠ»Π°Π½ΡΠ΅ΠΌ ΠΈΠ»ΠΈ Ρ ΠΈΡ ΠΊΠΎΠΌΠ±ΠΈΠ½Π°ΡΠΈΠ΅ΠΉ. ΠΠΎΠ½ΡΡΡΡΠΊΡΠΈΡ (ΠΈΠ»ΠΈ ΡΠΏΠΎΡΠΎΠ± ΠΌΠΎΠ½ΡΠ°ΠΆΠ°) ΠΎΠΏΡΠ΅Π΄Π΅Π»ΡΠ΅ΡΡΡ ΠΊΠΎΠ΄ΠΎΠΌ Π΅Π²ΡΠΎΠΏΠ΅ΠΉΡΠΊΠΎΠ³ΠΎ ΡΡΠ°Π½Π΄Π°ΡΡΠ° IEC 34-7.
ΠΡΡΡ Π½Π°ΠΈΠ±ΠΎΠ»Π΅Π΅ ΡΠ°ΡΡΠΎ ΠΈΡΠΏΠΎΠ»ΡΠ·ΡΠ΅ΠΌΡΡ ΡΠΏΠΎΡΠΎΠ±ΠΎΠ² ΠΊΡΠ΅ΠΏΠ»Π΅Π½ΠΈΡ:
- B3: ΡΠΎΠ»ΡΠΊΠΎ Π½ΠΎΠΆΠΊΠ°
- B5: ΠΠ½Π΅ΡΠ½ΠΈΠΉ ΡΠ»Π°Π½Π΅Ρ (Π΄ΠΈΠ°ΠΌΠ΅ΡΡ ΡΠ»Π°Π½ΡΠ° Π±ΠΎΠ»ΡΡΠ΅ Π΄ΠΈΠ°ΠΌΠ΅ΡΡΠ° Π΄Π²ΠΈΠ³Π°ΡΠ΅Π»Ρ)
- B14: ΠΠ½ΡΡΡΠ΅Π½Π½ΠΈΠΉ ΡΠ»Π°Π½Π΅Ρ (Π΄ΠΈΠ°ΠΌΠ΅ΡΡ ΡΠ»Π°Π½ΡΠ° ΠΌΠ΅Π½ΡΡΠ΅ Π΄ΠΈΠ°ΠΌΠ΅ΡΡΠ° Π΄Π²ΠΈΠ³Π°ΡΠ΅Π»Ρ)
- B35: Π½Π° Π»Π°ΠΏΠ°Ρ + Π²Π½Π΅ΡΠ½ΠΈΠΉ ΡΠ»Π°Π½Π΅Ρ (ΡΠΎΡΠ΅ΡΠ°Π½ΠΈΠ΅ B3 ΠΈ B5)
- B34: Π½Π° Π»Π°ΠΏΠ°Ρ + Π²Π½ΡΡΡΠ΅Π½Π½ΠΈΠΉ ΡΠ»Π°Π½Π΅Ρ (ΡΠΎΡΠ΅ΡΠ°Π½ΠΈΠ΅ B3 ΠΈ B14)
ΠΠΈΠ·Π°ΠΉΠ½ ΡΠ°ΡΡΠΎ ΠΌΠΎΠΆΠ½ΠΎ ΠΏΡΠΎΡΠΈΡΠ°ΡΡ Π½Π° Π·Π°Π²ΠΎΠ΄ΡΠΊΠΎΠΉ ΡΠ°Π±Π»ΠΈΡΠΊΠ΅.
ΠΠ΄Π½Π°ΠΊΠΎ Π΅Π³ΠΎ ΡΠ°ΠΊΠΆΠ΅ ΠΌΠΎΠΆΠ½ΠΎ ΠΎΠΏΡΠ΅Π΄Π΅Π»ΠΈΡΡ Ρ ΠΏΠΎΠΌΠΎΡΡΡ ΠΏΡΠΈΠ²Π΅Π΄Π΅Π½Π½ΡΡ
Π½ΠΈΠΆΠ΅ ΡΠΈΡΡΠ½ΠΊΠΎΠ².
ΠΠ°ΡΠΈΠ°Π½ΡΡ ΠΌΠΎΠ½ΡΠ°ΠΆΠ° B3, B5, B14, B34 ΠΈ B35.
ΠΠ»Π΅ΠΊΡΡΠΎΠ΄Π²ΠΈΠ³Π°ΡΠ΅Π»Ρ Π² Π½Π°ΡΠ΅ΠΌ ΠΏΡΠΈΠΌΠ΅ΡΠ΅ ΠΈΠΌΠ΅Π΅Ρ ΠΊΡΠ΅ΠΏΠ»Π΅Π½ΠΈΠ΅ Β«Π14Β»; ΡΡΠΎ Π²Π½ΡΡΡΠ΅Π½Π½ΠΈΠΉ ΡΠ»Π°Π½Π΅Ρ. ΠΡΡ ΠΊΠΎΠ½ΡΡΡΡΠΊΡΠΈΡ ΠΌΠΎΠΆΠ½ΠΎ ΡΠ·Π½Π°ΡΡ ΠΏΠΎ ΡΠ΅Π·ΡΠ±ΠΎΠ²ΡΠΌ ΠΎΡΠ²Π΅ΡΡΡΠΈΡΠΌ Π½Π° Π»ΠΈΡΠ΅Π²ΠΎΠΉ ΡΡΠΎΡΠΎΠ½Π΅ Π΄Π²ΠΈΠ³Π°ΡΠ΅Π»Ρ. ΠΠ»Ρ ΠΊΠΎΠ½ΡΡΡΡΠΊΡΠΈΠΈ Β«B5Β» Π΄ΠΈΠ°ΠΌΠ΅ΡΡ ΡΠ»Π°Π½ΡΠ° ΠΏΡΠ΅Π²ΡΡΠ°Π΅Ρ Π΄ΠΈΠ°ΠΌΠ΅ΡΡ Π΄Π²ΠΈΠ³Π°ΡΠ΅Π»Ρ, Π° ΠΎΡΠ²Π΅ΡΡΡΠΈΡ ΠΏΠΎΠ΄ Π±ΠΎΠ»ΡΡ Π½Π΅ ΠΈΠΌΠ΅ΡΡ ΡΠ΅Π·ΡΠ±Ρ.
ΠΡΠ±Π΅ΡΠΈΡΠ΅ ΠΌΠΎΠ½ΡΠ°ΠΆ.
Π‘ΠΠΠΠ’: Π§ΡΠΎΠ±Ρ ΡΠ²Π΅Π»ΠΈΡΠΈΡΡ ΡΠ°Π½ΡΡ Π½Π°ΠΉΡΠΈ Π½ΡΠΆΠ½ΡΠΉ Π΄Π²ΠΈΠ³Π°ΡΠ΅Π»Ρ, Π΅ΡΠ»ΠΈ Π²Π°ΠΌ Π½ΡΠΆΠ΅Π½ Π΄Π²ΠΈΠ³Π°ΡΠ΅Π»Ρ Ρ ΠΊΡΠ΅ΠΏΠ»Π΅Π½ΠΈΠ΅ΠΌ Β«B14Β», Π²ΡΠ±Π΅ΡΠΈΡΠ΅ ΠΎΠ±Π° Β«B14Β» ΠΈ Β«B34Β» (Π²Π½ΡΡΡΠ΅Π½Π½ΠΈΠΉ ΡΠ»Π°Π½Π΅Ρ Ρ ΠΊΡΠ΅ΠΏΠ»Π΅Π½ΠΈΠ΅ΠΌ Π½Π° Π»Π°ΠΏΠ°Ρ ), ΡΠ°ΠΊ ΠΊΠ°ΠΊ Π±ΠΎΠ»ΡΡΠΈΠ½ΡΡΠ²ΠΎ Π΄Π²ΠΈΠ³Π°ΡΠ΅Π»Π΅ΠΉ, ΠΏΠΎΡΡΠ°Π²Π»ΡΠ΅ΠΌΡΡ ABF, ΠΎΡΠ½Π°ΡΠ΅Π½ ΡΡΠ΅ΠΌΠ½ΡΠΌΠΈ Π½ΠΎΠΆΠΊΠ°ΠΌΠΈ. ΠΡΡΠΎΠ΅Π΄ΠΈΠ½ΠΈΠ² Π½ΠΎΠΆΠΊΠΈ Π΄Π²ΠΈΠ³Π°ΡΠ΅Π»Ρ B34, Π²Ρ ΠΏΠΎΠ»ΡΡΠΈΡΠ΅ Π΅Π³ΠΎ ΡΠΊΠ²ΠΈΠ²Π°Π»Π΅Π½Ρ B14 (ΡΠΌ. Π² ΠΈΠ½ΡΠ΅ΡΠ½Π΅Ρ-ΠΌΠ°Π³Π°Π·ΠΈΠ½Π΅).
ΠΠΎΡΠΎΡ Π34, Π²ΠΈΠ΄ ΡΠΏΠ΅ΡΠ΅Π΄ΠΈ. ΠΠΎΠΌΠ±ΠΈΠ½Π°ΡΠΈΡ Π²Π½ΡΡΡΠ΅Π½Π½Π΅ΠΉ ΡΠ°ΠΌΡ Ρ ΡΠ΅Π·ΡΠ±ΠΎΠ²ΡΠΌΠΈ ΠΎΡΠ²Π΅ΡΡΡΠΈΡΠΌΠΈ Π½Π° Π»ΠΈΡΠ΅Π²ΠΎΠΉ ΡΡΠΎΡΠΎΠ½Π΅ (B14) ΠΈ Π΄Π²ΠΈΠ³Π°ΡΠ΅Π»Ρ Π½Π° Π»Π°ΠΏΠ°Ρ (B3). ΠΡΠΈΠΌΠ΅Ρ ΡΠ»Π΅ΠΊΡΡΠΎΠ΄Π²ΠΈΠ³Π°ΡΠ΅Π»Ρ ΡΠΎ ΡΡΠ΅ΠΌΠ½ΡΠΌΠΈ Π½ΠΎΠΆΠΊΠ°ΠΌΠΈ.
Π¨ΠΠ 3: ΠΠΏΡΠ΅Π΄Π΅Π»ΠΈΡΠ΅ Π½ΠΎΠΌΠΈΠ½Π°Π»ΡΠ½ΡΡ ΡΠΊΠΎΡΠΎΡΡΡ
ΠΠΎΠΌΠΈΠ½Π°Π»ΡΠ½Π°Ρ ΡΠΊΠΎΡΠΎΡΡΡ ΠΎΠ±ΡΡΠ½ΠΎ ΡΠΊΠ°Π·ΡΠ²Π°Π΅ΡΡΡ Π½Π° Π·Π°Π²ΠΎΠ΄ΡΠΊΠΎΠΉ ΡΠ°Π±Π»ΠΈΡΠΊΠ΅.
ΠΡΠΎ ΡΠ°ΠΊΡΠΈΡΠ΅ΡΠΊΠ°Ρ ΡΠΊΠΎΡΠΎΡΡΡ Π²ΡΠ°ΡΠ΅Π½ΠΈΡ Π²ΡΡ
ΠΎΠ΄Π½ΠΎΠ³ΠΎ Π²Π°Π»Π°, Π²ΡΡΠ°ΠΆΠ΅Π½Π½Π°Ρ Π² Β«ΠΎΠ±ΠΎΡΠΎΡΠ°Ρ
Π² ΠΌΠΈΠ½ΡΡΡΒ» ΠΈΠ»ΠΈ Β«ΠΎΠ±/ΠΌΠΈΠ½Β». Π§ΠΈΡΠ»ΠΎ ΠΎΠ±ΠΎΡΠΎΡΠΎΠ² Π½Π° ΡΠ°Π±Π»ΠΈΡΠΊΠ΅ Π½ΠΈΠΆΠ΅ ΡΠΎΡΡΠ°Π²Π»ΡΠ΅Ρ 2860 ΠΎΠ±ΠΎΡΠΎΡΠΎΠ² Π² ΠΌΠΈΠ½ΡΡΡ. ΠΠ»ΡΡΠ΅ΡΠ½Π°ΡΠΈΠ²Π½ΡΠΉ ΡΠΏΠΎΡΠΎΠ± Π²ΡΡΠ°Π·ΠΈΡΡ ΡΡΡ ΡΠΊΠΎΡΠΎΡΡΡ — ΡΠΊΠ°Π·Π°ΡΡ ΠΊΠΎΠ»ΠΈΡΠ΅ΡΡΠ²ΠΎ ΠΏΠΎΠ»ΡΡΠΎΠ²; 2-ΠΏΠΎΠ»ΡΡΠ½ΡΠΉ Π΄Π²ΠΈΠ³Π°ΡΠ΅Π»Ρ ΠΈΠΌΠ΅Π΅Ρ Β«ΠΎΠ±/ΠΌΠΈΠ½Β», ΡΠΊΠ²ΠΈΠ²Π°Π»Π΅Π½ΡΠ½ΡΡ 3000. ΠΠ»Ρ 4-ΠΏΠΎΠ»ΡΡΠ½ΠΎΠ³ΠΎ ΡΡΠΎ 1500 ΠΎΠ±/ΠΌΠΈΠ½, 1000 ΠΎΠ±/ΠΌΠΈΠ½ Π΄Π»Ρ 6-ΠΏΠΎΠ»ΡΡΠ½ΠΎΠ³ΠΎ ΠΈ ΡΠ°ΠΊ Π΄Π°Π»Π΅Π΅.
ΠΠΎ ΡΠ΅Ρ Π½ΠΈΡΠ΅ΡΠΊΠΈΠΌ ΠΏΡΠΈΡΠΈΠ½Π°ΠΌ ΡΠ°ΠΊΡΠΈΡΠ΅ΡΠΊΠ°Ρ ΡΠΊΠΎΡΠΎΡΡΡ Π²Π°Π»Π° Π²ΡΠ΅Π³Π΄Π° Π½Π΅Π·Π½Π°ΡΠΈΡΠ΅Π»ΡΠ½ΠΎ ΠΎΡΠ»ΠΈΡΠ°Π΅ΡΡΡ ΠΈ Π½ΠΈΠΆΠ΅ ΠΏΡΠΈΠ²Π΅Π΄Π΅Π½Π½ΡΡ Π²ΡΡΠ΅ ΡΠΈΡΡ. ΠΡΠ°ΠΊ, ΡΠ±Π΅Π΄ΠΈΡΠ΅ΡΡ, ΡΡΠΎ Π²Ρ Π²ΡΠ΅Π³Π΄Π° ΠΎΠΊΡΡΠ³Π»ΡΠ΅ΡΠ΅ ΠΏΡΠ°Π²ΠΈΠ»ΡΠ½ΠΎ. ΠΠ±ΡΠ΅Π΅ ΡΠΌΠΏΠΈΡΠΈΡΠ΅ΡΠΊΠΎΠ΅ ΠΏΡΠ°Π²ΠΈΠ»ΠΎ: ΡΠΊΠΎΡΠΎΡΡΡ Π΄Π²ΠΈΠ³Π°ΡΠ΅Π»Ρ = 6000, Π΄Π΅Π»Π΅Π½Π½Π°Ρ Π½Π° ΠΊΠΎΠ»ΠΈΡΠ΅ΡΡΠ²ΠΎ ΠΏΠΎΠ»ΡΡΠΎΠ². ΠΡΠ°ΠΊ, Ρ 4-Ρ ΠΏΠΎΠ»ΡΡΠ½ΠΎΠ³ΠΎ Π΄Π²ΠΈΠ³Π°ΡΠ΅Π»Ρ 6000/4=1500 ΠΎΠ±/ΠΌΠΈΠ½.
ΠΠΈΠΆΠ΅ Π²Ρ Π½Π°ΠΉΠ΄Π΅ΡΠ΅ ΠΎΠ±Π·ΠΎΡ ΡΠ΅ΠΎΡΠ΅ΡΠΈΡΠ΅ΡΠΊΠΈΡ ΠΎΠ±ΠΎΡΠΎΡΠΎΠ² Π² ΠΌΠΈΠ½ΡΡΡ ΠΈ ββΡΠΎΠΎΡΠ²Π΅ΡΡΡΠ²ΡΡΡΠ΅Π΅ ΠΊΠΎΠ»ΠΈΡΠ΅ΡΡΠ²ΠΎ ΠΏΠΎΠ»ΡΡΠΎΠ².
Π‘Π²ΡΠ·Ρ ΠΌΠ΅ΠΆΠ΄Ρ Π½Π΅Ρ. ΠΏΠΎΠ»ΡΡΠΎΠ² ΠΈ ΡΠ΅ΠΎΡΠ΅ΡΠΈΡΠ΅ΡΠΊΠΈΡ ΡΠ΅Π²ΠΎΠ»ΡΡΠΈΠΉ.
Π ΠΈΠ½ΡΠ΅ΡΠ½Π΅Ρ-ΠΌΠ°Π³Π°Π·ΠΈΠ½Π΅ Π²ΡΠ±ΠΈΡΠ°Π΅ΠΌ Π±Π»ΠΈΠΆΠ°ΠΉΡΡΡ ΡΠΊΠΎΡΠΎΡΡΡ (ΠΎΠΊΡΡΠ³Π»ΡΠ΅ΠΌ Π² Π±ΠΎΠ»ΡΡΡΡ ΡΡΠΎΡΠΎΠ½Ρ). ΠΠ»Ρ ΠΈΡΠΏΠΎΠ»ΡΠ·ΡΠ΅ΠΌΠΎΠ³ΠΎ Π·Π΄Π΅ΡΡ ΠΏΡΠΈΠΌΠ΅ΡΠ° Ρ Π½Π°Ρ Π΅ΡΡΡ 2-ΠΏΠΎΠ»ΡΡΠ½ΡΠΉ Π΄Π²ΠΈΠ³Π°ΡΠ΅Π»Ρ Ρ Π½ΠΎΠΌΠΈΠ½Π°Π»ΡΠ½ΠΎΠΉ ΡΠΊΠΎΡΠΎΡΡΡΡ 3000 ΠΎΠ±/ΠΌΠΈΠ½.
ΠΡΠΈ 3000 ΠΎΠ±/ΠΌΠΈΠ½ ΡΠ²Π»ΡΡΡΡΡ ΡΠ΅ΠΎΡΠ΅ΡΠΈΡΠ΅ΡΠΊΠΎΠΉ ΡΠΊΠΎΡΠΎΡΡΡΡ.
ΠΡΠ°ΠΊ, Π²ΡΠ±Π΅ΡΠΈΡΠ΅ ΠΏΡΠ°Π²ΠΈΠ»ΡΠ½ΡΡ ΡΠΊΠΎΡΠΎΡΡΡ Π² ΠΈΠ½ΡΠ΅ΡΠ½Π΅Ρ-ΠΌΠ°Π³Π°Π·ΠΈΠ½Π΅, ΠΎΠΊΡΡΠ³Π»ΠΈΠ² ΡΡΠ΅Π±ΡΠ΅ΠΌΡΡ ΡΠΊΠΎΡΠΎΡΡΡ Π² Π±ΠΎΠ»ΡΡΡΡ ΡΡΠΎΡΠΎΠ½Ρ. Π Π½Π°ΡΠ΅ΠΌ ΠΏΡΠΈΠΌΠ΅ΡΠ΅ 2-ΠΏΠΎΠ»ΡΡΠ½ΡΠΉ Π΄Π²ΠΈΠ³Π°ΡΠ΅Π»Ρ Ρ 3000 ΠΎΠ±ΠΎΡΠΎΡΠΎΠ² Π² ΠΌΠΈΠ½ΡΡΡ (ΡΠΌ. Π² ΠΈΠ½ΡΠ΅ΡΠ½Π΅Ρ-ΠΌΠ°Π³Π°Π·ΠΈΠ½Π΅).
ΠΡΠ±Π΅ΡΠΈΡΠ΅ ΡΡΠ΅Π±ΡΠ΅ΠΌΡΠ΅ ΠΎΠ±ΠΎΡΠΎΡΡ.
Π¨ΠΠ 4: ΠΠΏΡΠ΅Π΄Π΅Π»ΠΈΡΠ΅ ΡΠ°Π·ΠΌΠ΅Ρ ΠΊΠ°Π΄ΡΠ°
ΠΡΠ΅ ΠΎΠ΄Π½ΠΎΠΉ Π²Π°ΠΆΠ½ΠΎΠΉ Ρ Π°ΡΠ°ΠΊΡΠ΅ΡΠΈΡΡΠΈΠΊΠΎΠΉ ΡΠ²Π»ΡΠ΅ΡΡΡ ΡΠ°Π·ΠΌΠ΅Ρ ΠΊΠΎΡΠΏΡΡΠ° ΡΠ»Π΅ΠΊΡΡΠΎΠ΄Π²ΠΈΠ³Π°ΡΠ΅Π»Ρ. ΠΠΎΡΠΊΠΎΠ»ΡΠΊΡ ΡΠ°Π·ΠΌΠ΅ΡΡ Π΄Π»Ρ Π΅Π²ΡΠΎΠΏΠ΅ΠΉΡΠΊΠΎΠ³ΠΎ ΡΡΠ½ΠΊΠ° Π·Π°Π»ΠΎΠΆΠ΅Π½Ρ Π² ΡΡΠ°Π½Π΄Π°ΡΡΠ΅ IEC, ΡΠ»Π΅ΠΊΡΡΠΎΠ΄Π²ΠΈΠ³Π°ΡΠ΅Π»ΠΈ ΡΠ°Π·Π½ΡΡ ΠΌΠ°ΡΠΎΠΊ, Π½ΠΎ Ρ ΡΠΎΠΎΡΠ²Π΅ΡΡΡΠ²ΡΡΡΠΈΠΌΠΈ Ρ Π°ΡΠ°ΠΊΡΠ΅ΡΠΈΡΡΠΈΠΊΠ°ΠΌΠΈ, ΡΠ°ΡΡΠΎ Π²Π·Π°ΠΈΠΌΠΎΠ·Π°ΠΌΠ΅Π½ΡΠ΅ΠΌΡ. ΠΠΎΠ»ΡΡΠΈΠ½ΡΡΠ²ΠΎ ΠΏΡΠΎΠΈΠ·Π²ΠΎΠ΄ΠΈΡΠ΅Π»Π΅ΠΉ ΠΈΡΠΏΠΎΠ»ΡΠ·ΡΡΡ ΠΎΠ΄Π½ΠΈ ΠΈ ΡΠ΅ ΠΆΠ΅ ΡΠ°Π·ΠΌΠ΅ΡΡ Π΄Π»Ρ ΠΎΠΏΡΠ΅Π΄Π΅Π»Π΅Π½Π½ΠΎΠ³ΠΎ ΡΠ°Π·ΠΌΠ΅ΡΠ°.
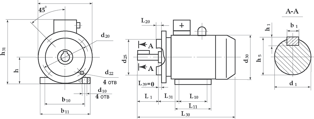
ΠΠ°ΠΈΠ±ΠΎΠ»Π΅Π΅ Π²Π°ΠΆΠ½ΡΠ΅ ΡΠ°Π·ΠΌΠ΅ΡΡ Π² ΡΠΎΠΎΡΠ²Π΅ΡΡΡΠ²ΠΈΠΈ ΡΠΎ ΡΡΠ°Π½Π΄Π°ΡΡΠΎΠΌ IEC:
- A (ΡΠ°ΡΡΡΠΎΡΠ½ΠΈΠ΅ ΠΌΠ΅ΠΆΠ΄Ρ ΠΌΠΎΠ½ΡΠ°ΠΆΠ½ΡΠΌΠΈ ΠΎΡΠ²Π΅ΡΡΡΠΈΡΠΌΠΈ, ΠΏΠ΅ΡΠΏΠ΅Π½Π΄ΠΈΠΊΡΠ»ΡΡΠ½ΠΎ Π΄Π²ΠΈΠ³Π°ΡΠ΅Π»Ρ)
- B (ΡΠ°ΡΡΡΠΎΡΠ½ΠΈΠ΅ ΠΌΠ΅ΠΆΠ΄Ρ ΠΌΠΎΠ½ΡΠ°ΠΆΠ½ΡΠΌΠΈ ΠΎΡΠ²Π΅ΡΡΡΠΈΡΠΌΠΈ, ΠΏΠ°ΡΠ°Π»Π»Π΅Π»ΡΠ½ΠΎ Π΄Π²ΠΈΠ³Π°ΡΠ΅Π»Ρ)
- C (ΠΏΠ»Π΅ΡΠΎ Π²Π°Π»Π° Π΄ΠΎ ΠΏΠ΅ΡΠ²ΠΎΠ³ΠΎ ΠΌΠΎΠ½ΡΠ°ΠΆΠ½ΠΎΠ³ΠΎ ΠΎΡΠ²Π΅ΡΡΡΠΈΡ)
- D (Π΄ΠΈΠ°ΠΌΠ΅ΡΡ Π²ΡΡ
ΠΎΠ΄Π½ΠΎΠ³ΠΎ Π²Π°Π»Π° ΡΠΎ ΡΡΠΎΡΠΎΠ½Ρ ΠΏΡΠΈΠ²ΠΎΠ΄Π° β D.
E.) - E (ΠΠ»ΠΈΠ½Π° Π²Π°Π»Π°)
- H (Π²ΡΡΠΎΡΠ° Π²Π°Π»Π°)
ΠΠ»Ρ ΡΠ»Π΅ΠΊΡΡΠΎΠ΄Π²ΠΈΠ³Π°ΡΠ΅Π»Π΅ΠΉ, ΡΠΎΠΎΡΠ²Π΅ΡΡΡΠ²ΡΡΡΠΈΡ ΡΡΠ°Π½Π΄Π°ΡΡΠ°ΠΌ IEC, Π±ΠΎΠ»ΡΡΠΈΠ½ΡΡΠ²ΠΎ ΡΠ°Π·ΠΌΠ΅ΡΠΎΠ² Π½Π°ΠΏΡΡΠΌΡΡ ΡΠ²ΡΠ·Π°Π½Ρ Ρ Π²ΡΡΠΎΡΠΎΠΉ Π²Π°Π»Π° ΠΈΠ»ΠΈ ΡΠ°Π·ΠΌΠ΅ΡΠΎΠΌ ΡΠ°ΠΌΡ Π΄Π²ΠΈΠ³Π°ΡΠ΅Π»Ρ. ΠΡΠΎ ΡΠ°ΡΡΡΠΎΡΠ½ΠΈΠ΅ ΠΌΠ΅ΠΆΠ΄Ρ ΡΠ΅Π½ΡΡΠΎΠΌ Π²ΡΡ ΠΎΠ΄Π½ΠΎΠ³ΠΎ Π²Π°Π»Π° ΠΈ ΡΠ΅Π½ΡΡΠΎΠΌ ΠΈ Π½ΠΈΠΆΠ½Π΅ΠΉ ΡΠ°ΡΡΡΡ ΠΎΠΏΠΎΡ Π΄Π²ΠΈΠ³Π°ΡΠ΅Π»Ρ ΡΠΈΠΏΠ° B3, ΠΊΠ°ΠΊ ΠΏΠΎΠΊΠ°Π·Π°Π½ΠΎ Π½Π° Π΄ΠΈΠ°Π³ΡΠ°ΠΌΠΌΠ΅ Π½ΠΈΠΆΠ΅ Π±ΡΠΊΠ²ΠΎΠΉ Β«HΒ».
ΠΡΠΈΠΌΠ΅Ρ ΡΠ°Π·ΠΌΠ΅ΡΠΎΠ² ΡΠ»Π΅ΠΊΡΡΠΎΠ΄Π²ΠΈΠ³Π°ΡΠ΅Π»Ρ ΡΠΈΠΏΠ° B3.
Π Π½Π°ΡΠ΅ΠΌ ΠΏΡΠΈΠΌΠ΅ΡΠ΅ ΡΠ»Π΅ΠΊΡΡΠΎΠ΄Π²ΠΈΠ³Π°ΡΠ΅Π»Ρ ΠΈΠΌΠ΅Π΅Ρ ΡΠ°Π·ΠΌΠ΅Ρ ΠΊΠΎΡΠΏΡΡΠ° 90. Π ΠΈΠ½ΡΠ΅ΡΠ½Π΅Ρ-ΠΌΠ°Π³Π°Π·ΠΈΠ½Π΅ Π²ΡΠ±Π΅ΡΠΈΡΠ΅ Β«90Β» Π² ΠΊΠ°ΡΠ΅ΡΡΠ²Π΅ ΡΠ°Π·ΠΌΠ΅ΡΠ° ΠΊΠΎΡΠΏΡΡΠ° IEC (ΡΠΌ. Π² ΠΈΠ½ΡΠ΅ΡΠ½Π΅Ρ-ΠΌΠ°Π³Π°Π·ΠΈΠ½Π΅).
ΠΡΠ±ΠΎΡ ΡΠ°Π·ΠΌΠ΅ΡΠ° ΠΊΠ°Π΄ΡΠ° IEC.
Π¨ΠΠ 5: ΠΠΏΡΠ΅Π΄Π΅Π»ΠΈΡΠ΅ ΠΏΡΠ°Π²ΠΈΠ»ΡΠ½ΡΠΉ ΠΊΠ»Π°ΡΡ ΡΡΡΠ΅ΠΊΡΠΈΠ²Π½ΠΎΡΡΠΈ
Π‘ 16 ΠΈΡΠ½Ρ 2011 Π³. Π±ΠΎΠ»ΡΡΠΈΠ½ΡΡΠ²ΠΎ Π΄Π²ΠΈΠ³Π°ΡΠ΅Π»Π΅ΠΉ Π½Π° ΡΡΠ½ΠΊΠ΅ Π΄ΠΎΠ»ΠΆΠ½Ρ ΠΈΠΌΠ΅ΡΡ ΠΌΠ°ΡΠΊΠΈΡΠΎΠ²ΠΊΡ Π² ΡΠΎΠΎΡΠ²Π΅ΡΡΡΠ²ΠΈΠΈ Ρ Π΄ΠΈΡΠ΅ΠΊΡΠΈΠ²ΠΎΠΉ IE ΠΈ ΠΊΠ»Π°ΡΡΠΈΡΠΈΡΠΈΡΠΎΠ²Π°ΡΡΡΡ ΠΏΠΎ ΠΊΠ»Π°ΡΡΡ ΡΡΡΠ΅ΠΊΡΠΈΠ²Π½ΠΎΡΡΠΈ.
ΠΠ»Π°ΡΡΡ ΡΡΡΠ΅ΠΊΡΠΈΠ²Π½ΠΎΡΡΠΈ ΡΠ»Π΅ΠΊΡΡΠΎΠ΄Π²ΠΈΠ³Π°ΡΠ΅Π»Π΅ΠΉ:
- IE1 = ΡΡΠ°Π½Π΄Π°ΡΡΠ½Π°Ρ ΡΡΡΠ΅ΠΊΡΠΈΠ²Π½ΠΎΡΡΡ (EFF2)
- IE2 = Π²ΡΡΠΎΠΊΠ°Ρ ΡΡΡΠ΅ΠΊΡΠΈΠ²Π½ΠΎΡΡΡ (EFF1)
- IE3 = Π²ΡΡΠΎΠΊΠ°Ρ ΡΡΡΠ΅ΠΊΡΠΈΠ²Π½ΠΎΡΡΡ
- IE4 = ΡΠ²Π΅ΡΡ Π²ΡΡΠΎΠΊΠ°Ρ ΡΡΡΠ΅ΠΊΡΠΈΠ²Π½ΠΎΡΡΡ
Π‘ 1 ΡΠ½Π²Π°ΡΡ 2017 Π³ΠΎΠ΄Π° Π²ΡΠ΅ Π½ΠΎΠ²ΡΠ΅ ΡΠ»Π΅ΠΊΡΡΠΎΠ΄Π²ΠΈΠ³Π°ΡΠ΅Π»ΠΈ Π½ΠΎΠΌΠΈΠ½Π°Π»ΡΠ½ΠΎΠΉ ΠΌΠΎΡΠ½ΠΎΡΡΡΡ 0,75 ΠΊΠΡ ΠΈ Π²ΡΡΠ΅ Π΄ΠΎΠ»ΠΆΠ½Ρ ΡΠΎΠΎΡΠ²Π΅ΡΡΡΠ²ΠΎΠ²Π°ΡΡ ΡΡΠ°Π½Π΄Π°ΡΡΡ IE3 (ΠΎΠ΄Π½Π°ΠΊΠΎ ΠΈΠ· ΡΡΠΎΠ³ΠΎ ΠΏΡΠ°Π²ΠΈΠ»Π° Π΅ΡΡΡ ΠΈΡΠΊΠ»ΡΡΠ΅Π½ΠΈΡ).
ΠΠ»Π΅ΠΊΡΡΠΎΠ΄Π²ΠΈΠ³Π°ΡΠ΅Π»Ρ Π² Π½Π°ΡΠ΅ΠΌ ΠΏΡΠΈΠΌΠ΅ΡΠ΅ ΠΈΠΌΠ΅Π΅Ρ ΡΠ½Π΅ΡΠ³ΠΎΡΡΡΠ΅ΠΊΡΠΈΠ²Π½ΠΎΡΡΡ IE1. Π§ΡΠΎΠ±Ρ ΡΠΎΠΎΡΠ²Π΅ΡΡΡΠ²ΠΎΠ²Π°ΡΡ Π΄Π΅ΠΉΡΡΠ²ΡΡΡΠΈΠΌ ΠΏΡΠ°Π²ΠΈΠ»Π°ΠΌ, Π²ΡΠ±Π΅ΡΠΈΡΠ΅ IE3 Π² Π½Π°ΡΠ΅ΠΌ ΠΈΠ½ΡΠ΅ΡΠ½Π΅Ρ-ΠΌΠ°Π³Π°Π·ΠΈΠ½Π΅ (ΡΠΌ. Π² ΠΈΠ½ΡΠ΅ΡΠ½Π΅Ρ-ΠΌΠ°Π³Π°Π·ΠΈΠ½Π΅).
ΠΡΠ±ΠΎΡ ΡΠ½Π΅ΡΠ³ΠΎΡΡΡΠ΅ΠΊΡΠΈΠ²Π½ΠΎΡΡΠΈ.
ΠΡΠ°Π²ΠΈΠ»ΡΠ½ΡΠΉ ΡΠ»Π΅ΠΊΡΡΠΎΠ΄Π²ΠΈΠ³Π°ΡΠ΅Π»Ρ?
Π Π½Π°ΡΠ΅ΠΌ ΠΈΠ½ΡΠ΅ΡΠ½Π΅Ρ-ΠΌΠ°Π³Π°Π·ΠΈΠ½Π΅ ΠΌΡ Π²ΡΠ±ΡΠ°Π»ΠΈ ΡΠ»Π΅Π΄ΡΡΡΠΈΠ΅ ΡΠΈΠ»ΡΡΡΡ:
- ΠΠΎΠΌΠΈΠ½Π°Π»ΡΠ½Π°Ρ ΠΌΠΎΡΠ½ΠΎΡΡΡ: 1,5 ΠΊΠΡ
- ΠΡΠ΅ΠΏΠ»Π΅Π½ΠΈΠ΅ B14 (Π²Π½ΡΡΡΠ΅Π½Π½ΠΈΠΉ ΡΠ»Π°Π½Π΅Ρ) ΠΈ B34 (Π½ΠΎΠ³Π° + Π²Π½ΡΡΡΠ΅Π½Π½ΠΈΠΉ ΡΠ»Π°Π½Π΅Ρ)
- ΠΠΎΠΌΠΈΠ½Π°Π»ΡΠ½Π°Ρ ΡΠΊΠΎΡΠΎΡΡΡ: 2 ΠΏΠΎΠ»ΡΡΠ° / 3000 ΠΎΠ±/ΠΌΠΈΠ½
- Π Π°Π·ΠΌΠ΅Ρ ΠΊΠΎΡΠΏΡΡΠ° IEC: 90
- ΠΠ½Π΅ΡΠ³ΠΎΡΡΡΠ΅ΠΊΡΠΈΠ²Π½ΠΎΡΡΡ: IE3 = ΠΏΡΠ΅ΠΌΠΈΡΠΌ
Π’Π΅ΠΏΠ΅ΡΡ Π²Ρ Π΄ΠΎΠ»ΠΆΠ½Ρ Π±ΡΠ»ΠΈ Π½Π°ΠΉΡΠΈ ΠΏΡΠ°Π²ΠΈΠ»ΡΠ½ΡΠΉ ΡΠ»Π΅ΠΊΡΡΠΎΠ΄Π²ΠΈΠ³Π°ΡΠ΅Π»Ρ. ΠΠΎΠΊΠ°Π·Π°Π½Π½ΡΠΉ Π²ΡΠ±ΠΎΡ Π΄Π²ΠΈΠ³Π°ΡΠ΅Π»Π΅ΠΉ Π΄ΠΎΠ»ΠΆΠ΅Π½ ΡΠΎΠΎΡΠ²Π΅ΡΡΡΠ²ΠΎΠ²Π°ΡΡ ΡΠΏΠ΅ΡΠΈΡΠΈΠΊΠ°ΡΠΈΡΠΌ ΡΠ»Π΅ΠΊΡΡΠΎΠ΄Π²ΠΈΠ³Π°ΡΠ΅Π»Ρ, ΠΊΠΎΡΠΎΡΡΠΉ Π²Ρ ΠΏΡΡΠ°Π΅ΡΠ΅ΡΡ Π·Π°ΠΌΠ΅Π½ΠΈΡΡ (ΡΠΌ. Π² ΠΈΠ½ΡΠ΅ΡΠ½Π΅Ρ-ΠΌΠ°Π³Π°Π·ΠΈΠ½Π΅).
ΠΡΠΈ ΡΡΠ°Π²Π½Π΅Π½ΠΈΠΈ ΡΠΈΠ»ΡΠ΄ΠΈΠΊΠΎΠ² ΡΡΠ°ΡΠΎΠ³ΠΎ ΠΈ ΡΠΌΠ΅Π½Π½ΠΎΠ³ΠΎ ΠΌΠΎΡΠΎΡΠ° Π²ΠΈΠ΄Π½ΠΎ, ΡΡΠΎ Ρ
Π°ΡΠ°ΠΊΡΠ΅ΡΠΈΡΡΠΈΠΊΠΈ ΡΠΎΠ²ΠΏΠ°Π΄Π°ΡΡ. ΠΠ±ΡΠ°ΡΠΈΡΠ΅ Π²Π½ΠΈΠΌΠ°Π½ΠΈΠ΅, ΡΡΠΎ ΡΡΠΎΡ ΠΊΠΎΠ½ΠΊΡΠ΅ΡΠ½ΡΠΉ Π΄Π²ΠΈΠ³Π°ΡΠ΅Π»Ρ ΠΈΠΌΠ΅Π΅Ρ ΠΊΡΠ΅ΠΏΠ»Π΅Π½ΠΈΠ΅ Β«B34Β», Π½ΠΎ ΠΎΡΠ½Π°ΡΠ΅Π½ ΡΡΠ΅ΠΌΠ½ΡΠΌΠΈ Π½ΠΎΠΆΠΊΠ°ΠΌΠΈ ΠΈ Π²Π½ΡΡΡΠ΅Π½Π½ΠΈΠΌ ΡΠ»Π°Π½ΡΠ΅ΠΌ (ΠΎΠΏΡΠΈΡ, ΠΏΡΠ΅Π΄ΠΎΡΡΠ°Π²Π»ΡΠ΅ΠΌΠ°Ρ Siemens).
Π‘ΡΠ°Π²Π½Π΅Π½ΠΈΠ΅ ΡΡΠ°ΡΠΎΠΉ ΠΈ Π½ΠΎΠ²ΠΎΠΉ ΡΠ°Π±Π»ΠΈΡΠΊΠΈ Siemens.
ΠΠ°ΡΠΏΠΎΡΡΠ½Π°Ρ ΡΠ°Π±Π»ΠΈΡΠΊΠ° Siemens
ΠΠ° ΡΠ»Π΅Π΄ΡΡΡΠ΅ΠΌ ΠΈΠ·ΠΎΠ±ΡΠ°ΠΆΠ΅Π½ΠΈΠΈ ΠΏΠΎΠΊΠ°Π·Π°Π½ΠΎ ΠΏΠΎΡΡΠ½Π΅Π½ΠΈΠ΅ ΠΊ Π·Π°Π²ΠΎΠ΄ΡΠΊΠΎΠΉ ΡΠ°Π±Π»ΠΈΡΠΊΠ΅ Siemens. ΠΠ±ΡΠ°ΡΠΈΡΠ΅ Π²Π½ΠΈΠΌΠ°Π½ΠΈΠ΅, ΡΡΠΎ ΡΡΠΎ ΠΈΠ·ΠΎΠ±ΡΠ°ΠΆΠ΅Π½ΠΈΠ΅ ΠΎΡΠ½ΠΎΡΠΈΡΡΡ ΠΊ Β«ΡΡΠ°Π½Π΄Π°ΡΡΠ½ΠΎΠΌΡΒ» Π΄Π²ΠΈΠ³Π°ΡΠ΅Π»Ρ Siemens. ΠΠ΅ΡΡΠ°Π½Π΄Π°ΡΡΠ½ΡΠ΅ Π΄Π²ΠΈΠ³Π°ΡΠ΅Π»ΠΈ Siemens ΠΈΠ»ΠΈ Π΄Π²ΠΈΠ³Π°ΡΠ΅Π»ΠΈ Ρ Π½Π΅ΠΊΠΎΡΠΎΡΡΠΌΠΈ Π΄ΠΎΠΏΠΎΠ»Π½ΠΈΡΠ΅Π»ΡΠ½ΡΠΌΠΈ ΠΎΠΏΡΠΈΡΠΌΠΈ ΠΎΠ±ΠΎΠ·Π½Π°ΡΠ°ΡΡΡΡ Π΄ΠΎΠ±Π°Π²Π»Π΅Π½ΠΈΠ΅ΠΌ Β«-ZΒ» Π² ΠΊΠΎΠ½ΡΠ΅ Π°ΡΡΠΈΠΊΡΠ»Π°.
Π ΠΏΡΠΈΠΌΠ΅ΡΠ°Ρ , ΠΈΡΠΏΠΎΠ»ΡΠ·ΠΎΠ²Π°Π½Π½ΡΡ Π²ΡΡΠ΅, Β«-ZΒ» ΠΎΠ·Π½Π°ΡΠ°Π΅Ρ Π²ΠΎΠ·ΠΌΠΎΠΆΠ½ΠΎΡΡΡ ΡΡΠ΅ΠΌΠ½ΡΡ Π½ΠΎΠΆΠ΅ΠΊ Π½Π° Π΄Π²ΠΈΠ³Π°ΡΠ΅Π»Π΅ B34.
Π Π°ΡΡΠΈΡΡΠΎΠ²ΠΊΠ° ΡΠΈΠ»ΡΠ΄ΠΈΠΊΠ° Π‘ΠΈΠΌΠ΅Π½Ρ.
ΠΠ°Π΄Π΅ΡΡΡ, Π²ΡΠΏΠΎΠ»Π½ΠΈΠ² ΡΡΠΈ 5 ΠΏΡΠΎΡΡΡΡ ΡΠ°Π³ΠΎΠ², Π²Ρ Π½Π°ΠΉΠ΄Π΅ΡΠ΅ ΠΏΠΎΠ΄Ρ ΠΎΠ΄ΡΡΠΈΠΉ ΡΠ»Π΅ΠΊΡΡΠΎΠ΄Π²ΠΈΠ³Π°ΡΠ΅Π»Ρ Π² Π½Π°ΡΠ΅ΠΌ ΠΈΠ½ΡΠ΅ΡΠ½Π΅Ρ-ΠΌΠ°Π³Π°Π·ΠΈΠ½Π΅. ΠΠ΄Π½Π°ΠΊΠΎ, Π΅ΡΠ»ΠΈ Ρ Π²Π°Ρ Π΅ΡΡΡ Π΄ΠΎΠΏΠΎΠ»Π½ΠΈΡΠ΅Π»ΡΠ½ΡΠ΅ Π²ΠΎΠΏΡΠΎΡΡ, ΠΏΠΎΠΆΠ°Π»ΡΠΉΡΡΠ°, Π½Π΅ ΡΡΠ΅ΡΠ½ΡΠΉΡΠ΅ΡΡ ΠΎΠ±ΡΠ°ΡΠ°ΡΡΡΡ ΠΊ Π½Π°ΡΠ΅ΠΌΡ ΡΠΏΠ΅ΡΠΈΠ°Π»ΠΈΡΡΡ ΠΏΠΎ ΡΠ»Π΅ΠΊΡΡΠΎΠ΄Π²ΠΈΠ³Π°ΡΠ΅Π»ΡΠΌ Π΄Π»Ρ ΠΏΠΎΠ»ΡΡΠ΅Π½ΠΈΡ Π΄ΠΎΠΏΠΎΠ»Π½ΠΈΡΠ΅Π»ΡΠ½ΠΎΠΉ ΠΊΠΎΠ½ΡΡΠ»ΡΡΠ°ΡΠΈΠΈ ΠΏΠΎ ΡΡΠΎΠΌΡ Π²ΠΎΠΏΡΠΎΡΡ. ΠΡ Π·Π΄Π΅ΡΡ ΡΠ°Π΄ΠΈ ΡΠ΅Π±Ρ!
Π ΠΈΠ½ΡΠ΅ΡΠ½Π΅Ρ-ΠΌΠ°Π³Π°Π·ΠΈΠ½ ΡΠ»Π΅ΠΊΡΡΠΎΠ΄Π²ΠΈΠ³Π°ΡΠ΅Π»Π΅ΠΉ
ΠΠΈΡΠΈΡΠ΅ Π½Π°ΡΠ΅ΠΌΡ ΡΠΏΠ΅ΡΠΈΠ°Π»ΠΈΡΡΡ ΠΏΠΎ ΡΠ»Π΅ΠΊΡΡΠΎΠ΄Π²ΠΈΠ³Π°ΡΠ΅Π»ΡΠΌ
ΠΠΎΠ΄Π΅Π»ΠΈΡΡ ΡΡΠΈΠΌ
ΠΠ²ΠΈΠ³Π°ΡΠ΅Π»ΠΈ ΠΎΠ±ΡΠ΅Π³ΠΎ Π½Π°Π·Π½Π°ΡΠ΅Π½ΠΈΡ β Π ΡΠΊΠΎΠ²ΠΎΠ΄ΡΡΠ²Π° ΠΏΠΎ Π½ΠΈΠ·ΠΊΠΎΠ²ΠΎΠ»ΡΡΠ½ΡΠΌ Π΄Π²ΠΈΠ³Π°ΡΠ΅Π»ΡΠΌ IEC ΠΈ Π΄Π²ΠΈΠ³Π°ΡΠ΅Π»ΡΠΌ ABB
Π Π°Π·ΡΠ°Π±ΠΎΡΠ°Π½Π½ΡΠ΅ Ρ ΡΠ°ΠΌΠΎΠ³ΠΎ Π½Π°ΡΠ°Π»Π° Π΄Π»Ρ ΠΌΠ°ΠΊΡΠΈΠΌΠ°Π»ΡΠ½ΠΎΠ³ΠΎ ΡΠ΄ΠΎΠ±ΡΡΠ²Π° ΠΈ ΠΏΡΠΎΡΡΠΎΡΡ Π² ΠΎΠ±ΡΠ°ΡΠ΅Π½ΠΈΠΈ, Π°ΡΠΈΠ½Ρ
ΡΠΎΠ½Π½ΡΠ΅ Π΄Π²ΠΈΠ³Π°ΡΠ΅Π»ΠΈ ΠΎΠ±ΡΠ΅Π³ΠΎ Π½Π°Π·Π½Π°ΡΠ΅Π½ΠΈΡ ABB ΠΌΠΎΠ³ΡΡ ΠΈΡΠΏΠΎΠ»ΡΠ·ΠΎΠ²Π°ΡΡΡΡ Π² ΡΠΈΡΠΎΠΊΠΎΠΌ Π΄ΠΈΠ°ΠΏΠ°Π·ΠΎΠ½Π΅ ΠΏΡΠΎΠΌΡΡΠ»Π΅Π½Π½ΡΡ
ΠΏΡΠΈΠΌΠ΅Π½Π΅Π½ΠΈΠΉ.
ΠΡΠΈ Π΄Π²ΠΈΠ³Π°ΡΠ΅Π»ΠΈ ΠΏΠΎΠ΄Ρ
ΠΎΠ΄ΡΡ OEM-ΠΏΡΠΎΠΈΠ·Π²ΠΎΠ΄ΠΈΡΠ΅Π»ΡΠΌ Π΄Π»Ρ Π²ΡΡΡΠ°ΠΈΠ²Π°Π½ΠΈΡ Π² Π½Π°ΡΠΎΡΡΒ ΠΈ Π²Π΅Π½ΡΠΈΠ»ΡΡΠΎΡΡ, Π° ΡΠ°ΠΊΠΆΠ΅ Π² ΡΠ΅Π΄ΡΠΊΡΠΎΡΡ, ΠΊΠΎΠ½Π²Π΅ΠΉΠ΅ΡΡ, ΠΎΠ±ΡΠ΅Π΅ ΠΎΠ±ΠΎΡΡΠ΄ΠΎΠ²Π°Π½ΠΈΠ΅Β ΠΈ Π΄ΡΡΠ³ΠΈΠ΅ ΠΏΡΠΈΠ»ΠΎΠΆΠ΅Π½ΠΈΡ. ΠΠΎΡΠ½ΡΠ΅ ΡΡΠ³ΡΠ½Π½ΡΠ΅ Π΄Π²ΠΈΠ³Π°ΡΠ΅Π»ΠΈ ΡΠ²Π»ΡΡΡΡΡ ΡΠΊΠΎΠ½ΠΎΠΌΠΈΡΠ½ΡΠΌ Π²ΡΠ±ΠΎΡΠΎΠΌ Π΄Π»Ρ Π½Π°ΡΠΎΡΠΎΠ², Π²Π΅Π½ΡΠΈΠ»ΡΡΠΎΡΠΎΠ², ΠΊΠΎΠΌΠΏΡΠ΅ΡΡΠΎΡΠΎΠ² ΠΈ ΠΌΠ½ΠΎΠ³ΠΈΡ
Π΄ΡΡΠ³ΠΈΡ
ΡΠΈΠΏΠΎΠ² ΠΌΠ°ΡΠΈΠ½.
- ΠΠ΅ΠΊΠΎΡΠΎΡΡΠ΅ ΡΡΠ°Π½Π΄Π°ΡΡΠ½ΡΠ΅ ΠΊΠΎΠ½ΡΡΡΡΠΊΡΠΈΠΈ Π΄ΠΎΡΡΡΠΏΠ½Ρ ΡΠΎ ΡΠΊΠ»Π°Π΄Π°, Π² ΡΠΎ Π²ΡΠ΅ΠΌΡ ΠΊΠ°ΠΊ ΡΠ΅ΡΠ΅Π½ΠΈΡ Π΄Π»Ρ ΠΊΠ»ΠΈΠ΅Π½ΡΠΎΠ² ΠΈ ΠΎΠ±Π»Π°ΡΡΠ΅ΠΉ ΠΏΡΠΈΠΌΠ΅Π½Π΅Π½ΠΈΡ ΠΈΠ·Π³ΠΎΡΠ°Π²Π»ΠΈΠ²Π°ΡΡΡΡ Π½Π° Π·Π°ΠΊΠ°Π· ΠΈ ΠΌΠΎΠ³ΡΡ Π±ΡΡΡ Π°Π΄Π°ΠΏΡΠΈΡΠΎΠ²Π°Π½Ρ Π΄Π»Ρ ΡΠ΄ΠΎΠ²Π»Π΅ΡΠ²ΠΎΡΠ΅Π½ΠΈΡ ΠΊΠΎΠ½ΠΊΡΠ΅ΡΠ½ΡΡ ΠΏΠΎΡΡΠ΅Π±Π½ΠΎΡΡΠ΅ΠΉ.
- ΠΠ»Π°Π³ΠΎΠ΄Π°ΡΡ Π½Π°ΡΠ΅ΠΉ ΡΡΡΠ΅ΠΊΡΠΈΠ²Π½ΠΎΠΉ ΡΠΈΡΡΠ΅ΠΌΠ΅ Π»ΠΎΠ³ΠΈΡΡΠΈΠΊΠΈ ΠΌΡ ΠΌΠΎΠΆΠ΅ΠΌ Π±ΡΡΡΡΠΎ Π°Π΄Π°ΠΏΡΠΈΡΠΎΠ²Π°ΡΡ Π΄Π²ΠΈΠ³Π°ΡΠ΅Π»ΠΈ Π² ΡΠΎΠΎΡΠ²Π΅ΡΡΡΠ²ΠΈΠΈ Ρ Π²Π°ΡΠΈΠΌΠΈ ΠΏΠΎΡΡΠ΅Π±Π½ΠΎΡΡΡΠΌΠΈ.
ΠΡΠ½ΠΎΠ²Π½ΡΠ΅ ΡΡΠ½ΠΊΡΠΈΠΈ ΠΈ ΠΏΡΠ΅ΠΈΠΌΡΡΠ΅ΡΡΠ²Π°
- ΠΠ²ΠΈΠ³Π°ΡΠ΅Π»ΠΈ ΠΎΠ±ΡΠ΅Π³ΠΎ Π½Π°Π·Π½Π°ΡΠ΅Π½ΠΈΡ Π΄ΠΎΡΡΡΠΏΠ½Ρ ΡΠΎ ΡΠΊΠ»Π°Π΄Π° Π΄Π»Ρ Π±ΡΡΡΡΠΎΠΉ Π΄ΠΎΡΡΠ°Π²ΠΊΠΈ.
- Π‘ΡΡΠ΅ΡΡΠ²ΡΠ΅Ρ ΠΌΠ½ΠΎΠΆΠ΅ΡΡΠ²ΠΎ Π²Π°ΡΠΈΠ°Π½ΡΠΎΠ² Π½Π° Π²ΡΠ±ΠΎΡ, ΠΈ Π±ΠΎΠ»ΡΡΠΈΠ½ΡΡΠ²ΠΎ ΠΈΠ·ΠΌΠ΅Π½Π΅Π½ΠΈΠΉ Π·Π°Π½ΠΈΠΌΠ°Π΅Ρ Π²ΡΠ΅Π³ΠΎ ΠΎΠ΄ΠΈΠ½ ΠΈΠ»ΠΈ Π΄Π²Π° Π΄Π½Ρ.
- ΠΎΡ Π½Π°Π΄Π΅ΠΆΠ½ΡΡ
ΠΏΡΠΎΠΈΠ·Π²ΠΎΠ΄ΠΈΡΠ΅Π»Π΅ΠΉ.

- ΠΠ΅Π½ΡΡΠΈΠ΅ ΡΠ°Π·ΠΌΠ΅ΡΡ ΠΈΠΌΠ΅ΡΡ ΠΏΠΎΠ΄ΡΠΈΠΏΠ½ΠΈΠΊΠΈ ΡΠΎ ΡΠΌΠ°Π·ΠΊΠΎΠΉ Π½Π° Π²Π΅ΡΡ ΡΡΠΎΠΊ ΡΠ»ΡΠΆΠ±Ρ.
- Π‘ΠΈΡΡΠ΅ΠΌΠ° ΠΎΠΊΡΠ°ΡΠΊΠΈ ΠΊΠ»Π°ΡΡΠ° C3 Π·Π°ΡΠΈΡΠ°Π΅Ρ ΠΎΡ ΡΡΠΆΠ΅Π»ΡΡ ΡΡΠ»ΠΎΠ²ΠΈΠΉ ΡΠΊΡΠΏΠ»ΡΠ°ΡΠ°ΡΠΈΠΈ.
- ΠΠ½Π»Π°ΠΉΠ½-ΠΈΠ½ΡΡΡΡΠΌΠ΅Π½ΡΡ ΡΠΏΡΠΎΡΠ°ΡΡ Π²ΡΠ±ΠΎΡ Π΄Π²ΠΈΠ³Π°ΡΠ΅Π»Π΅ΠΉ ΠΈ ΠΎΠ±Π΅ΡΠΏΠ΅ΡΠΈΠ²Π°ΡΡ Π±ΡΡΡΡΡΠΉ Π΄ΠΎΡΡΡΠΏ ΠΊ ΡΠ°Π±Π»ΠΈΡΠ°ΠΌ Π΄Π°Π½Π½ΡΡ ΠΈ Π΄ΡΡΠ³ΠΎΠΉ ΠΈΠ½ΡΠΎΡΠΌΠ°ΡΠΈΠΈ.
ΠΠΎΠ΄ΡΠΈΠΏΠ½ΠΈΠΊΠΈ ΡΠ΅ΡΠΈΠΈ 62
ΠΠΈΠ°ΠΏΠ°Π·ΠΎΠ½ ΠΏΡΠΎΠΈΠ·Π²ΠΎΠ΄ΠΈΡΠ΅Π»ΡΠ½ΠΎΡΡΠΈ
| Π‘ΠΏΠ΅ΡΠΈΡΠΈΠΊΠ°ΡΠΈΡ Π΄Π²ΠΈΠ³Π°ΡΠ΅Π»Ρ ABB ΠΎΠ±ΡΠ΅Π³ΠΎ Π½Π°Π·Π½Π°ΡΠ΅Π½ΠΈΡ | |
| Π’ΠΈΠΏΠΎΡΠ°Π·ΠΌΠ΅ΡΡ | 71 — 355 |
| Β Π’ΠΈΠΏ Π΄Π²ΠΈΠ³Π°ΡΠ΅Π»Ρ | M2BAX |
| ΠΡΡ ΠΎΠ΄Π½Π°Ρ ΠΌΠΎΡΠ½ΠΎΡΡΡ | ΠΎΡ 0,18 Π΄ΠΎ 355 ΠΊΠΡ |
| Β ΠΠ°ΠΏΡΡΠΆΠ΅Π½ΠΈΠ΅/ΡΠ°ΡΡΠΎΡΠ° | 230β400 Π, 50/60Β ΠΡ |
| ΠΠ»Π°ΡΡ ΡΡΡΠ΅ΠΊΡΠΈΠ²Π½ΠΎΡΡΠΈ | IE1, IE2, IE3Β Β Β Β Β |
ΠΠ½ΡΡΡΡΠΌΠ΅Π½ΡΡ ΠΈ ΡΡΠ»ΡΠ³ΠΈ
ΠΠ½Π»Π°ΠΉΠ½-ΠΈΠ½ΡΡΡΡΠΌΠ΅Π½Ρ, ΠΊΠΎΡΠΎΡΡΠΉ ΠΏΠΎΠΌΠΎΠΆΠ΅Ρ Π²Π°ΠΌ Π½Π°ΠΉΡΠΈ ΠΎΠΏΡΠΈΠΌΠ°Π»ΡΠ½ΡΠΉ ΡΠ»Π΅ΠΊΡΡΠΎΠ΄Π²ΠΈΠ³Π°ΡΠ΅Π»Ρ Π΄Π»Ρ Π»ΡΠ±ΠΎΠ³ΠΎ MEPS ΠΏΠΎ Π²ΡΠ΅ΠΌΡ ΠΌΠΈΡΡ.
ΠΡΠΎ ΡΠ°ΠΊΠΆΠ΅ ΠΏΠΎΠΌΠΎΠΆΠ΅Ρ Π²Π°ΠΌ ΡΠ°ΡΡΡΠΈΡΠ°ΡΡ ΡΡΠΎΠΈΠΌΠΎΡΡΡ Π²Π»Π°Π΄Π΅Π½ΠΈΡ ΡΠ°Π·Π»ΠΈΡΠ½ΡΠΌΠΈ Π΄Π²ΠΈΠ³Π°ΡΠ΅Π»ΡΠΌΠΈ ΠΈ ΠΏΠΎΠ»ΡΡΠΈΡΡ Π±ΡΡΡΡΡΠΉ Π΄ΠΎΡΡΡΠΏ ΠΊ ΠΌΠ°ΡΠΊΠ΅ΡΠΈΠ½Π³ΠΎΠ²ΠΎΠΉ Π΄ΠΎΠΊΡΠΌΠ΅Π½ΡΠ°ΡΠΈΠΈ ΠΈ ΡΠ΅ΡΡΠ΅ΠΆΠ°ΠΌ, ΠΎΡΡΠ΅ΡΠ°ΠΌ ΠΎΠ± ΠΈΡΠΏΡΡΠ°Π½ΠΈΡΡ
ΠΈ ΡΠ°Π±Π»ΠΈΡΠ°ΠΌ ΡΠ΅Ρ
Π½ΠΈΡΠ΅ΡΠΊΠΈΡ
Π΄Π°Π½Π½ΡΡ
.
Optimizer
ΠΠΌΠ΅ΡΡΠΎ ΡΠΎΠ³ΠΎ, ΡΡΠΎΠ±Ρ Π»ΠΈΡΡΠ°ΡΡ Π±ΡΠΌΠ°ΠΆΠ½ΡΠ΅ ΠΊΠ°ΡΠ°Π»ΠΎΠ³ΠΈ ΠΈΠ»ΠΈ Π±Π°Π·Ρ Π΄Π°Π½Π½ΡΡ ΡΠΏΠ΅ΡΠΈΡΠΈΠΊΠ°ΡΠΈΠΉ, Π½Π°ΠΉΠ΄ΠΈΡΠ΅ Π½ΡΠΆΠ½ΡΠΉ ΠΏΡΠΈΠ²ΠΎΠ΄, ΡΡΡΡΠΎΠΉΡΡΠ²ΠΎ ΠΏΠ»Π°Π²Π½ΠΎΠ³ΠΎ ΠΏΡΡΠΊΠ° ΠΈΠ»ΠΈ Π΄Π²ΠΈΠ³Π°ΡΠ΅Π»Ρ, ΠΎΡΠ²Π΅ΡΠΈΠ² Π½Π° ΡΡΠ΄ ΠΏΡΠΎΡΡΡΡ Π²ΠΎΠΏΡΠΎΡΠΎΠ².
Π‘Π΅Π»Π΅ΠΊΡΠΎΡ ΠΏΡΠΈΠ²ΠΎΠ΄Π° ΠΈ Π΄Π²ΠΈΠ³Π°ΡΠ΅Π»Ρ
ΠΡΡΠΊΠ°Π½ΠΈΡΡΠΉΡΠ΅ QR-ΠΊΠΎΠ΄, ΡΡΠΎΠ±Ρ ΠΏΠΎΠ»ΡΡΠΈΡΡ Π΄ΠΎΡΡΡΠΏ ΠΊ ΠΊΡΡΠ³Π»ΠΎΡΡΡΠΎΡΠ½ΠΎΠΌΡ ΡΠ°ΠΌΠΎΠΎΠ±ΡΠ»ΡΠΆΠΈΠ²Π°Π½ΠΈΡ
ABB Access, ΠΊΠΎΡΠΎΡΡΠΉ ΠΏΠΎΠΌΠΎΠΆΠ΅Ρ Π²Π°ΠΌ Π»Π΅Π³ΠΊΠΎ Π½Π°ΠΉΡΠΈ Π°ΠΊΡΡΠ°Π»ΡΠ½ΡΠ΅ Π΄Π°Π½Π½ΡΠ΅ ΠΎ ΠΏΡΠΎΠ΄ΡΠΊΡΠ°Ρ
Π² ΠΠ½ΡΠ΅ΡΠ½Π΅ΡΠ΅. ΠΠ½ ΡΠ°ΠΊΠΆΠ΅ ΠΎΠ±Π΅ΡΠΏΠ΅ΡΠΈΠ²Π°Π΅Ρ Π»Π΅Π³ΠΊΠΈΠΉ Π΄ΠΎΡΡΡΠΏ ΠΊ Π΄ΠΎΠΊΡΠΌΠ΅Π½ΡΠ°ΡΠΈΠΈ ΠΈ ΡΡΠΊΠΎΠ²ΠΎΠ΄ΡΡΠ²Π°ΠΌ. ΠΡΠ»ΠΈ Ρ Π²Π°Ρ Π²ΠΎΠ·Π½ΠΈΠΊΠ½ΡΡ ΠΏΡΠΎΠ±Π»Π΅ΠΌΡ Ρ Π²Π°ΡΠΈΠΌ ΠΏΡΠΎΠ΄ΡΠΊΡΠΎΠΌ ΠΠΠ, Π²Ρ ΠΌΠΎΠΆΠ΅ΡΠ΅ Π±ΡΡΡΡΠΎ ΠΈ Π»Π΅Π³ΠΊΠΎ ΡΠΎΠΎΠ±ΡΠΈΡΡ ΠΎΠ± ΡΡΠΎΠΌ ΠΎΠ½Π»Π°ΠΉΠ½, ΡΡΠΎΠ±Ρ ΠΏΠΎΠ»ΡΡΠΈΡΡ ΠΏΠΎΠ΄Π΄Π΅ΡΠΆΠΊΡ ΡΠΏΠ΅ΡΠΈΠ°Π»ΠΈΡΡΠΎΠ² ΠΠΠ.
ABB Access 24/7
ΠΠ½ΡΠ΅Π»Π»Π΅ΠΊΡΡΠ°Π»ΡΠ½ΡΠΉ Π΄Π°ΡΡΠΈΠΊ ABB Abilityβ’ ΠΏΡΠ΅Π²ΡΠ°ΡΠ°Π΅Ρ ΡΡΠ°Π΄ΠΈΡΠΈΠΎΠ½Π½ΡΠ΅ Π΄Π²ΠΈΠ³Π°ΡΠ΅Π»ΠΈ Π² ΠΈΠ½ΡΠ΅Π»Π»Π΅ΠΊΡΡΠ°Π»ΡΠ½ΡΠ΅ ΡΡΡΡΠΎΠΉΡΡΠ²Π° Ρ Π±Π΅ΡΠΏΡΠΎΠ²ΠΎΠ΄Π½ΡΠΌ ΠΏΠΎΠ΄ΠΊΠ»ΡΡΠ΅Π½ΠΈΠ΅ΠΌ.
E.)