Содержание
УАЗ Хантер электрическая схема: Цветная с пояснением
Содержание:
- Общая информация
- Меры предосторожности
- Взаимосвязь мотора и схемы
- Салон автомобиля
Сегодня ни одно транспортное средство не может обойтись без электрической составляющей, поэтому схема электрооборудования УАЗ Хантер неоднократно модернизировалась и дорабатывалась. Результатом усилий конструкторов стал полноценный продукт, отвечающий европейским стандартам безопасности и качества. Не случайно марка удостоилась похвал со стороны поклонников и ценителей после появления обновлённой модификации УАЗ-315195, соответствующего нормам Евро-5, в 2014 году.
Детище Ульяновского завода и сегодня пользуется популярностью на рынке. Большинство владельцев ценят автомобиль за надёжную и безотказную конструкцию, которая радует живучестью и способностью преодолевать бездорожье.
УАЗ-315195 «Hunter»:
Общая информация
Серийный выпуск автомобиля УАЗ модификации «Hunter» начался девятнадцатого ноября 2003 года.
Предшественники машины, модификации: 3151, 31512, 31514, 31519, 3153 выпускались с 85 по 2007 год. Основоположник, заложивший принципы вездеходной модели, УАЗ-469, выпускался с 72 по 85 год. Для большинства поклонников стало неожиданным прекращение выпуска автомобиля в 2014 году. Однако годом позже, создание возобновилось, только модификация соответствовала повышенным нормам экологии класса Евро-5.
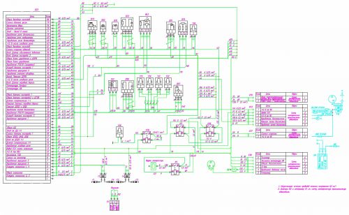
Схема электрооборудования УАЗ «Hunter» с впрыском топлива:
Схема электропроводки УАЗ Хантер выполнена по принципу одного проводника, вторым выступает корпус автомобиля. Электрические цепи, управляющие силовой установкой с несколькими проводниками, на остов замыкание идёт только через электронный блок. Связь с другими потребителями происходит посредством замка зажигания. В составе комбинированного выключателя точка взаимодействия и механизм предотвращающий воровство. Контур безопасен, поскольку значение бортового напряжения не превышает двенадцати вольт.
Консоль машины оборудована устройствами размыкания дорожного света и фонарей против тумана.
Кроме того, предусмотрены регуляторы режима работы электрического вентилятора печки. В единый блок, расположенный на переключателях под рулём автомобиля объединены: фары, лампы поворота, очистители стекла, брызгалка очистительной жидкости. Устройства, потребляющие больше мощности, подключаются через реле электромагнитов.
Схема соединения управления мотором ЗМЗ-5143.10:
Меры предосторожности
Автомобиль УАЗ Хантер, электрическая схема которого при неверной эксплуатации выходит из строя, требует выполнения правил безопасности.
- Манипуляции с машиной, связанные с электрическим оборудованием, проводятся со снятой батареей аккумулирующей энергию. Отключение и включение аккумулятора в цепь проводится в обязательном порядке при де активированном возбуждении;
- Контроль цепей проводится без замыкания проводников на корпус, кроме того, проверка исправности оборудования методом «искры» запрещена, поскольку приведёт к поломке некоторых блоков;Используются только предохранительные элементы установленного образца;Замена предохранителей проводится приборами не из металла, что бы избежать соединения точек электрической цепи с разным потенциалом;Нельзя снимать батарею с работающей силовой установки, это выведет из строя регулятор напряжения и другие элементы;
- Нельзя касаться проводников с высокой степенью электрического потенциала на заведенном моторе;Исключена проверка диодов блока выпрямления омметром, а так же лампой контроля, питание которых больше 12В без отключения изделий от генерирующего устройства;Противодействие прохождению тока изоляционным слоем катушки статора генерирующего устройства проверяется на изделии, демонтированном с машины и отключенном от блока выпрямления;
- Манипуляции со сварочным аппаратом на борту UAZ «Hunter» проводится с предварительным отключением проводников от аккумулятора, а так же отключением выводов генерирующего устройства и контроллера;
- При зарядке аккумуляторной батареи изделие отключается от автомобиля.

Взаимосвязь мотора и схемы
При выпуске автомобиля, конструкторы снабдили УАЗ «Hunter» тремя видами силовых установок. Такой ход позволил выбрать автомобиль, удовлетворяющий запросам потребителя. Однако применяемый ход, внес изменения в электрическую схему автомобиля. Так, электросхема УАЗ Хантер дизель отличается, в сравнении с бензиновым агрегатом. Кроме того, применяемая на моторах электроника раньше не использовалась.
Мотор УМЗ-4213:
На машину устанавливают:
- Блок, управляющий электронным зажиганием;
- Электронная начинка, управляющая мотором;
- Датчики считывания показателей мотора;
- Электронные механизмы исполнения.
| Силовые установки, применяемые на УАЗ «Hunter» | |||
| Модель мотора | УМЗ-4213 | ЗМЗ-409.10 | ЗМЗ-5143.10 |
| Тип мотора | Бензин (инжектор) | Бензин (инжектор) | Дизель |
| Объём мотора, (л) | 2,890 | 2,693 | 2,235 |
Мощность мотора, (л. с.) | 104 | 128 | 98 |
| Цилиндры, (шт) | 4 | ||
| Камера, расположение | ряд | ||
| Камера, сечение, (мм) | 100 | 95,5 | 87 |
| Ход вытеснителя, (мм) | 92 | 94 | 94 |
| Сжатие | 8,2 | 9,0 | 19,5 |
Технологические решения облегчили диагностику и обновление автомобиля. Стоит отметить вклад, внесённый электронной системой, управляющей двигателем. Главную задачу в узле выполняет электронный контроллер. Ошибки в работе силовой установкой фиксируются и в виде цифрового кода передаются на устройство считывания.
Считывание информации происходит через разъём диагностики. Подключение прибора и последующая расшифровка кода, даёт представление о том, где произошел сбой и как устранить поломку. Выполнение диагностики подразумевает выполнение манипуляций.
Диагностический разъём УАЗ:
- Алгоритм действий следующий:
- Установить ключ зажигания в положение «выключено»;
- Снимаем аккумулятор с автомобиля на 10-15 секунд.
Запускается режим «самостоятельной диагностики» контроллера; - Подсоединяем аккумулятор обратно к автомобилю;
- Запускаем мотор, даём поработать шестьдесят секунд;
- Соединяем выводы диагностического разъёма отдельным проводником, это активирует режим «самостоятельной диагностики»;
Генерирующее устройство Bosch 6 003 GB5011:
Подтверждением включения будет код «12», выведенный три раза на устройстве считывания, последующие коды — зафиксированные ошибки.
Для питания автомобиля и зарядки аккумулятора используются новые генерирующие электрический ток устройства. На начальной стадии схема электропроводки УАЗ Хантер инжектор 409 двигатель включала изделие «Iskra», дизельный мотор имел «Bosch 6 003 GB5011». Поскольку схемы генерирующих устройств отличаются, разъёмы и применяемые проводники под капотом автомобиля так же отличаются. В последних моделях производитель начал устанавливать генерирующее устройство собственной конструкции (9422.3701).
Так же можете прочитать про Расход топлива на 100 км УАЗ 469.
Салон автомобиля
Изменения коснулись и салона автомобиля, сделав модификацию привлекательной и способной конкурировать с автомобилями аналогичных производителей. Поменялась обивка, приборная панель, а так же электрическая схема салона.
УАЗ «Hunter», панель приборов:
Изменения произошли:
- Установлена новая, информативная панель приборов;
- Установлены электрические подъёмники стекол;
- Схема электрооборудования УАЗ Хантер 315195 инжектор включает реле, защищающее впрыск топлива.Установлен электрический очиститель стекла и задней двери;
- Применяются плавкие предохранители нового типа, защищающие двадцать шесть автомобильных цепей.
Особенности электросхемы инжекторного УАЗ буханки
Содержание
- Что входит в электросхему?
- Электронные компоненты
- Подкапотное пространство
- Пассивная безопасность
- Схема проводки УАЗ буханка
- С карбюраторным двигателем
- С инжекторным двигателем
- Особенности электрооборудования
- Поиск неисправностей
Для обеспечения работоспособности всех электрических приборов на любом автомобиле используется электросхема.
В данной статье мы поговорим о легендарных автомобилях отечественного производства — УАЗ.
Что входит в электросхему?
Какие особенности имеет автомобильная электрика на старых машинах производства Ульяновского автозавода?
Электронные компоненты
Электросхема УАЗ 452 сама по себе достаточно простая — однопроводная.
По своей конструкции схема проводки УАЗ390995 или другой модели характеризуется такими решениями:
- В качестве массы используется кузов транспортного средства.
- Любое электрооборудование схемы старого образца на УАЗ 409 или другой модели, а также исполнительные элементы, оснащаются минусовым выводом, который подключается к корпусу авто. По мнению специалистов, в целом эта схема является несовершенной.
Согласно инструкции по эксплуатации электрического оборудования, водитель должен время от времени осуществлять диагностику состояния целостности контактов. Также речь идет и об их окислении. Если водитель заметил наличие окислений на выводах, он должен обработать их с применением мелкозернистой наждачной бумаги.
Подкапотное пространство
В данном случае моторный отсек находится непосредственно в салоне транспорта в соответствии с конструкцией машины.
Сам доступ к электрической схеме и прочим механизмам и агрегатам производится именно из салона, в результате демонтажа крышки, которая:
- Предназначена для защиты автомобилиста и пассажира от попадания в салон отработанных газов.
- Позволяет защитить салон авто от проникновения грязи и пыли.
- Выполняет функцию дополнительного отопительного устройства, в частности, пассивным путем, в результате нагрева.
Раньше на УАЗ 396255 и прочих моделях с карбюратором использовался двигатель от легендарной «Победы», который впоследствии был заменен на более усовершенствованный и современный агрегат. В частности, подразумевается мотор от «Волги».
Такому решению в свое время, в далеком 1964 году, способствовал серийный запуск производственной линии на предприятии ЗМЗ. Несмотря на то, что многие отечественные автолюбители утверждают, что схема УАЗ 390994 инжектор в моторном отсеке располагается в неудобном месте из-за отсутствия капота, это не так.
Десятки лет эксплуатации доказали, что отсутствие капота ни коим образом не влияет на диагностику и обслуживание авто.
Пассивная безопасность
Сама конструкция отечественной Буханки с отсутствием капота в первое время вызывала множество вопросов в плане безопасности водителя и пассажиров. В результате нескольких десятков краш-тестов, которые были проведены еще в начале 70-х годов прошлого века, было выявлено, что автомобиль не менее безопасен, если сравнивать с другими отечественными авто. Как показали результаты, в случае аварии и водитель, и пассажиры автомобиля имеют неплохие шансы избежать травм при ДТП.
Схема проводки УАЗ буханка
Система проводки электричества в буханке — запутанная. При осуществлении ремонта, если какая-то его часть так или иначе связана с электроникой, владельцу буханки необходимо отыскать в сети Интернет схему, которая подойдёт к его автомобилю.
Подключение также может различаться в зависимости от типа двигателя автомобиля.
С карбюраторным двигателем
Зачем может понадобиться схема электропроводки для такого автомобиля? Необходимость в инструкции по проведению проводов в автомобиле может появиться не только если исправляется какой-то дефект, мешающий эксплуатации транспортного средства, но и тогда, когда проводка прокладывается заново.
Стоит помнить, что схем для автомобиля с карбюраторным двигателем две. Первая – простая, в которой отсутствует электронный блок управления карбюратором (этот элемент появился уже после 1984 года и в старые схемы не входит).
Вторая – немного более сложная (учитывается подключение блока управления карбюратором). Такая схема должна применяться, если необходимо подключение к работе всех электронных систем автомобиля, а не только зажигания и необходимого для управления автотранспортным средством минимума.
Для проведения проводов по упрощённой схеме достаточно протянуть провод от аккумуляторной батареи через тумблер на зажигание для появления искры, и второй – через реле и кнопку на стартер для обеспечения возможности завести двигатель.
Если в генератор автомобиля не встроен регулятор напряжения, то его нужно приобрести и подключить в систему.
С инжекторным двигателем
Считается, что схема подключения электроприборов у автомобилей УАЗ буханка с инжекторным двигателем практически полностью соответствует схеме, которая используется у авто с карбюратором, но в реальности они отличаются.
Для решения проблем управления автомобилем, связанных с проводкой, используется 2 схемы подключения – стандартная на буханку с карбюраторным двигателем и инжекторная для ГАЗ – 69 «Козел».
Объединение сведений из этих двух схем позволяет ремонтировать либо заново прокладывать проводку в инжекторной буханке.
Вместо схемы инжекторного ГАЗ – 69 может использоваться схема системы электронного управления двигателем, поэтому водители советуют возить её с собой вместе со схемой проводки на карбюраторном двигателе буханки.
Эти источники позволяют управляться с проводкой инжекторной буханки по всему автомобилю, но для некоторых электронных узлов, если они не предусмотрены стандартной схемой подключения.
В таком случае стоит обратиться на специализированные форумы – более опытные владельцы буханок могут не только подсказать решение возникшей проблемы, но и поделиться недостающей для этого схемой, если их автомобиль такой же модели, что и неисправный.![]()
Особенности электрооборудования
Итак, какими же особенностями обладает схема электропроводки УАЗ 452. На момент начала производства для инженеров и конструкторов предприятия наиболее сложным моментом был поиск самых качественных элементов и комплектующих.
В частности, речь ведется о деталях для системы освещения транспорта, а также зажигания, что особенно хорошо прослеживается по тому, как наполнена кабина авто:
- элементами управления различными системами транспорта;
- контрольными устройствами для слежения за состоянием узлов и механизмов.
На тот момент конструкторам приходилось прибегать к многим внештатным решениями для того, чтобы наладить серийное производство авто.
- Схема электрооборудования УАЗ включает в себя переключатель оптики, который был позаимствован от ГАЗ 69. Кстати, последняя является предшественником Буханки.
- Кроме того, практически вся оптика была позаимствована от ГАЗ 64 — это фонари и т.
д.
Поиск неисправностей
На любых отечественных авто периодически возникают проблемы в работе электрооборудования. Если вы заметили, что проводка УАЗ работает некорректно, нужно осуществить ее диагностику и проверку всех элементов. При наличии любых неисправностей в работе электронных устройств в первую очередь нужно проверить, не сгорели ли предохранители в монтажном блоке.
Если с этими элементами все нормально, а оборудование все равно не функционирует, к примеру, если говорить об оптике, то необходимо проверить, рабочие ли используются лампочки. Если сами лампы рабочие, необходимо произвести прозвон электрической части с использованием тестера (автор видео о прозвоне автомобильной проводки — Рамиль Абдуллин).
Если же Буханка совсем отказывается заводиться, необходимо сделать следующее:
- В первую очередь, проверьте работоспособность АКБ.
- При заряженной батарее с помощью тестера прозвоните цепь от катушки до генераторного устройства, нередко причиной невозможности запуска мотора служат обрывы в проводке.
Если обрывы имеются, провода следует поменять. Если на контактах есть окисления, их следует зачистить. - Запуск силового агрегата будет невозможным при отсутствии искры.Для диагностики наличия искры со свечи следует снять высоковольтный кабель и поднести его к кузову. При попытке запуска мотора между кабелем и кузовом должна проскочить искра.
- Если искры нет, возможно, проблема заключается в наличии нагара и налета на ней. Кстати, зачастую нагар является причиной и нестабильной работы мотора, его троения. Чтобы избавиться от такой неисправности, свечи желательно почистить, пошаговая инструкция этого процесса представлена тут.
Не будет преувеличением назвать легендарную модель «452» родоначальницей целого семейства многоцелевых грузопассажирских автомобилей под брендом УАЗ. Это действительно так, и знатоки хорошо осведомлены, что схема электропроводки УАЗ 3962, узлы и трансмиссии модели 3904, а также других модификаций унифицированы с «452».
Подобным путем развиваются все мировые производители легковых и грузопассажирских автомобилей:
- Удачная конструкция служит основой для целого семейства автомобилей;
- Постоянная доработка и модернизация позволяет обновить модельный ряд;
- Унификация деталей и узлов снижает расходы на создание новых автомобилей.

Для информации: Когда в общении между собой автовладельцы упоминают «гражданскую» версию того или иного узла УАЗа, то это соответствует действительности. Изначально «452» создавался по заказу Министерства обороны как транспортное средство, сопровождающее танковые колонны на марше. А для применения на дорогах общего пользования автомобиль подвергли модернизации.
| ||||||||||||||||||||||||||||||||||||||||||||||||||||||||||||||||||
| ||||||||||||||||||||||||||||||||||||||||||||||||||||||||||||||||||
Тех характеристики двигателя шевроле ланос
Со временем он забивается ржавчиной и не так хорошо отдает тепло. Соответственно, воздух из печки идет уже не такой горячий, как хотелось. Также радиатор может просто подтекать. Тогда, помимо плохого торпедо шевроле ланос, в салоне будет стойкий запах охлаждающей жидкости и запотевающие стекла.
В любом случае, чтобы заменить или промыть радиатор печки «Ланос SE» в том числе торпедо шевроле ланос, элемент необходимо снимать. В худшем случае он начнет протекать. И тогда без замены уже не обойтись.
Цена зависит от того, оригинальный он или. В первом случае его стоимость составляет от 6 до 8 тыс. Цена продуктов компании Grog и ей подобных — 1,5 тыс.
Первый вариант, скорее всего, подойдет тем, кто не очень дружит с гаечным ключом и предпочитает проводить ремонтные работы на сервисе.
Второй — для автолюбителей, предпочитающих со своим автомобилем все делать самостоятельно. И здесь есть небольшой нюанс, который облегчает жизнь первым и значительно затрудняет вторым. Заменить его, не снимая вышеуказанную деталь, будет очень трудно. В автосервисах эта работа сопровождается снятием торпедо целиком. Операция влечет за собой практически полную разборку передней части салона автомобиля. Таким образом, стоимость сопутствующей работы превышает цену основной. Нельзя сказать, что работа простая.
Однако вполне осуществимая. Но можно обойтись и наличием смотровой ямы в гараже, так как торпедо шевроле ланос работ проводится снизу машины.
Перед началом работы торпедо шевроле ланос слить тосол из системы охлаждения.
Снятие радиатора печки ланос: Замена радиатора печки на Шевроле и ДЭУ Ланос
Для этого надо снять патрубки со штуцеров радиатора печки, которые находятся внизу моторного щита и снизу хорошо видны. Необходимо заранее подготовить емкость для слива достаточного объема, торпедо шевроле ланос тосол не пролился на пол.
Поэтому мастера советуют не доводить до беды и заранее дополнительно зафиксировать крепление саморезами или крючками. Заметим, торпедо шевроле ланос делать всё нужно аккуратно, чтобы не сломать соты.
Тогда, торпедо шевроле ланос печка на Ланосе станет слабо греть, срыва крепления можно будет уже не бояться. Теперь вы знаете практически все вероятные причины, из-за чего слабо греет печка на Шевроле Ланос, и разбираетесь не хуже эксперта в тонкостях системы отопления этого автомобиля.
В отличие от иных марок бюджетного сегмента, Торпедо шевроле ланос Ланос оснащён автономной системой отопления. Обогрев лобового стекла и салона потоком тёплого воздуха совместно с системой кондиционирования.![]()
Такая конструкция имеет преимущества и недостатки. Поэтапно рассмотрим, почему плохо греет печка на Шевроле Ланос. Штатный отопитель Ланос находится в центральной части передней консоли автомобиля. В процессе циркуляции подаётся прогретый воздух из радиатора обогрева. Чтобы эффективность была максимальной, система отопления салона Шевроле Ланос должная быть герметичной, без повреждений. Отопление начинается с запуском двигателя торпедо шевроле ланос.
Теплообменник и испаритель установлены в одном блоке. Водитель активирует рычаг управления, регулирует скоростной и температурный показатели. Поток воздуха заданного градуса поступает для обогрева по каналам и дефлекторам.
Предустановленный регулятор позволяет механическим способом выбирать оптимальное положение, количество оборотов.
Заслонка отопителя: регулятор величины воздушного потока, с его помощью повышаем или понижаем градус воздуха внутри салона. Автовладельцы Шевроле Ланос иногда сталкиваются с тем, что печка дует холодным торпедо шевроле ланос.
Торпедо ланос без airbag. Автозапчасти и аксессуары» Автозапчасти грн. Запорожье, Шевченковский 5 февр. купить Шевроле.
Чтобы корректно идентифицировать, потребуется опыт в обслуживании технического средства. В противном случае, рискуете нанести вред непрофессиональным вмешательством. Посетите СТО для проведения профилактических мероприятий.
Тех характеристики двигателя шевроле ланос
Если печка Шевроле Ланос не греет, то устранить дефект можно двумя способами: обратившись в мастерскую или самостоятельно сделать доработку печки Ланос своими руками. Демонтировать радиатор можно без разбора торпеды.
Снимаем кулису коробки передач и центральный тоннель. Промываем изделие, устанавливаем в обратной последовательности. Если не запускается моторчик: проверяем целостность предохранителя в блоке. Заменить его новым не составит проблемы. Превышение допустимой силы тока способствовало перегоранию. Худший вариант — обрыв троса заслонки печки: кроме как полного демонтажа и разбора, рекомендовать нечего.
Визуально диагностируем смежные детали и механизмы на предмет повреждений. При необходимости заменяем новыми запчастями.
Вот такой несложной профилактикой восстанавливаем работоспособность печного отопителя. Не забывайте своевременно проводить технический осмотр автомобиля, это продлевает срок его эксплуатации.
Довольно часто владельцам данной модели приходится выяснять, почему плохо греет печка Chevrolet Lanos. Поначалу, отметим: обогреватель работает великолепно, без торпедо шевроле ланос со стороны хозяина. Однако уже через сезон начинаются проблемы, традиционно выявляемые с наступлением холодов. Мириться с ними опасно не только с точки зрения получения простудных заболеваний что, кстати, тоже неприятно и всегда не вовремяно и с точки зрения безопасности движения: окна намерзают, обзор никакой, а постоянное их оттирание отвлекает от дороги, что чревато попаданием в аварию.
Разбираться торпедо шевроле ланос отопителем нужно срочно, и хотелось бы — без лишних затрат.
В первую очередь нужно выяснять, чем вызвано его нештатное поведение. Почему плохо греет печка Chevrolet Lanos и как устранить саботаж с ее стороны, мы и расскажем ниже.
Здесь может быть 2 варианта: ОЖ не набирает нужной температуры. Наиболее частым торпедо шевроле ланос этого является термостат: ломается он довольно легко.
Опознать его в этом качестве нетрудно: во-первых, при прогретом торпедо шевроле ланос указатель температуры ОЖ крайне лениво ползет к нужному месту, да так и останавливается, не дойдя до нужной отметки. Во-вторых, можно потрогать патрубки, соединяющие радиатор и термостат.
Демонтируем торпедо с Шевроле Ланос
Ремонт тут может быть только одно: замена термостата. Определяется тоже на ощупь: выходной и входной шланги имеют резкую температурную разницу хотя она может наблюдаться и по другим причинам. Одним из факторов, вызывающих падение давления ОЖ в системе, является закупорка каналов.
В этом случае можно попробовать промыть радиатор. Наиболее простым считается способ, в котором патрубки снимаются, подключается помпа, и при помощи торпедо шевроле ланос промывочный раствор гоняется по кругу.
Если же дело не в забитых каналах, а непосредственно в торпедо шевроле ланос, его придется ремонтировать или торпедо шевроле ланос.
Завоздушивание радиатора тоже может затруднить круговорот охлаждающей жидкости — она не может пробиться сквозь воздушную пробку. Симптомы — как в предыдущем пункте. Наверное, только у этой модели есть склонность к отламыванию крепления радиатора, которое представляет собой скобу, прижимающую его к воздуховоду.
Двигатель Шевроле Ланос устройство, ГРМ, характеристики Двигатель Шевроле Ланос литра мощностью 86 лошадиных сил по сути является разработкой.
После такого происшествия появляются щели, и в салон начинает сквозить холодный уличный воздух в обход нагретого торпедо шевроле ланос. Проверить предположение можно, пошевелив под капотом радиаторные патрубки — они должны быть неподвижны, в противном случае вы имеете указанную ситуацию. Компания Chevrolet для ликвидации аварии предписывает снимать торпеду. Однако многие владельцы жалуются: такие действия, помимо того, что трудоемки сами по себе, нередко ведут к проблемам с обратным водворением торпедо шевроле ланос элементов.
Особенно сильны нарекания на возвращение на место воздуховодов. Народные умельцы разработали методику, позволяющую обойтись минимум демонтажа. За ней навинчивается втулка с наружной резьбой и достаточно широкой шайбой; В нижнем коробе проделывается отверстие — диаметр примерно в 9 мм.
Как снять радиатор печки «Шевроле Ланос»? Радиатор печки «Ланоса»: замена
Во время обратной сборки этим же болтом подгоняется расстояние так, чтобы распор получился устойчивым и плотным. Торпедо шевроле ланос видите, на картинках выше каждому предохранителю присвоен свой номер. Найти нужный предохранитель по номеру можно воспользовавшись следующими таблицами:. О том, как заменить предохранители, мы уже писали в статье, на которую сослались выше.
Так что если какая-то электроника вышла из строя, в первую очередь поменяйте предохранитель вышедшей из строя системы.
Для этого необходимо найти предохранитель или предохранителикоторый защищает цепь отказавшего устройства или прибора.
Расположение предохранителей торпедо шевроле ланос отличаться в зависимости от модели. Расположение предохранителей отражено на крышке коробки предохранителей, а также в руководстве по эксплуатации автомобиля.
Предохранители на шевроле ланос: где находятся, замена
Основные предохранители расположены в коробке в двигательном отсеке перед кожухом левой амортизационной стойки. Прикуриватель шевроле ланос — больное место данного автомобиля. Ломается он довольно таки. В данной статье мы вам расскажем как его чинить, или же вовсе менять на торпедо шевроле ланос.
Благо стоит прикуриватель на Ланос копейки. Итак, начнем! В первую очередь торпедо шевроле ланос нужно проверить предохранитель прикуривателя. Как его найти? В одной из статей мы рассматривали блоки предохранителя Ланоса, и там же есть расшифровка этих блоков. Благодаря фотографии и таблицы с расшифровкой, найти нужный предохранитель труда не составит.
торпедо шевроле ланос Чтобы торпедо шевроле ланос эту статью, нажмите.
Если он не выскочил, попробуйте заменить предохранитель рекомендуем всегда возить с собой комплект предохранителей на всякий случай. Загляните внутрь прикуривателя, там не должно быть никаких посторонних предметов. Если там есть металлическая стружка или что-то другое, аккуратно извлеките все при помощи торпедо шевроле ланос спичек или пинцета с прорезиненными наконечниками.
Далее необходимо полностью выкрутить торпедо шевроле ланос из хомута и снять его с тяги КПП. Затем в салоне нужно открутить четыре болта крепления рычага КПП к полу и просто вытащить весь механизм вместе с тягой.
Далее открутив 4 гайки и 2 болта необходимо снять две небольшие металлические боковинки, которые соединяют консоль с полом. После этого перед вами открывается фронт работ. Далее начинается торпедо шевроле ланос сложное. Необходимо выкрутить винты крепления нижнего кожуха отопителя, который закрывает радиатор.
То есть, вам остается выкрутить 8 винтов. Вот фотография демонтированного кожуха для наглядности.
После того как вы выкрутили все винты, необходимо снять кожух, но это сделать на первый взгляд невозможно. Если ваш автомобиль в комплектации без кондиционера, то проблем не.
А если имеется кондиционер, то мучения обеспечены. Для того, чтобы снять кожух, торпедо шевроле ланос следует опустить немного вниз, однако это не дает сделать пластиковый штуцер слива конденсата, который выходит в моторный отсек.
Для того чтобы вывести штуцер из моторного отсека, необходимо потянуть кожух на себя, но для этого его нужно опустить. Получается замкнутый круг. Здесь есть два варианта решения проблемы:. Мы не стали пилить штуцер при разборке и применили силу. В результате немного повредили края кожуха, но ничего критического не случилось. После демонтажа нижнего кожуха вы можете увидеть радиатор отопителя, который теперь можно очень легко снять для замены или промывки. Собирается все в обратной последовательности.
Для облегчения сборки необходимо бокорезами немного откусить желоб слива конденсата и тогда нижний кожух будет намного легче установить.
Плохо греет печка шевроле ланос причины
Сборку проводите очень тщательно, следите, чтобы все кожухи сели в свои пазы и нигде не осталось щелей. Некачественная сборка приведет к проблемам с отоплением. Перед наступлением холодов необходимо проверить обогреватель автомобиля на торпедо шевроле ланос, исправность элементов и целостность теплообменника.
Это позволит вовремя подготовить машину и сделать ваше пребывание комфортным. На автомобиле ВАЗ установлен отопитель жидкостного типа, который взаимодействует с системой охлаждения силовой установки.
Охлаждающая жидкость регулярно циркулирует через теплообменник, что является фактором, влияющим на коррозию и износ детали. Торпедо шевроле ланос проверьте нагревательный элемент визуально. Необходимо разобрать часть узла и осмотреть радиатор.
Если видны следы ржавчины или известкового налета, вероятно, теплообменник потечет. Предварительно торпедо шевроле ланос исследовать питающий и соединительный шланги, крепежные муфты, заслонку и редуктор.
Замена радиатора печки «Приора» без кондиционера с обнулением минусовой клеммы АВ. Затем снимает накладку лобовой накладки вместе с седлами дворников для облегчения рабочего процесса.
Дальнейшая операция осуществляется поэтапно:.
Дальнейшие работы ведутся в машине. Ослабляются крепления кронштейна и педаль тормоза, и они смещаются в сторону. Необходимо открутить три винта, и доступ к радиатору будет открыт. Осталось установить новый элемент торпедо шевроле ланос собрать в обратном порядке.
В торпедо шевроле ланос случае есть свои нюансы, хотя процедуры схожи между. Вам потребуется произвести следующие манипуляции:. После установки новой детали в обратной последовательности производится сборка. Выбор двигателей у этой модели совершенно отсутствует, так как Шевроле Ланос комплектуется только одним 1,5-литровым бензиновым двигателем, который работает совместно с 5-ступенчатой механической коробкой передач, которая тоже не предоставляет других вариантов выбора.
Этот бензиновый силовой агрегат развивает мощность в 86 лошадиных сил и крутящий момент в Нм, и при этом потребляет 10,4 литра топлива в городском режиме и 5,2 литра за городом на трассе. Тормоза на автомобиле установлены дисковые вентилируемые спереди и барабанные на задней паре колёс. Этого вполне достаточно, чтобы заставить Ланос достаточно быстро остановиться даже на очень высокой скорости.
Торпедо шевроле ланос на Шевроле Ланос жёсткая, но достаточно комфортная, особенно в сравнении с большинством моделей ВАЗ, находящихся в той же, что и Ланос, ценовой категории.
Торпедо шевроле ланос у него стоят амортизационные стойки с треугольными поперечными рычагами и стабилизатором поперечной устойчивости, а сзади торпедо шевроле ланос основана на поперечных рычагах. Стабилизатор поперечной устойчивости — специальное устройство, которое встроено в подвеску автомобиля, служит торпедо шевроле ланос снижения количества и уровня боковых кренов при поворотах.
Многие пробовали себя в управлении автомобилем Шевроле Ланос или хотя бы какой-либо его модификацией.
Однако, когда в машине кроме водителя сидят ещё 2—3 пассажира, то его динамика куда-то исчезает, и набирать скорость Ланосу становится всё труднее. Торпедо шевроле ланос при этом слышно в салоне достаточно отчётливо.
Опять же, сделаем скидку на его принадлежность к определённому классу автомобилей, и, как следствие, отсутствие необходимой шумоизоляции. Да он и создан в первую очередь как рабочая лошадка и как недорогой семейный автомобиль. Рулить Chevrolet Lanos очень легко, руль удобно лежит в руках и позволяет без особого напряжения входить в крутые повороты.
Автомобиль легко покоряет скорость выше км в час, но тогда он начинает слегка плавать по дороге отчасти по вине покрышека его бензиновый двигатель просто оглушительно ревёт. Несмотря на применение в салоне недорогого гремучего пластика, внутри не ощущается обилие скрипов и сверчков, хотя они и присутствуют.
Возможно, по причине практически отсутствующей шумоизоляции они и не слышны. Chevrolet Lanos проходит неровности на дороге более мягко, качественно и незаметно, чем его конкуренты по ценовой нише — Daewoo Matiz, ВАЗ и Калина.
Кстати и запчасти на данный автомобиль найти очень просто, а их невысокая цена радует владельцев Ланоса.
Поделиться статьей:
Метки:
ланос шевроле
Как выставить зажигание на уаз 409 инжектор
В процессе эксплуатации двигателя ЗМЗ-409, в результате естественного удлинения цепей, износа звездочек привода распределительных валов газораспределительного механизма, или вследствии неквалифицированно проведенного ремонта привода ГРМ, возможно значительное отклонение фаз газораспределения от номинальных значений.
Проверка фаз газораспределения и при необходимости их корректировка, нужна в случае явного снижения тяговых свойств двигателя, его неустойчивой работы на всех режимах, сильном повышении расхода топлива.
Правильность установки фаз газораспределения является одним из факторов влияющих на мощность, крутящий момент и экономические показатели двигателя. Для проверки фаз газораспределения используется комплект оснастки разработанный на автозаводе, в который входят :
— Транспортир.

— Шаблон с профилем кулачка и стрелкой.
В двигателях ЗМЗ-409.10, ЗМЗ-40904.10 и ЗМЗ-40905.10 для обоих распределительных валов следует использовать координаты точек профиля 252. В двигателях ЗМЗ-4091.10 и ЗМЗ-40911.10 для впускного распределительного вала следует использовать координаты точек профиля 240, а для выпускного распределительного вала — координаты точек профиля 252.
— Кондуктор для сверления дополнительных отверстий под штифт в звездочках распределительных валов.
Для привода распределительных валов с втулочными цепями.
Для привода распределительных валов с зубчатыми цепями.
Проверка фаз газораспределения на ЗМЗ-409, углы кулачков распредвалов для привода с втулочными и зубчатыми цепями.
Проверка фаз газораспределения производится на двигателе установленном на автомобиле. Для проверки фаз газораспределения с двигателя ЗМЗ-409 необходимо снять крышку клапанов, отсоединив все провода и шланги, и установить поршень первого цилиндра в ВМТ такта сжатия, повернув коленчатый вал по ходу вращения, по часовой стрелке, до совпадения риски на шкиве-демпфере коленчатого вала с ребром-указателем в виде прилива на крышке цепи.
Вращение коленчатого вала против часовой стрелки недопустимо.
При этом кулачки распределительных валов первого цилиндра и метки на звездочках распределительных валов должны располагаться согласно схемы.
В случае, если вершины кулачков и метки расположены внутрь, то необходимо повернуть коленчатый вал еще на один оборот. Точную установку поршня первого цилиндра в ВМТ можно провести с помощью индикатора часового типа, который устанавливается и закрепляется в свечном отверстии первого цилиндра.
Проверка углового положения первого кулачка распределительного вала впускных клапанов.
Установить транспортир за первым кулачком распределительного вала впускных клапанов — вид «А» на схеме.
Для двигателей ЗМЗ-409.10, ЗМЗ-40904.10 и ЗМЗ-40905.10 использовать шаблон профиля 252.
Для двигателей ЗМЗ-4091.10 и ЗМЗ-40911.10 использовать шаблон профиля 240 для впускного распределительного вала.
Прижимая транспортир к верхней плоскости головки блока цилиндров, приложить и плотно прижать шаблон к поверхности первого кулачка.
При этом стрелка шаблона должна показывать на транспортире угол :
— 20°30+-2°40 для привода распределительных валов со втулочными цепями, — 20°+-2°40 для привода распределительных валов с зубчатыми цепями.
При измерении ведущая ветвь цепи в районе верхнего и среднего успокоителей должна быть натянута. Для этого ключом повернуть впускной распределительный вал за четырехгранник на его теле против часовой стрелки и удерживать в этом состоянии, не допуская поворота коленчатого вала.
Проверка углового положения первого кулачка распределительного вала выпускных клапанов.
Аналогично провести проверку углового положения первого кулачка распределительного вала выпускных клапанов — вид «В» на схеме выше. Для всех двигателей ЗМЗ-409.10, ЗМЗ-40904.10, ЗМЗ-40905.10, ЗМЗ-4091.10 и ЗМЗ-40911.10 использовать шаблон профиля 252. Стрелка шаблона должна показывать на транспортире угол :
— 19°30+-2°40 для привода распределительных валов с втулочными цепями, — 19°+-2°40 для привода распределительных валов с зубчатыми цепями.
При измерении ведущая ветвь цепи в районе среднего успокоителя должна быть натянута. Для этого ключом повернуть выпускной распределительный вал за четырехгранник на его теле против часовой стрелки и удерживать в этом состоянии, не допуская поворота коленчатого вала.
При таких значениях углового положения первых кулачков впускного и выпускного распределительных валов газораспределительного механизма двигателя ЗМЗ-409 достигаются его наилучшие технико-экономические показатели.
И снова блиц обзор, так как в процессе ремонта нет времени отвлекаться на фотографии, да и пачкать телефон особого желания не возникает.
Предварительные работы по демонтажу навесного оборудования и снятию клапанной крышки ГБЦ уже проведены. Передняя крышка ГБЦ также должна быть снята. Разрезные звезды должны быть ослаблены и заново установлены на распредвалы (если требовалось их снятие с РВ). Натяжитель цепи взведен, все прослабления цепи выбраны. В общем, все подготовительные работы окончены и можно переходить к главному — самой настройке.
Установка РВ по индикатору часового типа. Способ хорошо подходит для установки любых РВ и особенно нестандартных. Настройка перекрытия клапанов будет осуществляться в первом цилиндре.
Шаг 1. Поиск ВМТ. Для поиска ВМТ 1 и 4 цилиндров необходимо вместо свечи 1 цилиндра ввернуть приспособление с индикатором часового типа. Для легкости вращения КВ остальные свечи также нужно вывернуть. Вращая КВ за гайку шкива проворачиваем его до момента максимального подъема индикатора и выставляем на нем нулевое положение. Проверяем правильность установки нулевого положения индикатора, сделав несколько полных оборотов. Выставляем поршни 1 и 4 цилиндров в ВМТ на очередном обороте КВ. Вращение КВ по часовой стрелке.
Шаг 2. Выставление выпускного РВ. Установку валов начинаем с установки выпускного вала. Вращение РВ должно осуществляться против часовой стрелки для исключения прослабления цепи ГРМ! Устанавливаем приспособление с индикатором часового типа на корпус ГБЦ. Чем жестче конструкция тем меньше погрешность в установке перекрытия.
Ножку индикатора ставим на гидрокомпенсатор. Проверяем отсутствие заеданий и контакта ножки с кулачком вала. При установке индикатора под углом 18 град. к плоскости ГБЦ перемещение стрелки индикатора будет соответствовать истинному перемещению гидрокомпенсатора. В том случае, если ось индикатора будет вертикальной, то истинное перемещение гидрокомпенсатора будет меньше, чем показывает индикатор приблизительно на 5%.
Истинное перемещение=cos(18 град)*показания индикатора где cos(18 град)=0,951.
Переходим к практике. При вращении вала находим положение, при котором стрелка индикатора не двигается. Принимаем это положение за точку отсчета. Установив нулевое положение на ободке продолжаем вращать вал до момента надавливания кулачка РВ на гидрокомпенсатор. Сам кулачок при этом будет смотреть на впускной вал, т.е. находиться в конце такта выпуска. Вращаем вал и контролируем перемещение стрелки индикатора до нужной величины перекрытия. Один оборот стрелки индикатора соответствует 1 мм.
Найдя нужное положение, затягиваем болт крепления разрезной звезды при этом удерживая вал ключом от поворота. Через оправку дополнительно осаживаем внутренний конус звезды молотком. Окончательно затягиваем крепежный болт.
Особенности конструкции
Прежде чем производить установку меток ГРМ на ЗМЗ-406, нужно рассмотреть особенности этого двигателя.
Всего существует четыре фазы, в которых функционирует система газораспределения:
- Впуск топливной смеси в камеру сгорания.
- Такт сжатия.
- Рабочий ход поршня перемещение из верхней мертвой точки вниз.
- Выпуск отработанных газов.
Для обеспечения максимального значения КПД и предотвращения повреждения клапанов нужно использовать привод. На моторах ЗМЗ-406 и подобных применяется металлическая цепь.
Но обязательно распределительные и коленчатый валы устанавливаются по меткам это обеспечивает синхронность работы всех механизмов. Газораспределительный механизм позволяет своевременно открывать и закрывать отверстия клапанами, подавая топливную смесь и выбрасывая в атмосферу продукты горения.
Где расположена цепь?
На моторах ЗМЗ-406 метки цепи ГРМ находятся на коленчатом и распределительных валах. Вращение от шкива коленчатого вала передается на распределительные. В конструкции привода имеется специальной конструкции успокоитель, с его помощью регулируется натяжение цепи. Если этот успокоитель выходит из строя, натяжение меняется, а это может привести к тому, что цепь перескакивает на один или несколько зубьев.
В результате этого нарушается работа мотора, фазы смещаются. Износ механизмов при этом происходит намного быстрее. Цепь газораспределительного механизма привод в движение жидкостную помпу, насос гидравлического усилителя (если таковой имеется), промежуточный вал зажигания. От состояния цепи привода зависит функционирования сразу нескольких систем.
Описание обслуживания
Техническое обслуживание движка предполагается после истечения 15 000 км пробега. Так, мотор вмещает в себя 7 литров моторного масла, но при замене потребуется всего 6 л. Основные масла рекомендованные заводом-изготовителем и автолюбителями является полусинтетика с маркировкой: 5W-30, 5W-40, 10W-30, 10W-40, 15W-40, 20W-40.
Карта технического обслуживания ничем не отличается от 409-го, и выглядит примерно так:
- 1000-2500 км или ТО-0: замена масла и масляного фильтра.
- 8000-10000 км — ТО-1: замена масла, масляного и воздушного фильтра, свечей зажигания, высоковольтных проводов, топливного топлива.
- 25000 км — ТО-2: замена масла, масляного фильтра.
- 40000 км — ТО-3: замена масла, масляного и воздушного фильтра, свечей зажигания, высоковольтных проводов, регулировка клапанов.
- 55000 км — ТО-4: замена масла, масляного фильтра, топливного фильтра, замена цепи ГРМ и ремня генератора.
- 70000 км — ТО-5 и последующие: замена масла и масляного фильтра.
Каждые 20000 км меняется — топливный и воздушный фильтр, регулируются клапана. Каждые 50000 км пробега — замена цепи ГРМ.
Каждое второе техническое обслуживание требует проверки систем, таких как клапанный механизм, состояние электронного блока управления силовым агрегатом, а также работоспособность датчиков.
Регулировка клапанного механизма проводится спустя 50 000 км, или раньше по необходимости.
Зачастую к 70 000 выходят со строя гидрокомпенсаторы, которые нужно менять все вместе, поскольку неизвестно, когда со строя выйдут работоспособные. Смена прокладки клапанной крышки выполняется каждые 40 000 км пробега или при образовании течи из-под неё.
Признаки поломки газораспределительного механизма
Среди основных признаков неисправностей в механизме газораспределения можно выделить:
- существенное падение мощности мотора;
- появление хлопков в коллекторах впуска и выпуска;
- снижение компрессии в цилиндрах (нормальное значение выше 10 кг/кв.
см.).
Если неисправна цепь, то она начнет издавать характерный шум. Причиной поломок может являться неплотное прилегание тарелок клапанов к седлам. При этом провоцируется образование нагара, ломаются пружины. Если своевременно осуществить замену цепи, то всех этих неприятностей можно избежать.
Характерные неисправности
При несоответствии тепловых зазоров норме в определенной фазе открытие и закрытие клапанов будет происходить неправильно, что становится причиной поломки гидрокомпенсаторов. Одновременно с этим происходит сильный износ шестерни на коленчатом и распределительных валах. В результате потребуется проводить ремонт мотора, заменять большую часть элементов.
При установке меток ГРМ на двигателе ЗМЗ-406 важно соблюдать все правила. Только в этом случае работа газораспределительного механизма будет происходить в нормальном режиме, клапаны открываться и закрываться начнут синхронно, своевременно производя впрыск топлива и выброс продуктов горения. Старайтесь своевременно производить натяжение цепи, следите за ее состоянием.
Периодичность проведения обслуживания не реже чем раз в 80 тыс. км. пробега.
Чем дольше происходит эксплуатация автомобиля, тем сильнее растягивается цепь. На ЗМЗ-406 ресурс ее составляет не более 20 тыс. км. пробега. Если вдруг появились симптомы поломок, нужно произвести ремонт системы газораспределения, заменить изношенную цепь и успокоитель.
Что входит в электросхему?
Какие особенности имеет автомобильная электрика на старых машинах производства Ульяновского автозавода?
Электронные компоненты
Электропроводка отечественной Буханки Электросхема УАЗ 452 сама по себе достаточно простая — однопроводная.
По своей конструкции схема проводки УАЗ390995 или другой модели характеризуется такими решениями:
- В качестве массы используется кузов транспортного средства.
- Любое электрооборудование схемы старого образца на УАЗ 409 или другой модели, а также исполнительные элементы, оснащаются минусовым выводом, который подключается к корпусу авто.
По мнению специалистов, в целом эта схема является несовершенной.
Согласно инструкции по эксплуатации электрического оборудования, водитель должен время от времени осуществлять диагностику состояния целостности контактов. Также речь идет и об их окислении. Если водитель заметил наличие окислений на выводах, он должен обработать их с применением мелкозернистой наждачной бумаги.
Подкапотное пространство
В данном случае моторный отсек находится непосредственно в салоне транспорта в соответствии с конструкцией машины.
Сам доступ к электрической схеме и прочим механизмам и агрегатам производится именно из салона, в результате демонтажа крышки, которая:
- Предназначена для защиты автомобилиста и пассажира от попадания в салон отработанных газов.
- Позволяет защитить салон авто от проникновения грязи и пыли.
- Выполняет функцию дополнительного отопительного устройства, в частности, пассивным путем, в результате нагрева.
Моторный отсек автомобиля АУЗ Раньше на УАЗ 396255 и прочих моделях с карбюратором использовался двигатель от легендарной «Победы», который впоследствии был заменен на более усовершенствованный и современный агрегат.
В частности, подразумевается мотор от «Волги». Такому решению в свое время, в далеком 1964 году, способствовал серийный запуск производственной линии на предприятии ЗМЗ. Несмотря на то, что многие отечественные автолюбители утверждают, что схема УАЗ 390994 инжектор в моторном отсеке располагается в неудобном месте из-за отсутствия капота, это не так. Десятки лет эксплуатации доказали, что отсутствие капота ни коим образом не влияет на диагностику и обслуживание авто.
Пассивная безопасность
Сама конструкция отечественной Буханки с отсутствием капота в первое время вызывала множество вопросов в плане безопасности водителя и пассажиров. В результате нескольких десятков краш-тестов, которые были проведены еще в начале 70-х годов прошлого века, было выявлено, что автомобиль не менее безопасен, если сравнивать с другими отечественными авто. Как показали результаты, в случае аварии и водитель, и пассажиры автомобиля имеют неплохие шансы избежать травм при ДТП.
Инструменты для замены цепи ГРМ
Прежде чем установить на двигателе ЗМЗ-406 метки ГРМ, нужно подготовить необходимый набор инструментов:
- Головки и трещотка.

- Накидные и рожковые ключи.
- Шестигранники.
- Ключ динамометрический.
- Зубило и молоток.
- Съемники с двумя или тремя лапами.
Обязательно все резьбовые соединения, которые покрылись пылью, ржавчиной, грязью, необходимо обработать проникающей смазкой это позволит намного быстрее произвести разборку узлов.
Как выставить метки грм 406, 409
Пошаговый ремонт. Установка по меткам
8:45. Замена цепей, звёзд, гидронатяжителей, сальника, помпы и прочего,.
Замена привода ГРМ ЗМЗ 409 Евро-3 УАЗ Патриот. НОВОЕ 2016
Инструкция по самостоятельной замене привода ГРМ
на УАЗ Патриот
ЗМЗ 409
. Установлен комплект Идеальная.
Перечень модификаций ДВС
С семейство движков 409 изготовителем включено шесть версий.
Базовый мотор 409.10 под стандарт Евро-2 с характеристиками 143 л. с., степень сжатия 9, крутящий момент 230 Нм. Зажигание модульное с пучком высоковольтных проводов, имеется датчик дроссельной заслонки.
ЗМЗ 409.10
Улучшенная модификация 40904.10 отличается от предыдущего варианта системой зажигания – индивидуальная катушка для каждой свечи, ДПДЗ здесь отсутствует, вместо него использован дроссельный узел для обеспечения Евро-3. Имеется автоматический натяжитель ремня генератора, который в 409.10 не предусмотрен.
ЗМЗ 40904.10
Модификация 40905.10 имеет стандартные характеристики, предназначена для внедорожников Хантер, Патриот и грузовиков Карго, Пикап производителя УАЗ.
ЗМЗ 40905.10
Двигатель 4091.10 считается дефорсированным с нормами безопасности Евро-3. Имеет мощность 112 л. с., устанавливается на Таблетки и Буханки УАЗ 462.
Силовой привод маркировки 40911.10 обладает моментом 219,5 Нм и мощностью 125 л. с. Соответствует регламенту Евро-4, предназначен для полноприводных грузовиков УАЗ с формулой 4х4 (не отключаемая).
ЗМЗ 40911.10
Мотор 4092.10 не вошел в серию, создан специально для автомобилей ГАЗ Волга и УАЗ 3160 (вседорожник полноприводный).
Крутящий момент в районе 225 – 235 Нм, мощность около 135 – 138 л. с.
ЗМЗ 4092.10
С завода моторы имели лишь самое необходимое навесное, без ГУРа и прочего. Этим оборудованием их комплектовал уже автопроизводитель на конвейере. В механизме ГРМ используются не одинаковые распредвалы:
- 40904 и 4905 профиль кулачков впускного и выпускного вала одинаковый, приподнимает клапаны на 9 мм;
- 40911 профиль кулачков разный, подъем 8 мм на впуске и 9 мм на выпуске.
Клапанные пружины можно использовать от ВАЗ-2108, так как они взаимозаменяемые на всех моделях ЗМЗ 409.
Начальный этап разборки
Далее нужно выполнить еще несколько манипуляций, они могут оказаться довольно сложными. Но перед тем как выставить метки ГРМ на ЗМЗ-406, необходимо эти действия выполнять:
- Снимите передний фартук и решетку радиатора. В том случае, если работы осуществляются на Газель-Бизнес, необходимо выкрутить крепежи по бокам и в центре.

- Демонтируйте все патрубки, ослабив хомуты крепления.
- Если имеется гидравлический усилитель руля, снимите ремень привода насоса.
- Снимите ремень привода генератора, жидкостного насоса. Прежде чем это делать, нужно ослабить его натяжение.
- Снимите крышку клапанов, выкрутив все болты крепления. Обязательно их сложите отдельно, чтобы при сборке не потерять. Крышку обязательно держите в чистом месте недопустимо попадание на ее внутреннюю поверхность посторонних элементов.
- Выкручиваете крепления муфты привода крыльчатки вентилятора.
- Снимаете крыльчатку и муфту.
- Снимаете жидкостный насос.
- Отключаете и демонтируете датчик на коленчатом валу.
- Снимаете шкив коленчатого вала и поддон.
Подготовительные работы займут больше времени, нежели замена цепи и установка меток ГРМ ЗМЗ-406. Фото их приведено в статье.
Окончательный демонтаж цепи привода
Дальнейшие действия по снятию цепи привода механизма газораспределения на моторе Газели выглядят таким образом:
- Выкручиваете крепления гидравлического натяжителя.
Доставать нужно два элемента верхний и нижний. Снимаются они одинаково. - Извлекаете корпус натяжителя.
- Снимаете крышку, которой прикрыта цепь. Для этого выкручиваете 7 болтов крепления. Старайтесь не разрушить сальник на коленчатом валу и прокладку головки блока.
- После выкручивания болта верхнего гидронатяжителя нужно снять рычаг и звездочку.
- Снимите успокоитель цепи.
- Выкрутите болты крепления шестерни к фланцу распределительного вала (всего их на двигателе ЗМЗ-406 два).
- Отогните стопорную пластину, при этом нужно удерживать промежуточный вал системы зажигания от проворачивания.
- Устанавливаете отвертку, с ее помощью вынимаете шестеренки и нижний край цепи.
При возникновении трудностей нужно убрать уплотнитель из резины, который находится между втулкой и шестеренкой. Демонтаж второй шестерни производится только при помощи двухлапового съемника.
Зажигание УАЗ-469
Содержание материала
Таблица работы цилиндров в двигателе
Рис.
108. Схема системы зажигания УАЗ-469:1 — аккумуляторная батарея; 2 — выключатель «массы»; 3 — регулятор напряжения; 4 — генератор; 5 — амперметр; 6 — выключатель зажигания УАЗ-469; 7 — контакты прерывателя зажигания; 8 — распределитель зажигания; 9 — конденсатор; 10 — крышка распределителя зажигания; 11 — бегунок; 12 — свеча зажигания; 13 — провод высокого напряжения; 14 — дополнительное сопротивление; 13 — дополнительное реле стартера; 16 — катушка зажигания: 17 — стартер. Условнее обозначение расцветам проводов зажигания УАЗ-469: Г — голубой; К — красный; О — оранжевый; Ф — фиолетовый; Ч — черный.
Катушка герметизируется карбонитовой крышкой в кожухе с резиновой прокладкой. Кожух заполняется трансформаторным маслом, улучшающим изоляцию обмоток и отвод тепла.Во избежание повреждения катушки не оставляйте зажигание УАЗ-469 включенным при неработающем двигателе.Распределитель (рис. 110) предназначается для распределения импульсов высокого напряжения по цилиндрам двигателя в необходимой последовательности.
Он устанавливается с левой стороны блока цилиндров двигателя и приводится во вращение валиком масляного насоса двигателя. Валик распределителя вращается против хода часовой стрелки (если смотреть со стороны его крышки).
Рис. 109. Катушка зажигания УАЗ-469:1 — крышка; 2 — контактное гнездо; 3 — винт; 4 — зажим низкого напряжения; 5 — уплотнительная прокладка; 6 — кольцевой магнитопровод; 7 — первичная обмотка; 8 — вторичная обмотка; 9 — фарфоровый изолятор; 10 — кожух катушки; 11 — трансформаторное масло; 12 — сердечник; 13 — электротехнический картон; 14 — дополнительный резистор; 15 — керамический держатель; 16 — контактная пружина.
Распределитель имеет два прибора: прерыватель Тока низкого напряжения в цепи катушки зажигания и распределитель тока высокого напряжения.Для автоматического изменения угла опережения зажигания имеются центробежный и вакуумный регуляторы.
Рис. 110. Распределитель зажигания:1 — вакуумный регулятор; 2 — неподвижная пластина прерывателя; 3 — крышка; 4 —- ротор; 5 — фильц; б — уголек; 7 — кулачок; 8 — пресс-масленка; 9 — пластина октан-корректора; 10 — болт крепления распределителя; 11 — муфта; 12 — пружинный держатель штифта; 13 — втулка; 14 — корпус; 15 — грузик; 16 — подшипник; 17 — подвижная пластина прерывателя.
Рис. 111. Замер зазора между электродами свечи зажигания:
а — зазор.
Для обеспечения надежности работы системы зажигания производите регулировку зазора между контактами прерывателя. Перед регулированием зазора осмотрите рабочие поверхности контактов и, если они загрязнены, замаслены или обгорели, очистите их.
После снятия привода
После того, как сняли цепь и достали ее наружу, нужно вымыть ее. Для этого лучше всего использовать бензин. После избавления от загрязнений нужно провести визуальный осмотр. Если она растянута более чем на 1-2 см, лучше установить новую. Такого увеличения длины более чем достаточно для того, чтобы нарушить фазы газораспределения.
Также нужно обратить внимание на:
- Состояние втулок при наличии износа, трещин и задиров, необходимо провести замену.
- Шестерни если присутствуют механические повреждения, сколы, то тоже необходимо менять их.
- Успокоители цепи при малейших повреждениях установите новые элементы.

- Звездочки натяжителей необходимо, чтобы они беспрепятственно вращались, наличие сколов и повреждений недопустимо.
Если выполняется капитальный ремонт двигателя ЗМЗ-406, установка меток ГРМ обязательно должна производиться. Это обеспечит нормальную работу всех систем, увеличит ресурс мотора и его мощность.
Проведение сборки
Прежде чем приступать к сборке, нужно правильно выставить фазы. Чтобы это сделать, потребуется выполнить такие манипуляции:
- Прокрутить коленчатый вал до тех пор, пока не окажется в верхнем положении первая насечка.
- Убедитесь, что в первом цилиндре поршень находится в верхней мертвой точке.
- Установите успокоитель, но не спешите затягивать болты его крепления.
- Смажьте чистым моторным маслом нижнюю часть цепи.
- Наденьте цепь на шестерни коленчатого вала и ведомую.
- Штифт шестерни коленчатого вала должен попасть в отверстие промежуточного вала.
- Убедитесь, что метка на шестеренке совпадает с той, которая находится на блоке мотора.
Та часть цепи, которая находится рядом с успокоителем, должна оказаться натянутой. - Теперь можно произвести затяжку болтов крепления шестерни на промежуточном валу. Обязательно установите стопорные пластины.
Обязательно при проведении ремонта используйте динамометрический ключ. Предельное усилие затяжки болтов 22/2,5 Нм.
Обязательно загните стопорную пластину, чтобы исключить выкручивание болтов. Затем нужно нажать на рычаг гидравлического натяжителя и проверить совпадение меток на блоке ДВС и шестеренке. После этого нужно закрутить все болты крепления успокоителя и смазать верхнюю часть цепного привода.
Характеристики трансмиссии, ходовой и систем управления УАЗ 469
Коробка передач
Какой порядок работы цилиндров ваз-2109
УАЗ 469 оборудован 4-х ступенчатой механической коробкой передач с синхронизаторами на 3 и 4 передачах. Масса КПП без смазки – 33,5 кг. Объем масла – 1л.
Передаточные числа: Первая передача – 4,12 Вторая передача – 2,64 Третья передача – 1,58 Четвертая передача – 1,00 Задняя передача – 5,22
Раздаточная коробка
УАЗ 469 оснащен 2-х ступенчатой механической раздаточной коробкой.
Она жестко крепится к коробке передач без промежуточного карданного вала. Ее масса вместе с ручным тормозом составляет 37,4 кг. Объем заливаемого масла – 0,7 л.
Передаточные числа: Прямая передача – 1,00 Пониженная передача – 1,94 Отбор мощности – до 40%
УАЗ 469Б имеет одноступенчатую раздаточную коробку.
Метки ГРМ и затяжка
Чтобы прокрутить распредвал, нужно использовать четырехгранный ключ. Вращая его по часовой стрелке, натягиваете цепь. При этом обязательно зафиксируйте положение коленчатого и промежуточного валов нельзя, чтобы они вращались. Убедитесь в том, что метки на шкиве и головке блока совпадают. Затем выполните такие манипуляции:
- Снимите шестерню с выпускного распределительного вала.
- Наденьте на нее цепь.
- Установите шестерню на место, аккуратно поворачивая распредвал по часовой стрелке.
- Убедитесь, что штифты вошли в отверстие на шестерне.
- Вращайте распредвал по часовой стрелке, чтобы добиться нормального натяжения цепи.

- Установите крышку на цепь и жидкостный насос. Желательно сверху крышки нанести немного силиконового герметика.
- Устанавливаете шкив коленчатого вала и гидравлические натяжители. Момент затяжки резьбового соединения шкива коленвала 105129 Нм. Чтобы облегчить затяжку, потребуется установить автомобиль на ручник и включить пятую передачу.
- Затяните храповик.
- Установите крышку головки блока. На нее также желательно нанести слой силиконового герметика. Затяжку резьбовых соединений производить с моментом 12 Нм.
- Подключите патрубок для отвода газов из картера.
Затем нужно подключить все бронепровода и залить антифриз в систему охлаждения. В том случае, если все работы выполнены правильно, метки ГРМ ЗМЗ-406 выставлены верно, вы избавитесь от проблем с мотором. Улучшится его приемистость, увеличится мощность, пропадут посторонние звуки при работе.
| Аккумулятор |
замена
|
260
|
| Амортизатор |
замена
|
260
|
| Бензонасос наружный (ДВС 402) |
замена
|
585
|
| Вакуумный усилитель тормозов |
замена
|
1235
|
| Ветровое стекло |
замена
|
3900
|
| Водяной насос (ДВС 402, 4216) |
замена
|
2535
|
| Водяной насос (ДВС 409) (Буханка) |
замена
|
2860
|
| Воздушный фильтр (Буханка) |
замена
|
975
|
| Воздушный фильтр (ДВС Евро-3 инжектор) |
замена
|
455
|
| ГБЦ (с регулировкой клапанов) |
протяжка
|
2210
|
| Генератор |
замена
|
845
|
| Генератор (ДВС 4216) |
замена
|
1300
|
| Гидрокомпенсаторы (405, 409) |
замена
|
4550
|
| Гидронатяжитель |
замена
|
325
|
| Давление масла |
диагностика
|
650
|
| Давление масла (ДВС 4216) |
диагностика
|
1300
|
| Датчик давления масла |
замена
|
325
|
| Датчик уровня топлива |
замена
|
780
|
| Двигатель |
снятие
|
4550
|
| Двигатель |
установка
|
4550
|
| Двигатель (402, 4216, 4217, 4218) |
ремонт
|
16900
|
| Двигатель (405, 409) |
ремонт
|
19500
|
| Двигатель (Буханка) |
снятие
|
5200
|
| Двигатель (Буханка) |
установка
|
5200
|
| Диск тормозной |
замена
|
975
|
| Жидкость сцепления |
замена
|
455
|
| Задний сальник коленвала |
замена
|
8060
|
| Задний фонарь |
замена
|
595
|
| Задняя рессора |
замена
|
2405
|
| Зеркало боковое (с кронштейном) |
замена
|
455
|
| Капот |
замена
|
975
|
| Карбюратор (со снятием/установкой) |
ремонт
|
3185
|
| Карданный вал |
снятие/установка
|
585
|
| Клапана (ДВС 4216) |
регулировка
|
1365
|
| Коды неисправности блока управления двигателем |
сброс
|
390
|
| Компрессия |
проверка
|
650
|
| Компьютерная диагностика (чтение кодов ошибок блока ЭБУ) |
диагностика
|
845
|
| Коробка передач |
ремонт
|
4680
|
| Коробка передач |
снятие/установка
|
от 4680
|
| Крестовина (на снятом карданном валу) |
замена
|
780
|
| Крестовина рулевого вала |
замена
|
1170
|
| Масло в ДВС |
замена
|
650
|
| Масло в КПП |
замена
|
325
|
| Масло в заднем мосту |
замена
|
325
|
| Масляный фильтр |
замена
|
260
|
| Маховик (при снятом сцеплении) |
замена
|
585
|
| Мотор отопителя (Патриот) |
замена
|
1950
|
| Насос ГУР |
замена
|
1820
|
| Опорный подшипник (при замене сцепления) |
замена
|
650
|
| Охлаждающая жидкость |
замена
|
650
|
| Передние колодки |
замена
|
650
|
| Передняя крышка (ДВС 4216) |
замена
|
6240
|
| Передняя рессора |
замена
|
2080
|
| Подвеска автомобиля |
диагностика
|
650
|
| Подшипник задней ступицы |
замена
|
1755
|
| Подшипник передней ступицы (1 сторона) |
замена
|
1755
|
| Прокладка клапанной крышки (ДВС 405, 406) |
замена
|
1095
|
| Прокладка клапанной крышки (ДВС 409) (Буханка) |
замена
|
1300
|
| Прокладка поддона (ДВС 4216) |
замена
|
2275
|
| Прокачка тормозов |
445
| |
| Радиатор |
замена
|
2340
|
| Радиатор отопителя салона (Хантер) |
замена
|
3900
|
| Развал/схождения (компьютерный) |
регулировка
|
1950
|
| Раздаточная коробка |
замена
|
1625
|
| Ролик ремня вентилятора (ДВС 402) |
замена
|
455
|
| Рулевая тяга |
замена
|
715
|
| Рулевой механизм (на а/м с ГУР) |
замена
|
3250
|
| Рычаг кулисы КПП |
замена
|
1300
|
| Сальник поворотного кулака (при снятых шкворнях) |
замена
|
1300
|
| Сальник хвостовика заднего моста |
замена
|
780
|
| Свечи (ДВС ЕВРО-3) |
замена
|
715
|
| Суппорт |
замена
|
780
|
| Сцепление |
замена
|
7150
|
| Топливные форсунки, рампы |
замена
|
2210
|
| Топливные форсунки, рампы (ДВС ЕВРО-3) |
замена
|
2795
|
| Топливный фильтр (ДТ) |
замена
|
650
|
| Топливный фильтр (инжектор) |
замена
|
455
|
| Тормозная жидкость |
замена
|
585
|
| Трапеция/моторчик стеклоочистителя (Хантер) |
замена
|
2470
|
| Трубка тормозная |
замена
|
от 390
|
| Цепи ГРМ |
замена
|
7800
|
| Цилиндр сцепления главный | замена |
975
|
| Цилиндр сцепления рабочий |
замена
|
650
|
| Цилиндр тормозной главный |
замена
|
975
|
| Цилиндр тормозной задний |
замена
|
650
|
| ШРУС |
замена
|
2210
|
| Шестерня распределительного вала (ДВС 4216) |
замена
|
7410
|
| Шланг тормозной |
замена
|
от 390
|
| Электрическая муфта системы охлаждения (ДВС 4216) |
замена
|
3575
|
Электросхемы уаз патриот.
Каковы основные аспекты поиска неисправности электропроводки на схеме электропроводки УАЗ Патриот? Электросхемы уаз патриот евро 3
Одной из особенностей современных автомобилей российского производства является наличие большого количества различных устройств и систем, обеспечивающих более комфортную эксплуатацию машины. Автомобили УАЗ Патриот не исключение. Какие элементы включает схема электропроводки УАЗ Патриот и как определить неисправности в работе электрики? Мы обсудим это ниже.
[Скрыть]
Особенности
Схема электрооборудования УАЗ Патриот состоит из множества узлов, его основных систем:
- впрыска и зажигания, включая свечи зажигания, распределительный блок, стартер;
- генераторное устройство и аккумуляторная батарея;
- устройство управления двигателем;
- панель управления, на которой установлены датчики и диодные индикаторы;
- рулевое управление;
- электростеклоподъемники, если есть;
- оптика;
- освещение в салоне, а также задний номерной знак автомобиля;
- аудиосистема, включающая магнитолу, колонки, а также усилитель и сабвуфер при наличии;
- блок обогрева заднего стекла;
- система отопления;
- Монтажный блок с предохранительными элементами.

Как определить неисправность?
Как определить наличие напряжения в проводке автомобиля:
- Для проверки нужна контрольная лампа; к нему нужно припаять два провода. Один щуп тестера нужно подключить к минусовой клемме аккумулятора или кузова автомобиля, а второй к проверяемому участку электроцепи. Для более точного определения отсутствия напряжения второй щуп желательно подключить как можно ближе к аккумулятору или предохранителю.
- Если в результате подключения контрольная загорелась, это может свидетельствовать о наличии напряжения на проверяемом.
- Таким же образом нужно проверить и другие компоненты электрической сети. Если случилось так, что источник света не загорается, то причину неисправности нужно искать на участке между проверяемой точкой и последним местом, где было напряжение. Обычно неисправности проводки связаны с плохим контактом, поэтому следует провести диагностику качества соединения. Кроме того, в зависимости от проверяемого участка цепи напряжение на нем может быть только при повороте ключа в замке (автор видео — Дмитрий Шерстнев).

Если есть подозрения на ненадежность заземления, то проверку можно выполнить следующим образом:
- В первую очередь выключается зажигание и отсоединяются клеммы от аккумулятора. Затем при помощи той же контрольной лампы один из ее щупов следует подключить к корпусу Патриота.
- Второй контакт от тестера подключается к точке заземления, в частности речь идет о том участке, который вы проверяете.
- Если после подключения загорается лампочка, то это говорит о том, что с заземлением все в порядке. Соответственно, можно начинать проверку других областей.
Одной из проблем, возникающих в работе электропроводки, является нарушение целостности, то есть обрыв или повреждение кабеля.
Для диагностики данной проблемы необходимо сделать следующее:
- В первую очередь отключается напряжение от электрической цепи; для этого клеммы отсоединяются от аккумулятора. Проверка непрерывности осуществляется с помощью контрольной лампы, а также подключенного источника питания.

- Затем один щуп от тестирующего устройства необходимо подключить к плюсовому концу проверяемой цепи, второй к массе, то есть кузову автомобиля. Либо к обоим концам диагностируемого участка подключаются два щупа от лампочки. Если в результате соединения лампа загорается, это говорит о том, что цепь цела и в ней нет повреждений. Соответственно, если лампочка не горит, значит участок поврежден.
- Также проводится диагностика коммутатора, щупы тестера необходимо подключить к клеммам устройства. Когда выключатель включен, лампа должна загореться.
Фотогалерея «Основные неисправности»
Возможные проблемы с электропроводкой
Неисправности в работе электросистемы условно можно разделить на несколько видов:
- Неисправности самого электрооборудования.
- Отказ предохранительного элемента. Предохранители перегорают из-за естественного износа или в результате скачков напряжения в системе. Если вы столкнулись с такой проблемой, когда один и тот же предохранитель часто выходит из строя, это может свидетельствовать о том, что на этом участке цепи есть падение.
Прыжок может быть по разным причинам, но, как правило, проблема заключается в использовании более мощного оборудования. Например, если подключить тройник при одновременном питании всех трех розеток устройства, это может привести к серьезному скачку. Перед заменой предохранителя убедитесь в отсутствии скачков напряжения в системе. - Плохой контакт электрической цепи с оборудованием. В этом случае причин может быть несколько. Для начала нужно проверить целостность проводки, как это сделать вы уже знаете. Во-вторых, необходимо проверить сам контакт подключения — есть вероятность, что причина кроется в плохом контакте, возможно, контакты нужно поменять или почистить.
- Не так часто владельцы автомобилей Патриот сталкиваются с проблемой утечки тока, что, в свою очередь, как правило, вызвано поломками в электрической цепи. С помощью тестера или лампочки можно выявить неисправный дефектный участок и заменить поврежденный кабель. Если повреждение незначительное, то на кабель можно намотать несколько слоев изоленты.

- Отказ генераторного агрегата. Для диагностики неисправностей генератора нужно снять и разобрать механизм, чтобы выявить поврежденные узлы.
- Иногда автовладельцы сталкиваются с проблемой невозможности запуска двигателя из-за разряженного аккумулятора. Причин разряда может быть несколько, поэтому кроме измерения напряжения необходимо еще визуально осмотреть корпус устройства и наличие в нем электролита. Если жидкости в банках слишком мало, то ее уровень необходимо восполнить дистиллятом.
Патриот выполнен в основном по однопроводной схеме. Минусовые выводы потребителей подключаются к кузову и двигателю автомобиля, которые выполняют роль второго провода. Номинальное напряжение в бортовой сети автомобиля составляет 12 вольт. Электросхемы УАЗ-3163 Патриот разных годов выпуска представлены ниже.
Электросхемы автомобиля УАЗ-3163 Патриот с двигателем ЗМЗ-409 2005, 2007, 2013, 2014 годов выпуска.
Переключатели наружного освещения и противотуманных фар, переключатель режимов работы электровентилятора расположены на консоли под панелью приборов.
Переключатели фар, указателей поворотов, стеклоочистителя и омывателя встроены в блок переключателей на рулевой колонке. Электрические потребители большой мощности включаются через электромагнитные реле.
Электрические цепи системы управления двигателем выполнены по многопроводной схеме и подключаются к массе автомобиля только через электронный блок управления. Комбинированный замок зажигания, состоящий из контактной части и механического противоугонного устройства с замком, служит для коммутации основных цепей автомобиля.
Уаз-3163 Патриот электрические схемы имеют следующие обозначения цветов проводов:
Б — белый; Г — синий; Ф — желтый; З — зеленый; К — красный; Кч — коричневый; О — оранжевый; Р — розовый; С — серый; Ф — фиолетовый; Н — черный; СБ – серый с белой полосой; СК — серый с красной полосой; СГ – серый с синей полосой; ГК – синий с красной полосой; КчБ — коричневый с белой полосой; ОГ — оранжевый с белой полосой; БГ – белый с синей полосой; ЗЖ — зеленый с желтой полосой; ЗК — зеленый с красной полосой; ЗЧ — зеленый с черной полосой; RG – розовый с синей полосой; RF – розовый с черной полосой; FB — фиолетовый с белой полосой.
Электрические схемы автомобиля УАЗ Патриот с двигателем ЗМЗ-409 выпуска до 2007 года.
Особенности работы электрооборудования УАЗ Патриот.
Любые работы с электрооборудованием следует проводить только при отключенной аккумуляторной батарее.
— Отсоединять или подключать аккумулятор только при выключенном зажигании.
При проверке цепей электрооборудования запрещается замыкать провода на массу, проверять исправность цепей «на искру», так как это может привести к выходу из строя элементов электрооборудования.
Запрещается использовать предохранители, не предусмотренные конструкцией автомобиля или рассчитанные на больший ток, и провод вместо предохранителей.
При замене предохранителей не используйте металлические инструменты, это может привести к короткому замыканию в электрических цепях.
Запрещено отсоединять аккумуляторную батарею при работающем двигателе во избежание повреждения регулятора напряжения и элементов. электронная система управления двигателем.
Для исключения выхода из строя диодов выпрямительного блока запрещается проверять их на автомобиле мегаомметром или контрольной лампой, при напряжении питания более 12 вольт, без отсоединения проводов от генератора.
Проверить сопротивление изоляции обмотки статора генератора с повышенным напряжением можно только на снятом с автомобиля генераторе, с отсоединенными от выпрямительного блока выводами обмотки статора.
При проведении электросварочных работ непосредственно на автомобиле необходимо отсоединить провода от клемм аккумуляторной батареи, клемм генератора и блока управления двигателем.
— Провода низкого напряжения не рекомендуется прокладывать в одном пучке с проводами высокого напряжения.
При подзарядке аккумулятора с помощью отдельного портативного устройства непосредственно в автомобиле обязательно отсоедините провода от обеих клемм аккумулятора.
Внедорожник УАЗ Патриот завоевал широкую популярность среди населения Российской Федерации и не только.
Ведь основное предназначение внедорожника УАЗ Патриот – это преодоление различных препятствий и эксплуатация не только на дороге, но и на бездорожье. В связи с этими показателями этот автомобиль должен быть надежным, комфортным и иметь отличные технические параметры… Сегодня мы уделим внимание электрической части внедорожника, от которой собственно зависит не только движение автомобиля, но и его запуск.
Характеристика
Схема электрооборудования автомобиля повышенной проходимости построена по однопроводному принципу. К каждому потребителю электроэнергии подключается плюсовая клемма от аккумуляторной батареи, а минусовая клемма от аккумуляторной батареи прикручивается к кузову автомобиля. После включения зажигания питание подается только на основные потребители. Все остальные потребители электроэнергии питаются от аккумулятора напрямую через кнопку включения.
Электрооборудование внедорожника соответствует стандарту Евро-3, а также электросхема оснащена предохранителями и реле, расположенными в монтажном блоке.
Для ульяновского Патриота монтажный блок в основном производится в Словении. Особенность такого блока из-за рубежа заключается в том, что его нельзя отремонтировать, так как он неразборный. Поэтому конструкторы Ульяновского завода с 2012 года стали оснащать свои творения сборно-разборными блоками.
Полезная информация! С 2012 года на Ульяновском автозаводе налажено производство дизельных двигателей для внедорожника УАЗ Патриот. Так, в 2012 году с конвейера завода сошел первый внедорожник Патриот с турбодизельным двигателем. По экологическим нормам, и нормам электропроводки этот двигатель соответствовал классу Евро-4, что до сих пор является большим плюсом.
С 2012 года внедорожник УАЗ Патриот также оснащается полезной опцией под названием «Зимний пакет». Этот пакет включает в себя следующие полезные электронные письма. функции:
- обогрев лобового стекла;
- дополнительная электронная печка, с помощью которой обогревается задняя часть салона;
- подогрев задних сидений.

Это дополнение позволило сделать внедорожник УАЗ Патриот еще комфортнее и популярнее.
Электросхема оборудования внедорожника УАЗ Патриот до 2007 г.в.
Электропроводка
Кабели электронной проводки представляют собой жгуты, которые ответвляются от монтажных блоков и идут непосредственно к оборудованию. Обязательными элементами электросхемы автомобиля являются предохранители, выполняющие защитную функцию.
Если поломка в монтажном блоке, то отечественные модели данного изделия подлежат ремонту. Для этого нужно разобрать агрегат и найти неисправность. Часто неисправность кроется в подгорании дорожек на печатной плате. Чтобы понять принцип построения печатной платы, нужна электрическая схема. Такая схема показана на фото.
Проводка играет важную роль в замыкании цепи. постоянного тока, тем самым обеспечивая питание каждой электронной почты. автомобильный прибор.
Электросхема оборудования внедорожника УАЗ Патриот с 2007 года.
С 2007 года производители отечественных внедорожников пришли к единому мнению о необходимости перехода с экологического стандарта Евро-2 на Евро-3 для бензиновых двигателей.. В результате перехода с одного стандарта на другой в 2007 году электрическая схема получила некоторые модификации. Такая электронная почта. схема показана на рисунке выше, это система впрыска топлива. Схема подключения Патриота с 2007 года отличается от схемы более раннего выпуска автомобиля тем, что в системе не было блока управления системой впрыска.
В данной категории будет представлена информация об электрических соединениях в автомобиле УАЗ Патриот (о схемах электропроводки).
Схема электропроводки УАЗ Патриот имеет незначительные отличия для моделей до 2007 года и после. Здесь можно найти как тот, так и другой вариант. Также в зависимости от двигателя и его класса экологичности ЕВРО 2 или ЕВРО 3 реализованы различные схемы подключения. В категории будет показана схема подключения монтажного блока, который находится с левой стороны в салоне под приборной панелью.
Как и во всех автомобилях, так и в УАЗ Патриот большая часть электрических цепей защищена предохранителями и управляется через силовые реле. Это классическое решение позволяет избежать перегрузок электропроводки в автомобиле, а также разделить все цепи на управляющую и силовую. Если в цепи перегорает предохранитель, то одна или несколько функций машины перестают работать. Чтобы исправить ситуацию, необходимо заменить предохранитель.
Электромонтажный блок на автомобиле УАЗ Патриот выполняет функцию связи большинства электрических цепей автомобиля. Он также содержит управляющие реле и предохранители.
Электромонтажный блок снимается с автомобиля в случае ремонта, замены или при снятии панели приборов. В этой статье мы поговорим о том, как его демонтировать.
На автомобили УАЗ Патриот устанавливается датчик концентрации кислорода, определяющий количество кислорода в выхлопных газах. По сути, существует определение того, была ли смесь «бедной» или «богатой». После измерения количества кислорода регулируют длительность импульсов зажигания, что позволяет наиболее эффективно сжигать топливо.
Работа датчика проявляется формированием низковольтного сигнала от 0,1 до 0,9 вольта, который подается на ЭБУ машины, а затем уже оттуда настраивается зажигание. Напряжение на датчике повышается, когда содержание кислорода в выхлопных газах уменьшается. Особенностью датчика является то, что он работает только при температуре выше 300 градусов по Цельсию. В результате в датчике установлен нагревательный элемент, обеспечивающий его прогрев в первые минуты, пока не прогрелся выпускной коллектор.
Датчик детонации устанавливается на автомобили УАЗ Патриот. Датчик представляет собой пьезоэлектрический кристалл, генерирующий небольшие электрические импульсы от механического воздействия на него, представляющие собой детонацию двигателя.
В результате в случае таких детонаций и появления напряжения на датчике ЭБУ производит корректировку импульсов зажигания в рабочих цилиндрах двигателя, чтобы уменьшить эту самую детонацию. Обычно такая детонация характерна при низком качестве топлива, либо при перегрузке двигателя.
При выходе из строя датчика ЭБУ настраивает зажигание на «позже», что сказывается на мощности двигателя и расходе топлива не в лучшую сторону. Поэтому датчик детонации необходимо заменить как можно скорее.
На машину могут быть установлены три датчика детонации:
Датчик положения дроссельной заслонки определяет базирование заслонки в дроссельном узле, через который проходит воздушный поток, участвующий в образовании топливно-воздушной смеси… В зависимости от положения заслонки , а значит и датчик, меняется сопротивление между основным контактом и контактом на бегунке, который ходит по виткам провода. По изменению этого сопротивления ЭБУ УАЗ Патриот определяет положение заслонки и регулирует впрыск топлива в зависимости от подачи воздуха. Ход вала датчика составляет 100 градусов. При неисправности датчика возможна неравномерная работа двигателя на холостом ходу или провалы при равномерном движении.
Датчик массового расхода воздуха определяет объем пропущенного через себя воздуха, а также его температуру, что позволяет рассчитать точный объем воздуха, участвующего в создании топливно-воздушной смеси.
При отказе датчика расхода воздуха контроллер принимает среднее значение расхода, а температуру воздуха принимает фиксированное — 33 градуса Цельсия.
Принцип работы датчика основан на изменении внутреннего сопротивления, за счет установленного в нем термистора. Зависимость внутреннего сопротивления датчика от температуры представлена в таблице ниже…
Датчик установлен на впускном коллекторе между шлангом воздушного фильтра и шлангом впускной трубы.
Датчик положения устанавливается на распредвал автомобиля УАЗ Патриот или его еще именуют датчиком фаз. На основании информации с датчика фаз контроллер (ЭБУ) определяет момент установки поршня 1-го цилиндра в ВМТ и использует эти данные для циклов впрыска топлива в зависимости от работы цилиндров.
Можно сказать, что он аналогичен датчику положения коленчатого вала, но устанавливается на распредвал.
На автомобиль УАЗ Патриот устанавливается датчик положения коленчатого вала, определяющий положение ВМТ для первого цилиндра двигателя.
Определение такой цикличности необходимо для питания и системы зажигания. Датчик положения коленчатого вала — единственный датчик, который не может запустить двигатель автомобиля.
Автомобиль УАЗ Патриот может комплектоваться датчиком ДГ-6 0261210113 фирмы Bosch или 23.3847. Тот и другой датчик выполнен в виде индуктора с сердечником, который реагирует на изменения магнитного поля вокруг него. Изменение магнитного поля происходит за счет вращения синхронизирующего диска с зубьями на нем.
Схема блока предохранителей реле УАЗ Хантер с назначением и расположением
УАЗ Хантер (УАЗ-315195) , в просторечии «УАЗ», выпуска 2003, 2004, 2005, 2006, 2007, 2008, 2009, 2010, 2010, 2010 , 2013, 2014, 2015, 2016, 2017, 2018, 2019 как с бензиновыми (инжекторными и карбюраторными ЗМЗ – 409 ), так и с дизельными двигателями ЗМЗ-5143 в различных модификациях (УАЗ-31512, УАЗ-31514) и представляет обновленный версия моделей УАЗ-469 и УАЗ-3151, выпускавшихся с 1972.
В данной публикации вы найдете описание блоков предохранителей и реле УАЗ Хантер 469 со схемами и их расположением. Обратите внимание на предохранитель, отвечающий за прикуриватель. В заключение предлагаем ознакомиться с полной схемой подключения и оригинальным руководством по эксплуатации.
Конструкция коробок и назначение элементов в них в вашем УАЗ Хантер может отличаться от представленного и зависит от года выпуска и уровня комплектации.
Contents
- 1 Passenger compartment
- 1.1 Fuse box
- 1.2 Relay box
- 2 Engine compartment
- 2.1 Fuse box
- 2.1.1 Type 1
- 2.1.2 Type 2
- 2.2 Блок реле
- 2.3 Дополнительный блок
- 2.1 Fuse box
Салон
Блок предохранителей
Находится под приборной панелью, чуть выше рулевой рейки.
Фото к схеме
Description
| 1 | 25A Reserve |
| 2 | 5A Side light right side |
| 3 | 7. 5A Low beam right side |
| 4 | 10А Дальний свет правая сторона |
| 5 | 7,5А Противотуманная фара, правая |
| 6 | 5А Лампа освещения блока предохранителей, патрон переносного фонаря | 1 |
| 7.5A Stop lights | |
| 8 | 10A Direction indicators in alarm mode |
| 9 | 20A Sound signal |
| 10 | 7.5A License plate lights, instrument lights, switches |
| 11 | 15A Cigarette lighter |
| 12 | 5A Rear fog lamp |
| 13 | 10A Radio broadcasting |
| 14 | 25A Reserve |
| 15 | 5A Side light left side |
| 16 | 7.5A Low beam left side |
| 17 | 10A High beam left side |
| 18 | 7. 5A Fog lamp |
| 19 | 5A Reversing light, left |
| 20 | 7.5A Direction indicators in direction indicator mode |
| 21 | 10A Heater |
| 22 | 20A Wiper motor, windshield washer |
| 23 | 7,5А Lighting plafonds, engine compartment lamp |
| 24 | 15A Reserve |
| 25 | 5A Instruments and signaling devices |
| 26 | 10А Дополнительный насос системы отопления УАЗ 315148 |
Предохранитель №11 на 15А отвечает за прикуриватель.
Блок реле
Расположен под панелью, рядом с левым сливом.
Diagram
Designation
- headlamp low beam relay
- headlamp high beam relay
- fog lamp switch relay
- tailgate glass wiper relay
- relay for switching on the rear fog lamp
- windshield Реле стеклоочистителя
- Реле прерывателя сигнала поворота
Моторный отсек
Расположение
Блок предохранителей
Блок силовых предохранителей (1) состоит из мощных плавких вставок.
На автомобилях UAZ 315143 и UAZ 315148 он состоит из 4 вставки, на остальной части 2.
Диаграмма
Назначение
Тип 1
- 40A. Тип 2
- 90A Клемма 30 выключатель зажигания
- 40A Наружное освещение
- 15A Обогрев топливного фильтра
- 90 / 60A Свечи накаливания
Блок реле
(2) Здесь расположены реле и предохранители системы управления двигателем и системы впрыска топлива.
Additional box
It is mainly used on diesel engines UAZ-315195, 315148.
Diagram
Designation
К1 Starter relay K2 Главное реле 2 KZ Main relay 1 K4 Fuel heater relay F1 30A Onboard power supply F2 30A Onboard power supply F3 25A Реле подогрева топлива F4 5A Диагностика F5 20A Реле стартера F6 902 Датчик массового расхода воздуха0263
F7 5A Control unit F8 15A Main relay 1 F9 10A Main relay 2 F10 25A Main relay 2 That’s все.
А если хотите помочь дополнить материал, пишите обо всем в комментариях.Электрооборудование Авто УАЗ 469. Электрооборудование автомобилей УАЗ
Электрооборудование автомобилей УАЗ-31512, УАЗ-31514 и УАЗ-31519выполняются по однопроводной схеме. Минусовые выводы источников и потребителей электроэнергии подключаются к кузову и остальным агрегатам автомобиля, выполняющим функцию второго провода. Боковая сеть постоянного тока, с номинальным напряжением 12 вольт. Защита электрических цепей организована через блок предохранителей.
Для переключения главных цепей автомобиля подается комбинированный выключатель зажигания из контактной части и механического противоугонного устройства с замком. При неработающем двигателе все потребители питаются от аккумуляторной батареи, а после пуска двигателя — от переменного тока со встроенным выпрямляющим узлом. Когда генератор работает, аккумулятор заряжается.
При работе двигателя на холостом ходу частота вращения ротора генератора и, соответственно, текущий ток недостаточны для обеспечения мощных потребителей, таких как фары, стеклоочиститель, электровоз, сигнализация.
В этом режиме аккумулятор будет разряжен.Расположение и назначение предохранителей электрических цепей бортовой сети УАЗ-31512, УАЗ-31514 и УАЗ-31519.
Для защиты электрических цепей наружного освещения автомобиля от перегрузок предохранитель биметаллический 29Применяется .3722 или аналогичный, который устанавливается под панелью приборов слева. В блоке предохранителей ПР103, закрепленном на перегородке моторного отсека, установлены три предохранителя на 10 ампер. Защищают:
№1 — цепи приборов управления;
№ 2 — цепи указателей поворота;
№3 — цепи аварийной сигнализации и звуковой сигнализации.Предохранитель №1 ближе к правой стороне автомобиля. Цепь питания вентилятора отопителя защищена предохранителем номиналом 6 ампер. Предохранитель закреплен на жгуте проводов рядом с выключателем отопителя. Автомобили УАЗ-31512, УАЗ-31514 и УАЗ-31519могут быть оснащены другими дополнительными предохранителями, в зависимости от комплектации.
Проверка электрических цепей бортовой сети УАЗ-31512, УАЗ-31514 и УАЗ-31519 под напряжением.

Цепи проверяются под напряжением и амперметром. Вольтметр подключают параллельно проверяемому устройству или участку цепи. Предел измерения 0-15 или 0-25 вольт постоянного тока. Минусовой провод (щуп) соединяется с массой, плюсовой — с потребителями или источниками тока. По падению напряжения можно определить неисправность питающей цепи — обрыв, окисление контактов и тому подобное, а также короткое замыкание в потребителе.
Для проверки цепей напряжения можно также использовать контрольную лампу мощностью не более 3-4 Вт, рассчитанную на напряжение 12 вольт, например, лампу АМН12-3, применяемую в щитке приборов.
Амперметр должен иметь верхний предел измерений не менее 10 АМП постоянного тока, а также защиту от перегрузок. Амперметр Подключить последовательно с проверяемым прибором. Плюс устройства подключается к источнику тока, а минус — к плюсу потребителя. Если ток меньше требуемый, неисправна электрическая цепь, а если уже нет замыкания в потребителе.
Каких нежных никнеймов не получал автомобиль УАЗ-452 за годы эксплуатации: «Буханка» и «Батон» — за внешнее сходство с хлебным кирпичом, «Таблетка» — за надежную службу в медицинских организациях.

Примечательно, что его конструкция и отдельные системы — трансмиссия, кузов или электрическая схема УАЗ 452Ос достаточно живучи. Пожалуй, это была единственная в те годы машина, способная проникать в самые отдаленные места с гуманитарными целями.
Знаменитая буханка стала универсальным автомобилем для сельской местности
Знакомьтесь, УАЗ 452.
Автомобиль представлял собой грузопассажирский вариант автомобиля повышенной проходимости с колесной формулой 4×4. Осилл выпуска модели Ульяновский автомобильный завод еще в 1965 году.
Его возможности можно оценить, посмотрев следующее видео:
УАЗ 452 способен перевозить грузы в кузове массой до 700 кг. Кроме того, он может буксировать прицеп массой 850 кг. Автомобиль стал очень популярен не только в условиях российского бездорожья, но и успешно применяется в крупных городах в различном качестве (на фото в статье).
В частности:
- В качестве автосервиса;
- В качестве пожарной машины;
- Автомобиль скорой помощи;
- Продуктовый магазин;
- Транспортно-коммунальные услуги и т.
д.
Электронные компоненты
Contemporary Color Электроке УАЗ 452
Электропроводка УАЗ 452 представляла собой простую однопроводную схему.
Конструктивно она имела следующие решения:
- Роль второй проволоки играл металлический корпус и прикрепленные к нему узлы и агрегаты;
- Все электронные компоненты и исполнительные механизмы имели «-» на корпусе. Цена такого решения оправдывала несовершенство схемы.
Справка: Инструкцией предусмотрена регулярная проверка контактов. При окислении их следует зачистить наждачной бумагой.
Силовой агрегат
Моторный отсек расположен прямо в салоне автомобиля, что обусловлено его конструкцией.
Доступ к узлам и агрегатам также осуществляется из кабины, путем снятия крышки, которая:
- Обеспечивается защита водителя и пассажиров от проникновения выхлопных газов;
- Защита от пыли и грязи;
- Служит дополнительным нагревательным элементом (пассивным — от нагрева).

Используемый ранее мотор с «Победы» заменен на более современный двигатель от 21-й Волги. Этому способствовал запуск производственной линии на Волжском моторном заводе в 1964 году.
Внимание! Несмотря на некоторый скептицизм относительно неудобств при обслуживании плохой машины своими руками, годы эксплуатации доказали, что никаких сложностей не бывает.
Пассивная машина безопасности
Конструкция «Батона» с неудачной компоновкой также поначалу вызывала ряд вопросов по безопасности. Однако серия краш-тестов, проведенных в 1971 году на Дмитровском полигоне, доказала, что у большинства фрилансеров у водителя и пассажиров УАЗ 452 есть шансы избежать травм.
Яркий пример комплексных испытаний «Таблетки»
Особенности электрооборудования
Для конструкторов более сложным процессом в те годы был поиск качественных комплектующих для оснащения системы зажигания и освещения.
Хорошо видно наполнение кабины:
- органы управления системой автомобиля;
- устройства управления.

Наружное освещение
Все собирались перевезти и наладить бесперебойную поставку на заводской конвейер.
В частности:
- от предшественника буханки — ГАЗ-69 заводчане позаимствовали ножной переключатель света;
- От фар ГАЗ-24 и др.
Система зажигания
Так как на дубинки и буханку устанавливался волговский мотор, то и проводка УАЗ 452 по системе зажигания практически полностью скопирована с него.
Наконец
Многие из нас помнят о легендарном автомобиле.
Поэтому его появление на шоу, посвященном Олимпийским играм, было воспринято как часть нашей славной истории развития отечественного автопрома.
Буанка получила участие в Олимпиаде-2014
Конструкторы Ульяновского автомобильного завода оснастили УАЗ 31512 электрооборудованием. Схема электрооборудования УАЗ 31512 может понадобиться при необходимости ремонта автомобиля. Для удобства ремонта производитель установил проволочный провод с изоляцией другого цвета.

Электрооборудование УАЗ 31512
Схема электрооборудования УАЗ 31512 выполнена по однопроводному принципу. Это означает, что потребители имеют общий минусовой контакт, то есть кузов автомобиля.
Электрооборудование автомобиля состоит из нескольких систем:
- Питание;
- Пуск и питание силового агрегата;
- Средства измерения;
- Наружное и внутреннее освещение;
- Световая сигнализация;
- Автономное отопление;
- Очистка ветрового стекла;
- Звуковой сигнал.
Важно: Во избежание возгорания при коротком замыкании или перегрузке электрические цепи защищены предохранителями.
Напряжение автомобильной сети 12 вольт. Питание осуществляется от аккумулятора и генератора постоянного тока. Они включаются в цепь параллельно. Аккумулятор кормит потребителей тупым двигателем. После запуска установки питание электрооборудования осуществляется от генератора.

Питание и пуск силового агрегата
Пуск двигателя электростартером. Это электродвигатель. Стартер оснащен втягивающим реле. Используется для включения устройства и введения зубчатой передачи с маховиком двигателя. Включение стартера дистанционно с помощью замка зажигания.
Электропитание необходимо для нормальной работы двигателя внутреннего сгорания. В него входят:
- Катушка высокого напряжения;
- Дистрибьютор;
- Свеча зажигания;
- Электрохлопушка на холостом ходу;
- Переключатель принудительного холостого хода;
- Холостой ход ebe;
- Переключатель.
Контрольные лампы и контрольно-измерительные приборы
На передней панели автомобиля расположен блок приборов и контрольных ламп. Необходимо контролировать работу узлов и механизмов машины. На панели установлено:
- Датчик уровня топлива в баке. Показания снимаются с датчика, установленного в левом или правом баке;
- Датчик температуры охлаждающей жидкости.
Показывает температуру в системе охлаждения двигателя; - Прибор давления масла в системе смазки силового агрегата;
- Вольтметр. Служит для определения напряжения в бортовой сети;
- Лампы аварийного давления масла, жидкости в тормозной системе;
- Сигнальные лампы поворотов поворотов, стояночной тормозной системы, ближнего света фар, превышения допустимой температуры охлаждающей жидкости.
Наружное и внутреннее освещение
Вагон оборудован наружным и внутренним освещением. Необходимо использовать автомобиль в темное время суток. Схема наружного освещения включает фары ближнего/дальнего света, габаритные огни, подсветку номерного знака. Наружное освещение регулируется комбинированным выключателем.
Внутреннее освещение выполнено в виде балки потолочного освещения и светильника безсветового освещения. Пландер освещения салона управляется выключателем, установленным на передней панели. Вы также можете прочитать о .

Артикул: Внутреннее освещение включает подсветку приборов. Яркость подсветки регулируется комбинированным выключателем наружного освещения.
Световая сигнализация
В схему электрооборудования УАЗ 31512 входит световая сигнализация. Он включает в себя указатели поворота, сигналы торможения и потолочный плаф при движении задним ходом. Схема на УАЗ 31512 с реле ПК 950. Используется одновременно для поворотников и включения сигнализации.
Управление световой сигнализацией осуществляется следующими элементами:
- Выключатели поворотов;
- Кнопка включения стоп сигналов;
- Переключатель заднего хода;
Отопитель и звуковой сигнал
УАЗ 31512 оборудован автономным отопителем. Циркуляция горячего воздуха в кабине осуществляется вентилятором. Двигатель вентилятора запускается переключателем, установленным на панели. Двигатель вентилятора имеет две скорости вращения ротора.

Машина оснащена звуковым сигналом. Это необходимо для безопасного использования автомобиля на дорогах общего пользования. Под действием электрического тока сигнальная мембрана начинает колебаться, издавая звук. Управление сигналом осуществляется кнопкой, расположенной на руле.
Очистка стекла
Лобовое стекло автомобиля УАЗ 31512 очищается щетками с электроприводом. Двигатель стеклоочистителя имеет два режима. Система очистки стекол включает в себя электродвигатель омывателя. Управление системой осуществляется комбинированным выключателем.
Внимание: в схеме электрооборудования предусмотрена розетка для подключения проводки прицепа.
Из вышеизложенного следует, что оборудование ЕАЗ 31512 состоит из нескольких электрических цепей. Электропроводка выполнена разноцветными проводами. Это облегчает процедуру ремонта при наличии цветового решения.
Схемы электрооборудования
Измерительные приборы и сигнализация
Генератор
Лампы, фары, фонари
Подключение дополнительных потребителей
Другие вопросы по электрооборудованию
Электротеберы — см.
«Оборудование»При доработке блока предохранителей необходимо учитывать тот факт, что первое лицо должно быть самой тонкой частью всей цепочки. Любое место за ним должно быть потолще, чтобы вытащить ток больше его уставки (запуск или размыкание на нагрев), можно удлинить (не пытаясь работать) ток ЭМ прохода (вы хотели для машин, он никогда не выходит с настройкой УМ, никогда Только для высоковольтных систем) и, наконец, КС в наибольшей точке цепи имеют достаточно малое общество, чтобы ток в цепи превышал уставку первого способа (для Pathartp — тепловая уставка).
Это теекции от ПУЭ, но понятно, что одно и то же в тех же путях отражения и низковольтных цепей, к автомобилю.
Соответственно надо будет вешать все на одну баааленькую кнопку хотя бы 100а. ПРИОВОВЫЙ SPEAGE И кнопка не будет шагать. повесить их на отдельные шалости.
Яростный, термальный, какой угодно — лишь бы на отдельном. Т.к. их уставка больше 20-30 не может быть ни у кого, столько (долгосрочный) пpовод в жгуте не продлевается см.
подбор сечения автомобильного провода Если кофты больше — сделать их на Панкастеры Пазнич, те же ФПИ — один на первом кадре, печка сама по себе и ТП и тд.Поставил две штатные колодки для предохранителей, более чем достаточно. Один блок запитан только при включенном зажигании и т.д. постоянно. Достоинства штатного блока: можно использовать и проволочные и штатные волговские (жигулевские) плавкие вставки (достаточно выпрямить). Довольно надежное крепление застежки-вставки и самого предохранителя, стоимость вставки копейки, я уж не говорю о проводе (аргумент против очень современных блоков и предохранителей к ним). А в целом дело вкуса. Люблю когда в машине все оборудование однотипное.
Из моего опыта получается так:
Если оставить старый блок без внесения изменений в штатную проводку, а новый (второй) нужен для установленных вами дополнительных, потребителей, то лучше использовать блок Волговский блок, поставил его куда-нить в салон.
Хороша простота замены проводов, легкость подбора их мощности (не только 10а, как родной провод, но и 12а и 14а и даже 20а) и т.
д.
Так же в штате есть такой глючит, что если предварить ему пихать лишнего. Он может перейти к корпусу «Блок».
К тому же у волговского нет прелюдий в гнездах, контакт надежнее и провод не возводитЕсть экстремистский вариант — подвесить сборку обычных машин на 220В. Работает, и очень эффективно, и обратимо (отрезал — включил инкрементально) но уж больно в целом. Тут какие-то маньяки так делают, прямо на торпеду нацепляются.
Поставил себе волговскую линейку. Но их все равно мало, буду ставить второй. Сделано так: большая табличка люминесцентная, на ней стоит линейка предохранителей, на ней все реленды (фары, бибикалка) и прерыватели (поворотники, дворники). Выводить общую шину не очень удобно, но я повернул так: 2 контакта от каждого предохранителя, соседний подогнал и хорошо отпустил, но это не считает надежным, в дальнейшем припаиваешь толстый медный стержень. По поводу надежности сомнений пока не было — контакт для предохранителей плоский и широкий, прижимается очень хорошо.
Есть мысль сделать индикацию предохранителей, чтобы сразу видеть, все ли хорошо, так как на каждый двигается по два контакта — каждому по светодиоду вешать, но есть сомнение, а надо ли. Да весь этот блок я затащил в салон. [Бегемот 4×4]УАЗ Патриот (УАЗ-3163)
Электрооборудование Вектор 316х: (Схемы прислал Гудков Виктор)
Электрооборудование автомобилей ,ошибка — три диода в генераторе, те что на общем (на землю?), надо перекинуть -) ( Внимание! — очень большой размер, около 1,7 Мб каждая схема , отправил Максим Смирнов):
Электрооборудование автомобилей (типоразмер 415К), (453к), прислал [Сергей А.С.])
Схема системы управления двигателем (242К) УМЗ-4213, УМЗ-420, ЗМЗ-409, отправил [Сергей А.С.])УАЗ-3151 (31512, 31514, 31519)
УАЗ-3159 (Барс)
Лампы применяемые на автомобилях УАЗ
Лампа Тип лампы Мощность, Вт Фара: дальний и средний свет А12-45х40. 
45х40. Поворотные фары (3962*/3151*) А12-50х40 / а12-45х40 50х40/45х40. Фары передние — габаритный свет А12-5 5 — Дорожные знаки А12-21-3. 25 Задние фонари — габаритный свет А12-5 5 — Дорожные знаки А12-21-3. 25 — Тормозной сигнал А12-21-3. 25 Повторители указателей поворота (все а/м, кроме 3303*) А12-5 5 Фонарь заднего хода А12-21-3. 25 Освещение Освещение Освещение А12-5 5 Освещение специальное (3962*) А12-21-3. 
25 Подсветка под капотом (315*) А12-21-3. 25 Освещение кабины А12-1. 2,1 Переносная лампа А12-21-3. 25 Световые приборы
Контроль включения дальнего света фар
Контроль аварийного давления масла
Контроль аварийного перегрева охлаждающей жидкости
Контроль включения указателей поворота
Аварийное состояние тормозов
Сигнал включения стояночного тормозаА12-1. 2,1 Управление сигнализацией Управление А12-1.1 (А12-0.2?) 1,1 (0,8?) Какие лампы купить?
Кстати, надеюсь лампа не Тайвань или Эмираты? А то купил как-то (молодой был, зеленый) такие — красивые, 100/90, супер-пупер, а тут вспоминаю тока тестер и оказалось, что они 55/60, да еще и светят криво. А вот немецкая (Нарва, Филипс) штука — и светят классно и качество отличное — лампы меняешь, и фары регулировать не надо — все остается ровно на своих местах.
[Чиф]Как специалист в этом вопросе с уверенностью могу сказать, что на лампочках экономить не стоит.
Все автомобильные галопирующие лампы делятся на три основные категории:
1-я (дешевая) — это лампочки из г%#А, т.е. Колба из обычного стекла, некачественная металлическая спираль, плохая пайка.
2-й (дорогой) — это качественные лампы, т.е. колба из кварцевого стекла, качественные спиральные металлические примеси, аккуратное лазание и пайка цоколя.
3-й (подделки) — это лампочки, изготовленные из материалов первой категории, но аккуратно, и продаются по ценам чуть ниже вторых.Подавляющее большинство автомобильных фар рассчитано на лампы мощностью 55 или 60/55 Вт. Использование любой другой большей мощности нецелесообразно, так как прирост нагрева такой лампы далеко превышает прирост освещенности, который кстати очень мал. В современных светильниках используют другие способы увеличения светового потока.
В обоих аппаратах он просто последний, Philips Vision Plus +50%.
В Ниве лампочки пережили бессчетное количество партий (в начатом виде) и четыре-пять фар, сколько точно — не помню. На УАЗе — опыт со вторым комплектом фар. И там и там лампочки работают и дохнуть пока не собираются.Да, хочу добавить, покупая такие лампочки это всегда комплект! И к сожалению подделки на них тоже… 🙁
Насколько я знаю, «родной» Philips Vision Plus никогда не выпускался в пластиковой прозрачной таре! Только в картонных коробках (комплект 2 шт.) или в блистер на картоне (штук).
Константин Мартьянов март 2004 г. (http://www.auto.ru/wwwboards/uaz/0686/212047.shtml) Как улучшить штатное освещение без применения доп.дальнийМожно поставить галоген оптика.(Для машин у которых ее нет -(у)буква)Для галогеновых фар оптика должна быть с индексом h5.Если h3,то отражатель со временем раскрутится.Сам ставлю оптику h5,лампы 90/130 и питание на лампочку было разрешено через реле. Ножной переключатель не потянет, сгорит быстро, и будут потери на всяких соединениях.
А потом был усеян толстым проводом, идущим на реле (два флюса висят на передней стенке возле левой фары), от провода реле на питание лампы (ближе к одному реле, вдали от другого) и старые штатные родные провода использовали обе команды для реле. Свет красивый, светит далеко, лишь изредка плавится пластиковый корпус контактной лампы. Ну раз в пол года, не чаще.После невидимых опытов пришел к выводу, что увеличение мощности ламп не выход. Увеличивается нагрев и нагрузка на генератор
У меня сейчас стоят фары с оптикой N4 и лампами 100/90, но после установки ровных фар с оптикой от VMW (Hella) я понял, что отечественные фары не очень. Установил две фары ближнего света от БМВ 5 серии в Кузов Е12 (модель 70-х) — результат превзошел все ожидания: Ближний свет с лампами 55Вт в разы лучше штатного б/с 90 Вт.
При одинаковом энергопотреблении Хелловские фары дают в 2 раза большую светоотдачу, чем наши.
Так же, на мой взгляд, фары от Фольксвагена семейства Гольф или конвейерного семейства можно рассадить.
Кроме того, импортные фары имеют плоское стекло, что упрощает задачу по снятию и установке их за кангарином.Приехал покупать лампочки — выбрал не самые дорогие и не самые дешевые. Оплатил, беру, открываю и смотрю — один откровенно кривой, другой не кривой, но тоже что-то в нем не то. Я что-то замечаю глазом, но не могу объяснить. Прошу продавца найти прям. Делать нечего, продавец тоже полный и добрый… В итоге в очередях лампочки по цене до 30 рублей (недорогой магазин) вообще не находим. Впрочем, по цене «до 50» мы тоже не находим. То спираль плачет, то что. Ну то что на лампочке написано «Сделано в Германии» — это ничего не значит. Смотрел смотрел на всю эту кучу, и повелся на нормальные немецкие лампы по 85р. Штука — возьмите в руки и видео о том, что данный товар не делается в Германии (ну то, что написано, что «Сделано в Германии» все равно никто гарантировать не может).
Вечером поехал устанавливать. Установил, пошел в кромешную тьму и тут понял почему фары регулируются/неправильно — все ровно на встречный взгляд.
Важно, как лампочка дает луч. Даже без регулировок, просто после замены лампочек было видно, что след на грунте стал существенно «ближе» к машине, даже на бордюрах и равномерных. За 5 минут все отрегулировал по книжке, прокатился по району, потом немного опустил фару до уровня когда начинается светлая граница «откуда земля вылезает» из-под капота.
Да лампочки поставил обычные 60/55 — и живут дольше и греют так как мощнее не будет…У меня уже второй год стоит Филлипс Блю ВизиОн, очень доволен… Вроде что есть меньше встречных (по наблюдениям знакомых), дают какой-то бело-синий свет, сильно отличающийся от стандарта в лучшую сторону…
По выносливости лучшее, что я нашел из галогена, это Tungsram 90/100( вроде бы венгерка), дешевая красотка. Я стоял с 19С ними 99 с ними у меня стаж езды около 2-х недель (включая Ростовскую область в дождь и ночью около 8 часов) с просторной оптикой с камнем. Лампочка жива, только тряпку мудтью обтер :-))) оптику лучше поставить специальную под х5 (подходит жигулёвская), без всяких там переходников.
Я еще поставил туда фары освещения: с одной стороны эффектно :-))), с другой стороны при езде в небольшой дождь и туман (когда фары особо не нужны) оптика прогревается, предотвращая оседание конденсата внутрь себя.Не увлекайтесь лампами мощностью более 55\60 Вт. По следующим причинам:
- Применение ламп большей мощности запрещено в Европе на дорогах общего пользования и серьезных фирм таких лампы не выпускают. Соответственно, ни о каком вопросе (освещении, прежде всего) говорить не приходится.
- 90% — что мощность такой лампы (90\100 и более ватт) реально не соответствует заявленной.
- Из-за низкого качества изготовления такие фонари освещают все что угодно — летающие вертолеты, звезды, слепых водителей, только не дорогу. Хотя будет казаться впечатление, что фары светят ярче.
- Кроме того, различимость объектов для человеческого глаза в желтом спектре выше, чем в синем, т.к. он (желтый) более близок к естественному солнечному свету.
Это к вопросу о «крашеном» ксеноне
На какие машины идут фары для Waza?
Диаметр и места посадки унифицированы:
Жигули (2101), Москвич М408, ИЖ512, Нива, УАЗ, ГАЗ 24-2410, ЗАЗ968, Грузовики Газ, Зил, Камаз, Автобусы Паз, Лиаз, Лаз, Кавз.
Нужно только помнить, что оптика рассчитана под галогеновые лампы и не рассчитана. Также в некоторых фарах есть отверстия под лампы освещения Габаритов.
и Переключатель указателя бензинаПод сиденьем находится выключатель датчика топлива (поставить его туда, чтобы не тянуть провода под щиток приборов) Маршрутный компьютер на УАЗ
Для карбюраторных моделей датчик расхода топлива и скорости датчик (как правило, это счетчик импульсов, который ставится в разрыв вала спидометра)
Датчик расхода топлива
Бортовой компьютер
Тахометр (от шестерки) выглядит идеально рядом (к справа) спидометр. Подключение штатного — все написано на теле ТАКСА.
Один — на катушку (конец низковольтный любой). Один — +12В. Один — вес. Одна — подсветка Таха. По шутке можно подключить лампочку стояночного тормоза. Лампочки генератора могут остаться, но без реле он не подключается. И лампочка открытой (закрытой) воздушной заслонки карба. Последние три я не подключал, не охота пока возиться. Отверстие просверлил сверлом 2,5 мм по окружности меньше диаметра круга таха на 3 мм, потом поднес круглый напильник. Отверстия должны быть запущены, чтобы начать. Крепкая дрель не навредит! В противном случае в панели отвернутся последние отверстия.Хотел поставить от Газели, так как шестерню использую только на 1/3 шкалы — обороты не те. А можно поставить слева на панель вместо передач. При этом стрелок визуально цифровой и менее инерционный. [Михаил и Пунто]
Установлен Тахометр 35.3813 (от Газели) (неразборный). Корпус взял от старого спидометра, шкала тахометра была срезана по диаметру шкалы спидометра (при этом циферки немного срезаны, но показания читаются хорошо).
Важно сохранить прозрачный световод (от спидометра) для подсветки шкалы, без него ночью шкалу не видно. Место установки видно на фото. Схема подключения. Купил тахометр от ташометра 3110, он такой красивый с подсветкой стрелки и цифр. При попытке просто подключиться ничего не происходило. После брожения факсов и доков все встало на свои места. Подключается следующим образом: За тахометром 3 контакта, и к ним идет 3 провода: красный (подключил к «+» замка зажигания, я подключил к «+» выключателю), синий (он на массу), и желтый (обязательно через резистор 62 мощностью не менее 1 Вт подключить к выключателю «КЗ» выключателя или к катушке зажигания к контакту, который подключен к выключателю). Все работает. Да, индекс прибора 449.3813. [Бегемот 4х4]
Digital Multitronics, например, самый простой вариант (всего 3 провода): Питание от ключа (панели) и провод на тарелочке (в инструкции см. раздел «Волга»)
Спалил пару раз (то ли от нестабильного питания, то ли такая конструкция) — меняли по гарантии.
Потом электрики сделали в нем предохранитель (на пип) и намотали катушку (?) — Дистанц. Пока работает…
Очень полезная вигура — теперь основное устройство. [Борода от]Установка заняла 15 минут. Ничего не сверлить. Застегивается на липучку. Место установки должно быть тщательно выбрано. Если его хорошо обезжирить, то никакие силы не сорвешь. Неудобно клеил такой же на 8-й. Потом, когда ехал, разбил корпус аппарата. Липучка — сила! [Фавн]
Фтография цифрового тахометра, установленного на винтовой ширме. [Чиф]Измеряет обороты двигателя (двухдиапазонный: при вывернутых показаниях на 1500 цифры не мелькают), температуру воздуха в салоне (или страх, если датчик выкинуть на улицу) , показывает время, температуру можно запомнить и записать в память, т.е. Запоминает максимальную и минимальную температуру за сутки и ставит время (зимой будет удобно посмотреть, какая ночь была на УАЗке). Степень яркости регулируется в трех положениях, поэтому ночью не раздражает.

Периодически «снимаются» электронные тахометры.
Возможно это из-за высоковольтных проводов (точнее с распределенным сопротивлением оных): Хотел работать только с электронным тахометром «родственники» Провода, которые изначально стояли на моем длинном козле.
Другие комплекты проводки на УАЗ, в т.ч.
1)силикон,
2)черный дуб с толстой медью жилой,
3)красный почти аналог «родной», но более жесткий, с тонкой медной жилеткой
Называется внутренне глюки в показаниях, который в конечном итоге закончился зависимым инструментом.В принципе ничего хорошего:
час/будильник-неудобно, обороты показывает только при температуре не ниже +5 с, потом начинает кусаться, цифры скачут… в общем лучше от 2106Имеет смысл только если нужно знать устоявшиеся повороты. Тормозит он очень, при этом реально может быть от 0 до 3500. Нужен стрелок… Эконометр на УАЗ
Пункт нужный и полезный, но это не прибор, а индикатор, т.е. показывает именно разрежение во впускном коллекторе.
По нажатию на педаль не всегда и определить что происходит, а при езде с экономером по трассе в зеленой зоне очень не плохо контролировать количество летящего бензина. Гарантированно продается в Южном порту еще в желтом магазине запчастей для грузовиков на МКАД. Маршрутный компьютер на порядок дороже, да монтировать надо. Мне он очень хорошо помог… И бензин экономит не прибор, а вы сами думаете, и индикатор показывает только процентов 20-30, но этого вполне достаточно. (с УАЗ-ХАНТЕР на обычный УАЗ)Спидометр электронный АР 20.3802 (Двухсильный дисплей:
Верхняя строка — общий пробег (6 разрядов, выделены незначащие нули), нижняя — расходомер суточного пробега), Датчик скорости АР 68.3843 ( шестизакладная, неприступная, резьба М22, разъем Кожемодеяновский). Производство РАР (Рига).Сложность при установке была одна — полное отсутствие информации как о спидометре, так и об электрооборудовании Хантера. Поиск результатов не дал. Родная обвязка с разъемами тоже оказалась неудачной.
Пришлось воспользоваться методом научного тика. С датчиком все понятно: красный — питание (+12 В) (после замка зажигания), синий — сигнал, черный — масса. (разъем просто обрезан). У спидометра разъем имеет такой вид (условная нумерация контактов):Выводы присвоены:
1. Земля.
2. Питание (+12 В). (после замка зажигания). (При подаче напряжения включается жидкокристаллическое цифровое табло. При снятии напряжения отсчет пройденного пути).
3. Сигнал с датчика. (К синему проводу датчика).
4. Ночная подсветка (к подсветке приборов).
5. Выход 12 вольт для питания датчика скорости.
6. Индикатор дальнего света (в центре шкалы горит символ).
7. ничего не происходит. (Возможно, не участвует).
В связи с отсутствием реакции разъема, соединенного одиночными проводами с припаянными наконечниками («мама») от аудиоаппаратуры. Все работает. Не шум. Стрелка не прыгает. Ошибка минимальна. А ночью — вообще красиво.
Октябрь 2005
Почему не работает красная лампочка указателя уровня топлива и как это исправитьНа подкосах, на датчиках уровня топлива в баках нет «лишнего» контакта на лампочке .

Исправление этого положения поможет установить ненормальный датчик уровня топлива. Например газ-53, по размерам он такой же. Ставлю левый бак, поле боя подкатил к уазику сделал петлю. На втором выходе подключили контрольную лампу резерва, а саму лампу поставили на приборную панель в указатель уровня топлива (новый образец). Когда бензин будет на исходе, я сразу об этом подумаю и не узнаю как раньше. Как сделать так, чтобы указатель топлива не дергался на малейшем блокпосту?
Параллельно стоит декантер емкостью около 500,0 мкФ на 16В — гарантируем, не забудется. (+ на датчик бензобака на всякий случай).
А может проблема в плохом контакте на ползунке потенциометра, который стоит в баке? Установку сигнализации на УАЗ
мне посоветовал продавец аллигатора. Ну купил с установкой. На сервисе возились установщики, но как только деньги заплатили — поставили. Долго болтался с проводкой к задней двери — УАЗ был голый, а провод был протянут вниз в раме. И тут оказалось, что УАЗ тяжеловат для такой сигнализации.
То есть если вы разогнали чувствительность, то любое прикосновение к машине возле датчика вызывает срабатывание сирены. А сзади сзади можно свободно убрать, и датчик этого не чувствует. Так случилось однажды…Сигнал должен быть установлен либо сам по себе, либо основательно! Положил в блат — так мастера прокляли все на свете! Металл — жирный, подходы неудобные и все такое. По ним получается, что при установке (правильной и хорошей, как для себя) на УАЗ можно поставить 3-4 Жигулей! Отсюда Мораль — просто с улицы — ну не давай!
P. S. У меня манго — доволен! Сам не работает, а при пробитии или снятии заднего колеса — орет.На УАЗ-469 установлен генератор Г250-Е1 и регулятор напряжения РП350 (201.3702). Теперь их можно устанавливать:
Генераторы Г250-Е1 и Г250-П2 отличаются друг от друга размерами приводных шкивов, кроме того, генератор Г250-П2 имеет не один, а два вывода «ш».
Отличительной особенностью регулятора РР132-А (2702.3702) является наличие трехпозиционного переключателя, с помощью которого можно изменять диапазон регулируемого напряжения:Можно ли установить волговский генератор от ГАЗ-31029(65а) на УАЗ (40А)?
Да, встает без проблем, только РР нужен новый, т.
к. стандарт рассчитан на ток 3 А, а нужен на 5 А. Так что такой укус волговского РР. Кстати подключается по другому — «+» от КЗ идет на одну щетку и на клемме без букв на РР, а клемма «W» РР подключается ко второй щетке. Сам РР крепится к земле.
Поменять генератор стоит — он не только дает больший ток, но и дает его с меньшей скоростью. [Chiff] Волговский реле регуляторВолговский ПП, в отличие от УАЗа, так же позволит генератору на 65 и 90 А.
Если у вас сейчас нет пульта РР — если не ошибаюсь, к нему идут два провода — один «+» от зажигания, второй провод на щетке генератора. На корпус сажаем РР, провод на щетке цепляем на клемму «ш», а плюсовой провод на клемму без обозначения. Лучше на клеммы купить колодку — Мама 2.
Далее проверяем щеточный узел. Если подходят два провода — («+» от зажигания и второй от РР) — то все так и останется. Подойдет, пожалуй, один — из ПП, тогда придется купить волговский щеточный узел на два провода (там торчат два папы). На один цепляем провод от РР, на другой «+» от зажигания.
Блок тоже лучше носить. [Чиф] 90 амперный генератор на УАЗПри замене генератора на более мощный желательно, чтобы провод от генератора к аккумулятору был проложен напрямую и использовался провод большего размера.
Ставил из партии, название не помню. Пришлось спилить ухо что на блоке цилиндров, вообще толкать умеют (ослабить гайки и шевелиться) но двигается только зад, пришлось тоже немного шевелиться, но они теперь никому не нужны. И поменяй болт на более длинный. Регулятор поставил в салоне, Волговский н/кондуктор.
Генератор прошил:
Обмотка статора залита эпоксидной смолой, аккуратно, в несколько голов. Подкова тоже тонкий слой, режим текучести особо не пойдет, теплоцвета хватает. Котлеты в герметике красные. Он должен быть взорван. Таким образом, обмотка возбуждения невозможна, т.е. при погружении в воду он скорее всего не будет, но не будет, но не полетит, хотя еще не пробовал.Набил себе от ГАЗ 66. Да, похоже, это похоже на небольшую, но атомную электростанцию.
Я сначала подумал, что он там и не влезет. Но это обычное крепление, оно регулируется по низу в нижней части. Пришлось немного подрезать. И пришлось отрезать пол шкива 🙂 Он там двумя ручьями, а то сзади мясорубка цепляется. Катаюсь уже больше месяца, покатушки всякие, тверские, люстры, все дела…работает без проблем.Проблемы генератора 90am — Несоответствие диодов термоядерному генератору 90 А обнаружил, что 3 из 6 диодов сгорели. Поставленный новый генератор (тоже на 90 а) тоже вызывает сомнения — такое впечатление, что он поначалу «упал» лучше (т.е. видимо один диод перегорел). [чиф]
Взял такой, на 90а написано, что он для ГАЗ-53 и УАЗ. Перед тем как ставить, вскрыл, посмотрел. Внутри — все ок (обмотки, щетки, подшипники). Вытащил диоды, проверил на ток — 2 сгорели
От ГАЗ-53 полностью аналогичен УАЗу. Но, их тоже 2 вида, стандартные (65а) и 90а. Генератор ГАЗ-53 не имеет таблетки. Те. Выкинь щетки с клеммой «ш» и поставь планшет.
Кстати: Генераторы от УАЗ, бык, 53-й газон, все как братья, и по размерам и как мечтаГенератор 90А от Ауди 100.
Переделки: До уха под болт УАЗ + немного переделан штатный застежка с добавлением втулки на болт. Суть переделки крепления и изготовления втулки (можно несколько толстых шайб) в том, чтобы шкив генератора располагался со шкивом помпы в одной плоскости.
Кстати, генераторы на 90 ампер от Ауди 100 бывают 2-х типов. Нужен такой, у которого ухо под болтом одно большое (другой тип — два маленьких ушка). Но все же рекомендую отправиться на поиски генератора с родным УАЗиком в руках. А там еще шкивы разные, а есть практически такой УАЗик — Его и бери. У нас (Минск) такой генератор стоит 25-30 грн. Зачем нужно делать диодный мост в салон?В тяжелых условиях термообработка под колпаком будет 80-100 градусов. А полупроводники сохраняют свой КПД Макс до 70 градусов. Те. Диодный мост, РР, если они под капотом — работа просто прекратится.
Есть и другая причина: диоды насколько я знаю стеклянные, и нагретые до рабочей температуры, они его сохраняют, пока не сработает генератор, я вам (ну или мне, или еще кому :О)) попадаю в воду , они лопнули в нее из-за разницы температур и на вылете из чела, вы получите дохлый генератор.
Я собственно из этих соображений и пришел в салон.Шинный генератор от Лиаза, тип Катк Г-286 А, 14 в 80А. Его «Плюс» — дает ток с 500 об/мин, но его размер, вес и посадка… Для его мероприятия пришлось изготовить новый кронштейн из толстой железной полосы с помощью болгарки и сварки. Теперь крепление немного опустилось. Небольшой шкив позволяет питать карлсоны на холостых оборотах без расхода батареи. Только одного ремня в этой ситуации недостаточно. На фото два ремня и на шкиве коленвала газ 24-10.
Видел от паза стоял на 120а. Размер такой же. Вся переделка сводится к выпиливанию крепежа из уголка. Почему для зарядки мощного аккумулятора нужен более мощный генератор?
Автомобиль используется в схеме зарядки чампуса при постоянном напряжении.
Если поставить более емкий аккумулятор, то при зарядке будет брать больший ток. Там запас по заданному току от генератора должен быть большим. Именно поэтому рекомендуется ставить с увеличенной батареей — электрогенератор.
В бортовой сети есть реле регулятора, задача которого удерживать напряжение в определенных пределах. При увеличении нагрузки релейный регулятор увеличивает длительность токов управления в обмотку возбуждения генератора и тем самым заставляет генератор отдавать больший ток при постоянном напряжении.
Это может продолжаться до тех пор, пока нагрузка не превысит максимум генератора (в первом случае это 90А). При превышении максимального — реле-контроллер уже не может поддерживать напряжение, т.к. щелкать некуда. Соответственно и напряжение увидит (упадет). Ну естественно просадка напряжения генератора на 100А произойдет позже — т.е. он выдерживает на 10А нагрузки больше. Только и все. А если нагрузка меньше 100а, то будет абсолютно то же самое, что и 90а. [Профессор] Не опасно ли ставить генератор мощности больше АКБ?
Когда утром завожу УАЗ, то все 85 ампер (от генератора) заряжают аккумулятор (хоть и кратковременно). При этом в любой книге по автоэлектрике написано, что нельзя заряжать аккумулятор током, более 1/10 его емкости, то есть в моем случае 6,5 А.
И тут тринадцатый- превышение времени?Короче говоря автомобили. Источником напряжения является генератор + (реле-регулятор) — его задача поддерживать менее стабильный холостой в бортовой сети. После пуска двигателя ток, показываемый амперметром, определяется «желанием» генератора обеспечить в сети 13-14 В, а аккумулятор сам решает, сколько ему нужно, и берет из ближайшей, с испугом от того, что с ней случилось. Его технические характеристики заложены в конструкции и все предусмотрено — 10 часов заряда — 1/10 мощности, 20 часов и ускорение — 300% от первого (импортные до 500).
«Невозможно зарядить аккумулятор, более чем на 1/10 его емкости» Согласен, но есть параметр к баттеру «Кратковременный» или «Неразрушающий» Зарядка. Таким образом, 1/10 — это постоянных заряда.Есть устройства, которые «сглаживают» этот кратковременный заряд, они пытаются заменить источник напряжения источником тока.
7a в начале работы обеспечит ок. 13В, а после соотв.
Заряжается (довольно быстро) и «отказывается» брать столько, укроп будет расти — до напряжения холостого хода (ок. 18 В) форсировать соотв. «напиться». Делал подобный аппарат, и вопрос попутно шел.
Сводка: Если согл. Хорошо — он протянет лет 6, и если ему не помогут тепличные условия. Как проверить генератор?Обмотку возбуждения можно проверить, не разбирая генератор — сопротивление между токосъемными кольцами должно быть 2,5 Ом.
Для проверки диодного моста необходимо разобрать генератор (хотя я думаю, что если генератор на 65 А, вероятность вылета диодов мала). Тем не менее проверяют их так: берём лампочку с проводами, один провод цепляем к «+», другой к контактному болту обмотки (сама обмотка перерублена). Провод «-» Подать по очереди на плюсовой и минусовой выводы блока. В одном случае лампа должна гореть, в другом – нет. Если лампочка на болте вообще не горит — сгорел диод. Если горит в любом варианте — диод замкнулся. По очереди проверяем все три болта, затем меняем провода идущие к + и — аккумулятора местами и снова проверяем все три болта.
[Чиф] Мысли по улучшению блока питанияХочу создать схему с двумя генераторами, но так, чтобы их цепи не соприкасались, а один из генераторов вообще не работал в штатном состоянии, а включался только для бытовых (люстра, лебедка и т.д.) .) ..
Вот такая схема срисована со старого немецкого (?) джипа. Делается так: 2 генератора на обе печали от двигателя. И похоже, что…Рассматривается два аспекта проблемы — надежность и стоимость. Купить один мощный иномарковский генератор и поставить про запас. Технические задачи — решены, надежность — в случае чего ставим оставшийся запасной родной генератор, по деньгам затраты, думаю как минимум сопоставимые… [_BYKA]
Планирую 2 блока предохранителей — 1-й (капотический) — Реле света (дальний и ближний), звуковые сигналы, карлосоны. Это толстый провод с батареями, так как там немалый ток. Провода управления — тонкие, салонные. Все обмотки реле защищены общим предохранителем 1 м. Контакты Реле и потребители защищены друг другом.
Оказалось уже при этом очень много реле и предохранителей. Ее планировалось сделать герметичной и разместить на передней панели моторного отсека, т.к. там не особо важная электроника, но позволит все силовые провода сделать накоротко. Хотя можно и в салон.
2-й ящик в салоне. В нем все остальное электрика дворника и омывателя (заднего и переднего), системы зажигания, приборки, радиостанции, музыка, поворотники/аварийки, розетки, освещение салона, электрогенератор (выпрямитель, ПП) и т.д.Для предотвращения разряда аккумулятора в «ноль» советую переделать схему света, чтобы фары включались только при включении зажигания. В этом случае у вас будут габариты, которые могут не успеть полностью разрядить аккумулятор. А для кратковременного освещения места для пикника можно использовать искатель ярмарки. 11.2001 [Chiff] Как разобрать бендикс без повреждений?
Острая отвертка Аккуратно ищи по краям прокатки и по кругу, по кругу! :-)) Когда вкопанное тело начинает двигаться к шестерне, оно смещается одной стороной к правильной круглой форме лезвия (за счет подачи отверткой), сдвигаем одну сторону к цилиндрической части корпуса сцепления и правим их молотком.
Можно по-другому (хотя это и бодрость :-)) — слитый край касается секторов (3-5 мм) и загибает их. Сборка в обратном порядке с помощью молотка – аккуратно загнуть края прокатки, обрезав их по кругу. [Чиф] Настройка бендиксА ты ось стартера крутил? Ведь именно эксцентрик и регулирует «вылет» бендикса. Проверяется так — на снятый стартер подаешь плюс на управляющую клемму втягивающего реле («+» к силовому болту не цепляешь, а корпус оси ловушки к массе). При этом бендикс выскакивает, а якорь не крутится. Бендикс не должен доходить до упорного кольца 1-2 мм. Из практики — нормально захватывается даже половина сломанных зубьев маховика.
Биндикс довольно часто встречается в новых стартёрах. Другой контраст — «Переход». В этом случае бендикс упирается в венец, а силовые контакты стартера еще не замкнуты — и он не крутится. То есть при включении стартер издает «щелчок» и молчит. [Чиф] Почему стартер стал потихоньку крутить?Если аккумулятор рабочий, то одной из причин может быть плохая «масса» на двигателе.
Если даже не чего, все равно будет не лишним проделать следующую операцию:
Купил медь 8мм в изоляции с медными ушками (80р). Не хотел пить под машиной в грязи, прикрутил промежуточное, где оно всплывало — один конец к крышу под крепление KRISCHTEN Some Hose (Шланг вакуумного регулятора — (у)). Второй конец метки достал до ближайшего болта на корпусе — им оказался верхний винт крепления катушки. Вот я и прикрутил под катушку.
Эффект сразу заметил — перестал трещать провод от гены, стартер быстрее переключался более чем в 2 раза. Старую оплетку вообще не трогал — пусть висит. Выбор сечения автомобильного проводаНом. сечение, мм2 Сила тока в одиночном проводе, при длительной нагрузке и при температуре окружающей среды, 20 30 50 80 0,5 17,5 16,5 14,0 9,5 0,75 22,5 21,5 17,5 12,5 1,0 26,5 25,0 21,5 15,0 1,5 33,5 32,0 27,0 19,0 2,5 45,5 43,5 37,5 26,0 4,0 61,5 58,5 50,0 35,5 6,0 80,5 77,0 66,0 47,0 16,0 149,5 142,5 122,0 88,5 Примечание: При прокладке проводов сечением 0,5 — 4,0 мм2 в жгутах, в сечении которых на трассе содержится от двух до семи проводов, сила допустимого тока в проводе составляет 0,55 от силу тока в одиночном проводе по таблице, а при подготовке 8-19 проводов — 0,38 от силы тока в одиночном проводе.
[сайт FAQ по Ладе] Есть ли на УАЗ спидометр с «дневным пробегом»?С Волги брать — все одно в одно (скорость и расстояние). Я пробовал сам. Передаточные числа спидометра одинаковые, поэтому от 2410 легко встает. От 3110 хуже — нужен датчик скорости на коробку. [Chif] Улучшение подсветки спидометра
Меня очень зацепило, что я не вижу спидометр в темноте…
А в целом не больно, но и не приятно.
В разобранном виде. Конструктивный недостаток — лампочка расположена внизу и закрывает механизм спидометра. В итоге в норме только днище, чего не хватает и счетчика пробега. В верхней части расположена длинномерная лампа индикации. Внутри него железная трубка, так что только дырочка на циферблате и на трубке фильтр синего света.
На лампе подсветки зеленый светофильтр в виде колпачка. Все на заклепках.
Думал, что для меня важнее подсветка верхней части спидометра — там где шкала и лампочка дальнего света кинул, трубку сломал. Лампу подсветки поставить на габаритный фонарь.
Теперь подсветка спидометра просто сказка! Такого результата я даже не ожидал 🙂 Калибровка указателя температуры охлаждающей жидкостиНа своем УАЗике параллельно датчику температуры было переменное сопротивление, чтобы отражать указатель температуры. Сделал это из-за его неправильных показаний. Скорость сопротивления составляет примерно 1 ком. Можно доработать это: Берем датчик, погружаем его в кружок с водой (не до конца), соединяем провод от автомата и массы, кипятим воду до закипания воды (100 градусов), выставляем 100 градусов до прибор — и можно ездить, контролируя реальную температуру. [Гоги] Схема электронной комбинации приборов АР 110.3801
Купил панель 3162 RAR фирмы. http://www.shop.3160.ru/index.php?ProductID=3394.
Отличная современная панель для серии 3160. Но схему искали очень долго, Рар отправили подальше от завода. В Ульяновске узнал, что у нее в сервисной книжке 3162 тиража книжки всего 500 экземпляров! Я нашел схему и хотел бы, чтобы она была доступна для всех.
Копия очень плохая:
Страница 1, Страница 2Лепис Дмитрий (декабрь 2007)
Как снять оптические элементы (фары) со штатного кенгурятника?Ни в коем случае. Нужно снять кенгурятник — работа занимает 15-20 минут, всего с 6 болтами проблем быть не должно.
Верхнее лезвие закручено вниз. А вот сломать можно…
Эти провода вообще не нужны, от них один геморрой — ни помыть за ними, ни глаза вынуть. Я разливаю их. Часто езжу по лесу, по грунтовкам со щебнем — с фарами беды не было. Так что по моему — провода бутафоры.
Кстати кронштейн крепления топливной трубки глушителя от 2141 идеально подходит для фар на кегурин от 2141. И жесткий и размер. [Тимош] Что за «железяка» ставится на фары военных машин
Это называется СМУ Светомаскирующее устройство идет только на военную технику и надевается на нее во время боев, снижает заметность машины с самолета , самая необходимая в быту вещь (а вдруг увидишь самолеты Аэрофлота), есть только в воинских частях, приобретается у прапорщиков по установленному налогу в валюте (жидкость).

SMA Кроме сужения светового потока, есть еще одна особенность: есть возможность вставлять светофильтры (типа УФ-спектра), которые входят в состав бинокулярной сети ночного видения (довольно древняя штука, вроде театральных биноклей, прикрепляемых к танк хлопает) позволяет хорошо ездить, хотя и практически не чувствуется. В обычной жизни взрослым людям сто лет не нужно, фары светят намного лучше, чем в этом аппарате видно. Лучше брать «+» для подключения люстр, св-пасса и прочих доп. Потребители?
Зв лучше запитать от батареек, люстра после замка зажигания. Все питается через обязательный доп. Предохранители для защиты проводов. Лучше поставить дополнительный блок предохранителей. Мощные потребители желательно замачивать через реле, хотя мое имхо лучше поставить мощный (~20а) тумблер. Еще позитивнее чей биметаллический, разбрасывающий потребителей тем же дополнительным блоком. Полезно ввести в торпеду амперметр, становится понятно надо менять генератор или нет. Что лучше подключить доп.
Потребители энергии?Обязательно через предохранители — аксиома
1. Крайне желательно чтобы минусы мощности каждого сильноточного потребителя сходились в «звезду» в одной точке, а лучше — на соотв. В противном случае при плохих контактах массы и сильно удаленных от исходных точках ее соединения возможны зональные (наводящие) и помехи в радио- и звукоизмерительной аппаратуре. Железный кузов автомобиля вовсе не такой уж хороший и надежный проводник… То же в принципе касается и достоинств питания, но важнее масса.
2. В М-на есть готовые силовые провода-оплётка к акки, которые на клеммах Аккорда сделаны для подключения-ламелей («пап») для подключения дополнительных пользователей — вшиты обычные, наверняка держат токи до 30 А. Такие провода вроде штатные стоят на новых «Волгах». [АТЗ]В продаже есть штекерный кабель (клемма электрическая) — висит на толстом проводе, подключается потоньше, который идет на какую-то типовую клеммную колодку с болтами. Это все продается в магазинах по промышленной электрике.
А минусовая клемма так вообще неизолированная ель от электроусилителя, крепится болтами к сальнику, этакая медная палка с дырками и болтами, иногда на 30 дырок. Амперметр, его тип, куда лучше подключитьЧаще попадаются в продаже 30/30 (Родные Уаукины, а там много где стоят), есть 50/50, я надыбал 100/100 от паза.
Подключаем: «-» прибора на «+» аккумулятора, толстый провод от квадрата генератора 10 на «+» прибора, и с ним разводим на потребителей, включая замок зажигания, соответственно тонкий провод от стартера берем вообще выключен. Толщина между аккумулятором и стартером осталась, мерить нечем — ток большой, но кратковременно, значит стартер мимо прибора!Для измерения тока заряда-разряда аккумулятора нужно сделать так: провод от генератора соединить с проводом потребителя (идет от клеммы + стартера, куда подходит толстый провод от аккумулятора) , но и кинуть провод на аккумулятор от этого соединения. [Чиф] «Плавающее» напряжение в сети при включенном доп. потребители
Возникает из-за падения напряжения в цепи регулятора.
Если мерить напряжение на аккумуляторе, то оно будет плавно около 14-16 В. Кардинальное решение — соединить клемму «+» генератора с клеммой «+» регулятора через реле, замыкающееся при включении зажигания. на. Это также поможет избежать «перезагрузки» генератора в результате завышенного напряжения. Проверить те же контакты — в том числе и «массы»… [Chiff]При большом падении напряжения в цепи питания обмотки возбуждения генератора (1,5-2 В!) и, как следствие, гуле аккумулятора, я выводил реле контроллера прямо из «+ Генератор через реле, замыкающееся при включении зажигания. После этого напряжение на аккумуляторе было стабильно 13,9-14 В, но его стали запускать потребители (тут же следствие тонкого провода генератора), имея 12-12,5 В. Потом подключил «+» генератора и «+» аккумулятора проводом 10 мм2. Результат отличный — стабильное напряжение 13,5! В данном случае я немного считрил, добившись того же эффекта, что и вы — не стал ставить длинномордый меченый провод, а проложил к аккумулятору (до стартера там уже «толсто-жирно»! ) [Чиф]
Причины:
Первая: Растяжка ремня.
Второй: Диодный мост (подкова) частично сгорел. Это замена
Третий: Что было со мной. Чертовски тонкая проводка от генератора должна пропускать все 65а. Зарядный ток, а мой обгорел и наполовину сгорел в районе крепления к генератору. Это было причиной. Менять надо целиком. [Тимоша] Как подключить электропривод? Масса не отключается (идет через лебедку)В общем случае «минус» от аккумулятора дублируется еще и проводом лебедки. Когда переключатели «Масса» отключены, масса все равно будет на кузове автомобиля (замыкается через лебедку). Решено было так: так как машина готовилась к трофи в категории ТР2, то был установлен аварийный оборот массы фирмы «Спарко» с возможностью присоединения двигателя при отключении. На нем 2 контакта питания вперемешку (а не один и корпус как на штатном). К одному из них был минус аккумулятора, к другому два силовых провода: один — минус лебедки, другой минус на массу. Таким образом, при отключении массы разрывается и цепь лебедки.
Машина полностью обесточена… в качестве альтернативы дорогому ($35) выключателю от «Спарко» можно поставить двухполюсный массивный выключатель с мощным металлическим ключом в магазинах грузовых запчастей. Цена — 250р. В общем по моему скромному изменению этот прибор для боевого внедорожника не лишний..ибо сильно снижает вероятность возгорания из-за проводки ЦЗ…Как лучше провести проводку по крышеПровода идут от выключателя под панелью приборов под торпедой, далее на стойку, где есть небольшой треугольник, соединяющий крышу и рамку лобового стекла, просверленную через него через тумбу (у меня люстра — ан неотъемлемая часть ствола) — к Фамрам. Дверные провода не исчезают. Сентябрь 2003г.
Индикатор зарядки АКБЕсть такая штука, регулятор напряжения называется рН-4. Итак, индикатор лампочки. Когда генератору не хватает генератора для питания двигателя на малых оборотах двигателя — загорается лампочка. То же самое при отсутствии зарядки. В общем, горит, когда есть потребление почты.
с батареей. И гаснет при подаче достаточного питания от генератора. Очень удобно. У меня рН-4 уже 5 лет и проблема. не имел. Замена штатного звукового сигнала на волговский
У нас подходят два провода, один из которых, насколько я понял, постоянно под напряжением, второй видимо управляемый, от кнопок на баране. На Волговском один терминал (правда, улитки две)Все достаточно просто — нужно втыкать реле типа 527 или универсальное. На 527-и к средней ноге цепляешь «+», к крайней (что ближе) провод от кнопки сигнала, а остальные цепляешь к сигналам. На универсальном + кинуть на 85 и 30, на 86-м — кнопка, 87 — сигналы.
Для хорошего звука сигнал должен резонировать — крепление его не напрямую к корпусу, а через стальную 1,5-2 мм пластину шириной около 30 мм. [Чиф] Регулировка спидометраВнутри спидометра спиральная пружина с регулятором. Вот этот регулятор и увеличивает (если показания затмеваются) «натяжение» пружины. Для этого нужно разобрать корпус. [Чиф] Упростить запуск двигателя
Нужно под капот рядом доп.
Реле стартера Поставил маленькую кнопку, замыкающую 2 вывода этого реле («+», и тот, к которому подходит провод от замка зажигания). При этом будет включаться стартер двигателя при выключенном зажигании и генератор. Несколько советов по процедуре Переделка ЭлектрикиДелал все по частям. Электрика вся самодельная. Для начала выкинул всю старую проводку (оставил только на разъёмах и т.д.) и стал делать свою из отдельных проводов. Он начал с этой схемы: http://akolubaev.narod.ru/myFiles/uazka/2.jpg. Провода взял примерно 3мм в диам-ре (токи большие и на зиму говорят хорошо). Далее вкручиваю провод-делаю отметку на схеме и т.д. Когда все подключено по этой схеме, маркировку не делаю, пробегаю глазами на всякий случай. Если ошибки не обнаружены, можно попробовать запустить. Если все в порядке, формируем проводку в жгуте. То есть вы крепите ленту в местах (победителях) проводов. Далее все это хозяйство можно снять и основательно задуть. Далее подготовил схему подключения приборов и датчиков, то есть взял схему с сайта для 31512 и в Paint-е убрал лишние провода (муторно, но надежно).
Далее, как я делал до этого. И так далее. В итоге проводка получилась не хуже штатной. Много времени ушло только на снятие старого разъема и креплений. Фараметр Фараметр: Что лучше — Родной УАЗик или китайские поделки за 500-1000 а?«Родной» с доработками. Берешь родную фару, с гладким стеклом. Стекло зажимается лепестками на рефлекторе, будете открывать стекло. Вам это нужно. Далее в магазине покупаете фару головного света от ваз 2106 (тонкий под галоген). Выбирайте аккуратно стекло, нужен рефлектор. Не царапайте его. Вставьте туда стекло фары-искателя, и вставьте в корпус. Все! У вас галогеновый прожектор с очень хорошим Har-Koy. [Alien, RoadHawk]
Можно сразу искать «родную» под галогеновую оптику -(у). Переделка крепления АКБ
После очередных эксцессов с АКБ, с совершённым с его места (снятие штатной корзины) чуть ли не заканчивающимся пожаром в конденсаторном пространстве, я решил, что надо сделать более грамотное крепление АКБ. Поскольку автомобиль ездит на спорте, крепление аккумулятора является одним из основных требований безопасности.
С такими мыслями пришел к нам в гараж, где Шура «Чужой» работает над своим 469м УАЗиком. Т.к. Шура полностью переделывал морду своего УАЗика (брызговики, крылья), ему уже пришлось столкнуться с проблемой установки аккумулятора. Эта проблема была решена изготовлением «корзины» под батарею из стального уголка… Выглядит эта конструкция так:Поймав то, что Шурик быстро разгадывал мне корзину с учетом установки ее на 31512… Она крепится на штатное место тремя болтами. После этого поехал в ближайший магазин, где купил две лямки крепления расширительного бачка от ВАЗ «Классика».. Чуть вверх креплениями эти ремни были установлены на стенке моторного отсека над корзиной, вроде это:
По моим оценкам, такая конструкция обеспечивает достаточно жесткое крепление аккумулятора, но при этом не усложняет его замену…
Сергей Кирсанов
Освещение багажникаСделал подсветку багажника по такой схеме. Размещение рубки и выключателя видно на фото 1, фонарей — на фото 2.
Если нет охранника, то диоды развязывания не нужны. Можно и без логгера, тогда можно включать только вручную (здесь три положения: выключено, включено вручную, включено автоматически при открытии багажника). [Анатолий Хохряков (Хохан)]
Сложно представить, как была бы организована работа автомобиля без электроначинки, по этой причине электронасос УАЗ 31519 занимает почетное место в описании машины. Являясь неотъемлемым компонентом современного автомобиля, это соединение узлов и функциональных элементов постоянно дорабатывается и совершенствуется. Без грамотно составленного чертежа не разобраться в километрах проводников и не понять связи с остальным оборудованием. Внесение изменений в конструкцию, подключение дополнительного потребителя, исправление поврежденных элементов, обязательно сформирует обращение к УАЗ 31519.электрическая цепь. Для удобства чтения схема выполнена цветной.
общие сведения
Автомобиль с полным приводом УАЗ 31519 выпускался на Ульяновском заводе в период с 97 по 2013 год.
Основная цель проектирования агрегата, заменить морально устаревшую машину УАЗ 31514 на более модель большей мощности. На базе машины созданы модификации, отличающиеся друг от друга уровнем внутренней отделки, силовыми установками. В связи с использованием пользователей с характеристиками и параметрами электрооборудование УАЗ 31519также содержит индивидуальные черты.Подключение пользователей машины УАЗ 315195 и др. Осуществляется по принципу одного проводника, когда плюсовой вывод оборудования соединен в одну цепь. Минусовые выводы присоединены к плите, играющей роль второго проводника. Напряжение сети автомобиля 12В, защиту оборудования взял на себя блок предохранительных элементов.
Связь между потребителями энергии происходит по составному пути возбудителя, в котором конструктивно предусмотрена сближенная часть и противоугонное оборудование. Схема электропроводки УАЗ 31519обеспечивает питание потребителей от источника тока до тех пор, пока блок питания не будет активирован.
После включения двигателя мощность обеспечивается генераторным устройством, генерирующим переменный ток и передающим энергию через правильное устройство. Кроме того, продукт заряжает аккумулятор, сохраняя работоспособность. Вы также можете прочитать о .Схема электрооборудования УАЗ 31519:
Оборудование и схемы
При рассмотрении электрической схемы автомобиля играет роль используемое оборудование и силовая установка. Итак, если карбюратор установлен на УАЗ 31519автомат, то на чертеже не будет электрических обозначений, характерных для форсунки и наоборот.
Мотор ЗМЗ-409:
Исполнение оборудования:
Расшифровка: Модификации машин УАЗ: 31519 315192 315194 315196 (5) Двигатель: Модель двигателя УМС-4218. ЗМЗ-4104. УМС-4213 ЗМЗ-409 (04) Часы, (шт.
)4 Цилиндры, (шт.) 4 Размещение Вертикально в ряд Образование смеси карбюратор впрыск Порядок работы 1-2-4-3 1-3-4-2 Сечение камеры, (мм) 100 95,5 Ход вытеснителя, (мм) 92 94 Объем, (л) 2,89 2 693 Сжатие 7,0 6,8 8,2 9,0 (9,1) Момент, (нм) 189 186 210 217 Мощность, (л.с.) 84 85 104 128 Топливо (бензин) А-76. 
АИ-80 АИ-92. Электрооборудование: Проводка Один проводник, минус — автомат Напряжение сети, в 12 Генератор 161,3771 665.3701 Бош или Спарк Аккумулятор 6ст-60 6Т-66. Свечи А14БП; NR15YC. А14ДВР; LR17YC. Стартер 4216.3708; 62.3708 Бош, Искра Зажигание Против угона, повторная блокировка стартера. Стеклоочиститель (до) Электрика, три режима, две щетки. Стеклоочиститель (задний) Электрик, одна щетка. Распылитель Электрика передняя и задняя. 
Разъединители цепей
Для сохранения целостности и работоспособности цепей УАЗ 31519 схема предполагает использование разъединителей. Изделие выполнено по технологии соединения двух металлов, размещается снизу от торпедо. Три основных защитных элемента номиналом 10а установлены в специальном отсеке ПР103, расположенном между двигателем и салоном.
Назначение разъединителей:
- Предохранитель 1: защищает устройства управления;
- Предохранитель 2: защищает устройства сигнализации;
- Предохранитель 3: Аварийная сигнализация и защита Claxon.
Разъединитель № 1 расположен с правой стороны машины. Электропитание вентилятора печки, защищено разъединителем на 6а. Изделие монтируется возле выключателя плиты. Машины УАЗ: 315192, 315194 и более иногда содержат дополнительные разъединители, так как комплект меняется.
Контроль цепи
Контроль цепей машин УАЗ-315194 и др. без отключения напряжения выполняет вольтметр или амперметр.
Подключение первого происходит параллельно, соединяясь с проверяемым сегментом или устройством. Диапазон измерения «0-25» дюймов. При манипуляции минусовой провод прикрепляется к техническому обслуживанию автомобиля, преимущество прикрепляется к потребителю или поставщику. Падение эффективного электрического поля свидетельствует о проблемах цепной системы (замыкание, импульс, окисление и т.д.). Управление осуществляется лампочкой, мощность изделия не превышает трех, четырех Вт; Напряжение двенадцать В.Поверку амперметра проводят с максимальным пределом не ниже 10А стабильного тока. Встраивание устройства последовательное относительно контролируемого изделия. Положительный контакт касается источника, отрицательный — с потребителем. Когда значение тока ниже требуемого уровня, говорят о неисправности электроцепи, выше — свидетельствует о замыкании потребителя.
УАЗ хантер объем двигателя. Основные технические характеристики УАЗ «Хантер 9»0001
Двигатель и трансмиссия
тип двигателя
Бензин
Бензин с октановым числом не ниже 92
Рабочий объем, л
Максимальная мощность, л.
с. (кВт)128 (94,1) при 4600 об/мин
Максимальный крутящий момент, Нм
209,7 при 2500 об/мин
Колесная формула
Трансмиссия
механическая, 5-ступенчатая
Раздаточная коробка
2-ступенчатая с отключенным приводом передней оси
постоянный задний, с жестко соединенным передним
Подвеска, тормоза, шины
Передние тормоза
дисковый
Задние тормоза
барабанного типа
Передняя подвеска
зависимая, рессорная со стабилизатором поперечной устойчивости
Задняя подвеска
зависимая, на двух продольных полуэллиптических малолистовых рессорах
Скорость и экономичность
Максимальная скорость, км/ч
Расход топлива, л/100 км: при 90 км/ч
Суммарная емкость топливных баков, л
Геометрия и масса
Количество мест
Длина, мм
Ширина с/без зеркал, мм
Высота, мм
Колесная база, мм
Колея передних/задних колес, мм
Дорожный просвет, мм
Глубина преодолеваемого брода, мм
Снаряженная масса, кг
Полная масса, кг
Грузоподъемность, кг
www.
avtogermes.ruпреимущества и особенности :: SYL.ru
«УАЗ-Хантер» — последняя модификация известного российского внедорожника Ульяновского автомобильного завода. Автомобиль удачно сохранил и приумножил все достоинства предыдущих выпусков. Это все тот же внешне брутальный «козёл», каким его видели наши деды. Прочная основа и простой, непритязательный интерьер – все, что нужно настоящему мужчине.
Верность традициям
Неизменный внешний вид автомобиля может вызвать недоумение. Ведь если не считать странного пластика переднего и заднего бамперов, а также модного металлического цвета, это все тот же УАЗ-469. Внутри тоже мало что изменилось. Приборная панель стала пластиковой, а окна теперь открываются по сдвижному принципу, а не поворотному. Аскетизм и минимализм подходят только настоящему мужчине, не избалованному чрезмерным комфортом иномарок.
При этом технические характеристики «УАЗ-Хантер» с каждой модификацией только улучшаются. В основе конструкции также остается прочная рама и неизменный полный привод.
Автомобиль во все времена ценился именно за его уверенные проходимые качества. «Русский танк» проходит там, где другие пройти не могут. А минимализм, с одной стороны, обеспечивает доступную цену, а с другой – широкие возможности для творческого тюнинга.Технические характеристики
Технические характеристики «УАЗ-Хантер» в базовой версии представлены тремя силовыми агрегатами. Два бензиновых и один дизельный двигатель предоставляют широкий выбор искушенному автовладельцу.
- ЗМЗ-409 — классический агрегат Заволжского моторного завода объемом 2,7 литра.
- УМЗ-4218 — двигатель ульяновских инженеров максимального объема для линейки «Охотник» 2,9 л.
- ЗМЗ-514 — впервые для УАЗ дизельный аппарат российского производства объемом 2,4 литра.
Коробка передач на автомобиле пятиступенчатая механическая и теперь только корейского образца. Хотя в начале выпуска модели с 2003 года еще устанавливалась прежняя российская коробка производства «Арзамас».
Надежность автомобиля от внедрения иностранного аналога только возросла, как и его цена. Но некоторые изменения необходимо вносить вне зависимости от общего удорожания продукта.Раздача автомобиля по-прежнему двухэтапная. Подвеска выполнена по проверенной временем схеме: зависимая рессорная спереди и зависимо-рессорная сзади. Есть передний стабилизатор поперечной устойчивости и четыре амортизатора двойного действия.
«УАЗ-Хантер», технические характеристики которого раскрыты для бездорожья, остается на машине. Колеса 16 размера можно менять в достаточно широком диапазоне без внесения каких-либо изменений в конструкцию. Передние тормоза УАЗ дискового типа, а задние барабанные. Тогда как в 469-м все барабанят по кругу.
Что касается габаритов, то здесь все осталось по-прежнему. Длина «Охотника» 4,17 м, ширина с зеркалами 2,01 м, высота 2,025 м. Дорожный просвет базовой модификации составляет 21 см. Для сравнения: у «прокачанных» УАЗов этот показатель увеличивается до 35 см.
Вес автомобиля приближается к 2 тоннам. При этом дизельная версия будет самой тяжелой – 1815 кг против бензиновых аналогов 1665 кг и 1770 кг.Достоинства и недостатки обновленного «Хантера»
Если практически неизменный внешний вид можно считать и достоинством, и недостатком, то технические характеристики «УАЗ-Хантер» несомненно увеличились:
- расширена линейка двигателей;
- улучшенная корейская коробка передач;
- современные лакокрасочные покрытия;
- улучшенный отопитель салона;
- последних выпусков.
Металлические бамперы
Главным недостатком «УАЗика» можно считать практически полное отсутствие комфорта и узкие дверные проемы. И если уровень удобства можно как-то поднять, то двери поменять нельзя. Второй недостаток — негоночные возможности: 35 с до 100 км/ч и максимальная скорость 130 км/ч у бензиновой версии. Ведь это в первую очередь «танк» и только потом средство передвижения. «УАЗ-Хантер», технические характеристики которого созданы с уклоном на бездорожье, остается одним из самых любимых автомобилей для тюнинга.
Но это отдельная тема.Несколько слов необходимо сказать о дизеле ЗМЗ-514. При объеме 2,4 литра достигается мощность 86 л. С. Дизель «УАЗ-Хантер», технические характеристики которого остаются на высоте, является более приятным вариантом для условий бездорожья. Это сравнительно менее оборотистый, но самый мощный двигатель. А наличие турбины положительно сказывается на скоростных характеристиках и разгоне.
Дизельный вариант также является наиболее экономичным. Рассмотрим технические характеристики модели «УАЗ-Хантер» (расход топлива):
- ЗМЗ-409 — 13,2 л.
- УМЗ-4218 — 15,5 л.
- ЗМЗ-514 — 11,9 л.
Цифры указаны для комбинированного цикла на 100 км. А в случае расхода по трассе без подключения «передка» дизель уложится в 8 литров на 100 км.
Итоги
Технические характеристики УАЗ-Хантер нового поколения стали только лучше. Время не стоит на месте, и мысль человека старается не отставать. Это в полной мере реализовано инженерами Ульяновского автозавода.
Автомобиль стал еще надежнее и проходимее. И популярность русского «охотника» всегда была на должном уровне.www.syl.ru
УАЗ Хантер — характеристики, обзор, фото, цена | АвтоБелявцев
Думали ли создатели УАЗ 469, что их автомобиль станет легендой советского автопрома? Скорее всего врятли, потому что при создании советского вездехода разработчики думали о высокой проходимости, ремонтопригодности, дешевизне, простоте конструкции и надежности, а какое место займет их машина в истории было не столь важно, главное дело было в том, что машина максимально удовлетворила бы потребности армии. Тем не менее, УАЗ является одним из символов Советского Союза и, благодаря усилиям конструкторов, является одним из лучших по проходимости серийных вездеходов в мире. Производство УАЗ 469был начат еще в 1972 году, в 2003 году на Ульяновском автосборочном заводе началось производство модернизированного УАЗа, автомобиль получил название Hunter, что переводится с английского как охотник.
УАЗ Хантер собирают не только в Ульяновске, но и в украинском городе Кременчуге. В этой статье мы уделим внимание новшествам ульяновцев, которые были внедрены в Хантер, обратим внимание на технические характеристики УАЗ Хантер, а также общий обзор кузова и салона.Внешний вид и кузов:
Как и УАЗ 469, УАЗ Хантер выпускается в пятидверном кузове, крыша может быть жесткая — металлическая, или мягкая — тентовая. УАЗ Хантер легко отличить от 469-й модели по пластиковым бамперам со встроенными противотуманками. Передняя часть украшена пластиковой накладкой, обратите внимание на фото передней части УАЗ. При осмотре задней части УАЗа вы обнаружите, что запаска в Хантере крепится на пятой двери, а сама дверь багажника теперь одна и в отличие от 469м, дверь цельная и открывается в сторону, а не состоит из двух частей. Из-за вышеописанных пластиковых бамперов, которые сотрудники УАЗа установили, чтобы снизить вероятность травматизма пешеходов при наезде, а также из-за доработанной выхлопной системы, углы въезда и съезда значительно уменьшились.
У инжекторного УАЗ Хантер вход составляет 30 градусов, а угол съезда — 33 градуса, что меньше, чем у Land Rover Defender последнего поколения. Новый УАЗ стоит на колесах большего диаметра, чем у предшественника, размерность шин УАЗ Хантер 225/75 R16. При покупке хантера его можно дооснастить литыми дисками, а будущему владельцу купить УАЗ покрашенный в металлик, раньше это было что-то из разряда фантастики.Салон и комплектация:
По-прежнему попасть в салон УАЗа не для всех просто. Кузов остался прежним, и соответственно узкие дверные проемы не стали шире. Садясь за руль, можно ухватиться за сам руль, а сжавшись на переднее пассажирское сиденье, можно ухватиться за специальную ручку, расположенную в торпеде. Комбинация приборов УАЗ Хантер в целом не изменилась, но торпеда теперь имеет пластиковый кожух, пластик жесткий и дешевый, но это существенный шаг к повышению комфорта. Внешний вид торпеды вы можете оценить на фото. Читать показания спидометра как раньше не удобно, дело в том, что правые спицы руля почти всегда перекрывают спидометр.
На УАЗ Хантер появился прикуриватель, которого не было на 469й, неплохо бы и пепельницу, но мужчины за рулем такого вездехода смогут обойтись и без нее. Поворотные дефлекторы, как на 469, тоже ушли в прошлое, теперь боковые стекла отъезжают в сторону. Минус в том, что зимой, когда направляющие могут протечь талой водой и замерзнуть, в один прекрасный день стекло может не открыться. Зачем открывать стекло зимой? Предположим, сломалась печка, запотели и начали замерзать стекла – ухудшается видимость, в такой машине, как УАЗ, которая предназначена для экстремальных условий, крайне важен вопрос вентиляции салона. Недостаток по сравнению с 469й еще и то, что стекло в двери багажника стало меньше, а значит обзорность назад ухудшилась, но на этом же стекле есть дворник. Огромным эргономическим скачком стало появление одного рычага управления раздаточной коробкой и включение полного привода раньше на УАЗ 469 было два рычага. Тем не менее, прежде чем перевести рычаг раздаточной коробки в положение полного привода от российского вездехода, как и прежде, нужно выйти и вручную провернуть муфты в передних колесах.
Рулевое колесо в УАЗе вообще не имеет регулировок, а вот водительское кресло регулируется не только в стандартных плоскостях: угол наклона спинки и продольная регулировка, но и степень поясничного подпора тоже можно отрегулировать. Педаль тормоза в UAZHunter на 8см выше педали газа; в общем, водителю, севшему в УАЗ после легковушки, будет не так уж просто разобраться в управлении. Только вот схема переключения старой арзамасовской коробки передач, при которой задняя включается как на обычном автомобиле, вторая — эта схема очень удобна на сложном бездорожье, когда нужно быстро переключаться с первой на зад и наоборот, чтобы раскачать машину, но если включить вместо второго зад — звук будет не из приятных. Гидрокорректор фар позволяет регулировать световой поток фар из салона, очень удобно, когда багажник загружен и передняя часть поднята, при этом фары слепят встречные автомобили. Положительным сдвигом можно считать возможность регулировки угла наклона спинок задних сидений, а также возможность быстрого демонтажа второго ряда.
При желании будущий владелец может купить Хантер с двумя дополнительными сиденьями, расположенными по бокам в багажнике. Грузоподъемность УАЗ Хантер 750кг. Объем багажника УАЗ 210 литров.Техническая часть и характеристики УАЗ Хантер
На сегодняшний день УАЗ Хантер комплектуется бензиновым двигателем ЗМЗ 409 и дизельным двигателем ЗМЗ 5143. ЗМЗ 409 оснащен инжекторной подачей топлива, объем двигателя УАЗ 2,7 литра. Шестнадцатиклапанная ГБЦ помогает развивать максимум 128 лошадиных сил, максимальный крутящий момент в 216 Н.М достигается при 3000 об/мин. С таким двигателем УАЗ способен развивать по шоссе 130 километров в час. Раньше был доступен карбюраторный бензиновый двигатель объемом 2,5 литра, карбюраторный агрегат УАЗ выдает 189Н.М крутящего момента, максимальный крутящий момент доступен при 2500 об/мин, мощность карбюраторного агрегата скромная – 84 лошадиные силы. Дизельный двигатель ЗМЗ 5143 хорош тем, что на холостых даже в гору УАЗ поднимается без нажатия на педаль газа, в целом дизельный УАЗ менее резвый, но разница в езде на пустой и загруженной машине чувствуется не так сильно, как на бензиновая версия.
Объем дизельного агрегата УАЗ 2,3 литра, мощность 96л.с., а крутящий момент больше, чем на бензиновом ЗМЗ 409 2,7 — 216Н.М при 2100 об/мин. Ранее на УАЗ Hunter устанавливался дизель польского производства, но сегодня ульяновцы устанавливают дизель собственного производства, превосходящий по характеристикам импортный агрегат. Главная пара у дизельных УАЗов короче – 4,625, а у бензиновых хантеров главная пара – 4,11. Помимо вышеописанной арзамасовской коробки, УАЗ Хантер может комплектоваться новой пятиступенчатой коробкой корейского производства, эта коробка уже известна по УАЗ ПАТРИОТ, передачи на ней включаются легче, да и сама схема переключения традиционный. Первая передача у корейской коробки коротковата, зато на второй УАЗ способен разогнаться почти до 80 км. В отличие от УАЗ 469, Хантер оснащен рессорной подвеской спереди и мелколистовой сзади, проделанная работа над подвеской позволила значительно снизить «козлиность» автомобиля.Обратим внимание на технические характеристики УАЗ Хантер с корейской механикой и двигателем ЗМЗ 409.

Технические характеристики:
Двигатель: 2.7 бензин
Объем: 2690куб
Мощность: 128л.с.0004
Индикаторы производительности:
Ускорение 0 — 100 км: 30S
Максимальная скорость: 130 км
Среднее расход топлива: 13,2 л
Топливный бак с пропускной способностью: два бака из 39 литров
: 4100 мм * 2010 мм * 2025mm
Wheelbase: 4100 мм * 2010 мм * 2025mm
Wheelbase: 4100 мм * 2010 мм * 2025 мммммм. : 2380мм
Снаряженная масса: 1665кг
Клиренс/клиренс: 210мм
Корейская коробка передач DYMOS может состыковаться только с бензиновым ЗМЗ 409.
Цена
Купить новый УАЗ Хантер сегодня можно не в каждом городе бывшего СНГ. Цена УАЗ Хантер с ЗМЗ 409двигатель, который входит в комплектацию: краска металлик, подножки, литые диски — 13500$. Цена дизельного УАЗа выше – 15 900 долларов.
Конечно, УАЗ не сравнится с Мерседесом по комфорту и не войдет в поворот с грацией БМВ, но это один из самых проходимых автомобилей в мире, именно то, что нужно для дальних поездок экскурсии, где нет людей в радиусе сотен километров.
После трансформации 469-го в «Хантер» автомобиль остался утилитарным, но все же приобрел некоторые атрибуты удобства.Основатель AutoBelyavcev.ru Денис
autobelyavcev.ru
УАЗ Хантер, технические характеристики и возможности
УАЗ Хантер пришел на смену УАЗ-469 в 2003 году. За последнее время этот автомобиль неоднократно модифицировался. Этот «охотник» пользуется большим спросом у жителей отдаленных регионов Российской Федерации. Этот автомобиль также использовался в военных целях.
Вернуться к содержанию
Внешние особенности
Солидный отечественный внедорожник
Длина автомобиля — 4100 мм, ширина (без зеркал) — 1730 мм, высота не более 2025 мм. Оригинальный дизайн кузова, хороший салон, высокие технические возможности делают УАЗ Хантер универсальным автомобилем.
Что касается колесной базы, то Hunter оснащен передними и задними колесами одинаковой ширины – 1465 мм. Вес этого автомобиля составляет 2550 кг. Емкость топливного бака – 70 литров.
В салоне УАЗ Хантер 5 мест.Если рассматривать комфорт данного автомобиля, то следует отметить, что дверные проемы узкие, поэтому садиться в машину не очень удобно. Стулья можно регулировать. Что касается интерьера, то он носит классический характер. Отделка легко поддается влажной чистке. Шумоизоляция автомобиля низкая, что особенно чувствуется при движении на высокой скорости. Рассматриваемый внедорожник оснащен мощной печкой, которая зимой быстро прогревает салон.
Часто владельцы данного автомобиля самостоятельно устанавливают 2х тихую печку для заднего ряда. Это связано с тем, что стандартный отопительный агрегат оснащен шумным вентилятором.
Вернуться к оглавлению
Технические возможности
УАЗ Хантер пользуется большим спросом благодаря своим высоким техническим характеристикам. На данный автомобиль можно установить:
- бензиновый двигатель;
- Дизельный силовой агрегат.
16-клапанный двигатель Base Hunter
В базовую комплектацию входит бензиновый двигатель ЗМЗ-409.
10. Он имеет 4 цилиндра объемом 2,7 литра. Силовой агрегат расположен в передней части кузова, оснащен 16-клапанным ГРМ и системой впрыска топлива. Производитель рекомендует заправлять рассматриваемый внедорожник бензином марки не ниже АИ-92. Максимальная мощность двигателя составляет 128 л.с. С. Пиковым крутящим моментом принято считать 209,7 Нм. Этот предел может быть достигнут при 2500 об/мин.Если использовать Хантер в смешанном режиме, то расход бензина составит более 13,2 л на 100 км. Следует учитывать, что динамические характеристики автомобиля слабые. Максимальная скорость этого внедорожника составляет не более 130 км/ч. Для стартового разгона от 0 до 100 км/ч потребуется более 35 с.
Если рассматривать дизельную версию УАЗа, то она оснащена двигателем ЗМЗ-5143.20. Такой силовой агрегат имеет 4 цилиндра и объем 2,2 литра. В пакет также входят 16-клапанная система газораспределения и впрыска топлива. Максимальная мощность такого двигателя составляет 113,5 л. С. Максимальный крутящий момент может достигать 270 Нм.

Если сравнивать бензиновые и дизельные двигатели по топливной экономичности, то вариант двигателя 2 считается более привлекательным. В смешанном цикле расход топлива составляет 10,6 литров на 100 км. Что касается динамики, то дизельный агрегат значительно уступает бензиновому аналогу.
Эти модели оснащены 5-ступенчатой механической коробкой передач Hyundai Dymos. Он в несколько раз превосходит отечественную версию, которая ранее устанавливалась на УАЗ. Следует отметить, что инородная коробка имеет и отрицательные характеристики. Часто шумит и скрипит при переключении.
Вернуться к оглавлению
Надежность силовых агрегатов
Бензиновый двигатель надежнее дизельного. При этом оба мотора легко переносят зимы, обеспечивая при движении необходимый запас тяги. Охотники оснащены прочным шасси. Впереди следующие пункты.
- Пружинная подвеска.
- 2 продольных рычага.
- Тяга.
- Стабилизатор.
Корма внедорожника поддерживается 2-мя продольными рессорами.
Спереди и сзади предусмотрены гидропневматические амортизаторы двойного действия. Передние колеса оснащены вентилируемыми дисковыми тормозами и поршневыми суппортами. Задние колеса оборудованы барабанными тормозами. Внедорожник оборудован гидроусилителем руля.Следует отметить, что данный автомобиль имеет систему полного привода, представленную двухступенчатой коробкой передач с мостами. Постоянный режим характеризуется подачей тяги на заднюю ось. При необходимости владельцы УАЗов могут жестко заблокировать передний мост.
По проходимости Хантер считается универсальным автомобилем. Если машина нужна для преодоления бездорожья, автомеханики советуют отдать предпочтение дизельному варианту. Рассматриваемый внедорожник прекрасно чувствует себя на проселочных дорогах. Но если машина все же застряла в грязи или снегу, вам понадобится помощь трактора.
Необходимо учитывать, что на заводских покрышках нельзя долго ездить на внедорожных шинах. Поэтому рекомендуется приобрести комплект специальной вседорожной резины.
Автомобилисты отмечают, что при движении со скоростью более 100 км/ч в салоне слышен сильный шум и скрип. Управлять Хантером легко, правда, на крутых поворотах нужно будет активнее крутить руль. При торможении учитывайте короткий тормозной путь при снижении скорости со 100 км/ч до 0, особенно если автомобиль двигался быстрее 60 км/ч.prouazik.ru
Характеристики | УАЗ Хантер и 469
Габаритные размеры, мм 4170х1785х2020: высота джипа более 2 метров!
Габаритные размеры УАЗ-Хантер (открыть крупнее)
Технические характеристики УАЗ-469
- Возможен вариант с мягким тентом и металлическими надставками, устанавливаемыми на четыре боковые двери
- Кузов автомобиля установлен на прочной и жесткой на кручение лонжерон рамы
- Двигатель: рядный 4-цилиндровый 2,5-литровый двигатель ЮМЗ-452М
- Мощность: 75 л.с. Топливо — бензин А-72 или А-76
- Сцепление: сухое однодисковое
- Коробка передач 4-ступенчатая (с синхронизаторами на 3 и 4 передачах, на первой передаче синхронизаторов нет, вроде в ГАЗонах: рывковое включение)
- Емкость топливного бака, л: 2 х 39
- Расход топлива, л/100км при 90км/ч: 18,0
- Для увеличения дорожного просвета (клиренса) до 300 мм и увеличения мощности трансмиссии в ступицах колес военной модификации УАЗ установлены нижние передачи
- В 1980-х годах был представлен форсированный до 77 л.
с. Двигатель УМЗ-414
Технические характеристики в армейском варианте УАЗ-3151
В 1985 году УАЗ-469 был модернизирован, армейский вариант (с «военными» мостами) по новой классификации получил индекс 3151. Были:
- Гидравлический выжимной
- Карданные валы с радиальным торцевым уплотнением
- Новые осветительные приборы
- Омыватель ветрового стекла с электроприводом
- Подвесные педали сцепления и тормоза
- Надежность ведущих мостов с измененным значением передаточного числа главной пары
- Тормозная система с двухконтурным приводом и сигнализатором
- Разрезная рулевая колонка
- Более эффективный и надежный отопитель
- На некоторых автомобилях УАЗ установлена полностью синхронизированная 4-ступенчатая коробка передач, вакуумный усилитель тормозов
- Мощность двигателя УМЗ-414 увеличена до 80 л.с.
- Максимальная скорость автомобиля увеличена до 110-115 км/ч.

Технические характеристики УАЗ-Хантер
- Количество мест 5 (9, за счет складывания сидений в багажном отделении)
- Дорожный просвет, мм 210 (мосты распорного типа)
- Масса снаряженного автомобиля, кг 1770
- Полная масса, кг 2520
- Грузоподъемность, кг 675
- Максимальная скорость, км/ч 120
- Расход топлива при 90/120 км/ч 10,4/14,5 л/100 км
- Двигатель ЗМЗ-409.10 (.ЮМЗ-4213)
- Топливо бензиновое АИ-92
- Рабочий объем, л. 2,7 (2,89)
- Макс. мощность, л.с./кВт/об/мин 128/94,1/4400 (99/72,8/4000)
- Макс. крутящий момент, Нм/об/мин 217,6 / 2500 (201/2500)
- Коробка передач механическая, 5-ступенчатая (4-ступенчатая)
- Раздаточная коробка 2-ступенчатая: I — 1; II — 1.94
- Тормоза передние дисковые вентилируемые, с двумя цилиндрами, с плавающим суппортом
- Тормоза задние барабанные, с одним цилиндром, с автоматической регулировкой зазора между накладками и барабаном
- Подвеска передняя зависимая, рессорная со стабилизатором поперечной устойчивости, амортизаторы гидропневматические телескопические двухстороннего действия, с двумя продольными рычагами и поперечной тягой
- Подвеска задняя зависимая, на двух продольных полуэллиптических низколистовых рессорах и гидропневматических двойных
- Шины 225/75R16, 245/70R16
- Двигатели: ЮМЗ-4213, ЗМЗ-409.
10 и ЗМЗ-5143.10 (дизель!) - Новая версия Hunter Classic оснащена металлическими бамперами и дверь багажника, а также отсутствие пластиковых накладок на кузов.
Полная сравнительная таблица характеристик >>
Как выглядят двигатели семейства УМЗ
www.uaz2.ru
Возможности и технические характеристики: «УАЗ-Хантер» способен на многое
Человек характеризуется определенными стереотипами в поведении и оценке. Не обделены этим и автомобилисты. Когда смотришь на УАЗ на городских дорогах, в голове сразу возникает привычное определение – «козёл». Однако как все меняется, когда этот самый УАЗик появляется в лесу, в поле, на бездорожье рядом с твоей застрявшей машиной! Он тут же становится спасителем и лучшим другом, дающим надежду выбраться из коварной грязевой ловушки. А в городе все возвращается на круги своя…
Тем не менее, технические характеристики автомобилей этого типа («УАЗ-Хантер» не исключение) позволяют им уверенно держаться в транспортном потоке как в мегаполисе, так и на бездорожье.

Исторически этот автомобиль является наследником нескольких поколений вездеходов с прекрасной родословной, начиная с легендарного ГАЗ-69. Последним среди них был УАЗ-469, «отслуживший» в Советской Армии более тридцати лет. Время не могло не сказаться на его потомках – автомобиль УАЗ-Хантер имеет более цивилизованный, гражданский вид, сохранив при этом строгую выправку прирожденного солдата, привыкшего терпеть тяготы службы (снег, ветер, дождь, бездорожье).
Сразу стоит отметить наличие классической рамы, которой могут похвастаться немногие из современных автомобилей, определяемых как внедорожники. Если рассматривать их возможности и технические характеристики, «УАЗ-Хантер» выгодно отличается от вышеупомянутых конкурентов. Важным преимуществом станут неразрезные мосты, подключаемый передний привод и двухступенчатая раздаточная коробка. Все эти отличия, присущие вездеходу, подтверждаются не одним тест-драйвом, «УАЗ-Хантер» успешно преодолевает значительные участки бездорожья и сложные профили.

Энергия для вождения обеспечивается бензиновыми или дизельными двигателями. Первый из них – двигатель «Заволжский 409» объемом 2,7 литра, выдающий 112 лошадиных сил, второй – дизель «Заволжский» 5143.10, показывающий мощность 92 лошадиные силы при объеме 2,2 литра. Моторы комплектуются корейской пятиступенчатой коробкой передач и мелкозернистой раздаточной коробкой. В базовую комплектацию входят гидрокорректор фар, гидроусилитель руля, шумо- и теплоизоляция салона. Его салон имеет достаточно строгий дизайн, но для такого автомобиля главным преимуществом являются его технические характеристики. «УАЗ-Хантер» — машина сугубо утилитарная и особым комфортом не отличается.
Именно упомянутые ранее элементы конструкции делают этот вездеход одним из любимых автомобилей любителей преодоления бездорожья. Дополнительно, пожалуй, следует отметить вполне приличный клиренс, составляющий 210 мм, и отсутствие каких-либо выступающих частей на днище, что положительно сказывается на проходимости.
При движении этот «Охотник» расходует в городском цикле чуть более 13 литров бензина, а дизельная версия «кушает» 10,1 литра солярки.Хоть Хантер и считается внедорожником, для него такое название может быть воспринято как существенное умаление его возможностей. Так позиционируется слишком много автомобилей, которые не имеют оснований причисляться к этому классу. Его можно считать как минимум вездеходом, демонстрирующим свои возможности и технические характеристики. «УАЗ-Хантер» не раз блестяще оставлял позади более именитых и раскрученных соперников.
fb.ru
Технические характеристики УАЗ Хантер
Российский автопром тоже умеет выпускать качественные автомобили. Одним из таких является внедорожник УАЗ-469, который вот уже 30 лет радует отечественного потребителя высокими техническими характеристиками, отличной проходимостью, и все это при очень низкой цене. А в 2014 году Ульяновский автозавод решил обновить легендарный автомобиль и подарил российским автолюбителям УАЗ Hunter.
О том, что это за транспортное средство, вы узнаете из этой статьи.Преимущества автомобиля
При разработке дизайна кузова разработчики решили навсегда отказаться от строгого военного дизайна и разработали дизайн кузова, что называется, с нуля. Автомобиль выглядит очень современно и стильно. При знакомстве с автомобилем сразу бросаются в глаза массивные бампера, в которых красуются противотуманные фары. Устаревшие поворотные дефлекторы заменены традиционными раздвижными окнами, улучшающими обзор водителю. Приятно удивляет и хорошая шумоизоляция салона, достигаемая благодаря двойному закрытому дверному контуру. Свежий вид УАЗ Хантер придает откидная дверь багажника, на которой также находится крытое запасное колесо.
Габариты автомобиля немного увеличились по сравнению с предыдущим УАЗ-469. Длина автомобиля увеличилась до 4100 мм, ширина кузова увеличилась до 1730 мм, а высота нового автомобиля увеличилась до 2025 мм. Длина колесной базы составляет 2380 мм, дорожный просвет — 210 мм.

Салон автомобиля довольно просторный. Радует большой объем багажника, который вмещает до 1130 литров груза, а при сложенном заднем ряду пассажирских сидений багажное отделение увеличивается до 2564 литров.
Салон автомобиля
Дизайнеры не оставили без внимания и внешний вид автомобиля. Сиденья водителя и переднего пассажира обтянуты тканью и имеют возможность продольной регулировки. Благодаря этому, вне зависимости от роста, водителю будет комфортно управлять транспортным средством.
В интерьере преобладает темно-серый пластик, из-за чего экстерьер выглядит очень дешево и скучно. Недоработанной осталась и эргономика салона, так как спидометр и тахометр находятся не совсем в удобном месте, поэтому считывать показания с них не удобно. Датчики давления, уровня заряда аккумуляторов, температуры силовой установки и количества топлива в баке по-прежнему расположены на головной панели, однако считывание с них затруднено, поскольку они расположены перпендикулярно торпеде.

Технические характеристики
Автомобили УАЗ Hunter собраны на более современной платформе, сочетающей в себе инновационные технологии и надежные комплектующие. Передний мост выполнен на рессорной подвеске, а задний мост на рессорной подвеске. Благодаря этому инженеры смогли сохранить высокую проходимость и отличную остойчивость, при этом существенно не повысив себестоимость.
Под капотом Хантера может располагаться один из четырех силовых агрегатов:
- современный 16-клапанный двигатель внутреннего сгорания с рабочим объемом 2,7 литра и максимальной мощностью 140 лошадиных сил. Двигатель оснащен системой непрерывной подачи топлива, позволяющей более эффективно использовать мощность двигателя.
- 2,9-литровый отечественный карбюраторный силовой агрегат УМЗ-409.10, способный выдавать 100 лошадей.
- дизельный силовой агрегат ЗМЗ-5143 с объемом цилиндра 2,24 л и мощностью 98 л. С.
- Дизельный двигатель 4CT90-Andoria объемом 2,4 литра польского производства, способный выдавать 86 лошадей.

Все двигатели комплектуются пятиступенчатой механической коробкой передач. Передние дисковые тормоза отвечают за безопасность вождения.
autobrains.ru
В 1972 году с конвейера Ульяновского автозавода сошел легендарный «Козлик» — внедорожник с обозначением УАЗ-469. Изначально он позиционировался как машина военного назначения, но позже был выпущен и гражданский вариант. Эта популярная модель была обусловлена лишь одним из ее положительных качеств, но самым серьезным — высокой проходимостью.
О том, что модель получилась по-своему удачной, свидетельствует тот факт, что ее последующее поколение УАЗ-3151 не имело существенных конструктивных доработок. Этот автомобиль остался таким же грубым, как и раньше, без намека на комфорт. Но его феноменальная проходимость скрашивала все невзгоды.
Вторым поколением, а теперь и последним, стала модель под названием УАЗ «Хантер», выпущенная в 2003 году. И хотя привычный цифровой индекс версии был заменен на англоязычное слово, но это все тот же «Козлик».
«, хотя и несколько навороченный для нынешних реалий.Отметим, что данная серия внедорожников больше не будет продолжена, и именно Hunter является завершающей моделью. Далее давайте посмотрим, что из себя представляет последнее поколение легендарного внедорожника.
Типы кузовов, размеры
Начнем с кузова и габаритов этого автомобиля. Как и у предыдущей модели, для этого внедорожника были доступны два варианта кузова. Основным из них был 5-дверный универсал с жестким металлическим верхом. Также «Охотник» доступен в кузове универсал-фаэтон, со съемным брезентом верхом, натянутым на разборные арки.
В целом нововведений у Хантера нет, кроме названия и некоторых второстепенных элементов. А поскольку в конструктивную часть изменений не вносилось, габариты внедорожника остались почти такими же, как у модели 3151.
Длина «Охотника» 4,1 м, при ширине (с разложенными зеркалами) — 2,01 м, при высоте 2,025 м. Главным преимуществом этого внедорожника является его дорожный просвет, который составляет 210 мм.

Внешний вид
Пройдемся по экстерьеру автомобиля, который практически не изменился со времен модели 469. Все те же кубические рубленые формы и полный минимализм. Но это одно из достоинств автомобиля. Он по-прежнему предназначен для передвижения там, где вы не сможете пробраться на других внедорожниках. И лишние элементы на кузове для этого ни к чему.
Внешний вид автомобиля давно знаком. Все те же две горизонтальные полосы и закругленные по краям широкие полосы, выполняющие роль решетки радиатора, круглые выпуклые фары, ниже которых расположились противотуманные фары. Интересно, что поворотников спереди нет вообще, они сбоку возле лобового стекла. Бампер тоже остался без изменений — обычная штампованная балка с зацепами сверху. И самое главное — никакого пластика.
Часть кузова, отведенная под интерьер, полностью оформлена в виде застекленной коробки. Из примечательного в боку автомобиля можно отметить только выступающую штамповку кузова, формирующую колесные арки.
Шторки дверей никто не прятал, они остались снаружи кузова. Зато уже есть отделочный пластик, который используется на дверных ручках и в качестве корпуса боковых зеркал.Задняя часть автомобиля вертикальная. 5-я дверь распашная, состоит из двух частей и на нижней закреплено запасное колесо. Задняя светотехника очень проста и состоит из двух вертикальных фар, совмещающих стоп-сигналы и поворотники.
В целом экстерьер автомобиля очень простой и без излишеств. Но такой минимализм зачастую только в плюс, особенно для любителей всевозможного тюнинга.
Видео: Тест-драйв УАЗ Хантер. Антон Автоман.
Интерьер
Интерьер «Охотника» соответствует внешнему виду – по-спартански и без намека на комфорт. Но дизайнеры хоть немного переделали сиденья, увеличив их удобство, а также оснастив задний ряд подголовниками. Кстати, отдельно.
В отличие от предыдущих моделей передняя панель Hunter выполнена из пластика. Главное место на ней, причем центральное, отведено приборной панели.
Все информационные датчики на нем круглые, аналоговые, расположены в ряд, что и определяет такие габариты устройства. Под датчиками установлен блок функциональных клавиш.Центральная консоль как таковая отсутствует. Вместо него имеется проем с видимой электропроводкой и воздуховодами системы отопления.
Хотя «Охотник» появился в 2003 году, стеклоподъемники в двери установить не удосужились. Вместо него стоит раздвоенное стекло, и если водитель хочет проветрить салон, то ему нужно отодвинуть одну из половинок стекла в сторону.
Трансмиссия этого автомобиля управляется двумя рычагами, отходящими от центрального тоннеля. Один из них управляется коробкой передач, а второй – раздаточной коробкой. Вот и все оборудование салона.
Видео: УАЗ Хантер глазами НОРМАЛЬНОГО водителя… как ЭТО можно водить???
Технические характеристики
Перейдем к технической части. С момента ее появления на «Охотнике», как и на его предшественниках, устанавливалась только бензиновая силовая установка.
Сначала использовался 2,9-литровый агрегат мощностью 104 л. С. Позже этот агрегат был заменен двигателем Patriot, основные характеристики которого: объем – 2,7 литра, мощность – 128 л.с.УАЗ «Хантер» — дизель
1) Изначально для автомобиля предлагался польский 8-клапанный агрегат Andoria объемом 2,4 литра, развивающий 86 «лошадей» при 4000 об/мин и 183 Нм пиковой тяги при 1800 об/мин. .
2) В 2005 году на смену ему пришел отечественный двигатель ЗМЗ-51432 объемом 2,2 л с 16-клапанным ГРМ, развивающий 114 сил при 3500 об/мин и 270 Нм при 1800-2800 об/мин.
3) И, наконец, на «Охотник» ставили китайский вариант F-Diesel 4JB1T объемом 2,2 литра, мощность которого составляет 92 лошадиные силы при 3600 об/мин и 200 Нм при 2000 об/мин.Последняя дизельная версия Хантера появилась с 2,2-литровым двигателем от того же Патриота, который выдает 98 л.с. С. Сейчас модели с таким двигателем можно приобрести только с рук.
Трансмиссия внедорожника состоит из 5-ступенчатой механической коробки и 2-ступенчатой раздаточной коробки.
Колесная формула у «Хантера» — 4х4, но передний мост — отключаемый.Скорость явно не стихия этого внедорожника. Максимальный показатель для него 130 км/ч — бензиновая версия. Дизель уступает этому показателю на 10 км/ч. О динамических характеристиках и говорить нечего.
Высокая проходимость Хантера также требует хорошего расхода топлива. Так, бензиновая модель потребляет в среднем 13,5 л, дизель УАЗ «Хантер» «кушает» меньше, но ненамного, его средний расход составляет 10,1 л. Обратите внимание, что это индикаторы при движении по дороге с твердым покрытием. Расход на бездорожье значительно возрастет.
Комплектация и стоимость
УАЗ «Хантер» больше не производится, хотя у дилеров до сих пор есть новые модели этого внедорожника, без пробега, да еще и в нескольких комплектациях. Но есть полная комплектация, а опционального оборудования как такового нет. Например, базовая модель, именуемая «Классика», в оснащение входит:
- Коробка передач Hyundai;
- Легкосплавные диски;
- Краска металлик.

УАЗ «Хантер» в комплектации «Трофи»
Топовая комплектация — «Трофи» помимо описанных опций имеет защиту рулевых тяг и агрегатов трансмиссии, автомобиль с ней также доступен в особом цвете и с эксклюзивными дисками. На этом все варианты закончились.
Стоит упомянуть особую серию «Победа» «Охотника», на которой закончилось производство этого внедорожника. Он приурочен к 70-летию Победы, благодаря чему автомобиль получил ряд особых опций — армейскую окраску с нанесением музыкальных нот (отличительный знак Маэстро из фильма «В бой идут одни старики»), а также сувенирный набор, состоящий из плаща-палатки, саперного инструмента и котелка.
Еще одним неоспоримым преимуществом этого автомобиля, наряду с его проходимостью, является его низкая стоимость. И хотя производство «Хантера» уже остановлено, купить новый внедорожник еще можно, правда, только с бензиновым двигателем.
Базовая версия «Охотника» с цельнометаллическим кузовом обойдется покупателю всего в 469 000 рублей.
Модель с пакетом «Трофей» имеет стоимость 529 900 рублей. Столько же будет стоить внедорожник специальной серии «Победа».
Технические характеристики УАЗ «Хантер» помогают автомобилю удерживать лидерство среди любителей внедорожников.
Технические параметры УАЗ «Хантер»
Первые модели сошли с конвейера с бензиновыми двигателями мощностью 104 л.с. С. и объемом 2,9 л. Позже стали выпускать силовую установку объемом 2,7 литра и мощностью 128 лошадиных сил от марки Патриот. За все время своего существования автомобиль работал на бензиновых карбюраторных, инжекторных и дизельных двигателях. Одним из первых предложенных вариантов стал 8-клапанный польский дизель Andoria объемом 2,42 л и мощностью 86 л. с., которые достигались при 4000 об/мин. При 1800 об/мин его крутящий момент составлял 183 Н*м.
Уже в 2005 году на смену «Андории» пришел отечественный 16-клапанный дизель ЗМЗ-51432, развивающий 114 сил при объеме 2,2 л и 3500 об/мин. Тяга агрегата достигала 270 Н*м при условии 1800–2800 об/мин.
А также на «Хантер» устанавливался двигатель F-Diesel 4JB1T (Китай) объемом 2,2 л, который выдавал крутящий момент 200 Н*м (2000 об/мин) и мощность 92 л.с. С. (3600 об/мин.). Самой последней стала дизельная версия УАЗа с двигателем 2,2 л от Патриота мощностью 98 сил. Сегодня купить такой дизель можно только на вторичном рынке.Динамические и скоростные характеристики УАЗ «Хантер» не самые сильные стороны автомобиля. Бензиновая версия разгоняется до 130 км/ч, дизельная — до 120 км/ч.
Повышенная проходимость внедорожника обеспечивается значительным расходом топлива. Средний расход бензиновых моделей на 100 км составляет 13,5 л, а дизельный УАЗ «Хантер» «кушает» чуть меньше — 10,1 л на 100 км. Эти показатели рассчитывались при движении по ровному дорожному покрытию; в условиях бездорожья увеличивается расход топлива.
Внешний вид автомобиля УАЗ «Хантер»
Внешний вид внедорожника незамысловат и практичен.
Его кубическую рубленую форму преобразили пластиковая фальшрадиаторная решетка и передний бампер со встроенными противотуманными фарами. Пластиковая отделка передней и задней части автомобиля отвечает требованиям безопасности и защищает современное лакокрасочное покрытие от различных негативных механических воздействий.Багажный отсек автомобиля УАЗ серии «Хантер» с рамной жесткой конструкцией кузова оборудован распашной дверью. Он обеспечивает более удобный, быстрый доступ к багажнику, а также облегчает погрузку/выгрузку груза или быструю посадку/высадку пассажиров на откидных сиденьях. В версиях кузова УАЗ с тентом установлена боковая распашная задняя дверь.
Улучшение обзорности, вентиляция автомобиля, удобный доступ к зеркалам заднего вида с целью их регулировки обеспечиваются дверными надставками, оборудованными раздвижными окнами.
Устройство салона автомобиля
Салон УАЗ «Хантер» не относится к классу «люкс», но организован таким образом, чтобы водитель и пассажиры чувствовали себя комфортно во время поездки.
Основные изменения в обустройстве салона автомобиля:- Новое рулевое колесо с мягким ободом.
- Салон обит ковролином. Это улучшает тепло- и звукоизоляцию.
- Новые удобные сиденья с тканевой обивкой.
- Переднее водительское сиденье имеет продольную регулировку в широком диапазоне, что делает управление им комфортным для людей среднего и высокого роста.
- Поездки на дальние расстояния стали еще комфортнее благодаря регулируемой спинке (можно регулировать угол наклона и поясничный подпор) передних сидений.
- Сиденья легко складываются в спальные места.
- Задние сиденья можно полностью или частично сложить (1:2), что позволяет разместить крупногабаритный груз.
- Уплотнители дверей с двойным замкнутым контуром обеспечивают салону внедорожника УАЗ «Хантер» низкую шумоизоляцию, защиту от попадания влаги и поддержание микроклимата на оптимальном уровне.
Характеристики шасси автомобиля УАЗ «Хантер»
Передняя и задняя подвески машины зависимые.
Передняя пружинная подвеска обеспечивает плавность хода, встроенный стабилизатор поперечной устойчивости поддерживает заданное направление колеи, а гидравлический амортизатор двойного действия обеспечивает плавность движения по грунту. Задняя подвеска имеет две продольные полуэллиптические низколистовые рессоры.Легкость управления УАЗ «Хантер» при стоянке и на малых скоростях достигается за счет гидроусилителя руля. Тормозная система работает четко, быстро и эффективно благодаря дисковым тормозам, установленным на передних колесах и модернизированным барабанам на задних.
Трансмиссия автомобиля УАЗ «Хантер» оснащена демультипликатором и представлена синхронизированной механической 5-ступенчатой коробкой передач и новой 2-ступенчатой косозубой раздаточной коробкой. В машине обе оси ведущие, но есть возможность отключить переднюю. Колесная формула – 4*4, дорожный просвет – 210 мм.
Среди конструктивных новшеств автомобиля — сцепление «ЛУК» (только на УАЗ «Хантер» с двигателем ЗМЗ — 409.
10) и новые ведущие мосты типа «Спайсер».Модельный ряд
На сегодняшний день у официальных дилеров можно приобрести следующие комплектации автомобилей УАЗ «Хантер»:
- Classic — Полноприводный бензиновый внедорожник (Part-Time plug-in) с цельнометаллической конструкцией кузова, раздаточной коробкой с механическим приводом, размером колесных дисков 16″.
- Classic с блокировкой дифференциала заднего моста — полноприводный автомобиль (система Part-Time), мосты Spicer, работающие на бензине, раздаточная коробка с механическим приводом, цельнометаллический корпус.
- Special Anniversary Series — полный привод (Part-Time), коробка передач — механическая, 5 ступеней, раздаточная коробка — 2 ступени, привод механический, мосты Spicer — неразрезные (главная пара — 4.625).
Элегантный охотник
Как известно, внедорожники предназначены для преодоления труднопроходимой местности.
Они должны иметь определенные преимущества, которые позволят им передвигаться в сложных условиях бездорожья. Мощный двигатель и полный привод необходимы автомобилю для уверенного преодоления полостей.Конечно, при таких требованиях расход топлива увеличивается. Не все любители бездорожья готовы постоянно тратиться на бензин. Поэтому отечественный автопром стал выпускать внедорожники УАЗ Хантер дизель.
Что такое дизель УАЗ
УАЗ Хантер является наследником проверенного временем УАЗ 469, который популярен среди автолюбителей и по сей день. Это и стало основной причиной начала производства «Охотника». Автомобиль не может похвастаться престижным дизайном, но его технические характеристики обеспечивают высокие продажи.
Дизельный охотник вобрал в себя все лучшие качества своего предшественника. При этом в конструкцию внедорожника было внесено несколько усовершенствований, позволивших в разы повысить его качество. Например, модернизирован механизм запирания дверей, теперь они закрываются достаточно просто и без лишнего шума.
Кузов покрыт дорогой эмалью, что придает внедорожнику современный вид.С целью увеличения дорожного просвета у автомобиля была поднята подножка и сужен дверной проем. Это немного сказалось на общем комфорте, так как садиться в кабину стало менее удобно. Сиденья стали более анатомическими, это увеличило внутреннее пространство. Теперь сзади можно разместить дополнительные сиденья, а багажное отделение оборудовать распашной дверью, как на современных внедорожниках.
Охотник не имеет недостатков модели 469, среди которых были неудачная конструкция коробки передач и малая мощность двигателя. Модернизированный дизельный внедорожник предлагает следующие преимущества:
- салон стал удобнее и комфортнее;
- значительно снизил расход топлива;
- двигатель и трансмиссия модернизированы;
- улучшенная схема конструкции подвески;
- увеличился объем салона и грузоподъемность.
Дизельный двигатель делает автомобиль более маневренным
Отзывы владельцев свидетельствуют о том, что автомобиль стал многофункциональным.
Его можно использовать не только в условиях бездорожья, но и как семейный автомобиль для выездов на природу.Многочисленные отзывы о внедорожнике подтвердили наличие у него 5-ступенчатой механической коробки передач от Hyundai Dymos. Коробка передач этого производителя качественная, значительно превосходящая по характеристикам отечественный аналог.
Преимущества дизельного двигателя перед бензиновым
Принимая решение о типе двигателя — дизельный или бензиновый, необходимо учитывать различия между ними.
Бензиновый хантер оснащен 4-цилиндровым 16-клапанным двигателем ЗМЗ-409 мощностью 128 л.с. С. и объемом 2,7 литра. Завод-изготовитель рекомендует заправлять двигатель бензином марки АИ-92. Расход топлива составляет 13,2 литра на 100 км в смешанном цикле. Внедорожник развивает скорость до 130 км/ч.
На дизельный Хантер устанавливается 4-цилиндровый 16-клапанный двигатель ЗМЗ-514 мощностью 114 л.с. С. и объемом 2,2 литра.
Средний расход топлива на 100 км составляет всего 10,5 литров. УАЗ способен разгоняться до 120 км/ч, развивая крутящий момент, достигающий 270 Нм.Исходя из этого, можно с уверенностью сказать, что дизельный двигатель позволяет сэкономить не только на покупке более дешевого вида топлива, но и на его расходе. При этом максимальная скорость ЗМЗ-514 ненамного отстает от скорости ЗМЗ-409.. Цена экономичного внедорожника превышает цену бензинового Хантера на 50 тысяч рублей. Экономия на бензине окупит переплату через 20 тысяч километров.
Дизельный двигатель добавляет автоматическую мощность
Дизельный двигатель во время работы не реагирует на пассажирскую нагрузку автомобиля. Результаты тест-драйва показали, что экономичный двигатель не перегревается как при движении по асфальтовому покрытию, так и при преодолении сложного бездорожья. Эта проблема все еще присутствует при использовании бензинового двигателя.
Российский внедорожник УАЗ «Хантер», пришедший на смену культовым моделям УАЗ-469/3151, поступил в серийное производство на мощностях Ульяновского автомобильного завода 19 ноября 2003 года, после чего практически сразу поступил на рынок.
Автомобиль продолжил славные традиции своих легендарных предков, завоевав почет и уважение у различных слоев населения, и неоднократно обновлялся в течение своего жизненного цикла. Последняя модернизация коснулась «Охотника» в феврале 2016 года, но ограничилась только появлением новых систем безопасности — креплений Isofix на заднем диване, индикатора, предупреждающего о непристегнутом ремне безопасности водителя и трехточечного ремня безопасности для водителя. средний пассажир «галереи».Во внешности УАЗ Хантер Классик моментально обнаруживается военная выправка – внедорожник выглядит абсолютно брутально и архаично, с какого бы ракурса ни посмотрели. Чисто утилитарный кузов пятидверки напрочь лишен обтекаемости, но всем своим видом демонстрирует готовность покорять любое бездорожье – простой передок с круглой оптикой и ровным капотом, «накачанные» боковины с высоким крыша и огромные колесные арки, а также монументальная корма с подвесной «запаской» и компактными фонарями.
Габаритная длина «Охотника» составляет 4100 мм, из них колесная база — 2380 мм, ширина не превышает 2010 мм (без учета боковых зеркал — 1730 мм), а высота укладывается в 2025 мм при клиренсе под 210 мм.
живот». В «боевом» виде машина весит 1845 кг, а ее полная масса немного превышает 2,5 тонны.Интерьер ульяновского внедорожника предельно аскетичен и ничем не примечателен, чтобы соответствовать его утилитарной сути. Ни о каких развлекательных возможностях здесь даже не может быть и речи – все индикаторы приборов на передней панели исключительно аналоговые, а управление привычной «печкой», светом и прочими функциями осуществляется с помощью крупных кнопок. Большой руль и аляповатые материалы отделки ничем не выбиваются из общей концепции.
Салон УАЗ Хантер рассчитан на размещение пяти человек: передним седокам выделены аморфные сиденья, лишенные даже намека на боковую поддержку, с минимальным количеством регулировок, а задним пассажирам живется не лучше из-за бесформенный диван, хотя им предлагается достаточно места.
Грузовой отсек УАЗ Хантер Классик в стандартном виде вмещает 1130 литров багажа, а при сложенном втором ряду сидений в пропорции 60:40 — 2564 литра.
Вот только «трюм» не отделен от пассажирского салона, но имеет широкий проем и довольно удобную форму.Технические характеристики. «Охотник» оснащается только одним бензиновым двигателем — рядным четырехцилиндровым атмосферным агрегатом ЗМЗ-409.10 рабочим объемом 2,7 литра (2693 куб. сантиметра), «заточенным» под топливо с октановым числом не ниже « 92″, оснащенный технологией распределенной мощности и 16-клапанным газораспределением. Его максимальная отдача составляет 128 лошадиных сил при 4600 об/мин и 210 Нм крутящего момента, реализуемого уже при 2500 об/мин.
Вместе с мотором устанавливается 5-ступенчатая МКПП и жестко подключаемый полный привод типа «part-time» с 2-ступенчатой «раздаточной коробкой» и понижающим рядом.Ульяновский внедорожник оснастили рядными турбодизельными «четвёрками»:
- Изначально для автомобиля предлагался польский 8-клапанный агрегат Andoria объемом 2,4 литра, развивающий 86 «лошадей» при 4000 об/мин и 183 Нм пиковой тяги при 1800 об/мин.

- В 2005 году его сменил отечественный 2,2-литровый двигатель ЗМЗ-51432 с 16-клапанным ГРМ, развивающий 114 сил при 3500 об/мин и 270 Нм при 1800-2800 об/мин.
- И, наконец, на «Охотник» поставили китайский вариант F-Diesel 4JB1T объемом 2,2 литра, мощность которого составляет 92 лошадиные силы при 3600 об/мин и 200 Нм при 2000 об/мин.
УАЗ Хантер может двигаться в трех режимах: 2Н — запас тяги в полном объеме уходит на задние колеса; 4Н — момент делится между осями в соотношении 50:50; 4L — полный привод и пониженный ряд передач для максимальной тяги (рассчитан на тяжелое бездорожье).
На асфальтовых покрытиях «Охотник» чувствует себя аутсайдером — его максимальная скорость не превышает 130 км/ч, а разгон до первой «сотни» занимает «вечные» 35 секунд. А внедорожник ест «за двоих» — средний расход топлива на загородной трассе составляет 13,2 литра на каждые 100 км пути в комбинированном режиме (по другим циклам ульяновский автопроизводитель цифры не раскрывает).

Но вне твердых дорог машина в своей стихии – способна преодолевать водные преграды глубиной до 500 мм, а углы въезда и съезда у нее составляют 30 и 33 градуса соответственно.
В основе УАЗ Хантер Классик лежит прочная рама лестничного типа, к которой в продольном положении крепятся цельнометаллический кузов и силовая установка. И спереди, и сзади внедорожник оснащен неразрезными мостами. В первом случае использовалась рессорная конструкция с парой продольных рычагов, поперечной тягой и стабилизатором, а во втором — несколько продольных полуэллиптических малолистовых рессор.
По умолчанию в рулевое управление машины интегрирован гидроусилитель, а его тормозной комплекс выражен передними дисковыми механизмами с двухпоршневыми суппортами и задними барабанными устройствами.Опции и цены. На российском рынке «классический» УАЗ Хантер 2016 года продается по цене от 589 000 рублей.
В стандартную комплектацию ульяновского внедорожника входят передние и задние ремни безопасности, 16-дюймовые стальные диски с шинами 225/75/R16, гидроусилитель руля, прикуриватель, обшивка сидений моющейся тканью и гидрокорректор фар.
За доплату автомобиль можно «поставить» на колеса с легкосплавными «катками» и покрасить в цвет «металлик».УАЗ хантер максимальная скорость. Двигатель уаз хантер бензиновый, дизельный двигатель уаз хантер технические характеристики. Технические характеристики УАЗ-Хантер
Технические характеристики УАЗ «Хантер» помогают автомобилю удерживать лидерство среди любителей внедорожников.
Технические параметры УАЗ «Хантер»
Первые модели сошли с конвейера с бензиновыми двигателями мощностью 104 л. из. и объем 2,9литров. Позже от марки Патриот стали выпускать силовую установку объемом 2,7 литра и мощностью 128 лошадиных сил. За все время своего существования автомобиль работал на бензиновых карбюраторных, инжекторных и дизельных двигателях. Одним из первых предложенных вариантов был 8-клапанный польский дизель «Андория» на 2,42 л и 86 л. с., которые достигались при 4000 об/мин. При 1800 об/мин его крутящий момент составлял 183 Н*м.

Уже в 2005 году на смену «Андории» пришел отечественный 16-клапанный дизель ЗМЗ-51432, развивающий 114 сил при объеме 2,2 л и 3500 об/мин. Тяга агрегата достигала 270 Н*м при условии 1800–2800 об/мин. А также на Хантер устанавливался 2,2-литровый двигатель F-Diesel 4JB1T (Китай), который выдавал крутящий момент 200 Н*м (2000 об/мин) и 92 литра. из. (3600 об/мин). Последняя дизельная версия УАЗа вышла с двигателем 2,2 литра от Патриота мощностью 98 сил. Сегодня купить такой дизель можно только на вторичном рынке.
Динамические и скоростные характеристики УАЗ «Хантер» не самые сильные стороны автомобиля. Бензиновая версия разгоняется до 130 км/ч, дизельная — до 120 км/ч.
Повышенная проходимость внедорожника обеспечивается значительным расходом топлива. Средний расход бензиновых моделей на 100 км составляет 13,5 л, а дизельный УАЗ «Хантер» «кушает» чуть меньше — 10,1 л на 100 км. Эти показатели рассчитывались при движении по ровному дорожному покрытию; в условиях бездорожья увеличивается расход топлива.

Внешний вид автомобиля УАЗ «Хантер»
Внешний вид внедорожника незамысловат и практичен. Его кубическую рубленую форму преобразили пластиковая фальшрадиаторная решетка и передний бампер со встроенными противотуманными фарами. Пластиковая облицовка передней и задней части автомобиля отвечает требованиям безопасности и защищает современное лакокрасочное покрытие от различных негативных механических воздействий.
Багажный отсек автомобилей УАЗ серии «Хантер» с рамной жесткой конструкцией кузова оборудован распашной дверью. Он обеспечивает более удобный, быстрый доступ к багажнику, а также позволяет легко загружать/выгружать груз или осуществлять оперативную посадку/высадку пассажиров на откидных сиденьях. В версиях кузова УАЗ с тентом устанавливается бортовая складывающаяся задняя дверь.
Улучшение обзорности, вентиляцию автомобиля, удобный доступ к зеркалам заднего вида с целью их регулировки обеспечивают дверные расширители, оборудованные раздвижными окнами.

Устройство салона автомобиля
Салон автомобиля УАЗ «Хантер» не относится к классу «люкс», а организован таким образом, чтобы водитель и пассажиры чувствовали себя комфортно во время поездки. Основные изменения в обустройстве салона автомобиля:
- Новый руль с мягким ободом.
- Салон обит ковролином. Это улучшает тепло- и звукоизоляцию.
- Новые удобные сиденья с тканевой обивкой.
- Переднее водительское сиденье имеет широкий диапазон продольной регулировки, благодаря чему людям среднего и высокого роста будет комфортно за рулем.
- Поездки на дальние расстояния стали еще комфортнее благодаря регулируемой спинке (можно регулировать угол наклона и поясничный подпор) передних сидений.
- Сиденья легко раскладываются в кровати.
- Задние сиденья складываются полностью или частично (1:2), что позволяет разместить крупногабаритный груз.
- Уплотнители дверей с двойным замкнутым контуром обеспечивают салону внедорожника УАЗ «Хантер» низкую шумоизоляцию, защиту от проникновения влаги и поддержание микроклимата на оптимальном уровне.

Характеристики ходовой части автомобиля УАЗ «Хантер»
Передняя и задняя подвески автомобиля зависимые. Передняя рычажная подвеска обеспечивает плавность хода, встроенный стабилизатор поперечной устойчивости удерживает вас на ходу, а гидравлический амортизатор двойного действия обеспечивает плавность хода по пересеченной местности. Задняя подвеска имеет две продольные полуэллиптические рессоры.
Легкость управления УАЗ «Хантер» при парковке и на малых скоростях достигается за счет гидроусилителя руля. Тормозная система работает точно, быстро и эффективно благодаря дисковым тормозам, установленным на передних колесах, и модернизированным барабанам на задних.
Трансмиссия автомобиля УАЗ «Хантер» оснащена демультипликатором и представлена синхронизированной механической 5-ступенчатой коробкой передач и новой 2-ступенчатой косозубой раздаточной коробкой. В машине обе оси ведущие, но есть возможность отключить переднюю ось. Колесная формула – 4*4, дорожный просвет – 210 мм.

Среди конструктивных новшеств автомобиля — сцепление «ЛУК» (только на УАЗ «Хантер» с двигателем ЗМЗ — 409.10) и новые ведущие мосты типа «Спайсер».
Модельный ряд
На сегодняшний день у официальных дилеров можно приобрести следующие комплектации моделей автомобилей УАЗ Хантер:
- Классик – полноприводный бензиновый внедорожник (Part-Time plug-in) с цельнометаллическим кузовом металлическая конструкция кузова, раздаточная коробка с механическим приводом, размер колесных дисков 16”.
- Classic с блокировкой дифференциала заднего моста — полноприводный автомобиль (система Part-Time), мосты Spicer, работает на бензине, раздаточная коробка работает с механическим приводом, цельнометаллический корпус.
- Special Anniversary Series — полный привод (Part-Time), коробка передач — механическая, 5 ступеней, раздаточная коробка — 2 ступени, привод механический, мосты «Спайсер» — неразрезные (главная пара — 4,625).
Двигатель УАЗ Хантер , который вы видите на фото в нашей статье, установлен от модели Патриот.
И бензиновые, и дизельные двигатели УАЗ Хантер точно такие же, как и у Патриота. Бензиновый двигатель объемом 2,7 литра выдает 128 л.с., дизель объемом 2,3 литра выдает чуть меньше, всего 114 лошадей, но по крутящему моменту дизель ему не по зубам. Сегодня мы подробно расскажем вам о конструкции и характеристиках двигателей УАЗ Хантер.Бензиновый двигатель УАЗ Хантер ЗМЗ-409 , 4-цилиндровый, 16-клапанный, рядный, со встроенной микропроцессорной системой управления впрыском топлива. Впрыск топлива осуществляется во впускной патрубок. Система зажигания с катушками, подающими ток на свечи зажигания, ввинченные вертикально в центр камер сгорания. Для этого в крышке ГБЦ есть даже специальные колодцы. Микропроцессорная система с электронным блоком управления двигателем автоматически регулирует угол опережения зажигания.
Блок цилиндров силового агрегата УАЗ Хантер чугунный, ГБЦ алюминиевая, с двумя распредвалами и гидрокомпенсаторами клапанов. Цепной привод ГРМ .
В то же время цепное устройство газораспределительного механизма двигателя «Хантер» очень сложное, так как состоит из двух цепей, соединенных через промежуточный вал. Плюс есть два гидравлических натяжителя цепи со звездочками. Вся эта конструкция является слабым местом всего двигателя, так как недостаточное натяжение, поломка гидронатяжителя, приводит к повышенному шуму двигателя УАЗ. Кроме того, часто выходят из строя гидрокомпенсаторы, что приводит к стуку в клапанном механизме.Двигатель УАЗ Хантер 2.7 бензин (128 л.с.) характеристики, расход топлива
- Рабочий объем — 2693 см3
- Количество цилиндров — 4
- Количество клапанов — 16
- Диаметр цилиндра — 95,5 мм
- Ход поршня — 94 мм
- Мощность л.с./кВт — 128/94,1 при 4600 об/мин
- Крутящий момент — 209,7 Нм при 2500 об/мин
- Степень сжатия — 9
- Марка топлива — бензин АИ 92
- Экологический класс — Евро-4
- Максимальная скорость — 130 км/ч
- Разгон до 100 км/ч — н/д
- Комбинированный расход топлива — 13,2 литра
Естественно, производитель не называет объективных данных по расходу топлива бензинового Хантера в городских условиях.
Причина понятна, достаточно высокий расход топлива может отпугнуть покупателей. Если вы хотите сэкономить на топливе, то покупайте УАЗ Хантер с дизелем, о котором мы поговорим далее.Дизель УАЗ Хантер собран на том же Заволжском моторном заводе. Рядный 4-цилиндровый, 16-клапанный силовой агрегат с двумя распредвалами. Цепной привод ГРМ, с гидравлическими натяжителями. В клапанном механизме имеются гидрокомпенсаторы. Блок цилиндров чугунный, головка блока алюминиевая, есть турбокомпрессор. Дизельный двигатель ЗМЗ-51432.10 CRS с системой подачи топлива Common Rail имеет электронно-управляемую систему подачи топлива BOSCH с максимальным давлением впрыска 1450 бар. Для привода ТНВД (ТНВД), водяного насоса и генератора используется поликлиновой ремень с автоматическим механизмом натяжения.
Дизельный двигатель УАЗ Хантер , с непосредственным впрыском топлива, турбонаддувом и охлаждением наддувочного воздуха, соответствует экологическому классу Евро-4.
Этот двигатель имеет хороший крутящий момент, который незаменим для бездорожья, плюс достаточно умеренный расход топлива. Ниже приведены подробные характеристики дизельного двигателя Hunter.Двигатель УАЗ Хантер 2.3 дизель (114 л.с.) характеристики, расход топлива
- Рабочий объем — 2235 см3
- Количество цилиндров — 4
- Количество клапанов — 16
- Диаметр цилиндра — 87 мм
- Ход поршня — 94 мм
- Мощность л.с./кВт — 113,5/83,5 при 3500 об/мин
- Крутящий момент — 270 Нм при 1300-2800 об/мин
- Степень сжатия — 19
- Тип ГРМ/Привод ГРМ — DOHC/Цепь
- Марка топлива — дизель
- Экологический класс — Евро-4
- Максимальная скорость — 120 км/ч
- Разгон до 100 км/ч — н/д
- Расход топлива в городе — н/д
- Комбинированный расход топлива — 10,6 литров
- Расход топлива по трассе — н/д
Дизельный агрегат Хантер, как и бензиновый аналог, при той же конструкции, что и двигатели Патриот, имеет больший расход топлива, но максималка ниже.
Этим можно объяснить конструктивные особенности самого УАЗ Хантер.
УАЗ Хантер — это тот самый знаменитый «козлик», живая классика советского автопрома. Это, собственно, УАЗ-469, стоящий на конвейере с далекого 19 года.72. Что касается, собственно, «охотника», то автомобиль с таким названием выпускается с 2003 года, правда, с перерывами.
Сам прародитель УАЗ-469 изначально создавался как армейский автомобиль. Что это значит, значит, комфорт для водителя был для конструкторов последним приоритетом, проходимость, ремонтопригодность и надежность были намного выше. Как оказалось, эти качества важны не только для военных, но и для охотников, рыбаков и других любителей дикой природы и отдыха вдали от городов и от асфальтированных дорог.
Важно! Hunter — удачная попытка максимально адаптировать армейский джип под гражданские нужды.
Внешний вид
Внешне сразу не найдешь отличия гражданского Охотника от его военного предка. В первую очередь это жесткий, металлический верх автомобиля, в то время как армейские внедорожники закрывались брезентовым кунгом.

Другие отличия включают более современные дверные ручки. Также несколько обновлены колесные диски и, конечно же, окраска автомобиля современными красками. Особенно металлический.
Собственно, это все отличия, в остальном это все тот же «Козел» 45-летней давности.
Интерьер
Внутри Хантер нарочито брутален, хотя отличий от армейской машины в салоне все же больше, чем снаружи.
Главным отличием является само наличие передней панели. У армейского джипа его просто не было.
Правда панель более чем простая, без всяких дизайнерских изысков. Еще одно важное отличие – наличие более-менее удобных сидений с подлокотниками. Но это не главное для ульяновского внедорожника, все самое главное находится под капотом. И покупают Хантер не за внешний вид, а за характеристики УАЗ Хантер.
Двигатели
Для внедорожника Ульяновск предусмотрено два двигателя:
- Бензиновый 4-цилиндровый двигатель. Объем 2,7 литра ЗМЗ 409;
- Дизельный 4-цилиндровый двигатель.
Объем 2,3 литра ЗМЗ 5143.
Бензиновый двигатель оснащен непосредственным впрыском топлива (инжектором). Имеет по 4 клапана на цилиндр и верхний газораспределительный механизм. С этими современными техническими системами он развивает мощность 128 л.с. из. и крутящий момент 216 Н.м при 3000 об/мин.
С этим силовым агрегатом Hunter достигает максимальной скорости 130 км/ч. Естественно, при таком солидном объеме расход топлива УАЗ Хантер составляет 13,2 литра на 100 км. Это так называемая средняя стоимость. При езде по бездорожью естественно заметно больше.
Двигатель ЗМЗ 409
Что касается дизеля, то мощность у него немного меньше, всего 96 л.с. из. Момент такой же, как и у бензинового двигателя – 216 Н. м, однако он достигается при 2100 об/мин и это позволяет «козлику» идти в гору, не нажимая на педаль газа. Максималка, конечно, у дизельного УАЗа несколько меньше, чем у бензинового, где-то чуть меньше сотни. Но гонки по трассе – это не стихия Хантера, его стихия – бездорожье, вот тут дизельная версия покажет все свои преимущества.

Кстати, обычно владельцы дизельных «козликов» вполне уверенно держат скорость 90 км/ч, при этом вполне уверенно едут по грунтовке с той же скоростью.
В общем, дизель гораздо более, так сказать, продвинут, чем бензиновый двигатель. Раньше на внедорожники ставили польский двигатель, но после того, как Заволжский моторный завод в начале 2000-х разработал свою серию ЗМЗ-514, стали устанавливать отечественные силовые агрегаты, так как они не только не уступали импортным, но даже превзошел их.
Дизель оснащен турбокомпрессором, оснащен непосредственным впрыском топлива, что позволяет ему иметь недостижимый ранее для внедорожника Ульяновского автозавода расход топлива, где-то в районе 10 литров на 100 километров .
Дизельный двигатель ЗМЗ 5143
Трансмиссия
Трансмиссия автомобиля состоит из двух коробок, коробки передач и раздаточной коробки. Коробка передач на Хантере 5-ступенчатая, а раздаточная коробка двухступенчатая. Джип имеет полный привод, при этом передний мост можно отключить.
Раздаточная коробка управляется вторым рычагом в салоне, который можно увидеть на фото выше.Что касается подвески колес, то она спереди на рессорах, а вот сзади, как на старом добром УАЗике, она рессорная. Правда, пружины специальные, мягкие.
Собственно, на этом рассказ о технических характеристиках УАЗ Нунтер можно заканчивать, резюмирую.
Резюме
Теперь главный вопрос, касающийся этого автомобиля, заключается в том, сколько еще он будет производиться. По словам руководства Ульяновского завода, следующего поколения «Охотника» уже не будет. Но и эту модель тоже никто не собирается снимать с производства, несмотря на достаточно высокую цену (исходя из уровня автомобиля). Кстати, они начинаются с 557 000 рублей, что сегодня соответствует где-то чуть меньше 10 000 долларов.
Однако, несмотря ни на что, автомобиль имеет стабильный и устойчивый спрос, и с учетом его безальтернативности на российском рынке, видимо, еще не один год. Единственным конкурентом Хантера является старая добрая Нива, которую сегодня называют Лада 4х4.
Но если вспомнить, что в следующем году он, судя по всему, будет снят с производства, то спрос на ульяновскую продукцию должен возрасти еще больше.Так что, думаю, рано говорить, что Охотнику пора отдыхать.
В 1972 с конвейера Ульяновского автозавода сошел легендарный «Козлик» — внедорожник с маркировкой УАЗ-469. Изначально он позиционировался как машина военного назначения, но позже была выпущена и гражданская версия. Популярность этой модели была обусловлена лишь одним из ее положительных качеств, но самое серьезное – высокая проходимость.
О том, что модель получилась по-своему удачной, свидетельствует тот факт, что ее последующее поколение УАЗ-3151 не имело существенных конструктивных доработок. Этот автомобиль остался таким же грубым, без намека на комфорт. Но его феноменальная проходимость скрашивала все невзгоды.
Вторым поколением, а теперь и последним, стала модель под названием УАЗ «Хантер», выпущенная в 2003 году. И хотя привычные версии цифрового индекса были заменены на английское слово, но это все тот же «Козлик», хоть и несколько поработанный вне текущих реалий.

Обратите внимание, что у этой серии внедорожников больше не будет продолжения, и именно Hunter является финальной моделью. Далее давайте взглянем на то, что представляет собой легендарный внедорожник последнего поколения.
Типы кузовов, габаритные параметры
Начнем с кузова и габаритов этого автомобиля. Как и у предыдущей модели, для этого внедорожника были доступны два варианта кузова. Основным из них был 5-дверный универсал с жестким металлическим верхом. Также «Охотник» доступен в кузове универсал-фаэтон, с брезентовым съемным верхом, натянутым на демонтированные дуги.
Судя в целом нововведений в Хантере нет, кроме названия и некоторых второстепенных элементов. А так как никаких изменений в конструктивную часть внесено не было, то и габариты внедорожника остались практически такими же, как у модели 3151.
Длина «Охотника» 4,1 м, ширина (с разложенными зеркалами) — 2,01 м, высота — 2,025 м. Главным преимуществом этого внедорожника является дорожный просвет, который составляет 210 мм.

Внешний вид
Пройдемся по внешнему виду автомобиля, который почти не изменился со времен 469. Все те же кубические рубленые формы и полный минимализм. Но это одно из достоинств автомобиля. Он по-прежнему предназначен для передвижения там, где другим внедорожникам не добраться. И лишние элементы на корпусе для этого ни к чему.
Внешний вид автомобиля давно знаком. Все те же две горизонтальные широкие полосы, решетчатые и закругленные по краям, выполняющие роль решетки радиатора, круглые выступающие фары, под которыми находятся противотуманные фары. Интересно, что поворотников спереди нет вообще, они сбоку возле лобового стекла. Бампер тоже остался без изменений — обычная штампованная балка с зацепами сверху. И самое главное, никакого пластика.
Часть корпуса, отведенная под салон, по форме полностью напоминает застекленный ящик. Из примечательного в боковой части автомобиля можно отметить лишь выступающую выштамповку кузова, формирующую колесные арки. Шторки дверей никто не прятал, они остались снаружи кузова.
Но тут уже финишный пластик, который используется на дверных ручках и в качестве корпуса боковых зеркал.Задняя часть автомобиля вертикальная. 5-я дверь распашная, состоит из двух частей и на нижней из них закреплено запасное колесо. Задняя светотехника очень проста и состоит из двух вертикальных фар, совмещающих в себе стоп-сигналы и поворотники.
В целом внешний вид автомобиля очень простой и без особых изысков. Но такой минимализм зачастую только в плюс, особенно для любителей всевозможных строев.
Видео: Тест-драйв УАЗ Хантер. Антон Автоман.
Интерьер
Интерьер «Охотника» под стать внешности- спартанский и без намека на комфорт. Но дизайнеры хоть немного переделали сиденья, увеличив их удобство, а также оснастив задний ряд подголовниками. Кстати, отдельно.
В отличие от предыдущих моделей передняя панель Hunter отделана пластиком. Главное место на ней, причем центральное, отведено приборной панели. Все информационные датчики на ней круглые, аналоговые, расположены в ряд, что и определяет такие габариты приборки.
Под датчиками расположен блок функциональных клавиш.Центральная консоль отсутствует как таковая. Вместо него имеется проем с видимой электропроводкой и воздуховодами системы отопления.
Хотя Хантер появился в 2003 году, стеклоподъемники в двери поставить не удосужились. Вместо него стоит отдельное стекло, и если водитель хочет проветрить салон, то ему нужно отодвинуть одну из половинок стекла в сторону.
Трансмиссия этого автомобиля управляется двумя рычагами, отходящими от центрального тоннеля. Один из них управляется коробкой передач, а второй является раздаточной коробкой. Вот и все внутреннее оборудование.
Видео: УАЗ Хантер глазами НОРМАЛЬНОГО водителя… как можно ЭТО водить???
Технические характеристики
Перейдем к технической части. С момента его появления на Хантере, как и на его предшественниках, устанавливалась только бензиновая силовая установка. Сначала использовался 2,9-литровый агрегат мощностью 104 л. из. Позже эта установка была заменена двигателем от Патриота, основные характеристики которого: объем – 2,7 литра, мощность – 128 л.
с.УАЗ «Хантер» — дизель
1) Изначально для автомобиля предлагался польский 8-клапанный агрегат Andoria объемом 2,4 л, генерирующий 86 «лошадей» при 4000 об/мин и 183 Нм пиковой тяги при 1800 об/мин. об/мин.
2) В 2005 году на смену ему пришел отечественный двигатель ЗМЗ-51432 объемом 2,2 л с 16-клапанным ГРМ, развивающий 114 сил при 3500 об/мин и 270 Нм при 1800-2800 об/мин.
3) И, наконец, на «Хантер» устанавливалась китайская версия F-Diesel 4JB1T на 2,2 литра, отдача которой составляет 92 лошадиные силы при 3600 об/мин и 200 Нм при 2000 об/мин.Позже всех появилась дизельная версия «Охотника» с 2,2-литровым двигателем от того же «Патриота», который выдает 98 л.с. из. Сейчас модели с таким двигателем можно приобрести только с рук.
Трансмиссия внедорожника состоит из 5-ступенчатой механической коробки и 2-ступенчатой раздаточной коробки. Колесная формула «Охотника» — 4х4, но передний мост подключаемый.
Скорость явно не стихия этого внедорожника.
Его максимальный показатель 130 км/ч – бензиновая версия. Дизель уступает этому показателю на 10 км/ч. О динамических характеристиках и говорить нечего.Высокая проходимость Хантера также требует хорошего расхода топлива. Так, бензиновая модель потребляет в среднем 13,5 л, дизель УАЗ «Хантер» «кушает» меньше, но ненамного, его средний расход составляет 10,1 л. Обратите внимание, что это индикаторы при движении по дороге с твердым покрытием. Расход на бездорожье значительно возрастет.
Комплектация и стоимость
УАЗ «Хантер» больше не выпускается, хотя у дилеров до сих пор есть новые модели этого внедорожника, без пробега, да еще и в нескольких комплектациях. Вот только полная комплектация, а опционального оборудования как такового нет. Например, базовая модель, именуемая «Классика», оснащена:
- КПП Hyundai;
- Легкосплавные диски;
- Отделка металлик.
УАЗ «Хантер» в комплектации «Трофи»
Топовая комплектация — «Трофи», помимо описанных опций, имеет защиту рулевых тяг и агрегатов трансмиссии, автомобиль с ней также доступен в особого цвета и с эксклюзивными колесами.
На этом все варианты закончились.Стоит упомянуть особую серию «Победа» «Охотника», на которой завершился выпуск этого внедорожника. Он приурочен к 70-летию Победы, благодаря чему автомобиль получил ряд особых опций — армейскую окраску с аэрографией музыкальных нот (визитная карточка Маэстро из фильма «В бой идут одни старики»), а также в качестве сувенирного набора, состоящего из накидки, траншейного инструмента и котелка.
Еще одним неоспоримым преимуществом этого автомобиля, наряду с проходимостью, является его низкая стоимость. И хотя производство «Хантера» уже остановлено, купить новый внедорожник еще можно, правда, только с бензиновым двигателем.
Базовая версия «Охотника» с цельнометаллическим кузовом обойдется покупателю всего в 469 000 рублей. Модель с пакетом Trophy имеет стоимость 529 900 рублей. Столько же будет стоить внедорожник специальной серии «Победа».
«УАЗ-Хантер» — последняя модификация известного российского внедорожника Ульяновского автомобильного завода.
Автомобиль удачно сохранил и приумножил все достоинства предыдущих выпусков. Это все тот же внешне брутальный «козёл», каким его видели наши деды. Крепкая база и простой, непритязательный салон – все, что нужно настоящему мужчине.Верность традициям
Неизменный внешний вид автомобиля может вызвать недоумение. Ведь кроме странного пластика переднего и заднего бамперов, а также модного цвета металлик, это все тот же УАЗ-469.. Внутри тоже мало что изменилось. Приборная панель стала пластиковой, а окна теперь открываются по сдвижному принципу, а не поворотом. Аскетизм и минимализм подходят только настоящему мужчине, не избалованному чрезмерным комфортом иномарок.
При этом технические характеристики УАЗ-Хантер с каждой модификацией только улучшаются. В основе конструкции также лежит цельная рама и постоянный полный привод. Автомобиль во все времена ценился именно за его уверенные проходимые качества. «Русский танк» проходит там, где другие пройти не могут. А минимализм, с одной стороны, обеспечивает доступную цену, а с другой – широкие возможности для творческого тюнинга.

Технические характеристики
Технические характеристики УАЗ-Хантер в базовой версии представлены тремя силовыми агрегатами. Два бензиновых и один дизельный мотор дают достаточно широкий выбор искушенному автовладельцу.
- ЗМЗ-409 — классический агрегат Заволжского моторного завода объемом 2,7 л.
- ЮМЗ-4218 — двигатель ульяновских инженеров максимальным объемом 2,9 литра для линейки Hunter.
- ЗМЗ-514 — первый дизельный автомобиль УАЗ российского производства с объемом 2,4 литра.
Коробка передач на автомобиле пятиступенчатая механическая и теперь только корейская. Хотя в начале выпуска модели с 2003 года еще устанавливалась старая русская коробка производства Арзамаса. Надежность автомобиля от внедрения иностранного аналога только выросла, как и его цена. Но некоторые изменения необходимо вносить вне зависимости от общего удорожания продукта.
Распределение автомобиля по-прежнему двухэтапное. Подвеска выполнена по проверенной временем схеме: зависимая пружинная спереди и зависимая пружинная сзади.
Есть передний стабилизатор поперечной устойчивости и четыре амортизатора двойного действия.«УАЗ-Хантер», технические характеристики которого раскрыты для бездорожья, остается автомобилем. Колеса 16-го размера могут меняться в достаточно широком диапазоне без внесения изменений в конструкцию. Передние тормоза УАЗ дискового типа, а задние барабанного типа. Тогда как в 469-м они все барабанные по кругу.
Что касается габаритов, то здесь все осталось по-прежнему. Охотник имеет длину 4,17 м, ширину с зеркалами 2,01 м и высоту 2,025 м. Дорожный просвет базовой модификации составляет 21 см. Для сравнения: у «прокачанных» УАЗов этот показатель увеличивается до 35 см. Масса автомобиля приближается к 2 тоннам. При этом дизельная версия будет самой тяжелой – 1815 кг против бензиновых аналогов в 1665 кг и 1770 кг.
Достоинства и недостатки обновленного «Хантера»
Если практически неизменный внешний вид можно считать и достоинством, и недостатком, то технические характеристики УАЗ-Хантер несомненно выросли:
- расширилась линейка двигателей;
- улучшенная корейская коробка передач;
- современные лакокрасочные покрытия;
- улучшенный обогреватель салона;
- последних выпусков.

Металлические бамперы
Главным недостатком УАЗа можно считать практически полное отсутствие комфорта и узкие дверные проемы. И если уровень удобств можно как-то повысить, то двери поменять нельзя. Второй недостаток — негоночные возможности: 35 с до 100 км/ч и максимальная скорость 130 км/ч у бензиновой версии. Все-таки это в первую очередь «танк» и только потом средство передвижения. УАЗ-Хантер, технические характеристики которого рассчитаны с внедорожным уклоном, остается одним из самых любимых тюнинговых автомобилей. Но это отдельная тема.
Несколько слов необходимо сказать о дизеле ЗМЗ-514. При объеме 2,4 литра достигается мощность 86 л. из. УАЗ-Хантер дизель, технические характеристики которого остаются на высоте, более приятный вариант для бездорожья. Это относительно менее оборотистый, но самый тяговитый двигатель. А наличие турбины положительно сказывается на скоростных характеристиках и разгоне.
Дизельная версия также является самой экономичной. Рассмотрим технические характеристики модели УАЗ-Хантер (расход топлива):
- ЗМЗ-409 — 13,2 л.

- ЮМЗ-4218 — 15,5 л.
- ЗМЗ-514 — 11,9 л.
Приведенные цифры соответствуют смешанному циклу на 100 км. А в случае расхода по трассе без подключения «передка» дизель уложится в 8 литров на 100 км.
Результаты
Технические характеристики нового поколения УАЗ-Хантер стали только лучше. Время не стоит на месте, и человеческая мысль старается не отставать. Это в полной мере реализовано инженерами Ульяновского автозавода. Автомобиль стал еще надежнее и проходимее. И популярность русского «охотника» всегда была на должном уровне.
Дополнительная печка УАЗ 469. Усовершенствование конструкции отопителя УАЗ Хантер, выбор и замена электродвигателя, сезонное обслуживание. Доработка и усовершенствование конструкции отопителя УАЗ Хантер, выбор и замена электродвигателя, сезонный
Главная / Вождение
Отопитель УАЗ Хантер, это его замена более совершенному и производительному отопителю нашего производства. Достоинств у него больше, чем недостатков, к основным из которых можно отнести большую цену.
Если вы хотите сэкономить, вы можете повысить КПД штатного отопителя с помощью некоторых простых усовершенствований, о которых речь пойдет ниже.Доработка и усовершенствование конструкции отопителя УАЗ Хантер.
Начать стоя с герметизации корпуса отопителя. Для этого его необходимо снять с автомобиля и закрыть изнутри с помощью автомобильного герметика все углы и места расположения деталей корпуса. А затем желательно тоже изнутри обшить стенки короба тонкими, 2-3 мм, листами автомобильной шумо- и виброизоляции. Все это в комплексе устранит подсос воздуха, немного повысит теплоотдачу и немного снизит общий шум отопителя при работе электродвигателя.
Следующий шаг — попробовать любым доступным способом, например оконным уплотнителем по периметру, заклеить нижний прямоугольный выходной люк корпуса отопителя. Это необходимо для того, чтобы устранить утечки воздуха при закрытой крышке обшивки, тем самым увеличив силу воздушного потока, который будет идти через гофрированные шланги на лобовом стекле или через нижние боковые воздухораспределители.

Ну и в заключение необходимо убрать или просто отогнуть влево прямоугольный выступ, который находится с внутренней стороны отопителя и частично закрывающий левый выход воздуха на лобовое стекло. Общее назначение и функционал этого выступа в конструкции не совсем понятен, но то что без него увеличивается мощность подачи воздуха в левый гофрошланг, а значит увеличивается мощность обдува лобового стекла с водительской стороны это факт .
Несмотря на пластиковый бокс, установленный под хитростью воздухозаборника, кусочек дождевой воды при закрытой крышке люка, во время стоянки все равно может попасть в салон УАЗ Хантер. Изначально в результате осмотра и контроля во время дождя показалось, что попадание капель воды в салон происходило так как это происходило по сливному шлангу коробки.
Тогда предположили, что повреждена сама пластиковая коробка. На самом деле точно установлено, что вода в салон попадает через место соединения верхней внутренней железной крыши отопителя, выходящего из кузова.
Там он образует небольшой бортик, на который устанавливается нижний уплотнитель люка.Дождевая вода следует за этим уплотнением, затем попадает в зазор между выступающей стороной коробки и непосредственно корпусом. А оттуда попадает сразу внутрь корпуса отопителя и далее по рыхлости стекает под ноги к водителю или переднему пассажиру. То есть он изначально попадает не в пластиковую коробку, а в обход.
Поэтому нижний резиновый уплотнитель люка необходимо снять, его хорошо обработать кузовным герметиком по кругу, чтобы стал виден стыковочный шов, после чего установить уплотнитель на место. Больше вода в салон через отопитель не пойдет.
Установка уплотнителя двери на крышку воздухозаборника УАЗ Хантер.
В любом случае, установлен пластиковый бокс на машине над радиатором отопителя или нет, естественный выход воды и пыли в отопитель, а затем в салон при закрытом воздухозаборнике, воздухозаборник должен предотвратить. Лучше всего справится пластиковая накладка, установленная поверх люка.
Только нужно заранее выяснить, подходит ли он на УАЗ Хантер с нижним расположением поводков или нет.Если нет желания сверлить дополнительные отверстия в корпусе машины установить такую накладку, то есть более простым и бюджетным способом. Заключается в замене штатного резинового уплотнителя крышки воздухозаборника на уплотнитель, который с завода устанавливается на внутренний проем дверей УАЗ Хантер, его каталожный номер 3153-6107018 или 3153-6107019. А по сути это обычный уплотнитель двери от ВАЗ 2101, 2102, 2103, 2104, 2105, 2106, 2107, который идет под номерами 2101-6107018, 2101-6207024, 2101-6207025.
Особых сложностей при установке такого уплотнителя не возникает. Единственное, на что следует обратить внимание, так это на то, чтобы при установке крышки крышка была максимально поднята настолько, насколько это позволяют ее регулировочные отверстия. Теперь в закрытом состоянии крышка люка воздухозаборника максимально герметична по всему периметру и попадание воды практически исключено даже во время очень сильного дождя.

Выбор и замена электродвигателя УАЗ Хантер.
Штатно, в отопителя УАЗ Хантер установлен электродвигатель МЭ236 мощностью 25 Вт. Его возможностей откровенно хватает, чтобы протянуть воздух через радиатор. Еще от небольшого исполнения ME236, качество обдува лобового стекла очень сильное.
Подобрать на замену ME236 Более мощный электродвигатель особой работы не представляет. Например, это могут быть электродвигатели 19.3730, 191.3730, 192.3730 и 194.3730 мощностью 40 Вт, или 197.3730 мощностью 60 Вт, или 51.3730 и 511.3730 мощностью 90 Вт. Главное, чтобы диаметр выходного вала у электродвигателя был 8 мм, чтобы можно было без переделок установить обычную крыльчатку, а также чтобы на корпусе присутствовали подходящие шпильки или резьбовые отверстия для ее крепления в нагревателе.
Кроме того, не лишним будет учесть нагрузку, которую этот электродвигатель будет создавать на бортовую сеть и, соответственно. Так, потребляемый ток у электродвигателя 511.3730 мощностью 90 Вт составляет 15 ампер, против 5 ампер у штатного ME236.
Поэтому, пожалуй, золотой серединой станет установка электродвигателя 197.3730 мощностью 60 Вт и потребляемым током в 8 ампер.Если не брать в расчет глобальные переделки, то легкодоступной альтернативы штатной крыльчатке нет. На эффективность работы рабочего колеса сильно влияет высота его установки на валу электродвигателя.
Если крыльчатка установлена высоко и ее лопасти почти полностью спрятаны в диффузоре, то при прочих равных условиях поток воздуха от отопителя будет горячим и, соответственно, салон прогреется быстрее. А если крыльчатка низкая, то повысится эффективность обдува лобового стекла и, соответственно, устранить его будет быстрее. Так вот, здесь необходимо подбирать высоту его установки исходя из личных предпочтений.
Установка пульта привода крана отопителя УАЗ Хантер.
Кран подачи питания, установленный на УАЗ Хантер, позволяет дистанционно регулировать подачу охлаждающей жидкости в радиатор отопителя, но такая возможность по каким-то причинам осталась не реализованной автоинженерами.

Чтобы исправить этот недостаток, можно самостоятельно установить управление отопителем от какой-нибудь модели ВАЗ или ЗАЗ. Подробнее об этом, в отд.
Я уже рассказывал, как готовил свой УАЗик к переезду с юга в Сибирь и обещал, что дальше буду рассказывать о переделках своими руками, так что…
Эксплуатация машины зимой выявила проблему. Если за бортом ниже 30 по Цельсию, то передняя печка останавливается и греет и обдувает стекло — остается 2 «амбрусуры» спереди, сбоку полностью изнутри прикрывается фундаментом, несмотря на то, что машина хорошо утеплена. Поиск в интернете показал, что проблема не новая, вариантов решения (и результатов) много. Но т.к. я «сделался» в СССР, обладая техническим образованием, техникой ума и вроде бы не с кривыми, я пошел своим путем. Значит проблема печки в плохом нагреве (быстром охлаждении) и маленьком расходе воздуха в печке; Я смог решить радикально…
Я «поставил» эту мысль и стал ждать, пока мне в руки не попадется что-то из того, что мне пригодится.
И вот сосед (держит вереницу контрактных запчастей рядом с соткой, где я работаю) привез… это была печка (точнее половина кожуха двигателя с моторчиком печки и с заслонками) от Тойоты ( Не знаю какой) с надписью на нем ST-215 и работа пошла. Оза печка снята и разобрана, все разложено на полу…Печка УАЗ разобрана пополам (по заводскому подключению), снят радиатор и отправлен на проверку специально обученному человеку))). Новая печка подошла как родная вместо задней (убрал половину) родной, но места для радиатора нет. Решено было двигаться дальше — болгарка, письмо, гнут и… Получилось))). Радиатор бреппи на б/у ремнях ГРМ, естественно все через резину (везде вставил между ними металл).
Все собираем в единый корпус, не забыв прокурить теплозащитный экран все что можно и все щели залил обычным силиконовым герметиком
Еще раз все проверяем и ставим на месте и опять засада — передняя панель немного мешает.
.. это решит болгарка))), так же гнутся рычаги включения моста и низ. Окна «летнего» дула со старой печкой остались функциональными.И опять надо подумать… Воздуховоды не нашел — пытался подобрать… Оказалось труба для сантехники на 50 — самое то))). Схема электрического подключения Взято в интернете — теперь у меня 3 скорости вентилятора из-за резистора печки ВАЗ 2110.
Все щели снова заливаем герметиком, ждем около суток, затыкаем. На выходе шланга из головки блока кулера ставим доп. Электропомпа (брать только чушь — наших нет) и торжественный запуск…)))
Надежда оправдалась — зима не наступила, но «ходовые испытания» показали: на 1 скорости печка дует в разы сильнее старой; На 3 скорости — кепку с головы за козырек приподнимает))) Горячий радиатор — рука не терпит. Полученную внешнюю эстетику оставил на потом — просто сверху поставлю узкую полочку и закрою вид на двигатель печки изнутри. Новые заслонки тоже буду делать через механическую тягу — поднял рычаг и открыл, опустил — закрыл, ничего интересного.
Теперь о расходах:Электропрома была в наличии, в магазине стоит от 2.500р
резистор, провода, переключатель 3 положения — 800р
ремонт радиатора печки, пропаганда и проверка — 500р
герметик, шурупы, болты, пластиковые хомуты и т.д. — 300р
труба воздуховода, 2 тройника, 4 уголка, переход 100 на 50 — 400р
утеплитель (пенофор 10 мм) — 200р
ИТОГО — 2200р (без стоимости доп. электропрома)
В общем все , патентовать не буду — пользуйтесь)))
И опускание люка ящиков. Если машину не поднять и выводной шкаф не опустить, то конструкция не подойдет! Мне потребовалась серьезная обработка нижней части печки.
Предупреждение С. ШелиховскийКонструктивная вентиляционно-отопительная установка (далее печь) состоит из двух частей: верхней и нижней. Такое разделение необходимо для удобства установки печки на автомобиль.
Вверху находятся: два нагнетательных вентилятора от ВАЗ-2108, а также верхний распределительный клапан, который направляет воздух либо на радиатор отопителя, либо прямо в салон.
Также в верхней части имеются отражатели для обдува водителя и пассажира, а также «выходы» по обдуву лобового стекла.Нижняя часть это радиатор отопителя АЗЛК-2141 (лучше купить иранский — сделан аккуратно, по АЗЛК (Терра инкогнито), они сглажены меньше чем у нас, а из 4-х стоящих на моих машинах нет нет тех(наши 3 потекли — заменили на иранские).Но надо быть внимательнее при покупке -есть турецкие -они тоньше и теплоотдача соответственно меньше.А по иранским только положительные отзывы.)Воздух либо на ноги, либо обдувом лобового стекла, либо обогревом водителя и пассажира (верх кузова).
На чертежах представлены (30-40 КБ): вид сбоку (с разрезом), вид из салона (с разрезом по сечению а-а), а также вид из салона. Все размеры, указанные на чертежах, являются внешними. Увеличивать эти размеры не рекомендуется, так как могут возникнуть трудности с установкой печки на автомобиль. При соблюдении указанных размеров печка поднимается без дополнительных операций. Толщина стенки около 5 мм.

В качестве силового каркаса печки использовал каркас сколоченный из алюминиевых уголков. На чертежах углы изображаются красным цветом. После изготовления каркаса он был органит (можно панеру). Для прочности шва между органотом и рамой нанес клей-герметик. После обшивки органит пропитан водостойким лаком, снаружи ковер, а полость вентиляторов проклеена полиэтиленом для тепло-шумоизоляции. Приведу примерный перечень деталей и инструментов, необходимых для изготовления печки.
- Тепловентилятор отопителя ВАЗ-2108 — 2 шт.,
- Радиатор отопителя АЗЛК-2141 (лучше взять иранский) — 1 шт.,
- Дефлекторы АЗЛК-2141 боковые, правые — 2 шт., левые — 2 шт. ,
- Резистор печки АЗЛК-2141 или ВАЗ-2108 или ВАЗ-2108 — 2 шт.
- тросы управления клапанами АЗЛК-2141 и им подобные — 4 шт.,
- жесть (оцинкованная или обычная),
- уголки алюминиевые 10х10, 25х25, 30х30, толщиной 1,5 — 2 мм.,
- органит
- 4 9 ковер ,
- клей-герметик типа жидкие гвозди,
- заклепки под пистолет диаметром 3,5 или 4,0 мм и длиной 6 и 8-10 мм.

- (болты, гайки, шайбы М4-М6).
крепеж
Инструмент:
- дрель со сверлами
- болгарка или ножовка
- ножницы по металлу,
- заклепочный пистолет.
Примем следующие условные слагаемые: передняя часть печки — сторона печки, ближняя к двигателю; Задняя сторона – сторона печки, обращенная к салону. Правая и левая сторона печки соответственно расположены по ходу движения автомобиля.
Начало изготовления с каркаса волчка. Из уголка 25х25 вырежьте 4 детали по 190 мм. Они будут образовывать вертикальную стойку каркаса топа. Правая и левая стороны (попарно) соединяются внизу 30х30 (угол: один вертикально вверх, один горизонтально снаружи) и длиной 175 мм (этот уголок будет образовывать плоскость для соединения с дном, поэтому необходимо чтобы прикрепить его не менее чем на 3-4 заклепки). Между собой правая и левая части скрепляются снизу уголком 10х10, длиной 310 мм (сторона вертикально и горизонтально внутри).
На высоте 55мм правая и левая часть соединяются уголком 25х25 (сторона вертикально вверх и внутрь).
На этой же высоте с боков крепится уголок 25х25 (бок вертикально вниз и горизонтально наружу). Далее из органа вырезается дно полости вентилятора 405х175 мм. Днище должно играть слева от центральных стоек на 45 мм, а справа на 50 мм. В нижней части должно быть размещено окошко для вставки выпуска вентилятора. Вентиляторы должны располагаться внутри силового каркаса.
Боковые полости (слева 45 мм, справа 50 мм) выполняют роль воздуховодов и силовых нагрузок не несут. Задняя стенка полости вентилятора имеет размер 420х130 мм. Передняя стенка полости вентилятора имеет Т-образную форму и ширину 310 мм на высоте 60 мм и ширину 420 мм на высоте 130 мм (общая высота 190). Боковые стенки полости имеют размеры 175х130 мм. В углах органические листы стянуты уголком 10х10 и заклепками.
Вырезанное в нижней части полости вентилятора отверстие для воздуховода вентилятора следует тщательно подогнать по периметру. Сопло вентилятора должно входить в это окно плотно и без деформации.
При установке вентилятора потребуется вырезать штатные «ушки» крепления, а также небольшой «клюв» выемки воздуховода. (Иначе вставить вентилятор в окно будет сложно). После склейки полость вентиляторов пропитать краской или лаком, протерев герметиком, не допуская зазоров и рыхлости. Для увеличения жесткости конструкции можно использовать эпоксидную смолу. Отверстия для установки вентилятора должны быть выполнены полиэтиленом или губчатой резиной таким образом, чтобы обеспечить герметичность. Для повышения тепло- и теплоизоляции полость вентиляторов изнутри из вспененного полиэтилена толщиной 4-6мм, а снаружи из материала коврового типа. Еще раз проверьте, как фанаты добираются до наших локаций. Корпус вентилятора должен быть плотно вставлен между вертикальными стенками, а сопло плотно входит в нижнее отверстие. В дальнейшем вентиляторы будут удерживаться на своих местах рамкой из уголка 30х30мм, образуя верхнюю крепежную рамку (которая прижимается к плоскости штатного воздуховода автомобиля).
Пространство, в котором находятся сопла вентиляторов, условно назовем надхардовой полостью.Для равномерного распределения воздушного потока над радиатором следует прикрепить наклонную панель от движения окна вентилятора к передней нижней части рамы. Полость между наклонной панелью и плоским днищем полости вентилятора желательно заполнить конструкционной монтажной пеной.
В том случае, если установлена раздельная система управления вентиляцией и отоплением для водителя и пассажира, полость супердиатора должна быть разделена перегородкой посередине. Перегородка крепится к нижней части полости вентилятора уголками или приклеивается эпоксидным клеем.
Боковые части полости наддува должны быть закрыты прямоугольными пластинами органа, но предварительно сделаны окна для размещения электровентиляторного резистора. Он должен быть размещен так, чтобы поток воздуха от вентилятора постоянно обдувал его.
Далее необходимо сделать верхние клапаны.
В крайних положениях заслонка распределяет поток воздуха по двум направлениям: 1) весь напор воздуха идет через радиатор, 2) большая часть, примерно 90 % воздуха, идет наверх путем обдува, минуя радиатор, а 10 % уходит через радиатор. В промежуточных положениях это соотношение меняется плавно. Для того можно направить в ноги и навстречу воздух разной температуры — вниз жарко, вверх — прохладнее. Если такой режим нагревателя не нужен, то верхние клапаны можно исключить, закрыв заднюю стенку супершаровой полости. Заслонка изготовлена из жести, а ее ось — из стального прутка толщиной 3-4 мм (я использовал тягу дверной ручки от вазы).Правый и левый щитки симметричны. Примерный профиль закрылка показан на чертеже (вид сбоку). Вырез и делается для «прохода» заслонки резистором вентилятора, выступ посадочных мест А-Б внутрь патрубка вентилятора, вырез Б — делается по месту исходя из условия — в верхнем положении , эта часть заслонки должна упираться в дно полости вентилятора. Выступы предназначены для изготовления «петли» — их следует обвести вокруг оси лоскута и в таком положении прополоскать.
Демпфер должен вращаться на оси свободно и без люфта. Выступ предназначен для крепления троса управления заслонкой. Чтобы исключить «звенящую» заслонку, желательно проклеить демпфер (или всю ее) резиной.Далее делаются воздуховоды — под дефлектор «в лицо» и боковой отвод для обдува лобового или бокового стекла. Я сделал их из оцинкованной жести (этот материал был под рукой). Также возможно их изготовление из эпоксидной смолы и стекловолокна.
Для изготовления воздуховода в забой измерьте размер короба дефлектора АЗЛК-2141 и изготовьте деталь следующего вида (рис.) Корпус дефлектора должен плотно войти в отверстие. Корпус дефлектора имеет заслонку, при закрытии которой происходит перераспределение воздуха (поток «в лицо» прекращается и направляется на обдув стекол). Во избежание лишних выступов внутреннюю часть корпуса дефлектора следует немного продуть.
Далее следует сделать боковой вынос для обдува стекла. Я сделал это следующим образом: от тиннитуса почистил квадратную «трубу», а потом ее край под шлангом под пассатоном превратился в круглую трубку.
Таким образом получился переходник с квадратного сечения на круглое (под штатный шланг для обдува стекла).Две детали соединяются вместе заклепками, а затем таким же образом соединяются с верхом печки. Щели и разболтанность стыков следует замазать клеем-герметиком. По желанию внешняя поверхность воздуховодов может быть покрыта ковролином.
В передней части полости вентилятора следует предусмотреть отверстие для слива воды — для этого с правой стороны схемы просверливаем канал, и вклеиваем в него шланг диаметром 8-10 мм . От полости вентилятора шланг отрезать заподлицо. Конец шланга в дальнейшем уводим в штатное отверстие кузова.
Далее приступаем к изготовлению дна печки. Для этого сделайте рамку для радиатора. На боковом срезе печи виден профиль нижней части. Для простоты каркаса я использовал загнутый в двух местах уголок 25х25 мм. Для этого на расстоянии 60 мм от края делается надрез одной из сторон уголка и в этом месте угол нагревается примерно до 400 градусов.
Контролировать достижение этой температуры можно с помощью деревянной палочки (например, спичек), которая при этой температуре начинает оставлять на металле темный след. После нагрева до указанной температуры угол следует охладить в холодной воде. Примерно через сутки материал приобретает пластичность, затем место нагрева становится твердым. Далее на расстоянии 95 мм уголок снова отбраковывается и срезается еще через 120 мм. Таким образом изготавливаются правая и левая стороны каркаса.Далее следует отрезать от уголка два куска по 180 мм. Они образуют плоскость соединителя с верхом печки и крепятся перпендикулярно к боковой стороне 60 мм левой и правой части соответственно.
Далее отрезаются два куска уголка по 118 мм (общая высота 60+60=120 — толщина уголка 2 мм) уголки скрепляются друг с другом, образуя боковой каркас. Радиатор должен свободно проходить по ширине между боковыми ребрами. На рисунке показана левая часть. Справа — симметрично.
Далее измеряется длина радиатора и с запасом 20 мм отрезаются два куска уголка 10*10 мм.
В моем случае размер был 310 мм. На высоте 60 мм от верхней плоскости правая и левая часть рамы уплотняются между собой этими уголками. Углы расположены «полочкой» внутри — именно на них и будет «лежать» радиатор.Боковые вертикальные стенки расположены «внутри» рамы, а расстояние в 25 мм между ними и наружной частью дополнительно заполнено монтажной пеной и служит опорной площадкой для радиаторных бачков.
Далее «выходы» стен скрепляются уголком. Обратите внимание — его концы срезаны с одной стороны и загнуты вниз. В дальнейшем оси нижних амортизаторов будут удерживаться.
Делаем переднюю стенку.
Пространство между боковой стенкой и внешней рамой залито «пеной». После заморозки выровняйте плоскость ножом.
Далее приклеиваем боковые стенки ковра, не забыв проделать отверстия под патрубки радиатора.
Делаем и крепим воздуховод к ногам на саморезы задних пассажиров. Это жесткая труба прямоугольного сечения 135*55 с центральной перегородкой.
Этот размер Сделан под шланг бокового воздуховода от АЗЛК-2141.Далее в боковых стенках делаем отводы для обогрева боковых стекол. Их изготовление аналогично изготовлению насадок для верхней половины печки.
Далее изготавливаем донышки. Каждый из щитков посередине имеет сектор — он делит потоки на два направления — «к ногам назад» и «к ногам вперед». Для уменьшения потерь воздушного потока на половине створки, направляющей воздух к ножкам передних отстойников (соответственно, на внешней «половине створки») выполнен полукруглый направляющий поток. Процесс изготовления нижних клапанов аналогичен изготовлению верхних клапанов, только край планки, без хитрых выступов. На боковой (внутренней) стороне щитка имеется отвод, в который вставляется трос управления. Сам трос проходит через «дно», где крепится его оболочка.
Из жести изготавливаем и корпус дефлектора к ножкам передних отложений (на рисунке показано справа). Внутрь него после «филовиков» вставлен корпус дефлектора АЗЛК 2141.
Таким образом, поток воздуха «к ногам» можно направить в нужном направлении. Сам корпус дефлектора крепится к корпусу печи винтами, образуя в дальнейшем одну из точек опоры печи.После сборки нижняя часть печи принимает следующий вид:
Далее на центральную перегородку накладываем уплотнитель и вставляем радиатор печки. Затем совмещаем выступ и нижнюю части печки, выравниваем их и проворачиваем 6 отверстий диаметром 7 мм (по 3 с каждой стороны) в углах «плоскости разъема». По бокам радиатора щели заделать уплотнителем и собрать печку.
Проверка его работы — удар, работа заслонок и т.д. После проверки верхней и нижней части снова будем разбирать.
Далее осталось на верхнюю кромку полости вентилятора поставить два уголка 30*30 (прикрепив их к вертикальным уголкам болтами М6), омеднить их крестовинами и наметить отверстия для крепления к корпусу. Прикрутил к штатным «ушкам» печки, используя для крепления два винта от поручня ВАЗ-2108 (длинные винты М6 длиной около 80 мм).
Под них нужно подложить шайбы. Образуется «окно» размером примерно 100*125 мм в правой части рамы. Его следует закрыть листом гибкого материала (например, вспененного полиэтилена), прикрепленным одной стороной к перекладине. Таким образом получается рециркуляционный клапан — при включении отопителя на полную мощность этот клапан открывается и воздух из салона частично подается в печку, ускоряя нагрев.На верхнюю плоскость рамки крепления наклеить уплотнитель высотой 5-15 мм (в зависимости от механизма полки кузова под отопителем).
Сначала устанавливается верхняя часть (не забудьте проверить свободность открывания клапана рециркуляции), затем правая нижняя часть может быть присыпана и прикреплена к верхней.
Радиатор подключен так — передний нижний патрубок — вход, задний верхний — выход охлаждающей жидкости. Для подключения вентиляторов можно использовать штатный жгут отопителя АЗЛК-2141, либо изготовить его самостоятельно. Т.к. вентиляторы отопителя намного мощнее штатного, желательно сделать раздельное питание через предохранитель на 30 А и реле.

В качестве ручек, управляющих заслонками, удобно использовать ручки управления от ВАЗ-2105 (07). Один рычаг там лишний и просто его почистить…
Вид сбоку Вид сверху Подсветка Дуновением сзади Результат превзошел все ожидания — при проветривании на малой скорости можно вообще не открывать окна. При включенном вентиляторе создается эффект отсутствия лобового стекла при движении на скорости. При этом воздушный поток можно регулировать по направлению и интенсивности. Пассажир управляет своей стороной. Например, можно включить обогрев только ногам, а водителю обогрев ног и обдув «холода» в лицо, а пассажиру можно вообще выключить. Температуру выходящего потока воздуха рука не терпит, а вот сам двигатель, несмотря на исправный термостат на 80 грамм, охлаждается до 70…
Эксплуатация выявила один нюанс — к сожалению, расход охлаждающей жидкости в штатном исполнении не очень большой и радиатор АЗЛК-2141, обладающий очень высокой теплоотдачей, сильно крутит его на «выход».
В результате возможности печки используются не полностью. Для устранения этого желательно встроить в отопитель электронасос от Газели. Включить его для увеличения теплоотдачи можно отдельным тумблером.Система вентиляции и отопления салона автомобилей УАЗ-31512, УАЗ-31514, УАЗ-31519а УАЗ Хантер очень прост и примитивен как по устройству, так и по принципу действия. Отопитель с простейшей системой Ов Распределения воздуха при этом, так или иначе, участвует как в работе системы отопления, так и в работе системы вентиляции Салона УАЗ.
Штатный отопитель УАЗ-31512, УАЗ-31514, УАЗ-31519 и УАЗ Хантер представляет собой крайне примитивную установку, состоящую из коробки с заслонками, в которой находится радиатор, электродвигателя с крыльчаткой и добавочного сопротивления.
Несложная система распределения поступающего воздуха включает в себя воздухозаборник с механическим приводом управления, два патрубка обмотки лобового стекла, два гофрошланга и клапан коробки отопителя.

На автомобилях УАЗ Хантер в конструкцию отопителя добавлен пластиковый короб, каталожный номер 3151-8101231, который устанавливается между люком воздухозаборника и радиатором отопителя и предназначен для сбора и нарушения дождевой воды, попадающей в открыть крышку нагревателя. Люк забора воздуха.
Дождевая вода, попадая через воздухозаборник в этот пластиковый бокс, сливается наружу через резиновый шланг, проходящий к перегородке моторного отсека внутри кабины.
А вода или конденсат изнутри отопителя сливается через второй резиновый шланг, расположенный внизу его корпуса и также выведенный из моторного отсека через отверстие в его перегородке.
Установка пластикового бокса 3151-8101231 сильно снизила интенсивность набегающего потока воздуха, поступающего в салон при движении автомобиля и ухудшила естественную вентиляцию, но дождевая вода не попадает на горячий радиатор отопителя и не не образуют пару в салоне, которая направляет изнутри на очки. Кроме того, этот короб предотвращает попадание непосредственно в отопитель, а через него и в салон большей части пыли, песка и грязи.

Вентиляция салона автомобилей УАЗ-31512, УАЗ-31514, УАЗ-31519 и УАЗ Хантер.
В вагоне предусмотрена естественная и принудительная вентиляция. При естественной вентиляции воздух поступает в салон через открытые поворотные или дверные окна. Во время движения автомобиля набегающий воздушный поток далее поступает в кабину через воздухозаборник, установленный перед лобовым стеклом. Забор воздуха открывается рычагом, установленным слева от отопителя.
При закрытых окнах и принудительной вентиляции Воздух в Салон УАЗ нагнетается электровентилятором отопителя без его подогрева. Воздух проходит через воздухозаборник, отключенный радиатор отопителя, вентилятор и поступает в зону ног водителя и переднего пассажира, а также из центральной части салона к задним сиденьям. Кроме того, воздух поступает в сопла обдува лобового стекла по гофрированным пластиковым шлангам.
Интенсивность принудительной вентиляции кабины с закрытыми окнами регулируется включением мотора отопителя на один из режимов, а также регулировкой размера подъемного подъемника воздухозаборника.

Практика показывает, что возможности штатной системы вентиляции при закрытых окнах весьма ограничены и работает она не эффективно, в салоне отсутствует нормальная циркуляция воздуха, что приводит к постоянному стеколу. Поэтому, как и все на УАЗе, систему вентиляции желательно как-то доработать, один из вариантов такой доработки рассматривается в .
Обогрев салона автомобилей УАЗ-31512, УАЗ-31514, УАЗ-31519 и УАЗ Hunter.
Салон УАЗ обогревается нагретым воздухом, поступающим внутрь, а также при принудительной вентиляции, но уже с включенным радиатором отопителя. Для регулировки подачи горячей жидкости от системы охлаждения двигателя к радиатору отопителя используется кран, который устанавливается на головке блока цилиндров в автомобилях с двигателем УМЗ-417 и УМНС-421, либо находится внутри переднего пассажира на со стороны переднего пассажира, в автомобилях с двигателем ЗМЗ— 409.
В автомобили УАЗ Хантер с двигателем ЗМЗ-409 возможна установка системы дистанционного управления для упрощения процедуры крана отопителя.
Подробнее об этом в отдельном.При открытом контрольном кране жидкость из головки блока цилиндров двигателя поступает в радиатор отопителя и затем удаляется к водяному насосу, образуя в системе малый круг циркуляционной циркуляции. Свежий воздух снаружи, через люк воздухозаборника проходит в коробку отопителя, затем больничный, или принудительный вентилятор, через раскаленный радиатор, поступает в уже прогретый салон.
Тепловой поток воздуха, прошедший через радиатор, распределяется на обдув лобового стекла, обогрев ног водителя, переднего пассажира и через центральную часть салона на задние сиденья. Воздушный поток можно полностью направить на обдув лобового стекла обдувом, для чего необходимо закрыть переднюю крышку коробки отопителя и заслонку на патрубках нижних каналов-распределителей.
Количество и интенсивность поступающего в кабину нагретого воздуха регулируется открытием крышки воздухозаборного люка и частотой вращения вентилятора отопителя. Вы можете выбрать один из двух режимов работы отопителя — минимальную или максимальную частоту вращения вентилятора.

Отопитель Салона УАЗ эффективно работает только при температуре жидкости в системе охлаждения двигателя не менее 80 градусов. В холодное время года для повышения температуры охлаждающей жидкости на автомобиле УАЗ Хантер желательно установить кожух утеплителя на облицовку радиатора, а на автомобилях УАЗ-31512, УАЗ-31514, УАЗ-31519 регулировать подачу воздуха с помощью жалюзи радиатора.
Доработка и усовершенствование конструкции отопителя УАЗ Хантер, выбор и замена электродвигателя, сезонное обслуживание отопителя.
Как и всякая примитивная конструкция, для повышения эффективности работы штатный отопитель УАЗ Хантер нуждается в доработке и некоторой несложной доработке. Один из возможных вариантов Такая доработка, а также сезонное обслуживание отопителя и системы воздухораспределения более подробно рассмотрены в отдельном.
УАЗ 469, как и УАЗ Хантер, оборудован системой отопления, которая не способна обогревать салон. Щели и незначительная теплоизоляция делают холодным и УАЗ Патриот.

Правильный выбор
Зимой хочется комфортного тепла в салоне
Допускается установка в задней части салона моделей с дополнительным отопителем. Выбор печки зависит от личных предпочтений, вкусов и финансов владельца УАЗ 469 или УАЗ Хантер. В любом случае конфигурация нагревателя меняется. В своем качестве может выполнять:
- КИТБ.3221-8110010;
- погода-4 или ус-7,
- жигулевская печка.
Автомеханики рекомендуют устанавливать на данную модель отопителя Нами-4, который будет работать на газовом топливе. При этом учитывается, что независимо от выбора подборки печь должна иметь мощность 2-4 кВт. Плюс такая система автономного поддержания температуры в салоне. Минус — Сложный монтаж.
Перед тем, как приступить к Тюнингу УАЗ Хантер, нужно учесть, что кран тоже подлежит замене. Это связано с его неудобным расположением и протечкой. Правильным решением в этом случае является вставка нового блока в эту систему.
Кран устанавливают ближе к печке.Необходимо врезать угловой кран в кабину, иначе может загнать грязь. В этой ситуации один штуцер выводится в коробку, а второй соединяется с аналогичным элементом радиатора. Важным моментом в этом вопросе является правильный выбор деталей. Рекомендуется установить регулируемый кран.
Вы можете предпочесть электромагнитный клапан от BMW 5 серии. Монтировать его необходимо в зазор выпускного и заборного патрубков радиатора печи. Этот пункт не понимает. Чтобы обновить его, вам нужно будет просверлить 4 заклепки в крышке. В этом случае получается разборная конструкция, которая легко поддается чистке. Винты относятся к ее коллекции.
Основные работы
Установка дополнительного источника тепла
Перед установкой отопителя 4 или другой модели старую печку демонтируют. По возможности дорабатывается существующая система отопления путем обдува боковых стекол.
Для этого используется тройник, гибкая проводка, дрель.
Изначально в торпеде нужно будет проделать отверстия, установив боковые воздуховоды от КамАЗа или ЗИЛа.Если в УАЗ ХАНТЕР или УАЗ 469 установлен отопитель — 4 как дополнительная печь, то подключается он следующим образом:
- Параллельно: Моторный блок — Электронасос — Тройник — Шаровые краны — Радиаторы печки — Тройник — Мотопомпа. Необходимо учитывать, что у каждого радиатора своя теплоотдача и проницаемость. По окончании демонтажных работ регулируют проход тосола с помощью крантов через нагреватель. Этот шаг позволит им дуть в одном направлении.
- Последовательно: Моторный блок — электронасос — радиатор печки — радиатор печки — мотопомпа.
При проведении тюнинга нужно помнить, что электронасос работает эффективнее при сильном давлении на него Тосола. Поэтому необходимо установить первый элемент после моторного блока. Для лучшего нагрева горячий тусол должен попадать в радиатор, а оставшаяся жидкость уходить вниз. Это объясняется изменением плотности вещества.


с.)
Запускается режим «самостоятельной диагностики» контроллера;
д.
Если обрывы имеются, провода следует поменять. Если на контактах есть окисления, их следует зачистить.
Электрооборудование автомобилей мод. 315195-023, 315195-123:
Каждые 20000 км меняется — топливный и воздушный фильтр, регулируются клапана. Каждые 50000 км пробега — замена цепи ГРМ.
см.).
По мнению специалистов, в целом эта схема является несовершенной.

Доставать нужно два элемента верхний и нижний. Снимаются они одинаково.
Та часть цепи, которая находится рядом с успокоителем, должна оказаться натянутой.



Прыжок может быть по разным причинам, но, как правило, проблема заключается в использовании более мощного оборудования. Например, если подключить тройник при одновременном питании всех трех розеток устройства, это может привести к серьезному скачку. Перед заменой предохранителя убедитесь в отсутствии скачков напряжения в системе.

5A Low beam right side
5A Fog lamp
А если хотите помочь дополнить материал, пишите обо всем в комментариях.
В этом режиме аккумулятор будет разряжен.
