Содержание
Конденсаторный двигатель
В ГОСТ 27471-87 [1] дано следующее определение:
Конденсаторный двигатель — двигатель с расщепленной фазой, у которого в цепь вспомогательной обмотки постоянно включен конденсатор.
Конденсаторный двигатель, хотя и питается от однофазной сети, по существу является двухфазным.
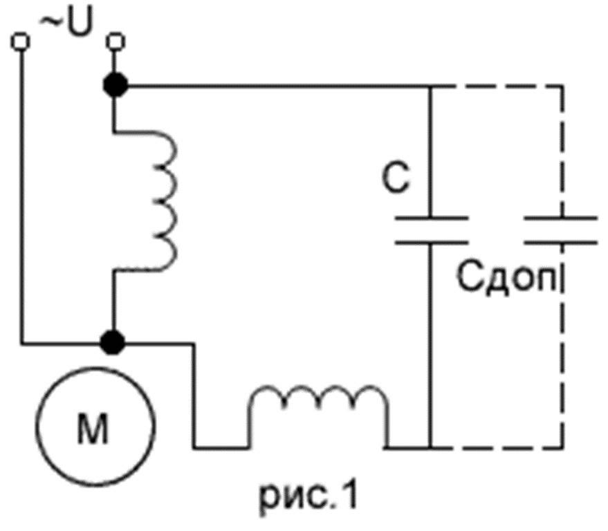
Ёмкостной сдвиг фаз с рабочим конденсатором
Ёмкостной сдвиг фаз с пусковым и рабочим конденсатором
Конструктивно конденсаторный асинхронный двигатель представляет из себя двухфазный двигатель. На статоре располагают две обмотки фаз, оси которых смещены относительно друг друга на 90 электрических градусов. Обе обмотки занимают равное число пазов. Питание электродвигателя осуществляется от однофазной сети переменного тока, при этом одна обмотка подключается непосредственно к сети, а другая через конденсатор. Таким образом, в отличии от однофазного двигателя, который после пуска работает с пульсирующим магнитным потоком, конденсаторный электродвигатель работает с вращающимся магнитным потоком.
Емкость рабочего конденсатора, требуемая для получения кругового вращающегося поля, определяется по формуле [2]
,
- где Сраб – емкость рабочего конденсатора, Ф,
- IA — ток обмотки A, А,
- IB — ток обмотки B, А,
- — угол фазового сдвига между током IA и напряжением питания U при круговом вращающемся поле, градусов,
- U — напряжение питания сети, В,
- f — частота сети, Гц,
- k — коэффициент, определяемый отношением эффективных чисел витков в обмотках фаз статора B и A.
,
- где – число последовательно соединенных витков в обмотки фазы А и B статора,
- kобА и kобВ — обмоточный коэффициент обмоток фаз статора А и B
Для повышения пускового момента параллельно рабочему конденсатору Ср включают пусковой конденсатор Cп. Для создания пускового момента, равного номинальному, требуется пусковой конденсатор Cп в 2 — 2,5 раза больше рабочего Cр.
Основные параметры электродвигателя
Общие параметры для всех электродвигателей
- Момент электродвигателя
- Мощность электродвигателя
- Коэффициент полезного действия
- Номинальная частота вращения
- Момент инерции ротора
- Номинальное напряжение
- Электрическая постоянная времени
- ГОСТ 27471-87 Машины электрические вращающиеся. Термины и определения.
- Н.И.Волков, В.П.Миловзоров. Электромашинные устройства автоматики: Учеб. для вузов по спец. «Автоматика и телемеханика».- 2-е изд.- М.:Высш.шк., 1986.
Библиографический список
Асинхронный двигатель с пусковым конденсатором
1. Применение асинхронных двигателей в стиральных машинах
Асинхронные двигатели нашли широкое применение как в промышленности,так и в быту.
В целом следует отметить два самых распространённых вида асинхронных двигателей — это конденсаторные (иногда их называют двухфазные) и трёхфазные.
Конденсаторные двигатели, которые мы будем рассматривать, часто применялись в стиральных машинах 80х-90х гг. выпуска. В таких машинках количество оборотов барабана при отжиме достигало всего лишь лишь 400-600 оборотов в минуту, реже 800 или 1000, где уже применялась электронная схема управления. В 2000-x годах, было выпущено крайне мало стиральных машин с такими двигателями. С развитием электронных технологий, конденсаторные асинхронные двигатели канули в прошлое, поскольку на смену им пришли более компактные и динамичные универсальные коллекторные двигатели, а также трёхфазные двигатели с частотным регулированием скорости. Для осуществления привода барабана стиральных машин, производителям пришлось по ряду причин отказаться от применения конденсаторных асинхронных двигателей. Но это не означает, что асинхронные двигатели и вовсе исключили из конструкции стиральных машин.
Например в стиральных машинах с функцией сушки горячим воздухом,простейшие односкоростные конденсаторные двигатели применяются до сих пор в качестве приводов вентиляторов, которые обдувают ТЭН сушки, прогоняя горячий воздух в бак стиральной машины.
2. Устройство асинхронного двигателя
|
1. Крышки двигателя 2. Подшипники 3. Ротор 4. Статор 5. Крыльчатка охлаждения Рис.2 Устройство асинхронного двигателя | Асинхронный двигатель имеет в своём составе две основные детали: статор и ротор, разделённые воздушным зазором. Статор (от латинского-стою) — неподвижная часть двигателя, взаимодействующая с подвижной частью-ротором. Активными частями статора являются обмотки и магнитопровод (сердечник). Обмотка статора в общем случае представляет собой многофазную обмотку, проводники которой равномерно уложены по окружности в пазы сердечника. Асинхронные двигатели для стиральных машин имеют две скорости вращения. В режиме стирки частота вращения на роторе двигателя составляет около 300 об/мин, а в режиме отжима (центрифугирования) 2800 об/мин. Поэтому, такие двигатели называют двухскоростные и для каждого режима работы применяется своя обмотка. Статор в рассматриваемом двигателе является электромагнитом, который создаёт магнитное поле. |
| Ротор — подвижная часть двигателя (Рис.3) В асинхронных двигателях это короткозамкнутая обмотка, которую часто называют «беличьей клеткой» из-за схожести конструкции. Алюминиевые или медные стержни статора замкнуты накоротко с торцов кольцами и как правило заливаются сплавом алюминия.Сердечник (вал ротора) имеет зубчатую структуру, который жестко скреплён с «беличьей клеткой». Вал ротора вращается на двух подшипниках, опорами которого являются крышки двигателя. Для лучшего охлаждения обмоток статора, на роторе устанавливаются крыльчатки с лопастями. ![]() |
1. Сердечник из штампованных листов стали или залитый сплавом алюминия 2. Стальной вал с зубцами 3. Короткозамкнутая обмотка в виде «беличьей клетки» Рис.3 Устройство ротора асинхронного двигателя
|
3. Принцип работы конденсаторного асинхронного двигателя
Для привода барабана в стиральных машинах всегда применялись двухскоростные конденсаторные асинхронные двигатели.
Конденсаторный двигатель — разновидность асинхронного двигателя, в обмотки которого включен конденсатор для создания сдвига фазы тока. Подключается в однофазную сеть посредством специальных схем. Работоспособная схема подключения такого двигателя содержит конденсатор (пусковой конденсатор), от чего и произошло название.
Давайте рассмотрим простейшую схему подключения конденсаторного двигателя на примере Рис.4
|
Одна из обмоток (её чаще называют рабочей) подключают напрямую к сети, а пусковую обмотку последовательно через конденсатор. Рабочая и пусковая обмотки геометрически сдвинуты друг относительно друга на определённый угол. Для работы асинхронных двигателей важно, чтобы частота вращения ротора не была равна частоте вращения магнитного поля, создаваемое током обмотки статора. Отсюда и название — асинхронный двигатель. Но однофазная обмотка на статоре не способна создавать вращающее круговое магнитное поле. Поэтому, для соблюдения условий работы асинхронного двигателя, необходимо, что бы и токи были сдвинуты по фазе. Конденсатор в цепи пусковой обмотки создаёт сдвиг фаз токов на электрический угол «фи»=90°. Магнитное поле статора воздействует на обмотку ротора и по закону электромагнитной индукции наводит в них ЭДС. В обмотке ротора под действием наводимой ЭДС возникает собственное магнитное поле и ток, которое вступает во взаимодействие с вращающимся магнитным полем статора. В результате на каждый зубец магнитопровода ротора действует сила, которая складываясь по окружности, создает вращающий электромагнитный момент, заставляющий ротор вращаться. Относительная разность скоростей вращения ротора и магнитного потока, создаваемого обмотками статора называется скольжение асинхронного двигателя. |
А — рабочая обмотка
Простая схема подключения асинхронного двигателя через конденсатор
|
А теперь представьте, если бы в пусковой обмотке не было конденсатора. Тогда магнитное поле создаваемое статором, создавало бы такое же магнитное поле в роторе. При такой схеме подключения, двигатель можно представить лишь в качестве трансформатора и совпадающие по фазе токи не смогли бы создать вращающее круговое магнитное поле, а пусковой момент был бы настолько мал, что ротор оставался бы почти неподвижным.
4. Неисправности и диагностика. Пуск асинхронного двигателя стиральной машины
Характерный признак неисправности при работе конденсаторных асинхронных двигателей проявляется как правило в ослаблении вращающего момента, вследствие чего ротор двигателя, особенно под нагрузкой, не в силах совершить полный оборот.
Из-за этого в стиральной машине, барабан с бельём совершает неполные покачивающие движения напоминающие колебание маятника. В подобных двигателях стиральных машин можно выделить несколько причин такой неисправности.
Самая распространённая причина — это потеря ёмкости пускового конденсатора, из-за чего сдвиг фаз токов пусковой и рабочей обмотки становится незначительным и не создаётся мощного вращающего момента ротора двигателя. Хотя при этом в режиме холостого хода (без нагрузки) двигатель может запускаться нормально. Подобная проблема не относится непосредственно к неисправности самого двигателя. В этом случае требуется только замена пускового конденсатора.
Другая причина — это межвитковое замыкание одной из обмоток двигателя. Причём поведение в работе двигателя иногда схоже с потерей ёмкости пускового конденсатора, но сопровождается сильным нагревом статорной обмотки, завышенным потребляемым током, иногда появляется запах гари и характерный гудящий звук. Иногда, при межвитковом замыкании в цепи обмоток режима отжима, обмотки режима стирки могут быть абсолютно исправны и работать нормально, и наоборот.
В этом случае двигатель подлежит замене. Если нет возможности его заменить, то можно обратиться на предприятие где профессионально занимаются ремонтом электродвигателей.
Иногда при неисправности в двигателе одна или несколько обмоток могут быть в полном обрыве.
В остальных случаях проблем работы двигателей, можно выделить неисправности связанные с коммутирующими устройствами и модулями управления, но это мы не будем рассматривать в данном материале.
Для того, чтобы отличить неисправность непосредственно двигателя от неисправности коммутирующих его устройств, необходимо произвести измерения электрического сопротивления обмоток, в частности электрического пробоя обмоток на корпус статора, подключить двигатель напрямую измерив потребляемый рабочий ток. Данные о потребляемом токе указаны на шильдике двигателя, а электрические сопротивления и схема соединения обмоток указываются в сервисной инструкции для мастеров.
Ниже, на Рис.5 и Рис.
6 приведена схема проверки двухскоростного асинхронного электродвигателя стиральной машины. Мы взяли самую сложную встречающуюся схему колодки двигателя с применением тахогенератора и термозащиты. Тахогенератор (Т) и термозащита (ТН) при проверке двигателя напрямую не подключаются к схеме. Для того,чтобы измерить ток в обмотках амперметр (A) подключается последовательно в разрыв цепи, но можно использовать и токовые клещи. Завышенный рабочий ток может свидетельствовать о межвитковом замыкании обмоток статора. Пусковой конденсатор (С), может быть общим для пусковых обмоток отжима и стирки. Но иногда используются и схемы с двумя пусковыми конденсаторами. Изменение направления вращения двигателя для режима стирки происходит путём изменения подключения полюсов обмоток. В режиме отжима двигатель вращается всегда в одну сторону.
|
Рис.5 Схема подключения для
|
Рис.
|
5. Режимы работы и коммутация обмоток асинхронного двигателя в стиральных машинах
Как мы и говорили, в стиральных машинах всегда применяются две скорости вращения двигателя. В режиме стирки, двигатель вращается медленно, а в режиме отжима (центрифугирования) с большой скоростью. Коммутация обмоток асинхронного двигателя в стиральных машинах традиционно осуществляется при помощи электромеханического командного аппарата. В режиме стирки, двигатель вращается через определённую паузу с поочерёдным изменение направлением вращения. Это делается для того, что бы белье в барабане не перекручивалось. В режиме отжима двигатель вращается в постоянном направлении.
Как видно на представленных ниже фрагментах схемы ,контакты командоаппарата имеют несколько положений. Вывод двигателя номер 5 является общим для обеих обмоток и включается напрямую с общей шиной питания, а другие выводы двигателя запитаны через соответствующие контакты командоаппарата, тем самым создавая электрическую цепь.
В этой схеме применяется один пусковой конденсатор, но в некоторых бывает и два конденсатора. Иногда, коммутация обмоток и управление двигателем (например в стиральных машинах Ardo TL80) осуществляется посредством электронного модуля с расположенными на нём симистором управления двигателем и контрольной цепью тахогенератора.
|
|
|
|
6. Преимущества и недостатки однофазных асинхронных двигателей
К преимуществам можно отнести: простоту конструкции, относительно высокий ресурс двигателя, низкий уровень шума по сравнению с коллекторными двигателями (речь о которых идёт в другой главе), практически не требует профилактического обслуживания, максимум требуется смазывание, либо замена подшипников.
К недостаткам можно отнести: большие габариты и массу двигателя, большой пусковой ток, применение нескольких обмоток для каждого режима работы двигателя, низкий КПД (коэффициент полезного действия), при неизменном габарите невозможно увеличить мощность двигателя, этим и объясняется его применение в стиральных машинах с низким числом оборотов барабана при отжиме, плохая управляемость электронными схемами.
7. Частые вопросы
- Для чего нужен конденсатор в цепи пусковой обмотки электродвигателя?
Конденсатор в асинхронных двигателях используется для сдвига фаз токов пусковой и рабочей обмотки, в результате чего возникает вращающееся магнитное поле. Сдвиг фаз обязательное условие для работы конденсаторных асинхронных однофазных двигателей.
- Какая ёмкость пускового конденсатора применяется для пуска асинхронных двигателей стиральных машин?
Для каждого типа двигателей индивидуально подбирается значение ёмкости конденсатора.
Самые распространённые номиналы ёмкостей (ёмкость конденсатора измеряется в микрофарадах): 8,5 мкф, 11,5 мкф, 12,5 мкф, 14 мкф,16 мкф, 18 мкф, 20 мкф, 22 мкф и 25 мкф. Но самые распространённые 14 мкф и 16 мкф.
- Почему рабочее напряжение пускового (фазосдвигающего) конденсатора должно быть не менее 400 вольт?
Фазосдвигающий конденсатор устанавливается в цепи обмоток статора, которые обладают большой индуктивностью. При работе электродвигателя, особенно при его пуске и остановке, на обмотках высвобождается большая электродвижущая сила самоиндукции (ЭДС самоиндукции), в виде всплесков повышенного напряжения 300-600 вольт, приложенная именно к конденсатору. Если установить конденсатор с меньшим допустимым рабочим напряжением, то он выйдет из строя.
- Что произойдёт, если вместо конденсатора номинальной ёмкости предназначенного для оптимальной работы двигателя установить конденсатор большей или меньшей ёмкости?
Если величина ёмкости фазосдвигающего конденсатора выбрана больше, чем требуется при данных конкретных условиях работы электродвигателя, то двигатель будет быстро перегреваться.
Если величина ёмкости выбрана меньше требуемой, то вращающий пусковой момент ослабнет, что может вызвать затруднённое вращение барабана с бельём в стиральной машине.
В электрической цепи с ёмкостным сопротивлением (конденсатором) ток опережает напряжение на угол «фи»=90°. Ток опережающий напряжение по фазе на 90°, называется реактивным или безваттным током, так как он не вызывает в цепи потребления мощности.
С включением последовательно пусковой обмотки и конденсатора, нарушается чисто ёмкостный (реактивный) характер цепи, в результате чего уменьшается угол сдвига фаз. Поэтому для каждого асинхронного однофазного двигателя ёмкость конденсатора пусковой обмотки подбирается таким образом,чтобы угол сдвига фаз тока относительно рабочей был близок к 90°.
Зачем однофазным асинхронным двигателям нужны конденсаторы
Однофазный асинхронный двигатель — это популярный рабочий двигатель с такими преимуществами, как дешевизна, надежность и возможность прямого подключения к однофазной сети, что делает их особенно распространенными в бытовых и небольших коммерческие приборы.
Однако, в отличие от трехфазных двигателей, они не являются самозапускающимися и требуют дополнительной обмотки, приводимой в действие конденсатором, для разгона с места.
Вращающиеся магнитные поля
Чтобы асинхронный двигатель начал работать, в статоре должно быть создано вращающееся магнитное поле (RMF), которое вызывает вращение и крутящий момент в роторе. Поскольку статор физически не движется, вращение магнитного поля создается взаимодействием между электромагнитными силами, возникающими в обмотках статора. В трехфазном двигателе, где на каждую обмотку подается напряжение, сдвинутое по фазе на 120 градусов по фазе с другими обмотками, сумма создаваемых сил представляет собой непрерывно вращающийся вектор. Это означает, что трехфазная мощность может создавать крутящий момент в роторе в состоянии покоя, а трехфазные двигатели могут запускаться самостоятельно без дополнительных компонентов.
Однако однофазный асинхронный двигатель питается от однофазного источника питания, проходящего через одну обмотку статора.
Одна обмотка статора сама по себе не может создать RMF — она просто создает пульсирующее магнитное поле, состоящее из двух противоположных полей, разнесенных на 180 градусов.
Это создает две проблемы:
Во-первых, двигатель не запускается самостоятельно, поскольку магнитное поле, создаваемое статором, не вращается.
Во-вторых, хотя одна обмотка может приводить в движение двигатель, когда он набирает скорость, она не создает постоянного крутящего момента в роторе во время полного оборота, что приводит к потере эффективности и производительности. Ротор испытывает максимальный крутящий момент примерно при 10% скольжении (разнице вращения ротора и обмотки статора). Поэтому ротор будет проводить большую часть каждого оборота, испытывая очень низкий крутящий момент.
Вспомогательная обмотка
В однофазных асинхронных двигателях для решения этих проблем используется вторая обмотка статора, называемая «вспомогательной обмоткой» или «пусковой обмоткой».
конденсатор, изменяющий фазу питающего напряжения, на него подается напряжение, не совпадающее по фазе с напряжением, подаваемым на основную обмотку. Это означает, что взаимодействие между двумя обмотками создает вращающееся магнитное поле, и двигатель может запускаться самостоятельно.
Есть два конденсатора с разными характеристиками, используемые однофазными асинхронными двигателями для разных частей их работы.
Пусковые конденсаторы
Пусковой конденсатор используется для обеспечения пускового момента двигателя. Это электролитические конденсаторы с емкостью от 50 мкФ до 1500 мкФ. Они имеют относительно высокие потери и низкий КПД и не предназначены для непрерывной работы; необходимо отключить их, как только двигатель наберет скорость, с помощью центробежного переключателя или какого-либо реле.
Рабочие конденсаторы
Рабочий конденсатор используется для сглаживания крутящего момента двигателя при каждом обороте, повышая эффективность и производительность.
Обычно он намного меньше пускового конденсатора, часто менее 60 мкФ, и маслонаполненного типа для уменьшения потерь энергии.
Ограничения
Даже с дополнительной вспомогательной обмоткой однофазный асинхронный двигатель имеет ряд ограничений по сравнению с трехфазным двигателем. Фазовый сдвиг, обеспечиваемый рабочим конденсатором, изменяется в зависимости от скорости двигателя, а это означает, что эффективность не постоянна при изменении скорости двигателя. На эффективность также влияет RMF, создаваемое двумя обмотками статора. Он не так близок к идеальному кругу, как трехфазный RMF, а это означает, что крутящий момент по-прежнему значительно меняется при каждом обороте, снижая производительность и увеличивая вибрацию. Компоненты, необходимые для обеспечения самозапуска однофазных асинхронных двигателей, в том числе конденсаторы и центробежный переключатель, могут подвергаться термическому и механическому износу, что создает проблемы при обслуживании.
Для более крупных промышленных применений, требующих высокой эффективности, работающих в районах, где доступно трехфазное питание, лучше подойдет трехфазный двигатель.
Резюме
Однофазные асинхронные двигатели обычно используются везде, где используется однофазное питание. При оснащении пусковым конденсатором они могут развивать достаточный пусковой момент для самостоятельного запуска, а рабочий конденсатор повышает их эффективность и производительность во время работы.
Есть вопросы? Свяжитесь с нашими экспертами.
Свяжитесь с нашей командой экспертов по электронной почте или телефону.
1-800-890-7593
[email protected]
Асинхронный двигатель с конденсаторным пуском – его фазовая диаграмма, характеристика и применение
Двигатели с конденсаторным пуском представляют собой однофазные асинхронные двигатели, в которых используется конденсатор в цепи вспомогательной обмотки для создания большей разности фаз между током в основной и вспомогательной обмотках.
Само название «конденсатор пускает» показывает, что в двигателе для пуска используется конденсатор. На рисунке ниже показана схема подключения двигателя с конденсаторным пуском.
Содержимое:
- Векторная диаграмма
- Характеристики конденсаторного пускового двигателя
- Применение конденсаторного пускового двигателя
Конденсаторный пусковой двигатель имеет короткозамкнутый ротор и две обмотки на статоре. Они известны как основная обмотка и вспомогательная или пусковая обмотка. Две обмотки расположены под углом 90 градусов друг к другу. Конденсатор С S включен последовательно с пусковой обмоткой. Центробежный переключатель S C тоже подключен к цепи.
Ниже показана векторная диаграмма двигателя с конденсаторным пуском: схема выше. Таким образом, однофазный ток питания разделяется на две фазы. Две обмотки смещены друг от друга на 90 градусов электрического поля, а их МДС равны по величине, но 90 градусов друг от друга во временной фазе.
Двигатель действует как сбалансированный двухфазный двигатель. Когда скорость двигателя приближается к номинальной, вспомогательная обмотка и пусковой конденсатор автоматически отключаются центробежным выключателем, расположенным на валу двигателя.
Характеристики двигателя с конденсаторным пуском
Двигатель с конденсаторным пуском развивает гораздо более высокий пусковой момент, примерно в 3–4,5 раза превышающий момент при полной нагрузке. Для получения высокого пускового момента необходимы два условия. Они следующие: —
- Значение пускового конденсатора должно быть большим.
- Клапан сопротивления пусковой обмотки должен быть низким.
Электролитические конденсаторы порядка 250 мкФ используются из-за высокого номинала Var требуемого конденсатора.
Ниже показана характеристика скорости вращения двигателя :
Характеристика показывает, что пусковой момент высок. Стоимость этого двигателя больше по сравнению с двигателем с расщепленной фазой из-за дополнительной стоимости конденсатора.
Асинхронные двигатели для стиральных машин имеют две скорости вращения. В режиме стирки частота вращения на роторе двигателя составляет около 300 об/мин, а в режиме отжима (центрифугирования) 2800 об/мин. Поэтому, такие двигатели называют двухскоростные и для каждого режима работы применяется своя обмотка. Статор в рассматриваемом двигателе является электромагнитом, который создаёт магнитное поле.
Рабочая и пусковая обмотки геометрически сдвинуты друг относительно друга на определённый угол. Для работы асинхронных двигателей важно, чтобы частота вращения ротора не была равна частоте вращения магнитного поля, создаваемое током обмотки статора. Отсюда и название — асинхронный двигатель. Но однофазная обмотка на статоре не способна создавать вращающее круговое магнитное поле. Поэтому, для соблюдения условий работы асинхронного двигателя, необходимо, что бы и токи были сдвинуты по фазе. Конденсатор в цепи пусковой обмотки создаёт сдвиг фаз токов на электрический угол «фи»=90°. Магнитное поле статора воздействует на обмотку ротора и по закону электромагнитной индукции наводит в них ЭДС. В обмотке ротора под действием наводимой ЭДС возникает собственное магнитное поле и ток, которое вступает во взаимодействие с вращающимся магнитным полем статора. В результате на каждый зубец магнитопровода ротора действует сила, которая складываясь по окружности, создает вращающий электромагнитный момент, заставляющий ротор вращаться.
Относительная разность скоростей вращения ротора и магнитного потока, создаваемого обмотками статора называется скольжение асинхронного двигателя.
6 Схема подключения для